[ВХОД]

04.04.26(10:49)

mob.skif.biz

Альтернативная энергия. Оставь надежду, всяк сюда входящий...

🏠 Главная | 📚 Содержание | 💬 Форум | 📁 Файлы | 📩 Контакт

🖥️ | 🖨️

Форум - Резонансные генераторы - Прочие резонансные генераторы - резонанс в индукционном трансформаторе 3 кВт нагрева воды - Стр:2
<] [ 1 | 2 | 3 | 4 | 5 | 6 ] [>
Модератор: Wod
Первый пост темы: Wod Post: #139019 От:31.10.2008 (23:01)
Предлагаю обсудить тему "резонанс в трансформаторе 3 кВт".
Начитавшись разных публикаций о резонансе "за" и "против" решил провести эксперемент. Взял намотал тороид расчетной мощностью 3 кВт. Расчет 1-обмотки повбовал сделать двумя способами. По 1 - 583 витков, по 2-246 витков, т.к. из опыта работы с тороидами решил мотать с измерением тока холостого хода.
Удалось намотать 330 витков. Ток холостого хода получился 20 мА. Намотал еще вторичную обмотку 30 витков - получилось 10В. Индуктивность 1 обмотки 0,48Н.
Всунул полученный трансформатор в металлическую банку. запаял. Получил нагрузку - короткозамкнутый виток. Измерил индуктивность - 18 мН ?????.
Приборы: клещи - ватметр АТ 2209, токовые клещи, прибор для измерения индуктивности, осцилограф.
Подключил к сети, измерил х-ки,
А - 12,73А; Uc - 224В; кW - 2,79;cosf - 0,973; KVAR - 0,67; KVA - 2,86;
U2 - 10B;
Сделал стенд с регулятором температуры и контактором.
для того, что бы тр-р не сгорел бросил его в бочку с водой и управляю его работой через регулятор температуры. Провел несколько включений - банально измерял нагрев воды объемом 200 литров т.е. получил обратную связь для проверки резонанса 1. напряжение на U2 - 10В, и нагрев воды за время. При обычном включении (3 попытки) получил данные, что за 17 мин. идет нагрев на 10 градусов.
Т.к. это мой второй эксперемент, в первом трансформатор сгорел (некачественная намотка, старый мотали в 1992г.).
Было под рукой конденсатор на 500,0 мкФ х 900В, попробовал подключить первичную обмотку с конденсатором:( подключил кратковременно, снял х-ки без записи в тетрадь, - было любопытно)
1. Последовательно. 2. параллейно.
Получил ток потребляемый из сети возрос до 30А, Реактивная мощность возросла существенно, кос.Ф уменьшился.
Вывод: - нужна помощь в проведении эксперементов. Если желающие обсудить эту тему, я готов провести необходимые эксперементы. (т.к. я пытаюсь пытаюсь проверить резонанс впервые, раньше с ним боролся, а на реактивную мощность обратил внимание месяца 4 назад.)
1. Необходима помощь в точной настройке контура КОНДЕСАТОР - ТРАНСФОРМАТОР.
2. За основу при расчете какую надо брать индуктивность до запайки в банку или после.
3. Какой должна быть емкость по Вашим расчетам.
Переодически буду чистить "мусор" - свои записи и ваши
Wod | Post:293562 - Date: 10.03.11(22:28)
Большое спасибо.
У меня неправильно определилась емкость, получилось 17,555 в общем запутался в запятых.
Я сделал в ЕХСЕЛе расчетку по Вашим формулам.
Вопрос ТРАНС у меня всегда нагружен из КЗ витка.
Нужно ли учитывать каким то образом индуктивность первички Транса в экране который и является нагрузкой.
И еще если можно вопрос если вместо латра тиристорный регулятор на 10кВт, но он режет синусоиду и при вкл. тиристора особенно на индуктивность идут очень короткие импульсы амплитудой до 1.5 - 2 кВ,
RC цепочка не всегда убирает этот импульс.

MSN | Post:293573 - Date: 10.03.11(22:55)
Индуктивность первички вычислена на основании измеренного тока первички под нагруженной вторичкой(КЗ) и измеренного напряжения источника. Тариф "все включено". Можно попробовать и тиристорным регулятором, главное чтобы ток не превысил измеренный. НО несинусоидальный ток неправильно будет измерен китайским тестером. Имей это ввиду.
И еще. ПОтребление обычного режима и режима в резонансе сравнивай по счетчику электроэнергии.

_________________
Говорите говорите, я всегда зеваю когда мне интересно. 99,9% всех СЕ устройств, - от неправильных измерений


Wod | Post:293943 - Date: 12.03.11(14:33)
У меня уже есть индукционный нагреватель. Ему все равно какая жидкость. КПД то же. В моем варианте все тепло передается на нагрев жидкости.
======================================
В электродном котле нужно покупать у фирмы подсоленную воду, что бы котел работал или делать ее самому. Соль разъедает трубы. На котле и сооединениях солевые выделения. Такой котел стоит у моих знакомых.
========================================================
Мой индукционный нагреватель для меня слабоват - все таки отопить 300 кв.м.поэтому работает с ТЭНами + угольный котел + тепловой ресивер + обвешен электронными термометрами, с ними очень удобно топить анализировать как греется вода и не боюсь если кудато уеду то заморожу систему. Но дороговато электричество. Поэтому сейчас для меня актуально понизить енергозатраты.
Мне не жалко если ендукционный транс сгорит дай бог, что бы отработал 10 мин и я снял характеристики и их проанализировать.
Сейчас все равно буду делать транс кВт на 10 и попытаюсь сделать с тиристорным преобразователем.
=============================================================
На куче веток по резонансу я ни где не нашел, что кто то делал практически, а не теоретически с трансами мощностью от 3 кВт и 220В.
---------------------------------------------------------------
Анекдот (бородатый) В "армянского радио" справивают можно ли трахнутся на центральной площади города. Ответ - НЕ получмися т.к. за...т советами. С Уважением.

Balbes | Post:294036 - Date: 12.03.11(18:34)
Wod | Post: 293943 - Date: 12.03.11 (13:33
Мой индукционный нагреватель для меня слабоват

Можно схемку поглядеть?

_________________
"Офицеры - народ хамский, но для государства полезный, а посему, жалование им надлежит платить вовремя и в кабаки пущать беспрепятственно!" © Петр I


Wod | Post:294411 - Date: 13.03.11(23:02)
Со схемой еще не опредилился. Так как не купил еще кондеры. Попробую вместо латра 10кВт тиристорный регулятор с вкл. дросселем на 5 кВт и подберу 2 кондера, что бы после дросселя было, что то похожее на синусоиду (лет 10 назад мы делали такую штуку так для себя, было любопытно) .
Если не использовать тристорный регулятор то 2 вариант 6-8 ламп ПЖ 220 500 Е40 ли три галогенки КГ 1500 (они есть у меня в наличии ну и не дорогие).
====================================================
Сейчас в инете появилась книга = Э.И. Расовский "Основы электротехники в картинках и чертижах" 1952г. для военных училищ. Там очень хорошо разрисован стенд для проверки резонанса напряжений.=
На картинке видно, что перед трансом включена лампочка как нелинейное сопротивление и наверное как стабилизатор тока.
Скорее всего мой стенд будет подобный этой книге. Кажется лучше никто не придумает, что придумали 60 лет назад
=============================================================
Я лампочку ПЖ 220 500 использую лет 5 в зарядном устройстве для авто аккумуляторов (в первичке).

Wod | Post:294413 - Date: 13.03.11(23:07)
Да еще забыл, нужко поставить ограничитель высокого напряжения на кондере или трансе т.е. хочу что нибудь слепить для сброса при достижении напряжения 1000В - 1500В. Еще не знаю. Будут кондеры тогда буду решать.

Balbes | Post:294429 - Date: 14.03.11(01:21)
Неа я просил схемку индукционного нагревателя, который для тебя слабоват.

_________________
"Офицеры - народ хамский, но для государства полезный, а посему, жалование им надлежит платить вовремя и в кабаки пущать беспрепятственно!" © Петр I


Balbes | Post:294430 - Date: 14.03.11(01:26)
И есче маааленькая прозьба, дай сцилочку на книжку, тоже стало интересно про резонанс напружений почитать.

_________________
"Офицеры - народ хамский, но для государства полезный, а посему, жалование им надлежит платить вовремя и в кабаки пущать беспрепятственно!" © Петр I


Wod | Post:294524 - Date: 14.03.11(17:32)
Выкладываю 1 страницу книги и резонанс напряжений


Размер: 36.96 KB

Wod | Post:294525 - Date: 14.03.11(17:35)
Резонанс напряжений из книги


Размер: 31.34 KB

Wod | Post:294670 - Date: 15.03.11(00:16)
Файл загружен на обменник. 140 Мбайт
[ссылка]
=========================================

Wod | Post:294673 - Date: 15.03.11(00:20)
Схема предполагаемых оытов.


Размер: 43.80 KB

Balbes | Post:294683 - Date: 15.03.11(00:50)
Так, цель была понятна изначально. Гобсику читать нада внимательно.
Вод quote гдето не написал.
А книга где? Скинеш на мыло или ото она на файлообменнике? Тока не пойму ты писал что она 8 Мб, а здеся 140Мб, там что 1500 страниц?

_________________
"Офицеры - народ хамский, но для государства полезный, а посему, жалование им надлежит платить вовремя и в кабаки пущать беспрепятственно!" © Петр I


Wod | Post:294686 - Date: 15.03.11(00:56)
По книге я скачал 2 варианта. Один кто то сделал частично 8 Мбайт, а вторая полностью 140. Так, что выбросил на файлообменник как и просили. С Уважением.

Balbes | Post:294700 - Date: 15.03.11(01:42)
WOD прочитай сообщение в личке.

_________________
"Офицеры - народ хамский, но для государства полезный, а посему, жалование им надлежит платить вовремя и в кабаки пущать беспрепятственно!" © Петр I


Wod | Post:295040 - Date: 16.03.11(13:36)
Вот интересная статья с учебника резонанс напряжения при частоте 50Гц
--------------------------------------------------------------------
«Элементарный учебник физики" под ред. акад. Г.С. Лансберга Том III Колебания, волны. Оптика. Строение атома. М.: 1975г., 640 с. с илл.» откроем ее на страницах 81 и 82 где приведено описание экспериментальной установки для получения резонанса на частоту городского тока
====================================================================
Статью не выкладываю - ищите учебник сами (мне это сейчас сложновато)он в есть в инете.

Wod | Post:295068 - Date: 16.03.11(15:18)
У меня электроэнергии получилось за месяц 7 кВт/час, это это около 375$, площадь 280 кв.м. Стоит еще угольный котел. На опыте этой зимы, стоимость угольного отопления и электрического рядом. Угля надо от 3 до 5 тонн на месяц. Но уголь надо, вдруг оключат электроэнергию и уголь с дровами покупать надо в течении лета будет не так накладно.

Wod | Post:295125 - Date: 16.03.11(18:35)
для matros | Post: 295119 - Date: 16.03 (13:25)
---------------------------------------------------
Почитайте начало ветки. При паралельном резонансе увеличивается потребляемый ток от сети. На картинке, что я для Вас выкидую (с книги 1952г.)на амперметре (второй прибор с лева) хорошо видно, что при резонансе потребляемый ток от сети с 2А увеличивается до 5А.
А при последовательном резонансе (еартинка на стр.4) входные пареметры остаются без изменений.
С Уважением.


Размер: 26.47 KB

matros | Post:295252 - Date: 17.03.11(03:03)
Не согласен на счет увеличения тока .паралельный резонанс крутил лично,и там потребляемый ток контуром зависит от реактивного сопротивления элементов контура на данной частоте. чем больше индуктивность и меньше емкость при неизменной частоте тем меньше потреба, а ток в контуре только от активного зависит.и при неизменной индуктивности (как у тебя ,железная труба)частота не уходит. только резонанс на до настраивать уже на замкнутой трубе.

Зы. а про резонанс точечно говорю. увеличение тока потребления резонансного контура (паралельного) по сравнению с последовательным. происходит только изза того что элементы контура включаются паралельно ,у последовательного таким образом ,сопр боьше, и потреба меньше. но ведь как уже говорил ни кто не мешает увеличивать индуктивность и уменьшать емкость.

ты сам попробуй потестить с разными индуктивностями контур,на одной частоте.

_________________
Бессмыслица — искать решение, если оно и так есть. Речь идёт о том, как поступить с задачей, которая решения не имеет.(АиБ)


Balbes | Post:295285 - Date: 17.03.11(13:58)
Матрос, увеличением индуктивности и уменьшением емкости ты получишь трансформатор с фильтром высоких частот, кондеры стоят на любом трансе в радиоаппаратуре именного для этого. Увеличивая индуктивность, ты тем самым увеличиваеш реактивное сопротивление катушки, при неизменной частоте, и cosf.
при паралельном резонансе cosf=1(при последовательном тоже), ток имеет чисто активный характер.

_________________
"Офицеры - народ хамский, но для государства полезный, а посему, жалование им надлежит платить вовремя и в кабаки пущать беспрепятственно!" © Петр I


matros | Post:295396 - Date: 18.03.11(02:50)
Для резонанса думаю большое значение имеет исполнение транса ,а иммено вторичная и первичная обмотки не должны распологаться друг над другом ,надо делать как в сварочном первичка и вторичка рядом а связь через сердечник ,так при нагрузки первичнаа обмотка сохраняет индуктивность ,которая примерно как у катушки с таким же сердечником но разомкнутым (т.е. меньше) и резонанс надо ловить на полностью нагруженной вторичке ,а индуктивность первички расчитать как на простой соленоид.

Гдето так.

_________________
Бессмыслица — искать решение, если оно и так есть. Речь идёт о том, как поступить с задачей, которая решения не имеет.(АиБ)


Wod | Post:296026 - Date: 20.03.11(22:55)
Разрешите вмешаться в Ваш разговор. Раньше не мог. Был лишен доступа на 4 дня из за того, что не сдержался и выразился не совсем литературным языком.
=========================================
При cosf=1 в компенсаторе реактивной мощности может наступить режим самогенерации (я писал об этом на 1стр. с потреблением большого тока от сети, выбросом реактивной мощности в сеть - у меня самогенерация была примерно частотой 2 - 5 Гц. Поэтому в компенсаторах если релейный не рекомендуется более cosf=0,95, при электронном (тиристорный)на 12 каналов и выше пробуют cosf=0,98, но это чревато.
===============================================================
В вашей схеме есть таже ошибка, что произошла у меня 2 года назад (см.начало странице) из-за чего я и обратился на этот сайт, а именно я не поставил токоограничевающее буферное устройство - я это понял к сожалению только пару дней назад.
При резонансе сумма индуктивного и емкостного сопротивления стремятся к 0 и к сети приложено только авктивное сопротивление первичной обмотки транса. В моем случае равно 1.2 Ома соответственно ток был около 200А поэтому заклинил амперметр на 100А и отгорел "0" провод.
На картинке "Резонанс напряжений" Рассовского видно, что перед резонансным трансом ВКЛючена лампочка которая и является буферным токоограничивающем устройством кроме того она является стабилизатором тока для первичной обмотки транса. Изменяя мощность лампы можно ограничить напряжение на кондере и соответственно ограничить или увеличить резонансное напряжение.
С Уважением.

Wod | Post:302876 - Date: 17.04.11(17:47)
Вопрос к MSN
===============
Я писал Вам, что загнал формулы в Excel, но тогда заблокировал случайно страницу и оно не работало, поэтому и не выложил.
===========================
Сейчас разблокировал, но ошибка с запятой по расчету емкости. Где то не учел один ноль. Если можно гляньте. Если конечно страница загрузится.

С Уважением.
585046.xls
Размер: 31.50 KB

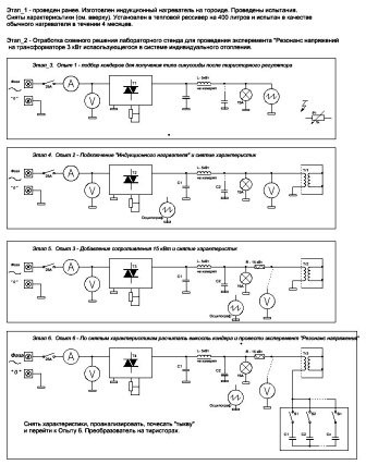
Wod | Post:304879 - Date: 28.04.11(20:26)
Пока к сожалению кондеры не купил, только после 15 - 20 мая. Пока подготовил стенд и схему опытов. Так как в схему ввел ТЭН как балласт изменились параметры, перемерял и пересчитал. Выбрасываю схему опытов и 2 фото стенда.
В принципе я уже знаю, что получу, но хочу проверить до конца. Дальше уже делаю стенд с тиристорным преобразователем - резонансный сетевой усилитель. Данные по этому эксперименту и вывод будет к концу мая.


Размер: 17.66 KB

Wod | Post:304881 - Date: 28.04.11(20:30)
Фото теплового накопителя (рессивера) и переносного стенда
Фото стенда
Фото стенда
Размер: 39.30 KB

<] [ 1 | 2 | 3 | 4 | 5 | 6 ] [>
У Вас нет прав отвечать в этой теме.
Форум - Резонансные генераторы - Прочие резонансные генераторы - резонанс в индукционном трансформаторе 3 кВт нагрева воды - Стр 2
🏠 Главная | 📚 Содержание | 💬 Форум | 📁 Файлы | 📩 Контакт