[ВХОД]

24.03.26(18:30)

mob.skif.biz

Альтернативная энергия. Оставь надежду, всяк сюда входящий...

🏠 Главная | 📚 Содержание | 💬 Форум | 📁 Файлы | 📩 Контакт

🖥️ | 🖨️

Форум - Прочие идеи (разные) - новые идеи (прочие) - ЕХ-кономия - Стр:1
Модератор: vodoprovodchik
vodoprovodchik | Post:281425 - Date: 26.12.10(11:38)
ЕХ-кономия
Вот наткнулся:
[ссылка]

понятно когда нагрузка через воровайку подключается , ну а в этом случае ???
Раздражает - опять денюх просют!
;-)
Какие мыслишки по схемке в коробке ,,,мощща вроде как неограниченна ??
Вод


missioner | Post:281447 - Date: 26.12.10(15:03)
В этом торренте тоже есть кое-какие схемы.
0fd54b.torrent
Размер: 6.69 KB

_________________
Здесь хранится СЕ суперавтотрансгенератор https://www.skif.biz/index.php?name=Forums&file=viewtopic&p=875842#875842 https://disk.yandex.ru/d/T_H9tIHpXVb8dw Дополненная версия с видео: https://disk.yandex.ru/d/RUQMOtXIHzRo7Q



MSN | Post:281460 - Date: 26.12.10(15:49)
так это схемы вороваек. Еще ни где в интернете не прочел положительную рецензию. В основном пишут, что не работает. Или пишут, - типа работает, - но счетчик вращается исправно. А потому-как в самой идее заложена ошибка.

_________________
Говорите говорите, я всегда зеваю когда мне интересно. 99,9% всех СЕ устройств, - от неправильных измерений



Gobsek | Post:281464 - Date: 26.12.10(16:18)
MSN Пост: 281460 От 26.Dec.2010 (15:49)
так это схемы вороваек. Еще ни где в интернете не прочел положительную рецензию. В основном пишут, что не работает. Или пишут, - типа работает, - но счетчик вращается исправно. А потому-как в самой идее заложена ошибка.


Опять сопли по паркету.

По делу сказать можешь или опять - "знаю, но не скажу" ?


alexkor | Post:281465 - Date: 26.12.10(16:20)
Воровайки уже проходили.

Для старых бытовых счетчиков реально из реактивки делать активку, но промышленный или электронный счетчик всё считает. Вода в ступе...

_________________
Радиантное зарядное устройство- "www.radiant4you.net" Низкоэнергетические ядерные реакции- "www.lenr4you.net"



MSN | Post:281466 - Date: 26.12.10(16:20)
Что именно тебе непонятно ? И что ЕШЕ тебе сказать по делу ?

_________________
Говорите говорите, я всегда зеваю когда мне интересно. 99,9% всех СЕ устройств, - от неправильных измерений



Gobsek | Post:281467 - Date: 26.12.10(16:23)
MSN Пост: 281466 От 26.Dec.2010 (16:20)
Что именно тебе непонятно ? И что ЕШЕ тебе сказать по делу ?


принцип воровста ЕШЕ бы сказал, и как и где не будет работать.

утомительно с тобой общаться МСН.
Все понимаешь вроде,
но ездишь на дурке.


jonifer | Post:281469 - Date: 26.12.10(16:32)
У меня есть такая - после точных измерений - добавляет ровно 10%.


MSN | Post:281471 - Date: 26.12.10(16:35)
Ну я же уже говорил, правильно заданный вопрос содержит до 90% ответа.
Глядишь и научишься правильно задавать вопросы.
По делу. Касательно принципа, можешь скачать по ссылке и ознакомиться. НО ежели что, то транслирую: во всех этих воровайках заложен принцип заряда конденсатора во время 1/4 и 3/4 а отдача в нагрузку во 2/4 и 4/4 напряжения источника(1/4-первая четверть периода сетевого напряжения и т.д.). "Экономию" до 100% аффтары обещают якобы за счет того что индуктивный датчик(электромагнит что вращает диск или трансформатор тока) имеет заниженную чувствительность на ВЧ. Так как зарядка предполагается ВЧ ШИМом. НА самом деле на той же индуктивности что якобы вносит погрешность, происходит интегрирование импульсов тока от ШИМа. Счетчик считает исправно. Во всяком случае старого типа индукционный. Электронный с процессором, будет считать тем паче исправно.
Фирштейн ?

_________________
Говорите говорите, я всегда зеваю когда мне интересно. 99,9% всех СЕ устройств, - от неправильных измерений



Gobsek | Post:281472 - Date: 26.12.10(16:53)
MSN Пост: 281471 От 26.Dec.2010 (16:35)
Ну я же уже говорил, правильно заданный вопрос содержит до 90% ответа.
Глядишь и научишься правильно задавать вопросы.
По делу. Касательно принципа, можешь скачать по ссылке и ознакомиться. НО ежели что, то транслирую: во всех этих воровайках заложен принцип заряда конденсатора во время 1/4 и 3/4 а отдача в нагрузку во 2/4 и 4/4 напряжения источника(1/4-первая четверть периода сетевого напряжения и т.д.). "Экономию" до 100% аффтары обещают якобы за счет того что индуктивный датчик(электромагнит что вращает диск или трансформатор тока) имеет заниженную чувствительность на ВЧ. Так как зарядка предполагается ВЧ ШИМом. НА самом деле на той же индуктивности что якобы вносит погрешность, происходит интегрирование импульсов тока от ШИМа. Счетчик считает исправно. Во всяком случае старого типа индукционный. Электронный с процессором, будет считать тем паче исправно.
Фирштейн ?



Ну близко к правде, только без школярского бреда про кондер.

И еще только не ШИМ, а частотно-фазовое управление - ЧФМ.
Механический счетчик действительно останавливается,
поскольку перестает работать сам принцип с повышением
частоты, а не го бреда что ты написал. С электронным
такого быть не должно, там в отл. от механики
перемножаются модули * без косинуса.

В коробочке - высокочастотный прерыватель и 50Гц инвертор.



MSN | Post:281478 - Date: 26.12.10(17:52)
Ну близко к правде, только без школярского бреда про кондер.


Тык носом в кондер
Тык еще раз
Цитирую, тут про кондер:
Работа устройства основана на том, что датчики тока электросчетчиков, в том числе и электронных, содержат входной индукционный преобразователь, имеющий низкую чувствительность к токам высокой частоты. Этот факт позволяет внести значительную отрицательную погрешность в учет, если потребление осуществлять импульсами высокой частоты. Другая особенность – счетчик является реле направления мощности, т.е если с помощью какого-либо источника (например дизель-генератора) питать саму электрическую сеть, то счетчик вращается в обратную сторону.
Перечисленные факторы позволяют создать имитатор генератора. Основным элементом такого устройства является конденсатор соответствующей емкости. Конденсатор в течение четверти периода сетевого напряжения заражают от сети импульсами высокой частоты. При определенном значении частоты (зависит от характеристик входного преобразователя счетчика), счетчик учитывает только четверть от фактически потребленной энергии. Во вторую четверть периода конденсатор разряжают обратно в сеть напрямую, без высокочастотной коммутации. Счетчик учитывает всю энергию, питающую сеть. Фактически энергия заряда и разряда конденсатора одинакова, но полностью учитывается только вторая, создавая имитацию генератора, питающего сеть


Ну и если уж быть на 100% корректным, то и не ЧФМ и не ШИМ там, так как генератор НЕУПРАВЛЯЕМЫЙ
Но самое главное, как заявлено., оно работать не будет, экономия (с3,14зженное) будет много меньше 100%, так как импульсный ток интегрируется на индукционном преобразователе и диск все равно бежит. Да еще советуют скважность 1/1 делать, тем более крутится будет весело...
f84fef.doc
Размер: 156.00 KB
9c35fc.doc
Размер: 64.00 KB

_________________
Говорите говорите, я всегда зеваю когда мне интересно. 99,9% всех СЕ устройств, - от неправильных измерений



SIM | Post:281491 - Date: 26.12.10(18:56)
Gobsek
Механический счетчик действительно останавливается,
поскольку перестает работать сам принцип с повышением
частоты, а не го бреда что ты написал. С электронным
такого быть не должно, там в отл. от механики
перемножаются модули * без косинуса.

В коробочке - высокочастотный прерыватель и 50Гц инвертор.

Подтверждаю- описанные схемы высокочастотных прерывателей и более навороченные схемы "отмоток" (засвеченные кстати на сайте Позитрон,ру) ни на новых электронных, ни на старых дисковых электросчетчиках НЕ РАБОТАЮТ. Реально только помех по сети больше да счетчик гудит сильнее, но от электрокаминов крутится максимум на несколько процентов меньше, и то есть подозрение, что эти проценты уходят на нагрев выпрямительного блока и самой схемы отмотки. Собиралось где-то с десяток экземпляров.
А что, кто-то знает реальные схемы отмоток, при которых счетчики замедляются при сохранении хотя бы резистивной нагрузки?



vodoprovodchik | Post:281521 - Date: 26.12.10(22:44)
SIM ...
+++А что, кто-то знает реальные схемы отмоток,+++

Я знаю , - реально идёт назад ...таким образом я пользовал отопление лет 15....
Но в данной прищепке непоимукакоерешение...
Развиваем следующее направление , - что происходит при сьёме с 2-х фаз ?? по жизни -один счётчик стоит второй идёт назад. Реализовать такую мощную индуктивную нагрузку по моему сложновато в предлагаемой коробке ,,,да и не 2-е фазы туда заходит. Значит есть виртуальное решение по моделированию 2-й фазы...какое ??? Искажение формы из сьёма с 2-х фаз не наблюдается т.е. работают любые индуктивные нагрузки...


SIM | Post:281524 - Date: 26.12.10(23:39)
vodoprovodchik
Я знаю , - реально идёт назад ...таким образом я пользовал отопление лет 15....
Но в данной прищепке непоимукакоерешение...

Ну так что мешает опубликовать здесь свое решение, тем более с 15-летней апробацией? Я думаю это будет очень многим интересно (даже энергонадзору 😀 )


Eduard | Post:281549 - Date: 27.12.10(10:08)
Смотрим устройство счетчика . Обращаем внимание, что токовая катушка имеет мало витков, а катушка напряжения - много, и значит, обладает сравнительно большой индуктивностью. Значит, между напряжением и ее магнитным полем существует некоторый сдвиг фаз... Дальше, думаю, понятно 😀

_________________
И мню аз яко то имать быть, что сам себе всяк может учить.



vodoprovodchik | Post:281564 - Date: 27.12.10(13:20)
SIM...

Ето совсем не интересно и требует 2-а разных счётчика , причём однофазных...тогда нагрузкой нуля можно добиться разных эффектов...обычно для потребителя ЭТО непредсказуемо так как изменят нагрузку нуля соседи потребители...
схема подключения :
;-)
Вод


Размер: 15.18 KB


shura-i | Post:281568 - Date: 27.12.10(13:37)
Gobsek Пост: 281472 От 26.Dec.2010 (16:53)
С электронным такого быть не должно, там в отл. от механики
перемножаются модули * без косинуса.

Без косинуса - значит при учете используется полная мощность (включая реактивную). Но потребитель должен платить только за активную энергию, если я правильно понимаю. Вот из описания электронного Меркурия 200: "Счетчики предназначены для коммерческого учета активной электроэнергии...".



vodoprovodchik | Post:281573 - Date: 27.12.10(15:14)
Ребя! ну смотрим внимательно сцылку - нагрузка включается не через чёрную коробку и значит - ЭТО вполне может подойти для 3-х фазной цепи. В 3-х фазке нуль общий и находится в самом счётчике, значит воздействие по нулевому проводу отпадает...однако,ж на ролике воздействие есть ! конечно , пройдёт время и схемка выплывет...это сейчас она , типа, "СЕКРЕТНАЯ" поэтому и интересно


MSN | Post:281633 - Date: 27.12.10(21:43)
Вод, так у тебя банальная воровайка.....

_________________
Говорите говорите, я всегда зеваю когда мне интересно. 99,9% всех СЕ устройств, - от неправильных измерений



Gobsek | Post:281641 - Date: 27.12.10(22:08)
shura-i Пост: 281568 От 27.Dec.2010 (13:37)

Без косинуса - значит при учете используется полная мощность (включая реактивную). Но потребитель должен платить только за активную энергию, если я правильно понимаю. Вот из описания электронного Меркурия 200: "Счетчики предназначены для коммерческого учета активной электроэнергии...".


Да что ты, серьезно что-ли ? 😬😬 Какой ты честный и понимающий 🤢
И надписи на заборе нверное все читаешь ... и веришь что оно и есть ?

Кондер на десяток мкф подключи и проверь как считает, чудик.


Eduard | Post:281668 - Date: 28.12.10(00:53)
Gobsek Пост: 281641 От 27.Dec.2010 (22:08)
Кондер на десяток мкф подключи и проверь как считает, чудик.

То есть, Гобсек, ты предлагаешь забить на всякие шильдики? А когда контора припрется, им показать свой рулон от самописца? И результаты своих замеров, по своим приборам?

_________________
И мню аз яко то имать быть, что сам себе всяк может учить.



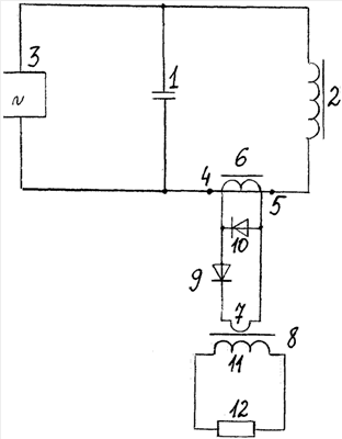
vodoprovodchik | Post:331218 - Date: 13.10.11(14:11)
Текссс..едем дальше ...;-)
Схему из патента Степанова все знают....(на всякий случай привожу)...
После некоторой возни со схемкой возникло подозрение вааще на такой конструктив,- дело в том, что уж больно сильно он напоминает генератор помех.
Просто как 3-и рубля , - Диод10 выдаёт пол/периода "ударной энергии" по обмотке7 транса 8 ...что тама творится в контуре -ХЗ ?? ,- но шума должно идти предостаточно.

В этой связи был проверен фирменный мощностемер(цифровой) на предмет помехоустойчивости....
Результаты -АХ- ЫЕ!!!
Фирмач "заткнулся" по токовой шине уже на 3-х Мегагерцах. Причём , как оказалось , даже необязателъно делать обратную связь по общему потреблению !! Просто - втыкиваем ген мощщёй около 5 ватт в ближайшую розетку и табло по току на "фирмаче" падает в ноль ....а компаратор уже вдогонку выдаёт, что потребление нагрузкой равно НУЛЮ!!!

ВСЁ!! вот и весь "ларчик"!! 😏 Не помешало,б проверить такую штуку на настоящем циферном счётчике!


Размер: 8.34 KB


stasis2 | Post:331253 - Date: 13.10.11(18:48)
проверить такую штуку на настоящем циферном счётчике!

результат будет одинаковый думаетцо


У Вас нет прав отвечать в этой теме.
Форум - Прочие идеи (разные) - новые идеи (прочие) - ЕХ-кономия - Стр 1
🏠 Главная | 📚 Содержание | 💬 Форум | 📁 Файлы | 📩 Контакт