[ВХОД]

31.03.26(10:13)

mob.skif.biz

Альтернативная энергия. Оставь надежду, всяк сюда входящий...

🏠 Главная | 📚 Содержание | 💬 Форум | 📁 Файлы | 📩 Контакт

🖥️ | 🖨️

Форум - Магнитные генераторы - Магнитные генераторы - Трансформатор Маркова - Стр:4
<] [ 1 | 2 | 3 | 4 | 5 | 6 ] [>
Модератор: free_energy
Первый пост темы: free_energy Post: #15067 От:11.12.2005 (23:04)
Я думаю, пускай это ветка будет для тех у кого «чешутся» руки и совсем не «болит» голова.
Я уже неоднократно, правда, не здесь, предлагал для исследования трансформатор Маркова. Как всегда нашлись «умные» головы, которые при прямой проверке патента и первой неудачи сразу «открестились» от устройства как нерабочего. Наверно они были «профессорами».. 😀 . Предлагаю всем подумать, а у кого "чешутся", повторить изобретение и окончательный вердикт должен быть в практическом опыте, который описывается в заметке или отсутствия такового. После чего можем смело думать о себе как о «профессионалах» и закидать Маркова помидорами. Наверно зря он за патент деньги платит.
Кто-то может подумать, что это и есть то, о чем я хотел сказать. Да, возможно этот трансформатор и есть одно из решений, но это не решение о генераторе Теслы, а оно проверено точно. Желающие могут применять Нейтронную физику и продолжать следить за темой.
MSN | Post:97978 - Date: 25.01.08(18:41)
Танку
MSN, блин, возьми да запитай на работающем трансе дополнительную обмотку - бифилярку встречными токами, транс будет работать как обычно, а вот если бы были поля скомпенсированы, то сердечник был бы в насыщении и не работал!

Ну не гони чушь пожалуйста. Я с бифиляром работал года три тому, эти иголки при включении и выключении тока меня еще тогда смутили по логике не должно было быть так, а было...
и транс я запитывал встречно, гудит как паровоз, а почему? потому что ЭДС скомпесированы, свойства индуктивности поэтому нет, реактивного сопротивления соответственно тоже нет и ток мгновенно вырастает в пределе до мах ограниченого только омическими сопротивлениями источника и обмотки.
Ладно , к делу. если до 1 мгц то можно все сделать на КМОП, перед ключами поставить драйверы.
ПО поводу второго блока укорачивающего на 45% я не понял, от чего, к чему укорачивать??? лучше нарисовать диаграммы и показать пределы изменения одного и второго сигналов.
Можно просто задающий генератор и по фронту и спаду запускаются два одновибратора с регулировкой скважности от 5% до 95% это и будут два исходных сигнала, регулируй как хочешь, или я все же не понял требования? Лучше все так диаграммы.

_________________
Говорите говорите, я всегда зеваю когда мне интересно. 99,9% всех СЕ устройств, - от неправильных измерений


AlexFrolov | Post:98139 - Date: 27.01.08(10:46)
Ученик Пост: 60212 От 02.Mar.2007 (21:34)
Здравствуйте! Я ученик 11 класса. Я хочу узнать о принципе работы трансформатора Маркова. Очень надо. Помогите разобраться! В своей работе я разобрался, что в сердечнике возникают 2 встречных магнитных поля. Hрезультирующее= Н1+ Н2. Т.к. Н1 = - Н2. Поэтому Н = 0. Но здесь работает сердечник: домены запасают упругую энергию, которая затем высвобождается в виде ЭлектроДвижущей Силы... Здесь мне нужно промежуточное звено между "Н = 0, далее работает сердечник". В этом месте мне крикнули, что раз Н = 0, то сердечник уже не может работать. Но ведь трансформатор работает! Я это видел наглядно! Чем я могу возразить нахалу? Подскажите, please! Дорогу подрастающему поколению!!!😬
см работу Ф-машины или генератора зеноба Теофила Грамма 18 век есть статьи здесь и на сайте Фролова [ссылка] а сам принцип был в докладе 1996 года: суть в том что получение следствия без связи с причиной невозможно, поэтому в трансформаторе всегда будет причинно-следственная связь и вторичка должна дать противоЭДС в первичке. Однако, можно сделать два следствия встречно и их влияние на первичку уменьшить как минимум вдвое.

Petr | Post:98174 - Date: 27.01.08(16:19)
TAHK Пост: 98141 От 27.Jan.2008 (11:26)
AlexFrolov, суть в том, что обмотка с уже установившимся постоянным током не тратит энергию источника на намагничивание сердечника вдруг появившегося в этом соленоиде. И далее - если сердечник появляется и исчезает в соленоиде, то на дополнительной обмотке этого соленоида возникает переменная ЭДС, притом халявная. Есть у вас данные по скорости намагничивания ферромагнетиков кроме малоизвестного факта, что скорость эта огромна?


Если в соленоиде с установившемся током вдруг появляется сердечник, то возникнет реакция в соленоиде. Появление сердечника вызовет резкое увеличение индуктивности. Ток в катушке скачкообразно упадет до нуля, а затем будет линейно нарастать до насышения сердечника (если хватит ампервитков) и перейдет в начальный установившийся режим.
Скорость намагничивания будет зависить от индуктивности соленоида с сердечником.

Почему бифилярное включение обмоток работает в трансформаторном режиме? Ответ прост и лежит на поверхности. Вроде ЭДС самоиндукции скомпенсирована одинаковым количеством витков в полуобмотках, но обратите внимание на тот факт что сопротивление в полуобмотках не равны!!! Поэтому Н1 первой полуобмотки не равняется Н2 второй полуобмотки. На сердечник будет действовать напряженность поля Н=Н1-Н2 и направлен с потоком катушки у которой меньшее сопротивления.

Если намотать катушки разными толщинами провода то эфект трансформатора еще более усилится.
Танк, от гистерезиса никуда не денешся.
На высоких частотах эта хреновина работает потому что амплитуда тока очень маленькая, и стественно потери мизерные.



Petr | Post:98175 - Date: 27.01.08(16:23)
Йо-майо, этож катушка Болотова!

free_energy | Post:98185 - Date: 27.01.08(18:35)
Почему бифилярное включение обмоток работает в трансформаторном режиме?


Юрик кажется уже ответил на этот вопрос, проведя ряд экспериментов, трансформатор Маркова, это обычный трансформатор, индуктивности обмоток не могут быть одинаковыми в следствии отсутствия идеального в нашем мире. Как пример 51-50=1, а вторичная например 100, вот и получается коэф. трансформаци 1:100 о не 1:1.

_________________
\\\"Есть только одно благо — знание, и есть только одно зло — невежество.\\\" Сократ


street | Post:98326 - Date: 28.01.08(17:07)
Sergh Пост: 97938 От 25.Jan.2008 (14:58)
Так получается что одну часть бифилярки можно и постоянкой запитать?

Получается , что обе можно.

Греться наверное сильно будет.

Так ведь виточков побольше , ток поменьше.


Мысль такая.
Имеем эту бифилярку запитанную встречно паралелльно.В сердечнике компенсировано , поля нет , но токи текут и в разных направлениях.Кладём сверху обычную катушку и подаем в неё частоту.Обычная катушка индуцирует в встречно-паралелльных бифилярках индуцированный ток. Этот ток совпадает с током в одной половинке бифилярки и противоположен току во второй её половинке.В сердечнике возникнет поле , но образовано оно будет преимущественно током одной половинки бифилярки ,а не током индуцирующей обмотки.

Противо ЭДС. Пытаюсь осмыслить.Представляется любопытная картина. У индуцирующей катушки ( той на которую подаём частоту) не будет индуктивности?Магнитный поток индуцированного тока направлен против потока в одной из половинок бифилярки , ослабит магнитное поле , создаваемое этой половинкой , одновременно индуцированный ток течёт против тока в этой половинке . Увеличится сопротивление в этой половинке для тока от источника? Это чтож получается? Процесс пойдет лавинообразно до полного прекращения тока в одной из половинок бифилярки?

Где тут у меня косяк в рассуждениях? Чего я упустил?
Поправьте пожалуйста.😕

_________________
Главное в мелочах


Sergh | Post:98492 - Date: 29.01.08(15:40)
Трансы подмагничивают специально, если надо через него больший ток в импульсе прокачать. Читайте про генерацию наносекундных импульсов с помощью SOS-эффекта в диодах.

street | Post:98498 - Date: 29.01.08(15:55)
TAHK Пост: 98481 От 29.Jan.2008 (15:10)


street, я описывал этот опыт, читайте более ранние посты. При наличии двух встречных обмоток с постоянным током в составе транса и компенсации их полей, транс будет работать как обычно, как будто их нет. Насыщение сердечника не происходит!


Это при условии , что у транса есть вторичка и она нагружена. А если её нет ( не нагружена )?

_________________
Главное в мелочах


Petr | Post:98519 - Date: 29.01.08(17:19)
TAHK Пост: 98481 От 29.Jan.2008 (15:10)
=Petr, нормально... индуктивность проявляется на переменном или изменяющемся токе, уверен на 100% вы опыт не делали, а зря. При введении сердечника с любой скоростью в катушку с постоянным током сила тока и напряжение никак не изменятся - проверяйте кто сомневается. Сердечник намагничивается совершенно халявно - факт. Гистерезиса нет.=

Не то сказано. Наоборот с минусовой энергией за промежуток времени пролетания сердечника через катушку. Подключи осцилограф и все наяву увидишь.
Упростим опыт до школьного варианта. Возьмем любой сердечник состоящий из двух половинок. На одну половинку намотаем пару десятков витков и пропустим постоянный ток через эту обмотку. Осцилограф подключим на сопротивлении тока. Теперь второй половинкой сердечника будем замыкать и размыкать магнитопровод. Чем быстрее тем больше броски тока. При замыкании ток падает,а при размыкании увеличивается.

ОТ ГИСТЕРЕЗИСА НИКУДА НЕ ДЕНЕШЬСЯ!

=При наличии двух встречных обмоток с постоянным током в составе транса и компенсации их полей, транс будет работать как обычно, как будто их нет. Насыщение сердечника не происходит!=

А это смотря как включены встречные обмотки. Если встречно последовательно то хоть сто ампер давай при условии одинакого сопротивления обмоток, трансформатор это не почувствует он и будет работать на холостом ходу.

При встречнопаралельном включении встречных обмоток будет КЗ витков и ток будет ограничиватся внутренним сопротивлением обмоток.
Не веришь? Проверь.



Petr | Post:98521 - Date: 29.01.08(17:42)
Sergh Пост: 98492 От 29.Jan.2008 (15:40)
= Трансы подмагничивают специально, если надо через него больший ток в импульсе прокачать. Читайте про генерацию наносекундных импульсов с помощью SOS-эффекта в диодах.
=

Товарищи, господа, а вы знаете о том что магнитный усилитель, введенный в глубокое насыщение, является безинерционным предохранителем сетей электропередачи? Обмотки подмагничивания включаются через массивные дроссели.

В подмагниченном сердечнике скорость нарастания тока выше чем без подмагничивания. Индуктивность становится меньше.


smoker | Post:98643 - Date: 30.01.08(12:34)
TAHK Пост: 96915 От 17.Jan.2008 (16:16)
Подается синхронный противофазный импульс на
обе половинки первички (безиндуктивная бифилярка), индуктивности практически нет, сила тока
практически мнгновенно становится максимальной. Затем отключается одна
половина, вторая (с полной силой тока) мнгновенно создает магнитное
поле, гистерезис отсутствует. Сердечник очень быстро намагничивается.
Самое главное - энергия на это не тратится....

Ничего подобного не происходит, При включении встречно бифиляра ток активный, когда отключаешь одну обмотку ток во второй падает в 0 и медленно нарастает...и соответственно никаких суперэффектов.



dedivan | Post:98648 - Date: 30.01.08(12:50)
smoker Пост: 98643 От 30.Jan.2008 (12:34)
когда отключаешь одну обмотку ток во второй падает в 0 и медленно нарастает...и


опять подключаем первую обмотку.... что дальше?

_________________
я плохого не посоветую


street | Post:98660 - Date: 30.01.08(13:30)
Дальше сердечник размагнитится со скоростью нарастания тока в подключаемой обмотке.(Мгновенно?). Сие означает наведение Эдс.

_________________
Главное в мелочах


smoker | Post:98677 - Date: 30.01.08(16:04)
dedivan опять подключаем первую обмотку.... что дальше?
Все повторяется ток активный, размыкается второй ключ ток падает в 0 плавно нарастает- вообщем встречное включение абсолютно ничего не дает. Получается обычный трансформатор с лишним циклом встречными обмотками, который никак не влияет.

smoker | Post:98726 - Date: 30.01.08(21:22)
TAHK Пост: 98721 От 30.Jan.2008 (20:39)
smoker, ну-ну, а ручками проверить?


Так ими то и проверено

vihr | Post:276036 - Date: 16.11.10(00:29)
Есть некоторые мысли по работе трансформатора Маркова,но дляэксперимента мне нужен шим генератор на микроконтроллере,чтобы на выходе получить два синус сигнала с регулировкой частоты и сдвига фазы между ними.(Наподобие как в журнале Радио №6-2010г стр.33)Т.К я не умею их программировать. Расходы оплатил-бы,и кроме этого,если получится,то дам схему транса Маркова. Вероятность того,что гребу в правильном направлении высокая! С уважением - Вихрь

jonifer | Post:276039 - Date: 16.11.10(00:58)
отсосать тебе не надо - вихрёнок - с инвестором разговаривать подучись

vodoprovodchik | Post:276071 - Date: 16.11.10(11:38)
vihr...

насколько помнитца ...транс М. - это предложение для подстанций ...
///Изобретение относится к электротехнике и касается основного электротехнического оборудования электростанций, подстанций, линий электропередачи и других устройств.

Поставленная задача решается созданием трансформатора, содержащего магнитопровод, две обмотки, вводы и выводы обмоток, при этом обе обмотки намотаны в одном направлении с одинаковым числом витков на один сердечник магнитопровода, между собой обмотки соединены выводами в последовательную цепь, вводами подключены к источнику питания и параллельно к каждой обмотке подключена нагрузка. ///

Т.е. встречная фазировка и в результате - пробкам кирдык,с ! 😏 .

Вод.

Где фишка - ХЗ??? Народ молчит....



turist1 | Post:276078 - Date: 16.11.10(12:12)
vodoprovodchik Пост: 276071 От 16.Nov.2010 (11:38)
vihr...

насколько помнитца ...транс М. - это предложение для подстанций ...
///Изобретение относится к электротехнике и касается основного электротехнического оборудования электростанций, подстанций, линий электропередачи и других устройств.

Поставленная задача решается созданием трансформатора, содержащего магнитопровод, две обмотки, вводы и выводы обмоток, при этом обе обмотки намотаны в одном направлении с одинаковым числом витков на один сердечник магнитопровода, между собой обмотки соединены выводами в последовательную цепь, вводами подключены к источнику питания и параллельно к каждой обмотке подключена нагрузка. ///

Т.е. встречная фазировка и в результате - пробкам кирдык,с ! 😏 .

Вод.

Где фишка - ХЗ??? Народ молчит....


Фишка в отсутствии индуктивности первички.
Можно например попробывать включить в паралельный кк последовательно .

free_energy | Post:276087 - Date: 16.11.10(13:15)
Вот ты точно с железом никогда не работал, херня это, обшибся Марков, обшибся и в колебательном контуре он не будет работать, проверенно железом много времени назад.

_________________
\\\"Есть только одно благо — знание, и есть только одно зло — невежество.\\\" Сократ


Gobsek | Post:276090 - Date: 16.11.10(13:57)
free_energy Пост: 276087 От 16.Nov.2010 (13:15)

херня это, обшибся Марков ..


схему от автора приведи здесь, может выскажусь.

vodoprovodchik | Post:276102 - Date: 16.11.10(15:28)
я приведу...а вдруххх я ошибаюсь ...ну типа /как всегда/ 😏
///ТРАНСФОРМАТОР
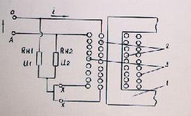
Изобретение предназначено для использования в качестве основного электротехнического оборудования электростанций, подстанций, линий электропередачи и других электроустройств. Трансформатор состоит из магнитопровода 1, двух обмоток 2 и 3, которые намотаны в одном направлении с одинаковым числом витков на один магнитопровод, между собой обмотки соединены выводами в последовательную цепь. Вводами они подключены к источнику питания. Параллельно к каждой обмотке подключена нагрузка. При подключении к источнику питания через обмотки 2 и 3 потечет ток i, который вызывает появление в каждой обмотке магнитодвижущей силы iW. Вследствие равенства числа витков обмоток 2 и 3 их магнитодвижующие силы одинаковы. А вследствие соединения между собой выводов обмоток 2 и 3 в последовательную цепь их магнитодвижующие силы будут компенсировать друг друга. При этом изменяется магнитная проницаемость магнитопровода. При спаде тока в полупериодах восстанавливается магнитная проницаемость сердечника. И, как следствие, в обмотках 2 и 3 между точкой соединения их и выводами наводится ЭДС, за счет чего напряжение на выходе повышается в 10 - 20 раз. 1 ил.
///

Вод


Размер: 23.75 KB

missioner | Post:276144 - Date: 16.11.10(20:53)
vodoprovodchik Пост: 276071 От 16.Nov.2010 (11:38)
vihr...

насколько помнитца ...транс М. - это предложение для подстанций ...
///Изобретение относится к электротехнике и касается основного электротехнического оборудования электростанций, подстанций, линий электропередачи и других устройств.

Поставленная задача решается созданием трансформатора, содержащего магнитопровод, две обмотки, вводы и выводы обмоток, при этом обе обмотки намотаны в одном направлении с одинаковым числом витков на один сердечник магнитопровода, между собой обмотки соединены выводами в последовательную цепь, вводами подключены к источнику питания и параллельно к каждой обмотке подключена нагрузка. ///

Т.е. встречная фазировка и в результате - пробкам кирдык,с ! 😏 .

Вод.

Где фишка - ХЗ??? Народ молчит....

Я делал опыты с таким трансом,не могу найти рисунки со схемами своих опытов, там нагрузка к каждой обмотке подсоединялась последовательно(лампочки,весной всё выкладывал) обе лампочки горели почти одинаково(на одной напруга была почему то больше чем на другой вольт на двадцать,замена ламп местами приводила к "следованию" напруг за каждой лампой,видимо сопротивления ламп сказывались. При замерах старыми приборами мощностей на лампах и потребы из розетки вроде даже как небольшое СЕ было,однако при замерах современными цифровиками СЕ исчезало😎 . Как закончу подготовку к зиме так продолжу свои опыты с тем трансом,там ещё интересные эффекты были

_________________
Здесь хранится СЕ суперавтотрансгенератор https://www.skif.biz/index.php?name=Forums&file=viewtopic&p=875842#875842 https://disk.yandex.ru/d/T_H9tIHpXVb8dw Дополненная версия с видео: https://disk.yandex.ru/d/RUQMOtXIHzRo7Q


tera | Post:276148 - Date: 16.11.10(21:04)
vodoprovodchik | Post: 276102 Используется для гашения синфазной помехи. Или для баланса токов при изменении одного из плеч нагрузки. Используется широко хрен знает когда. Но если там барабашку найдут то это наверно, про бермудский многогранник непонятный пуп земли.

_________________
“Я есмь и путь, и истина, и жизнь. Никто не приходит к Отцу иначе, кроме как через Я”


vihr | Post:276172 - Date: 16.11.10(22:53)
Джонифер,если ты дурак -то это надолго!

<] [ 1 | 2 | 3 | 4 | 5 | 6 ] [>
У Вас нет прав отвечать в этой теме.
Форум - Магнитные генераторы - Магнитные генераторы - Трансформатор Маркова - Стр 4
🏠 Главная | 📚 Содержание | 💬 Форум | 📁 Файлы | 📩 Контакт