[ВХОД]

ЛИЧНЫЕ СООБЩЕНИЯ 📝
МОЯ АНКЕТА 📋
ВЫЙТИ 🚪

🏠 Главная | 📚 Содержание | 💬 Форум | 📁 Файлы | 📩 Контакт

🖥️ | 🖨️

Форум - Научные идеи, теории, предположения... - идеи и теории, научные и бредовые... - Межзвездный детекторный приемник - Стр:13
<] [ 1 | ... 3 | 4 | 5 | 6 | 7 | 8 | 9 | 10 | 11 | 12 | 13 | 14 | 15 | 16 | 17 | 18 | 19 | 20 ] [>
Модератор: timecop
Первый пост темы: timecop Post: #697818 От:11.11.2020 (06:03)
Я вот что подумал. А если использовать методику Козырева для поиска не статического сигнала а изменяющегося с какой-то частотой. То есть грубо подключить резисторы не к омметру, а к осциллографу. Тут конечно напрямую подключение ничего не даст. Нужна схема меряющая изменения сопротивления и притом скорее всего высокочастотная. Зато в итоге мы получаем что-то типа детекторного приемника на мгновенно распространяющемся носителе. Об опытах Козырева с резисторами можно почитать например здесь [ссылка]
dedivan | Post: #699535 - Date: 20.11.20(18:59)
Greyver Пост: #699532 От 20.Nov.2020 (18:41)
Эмиттерный повторитель....

Это не про нашу схему.
У нас есть нагрузка в коллекторе и обратная связь с него на базу.....
в противофазе, так что входное сопротивление каскада будет низким.

Хотя на месте автора я бы включил первый транзистор с общей базой и сигнал подавал бы на эмиттер- так входное сопротивление было бы минимальным- единицы -десятки ом. Добротность входных контуров поднялась бы.

_________________
я плохого не посоветую


[ответить][с цитатой]
Well | Post: #699538 - Date: 20.11.20(20:25)
dedivan Пост: #699531 От 20.Nov.2020 (18:29)
Теперь можно ближе к реальности.
Первым делом любой контур излучает. что идеальный что реальный.
Это потери. Они эквивалентны резистору параллельно контуру.
Уже получается реальное эквивалентное сопротивление контура.
Вот про него я и говорил.
А при расстройке контура от резонанса сопротивление будет падать до активных сопротивлений элементов контура.
И вот отношение эквивалентных сопротивлений контура на резонансе и вне его и есть добротность контура. Как видишь тут характеристического сопротивления нет вообще.
Так что твою формулу добротности туда же вслед за первой.



Дедушкаваня, предлагаю не зафлуживать КОЛЕБАТЕЛЬНЫЙ КОНТУР словестной биллитристикой.

Давай просто посчитаем эквивалентное, как ты выражаешься, сопротивление паралельного колебательного контура без потерь. На схеме я его обозначил Zэкв , Ом:

Обозначим сопротивление конденсатора переменному току так: Xc = -1/(2*Пи*f*С) , Ом

Обозначим сопротивление катушки индуктивности переменному току так: XL = 2*Пи*f*L , Ом

Пи - число пи

f - частота переменного напряжения, которое мы прикладываем к контуру, Герц

C - ёмкость конденсатора, Фарада

L - индуктивность катушки, Генри


image




Размер: 14.39 KB

[ответить][с цитатой] - Правка 20.11.20(17:54) - Well
sbal | Post: #699540 - Date: 20.11.20(20:28)
Лёва, ты жеж так влюблён в безконечность, в без конца которая 😊

* ничего, что так фамильярно? 😘

_________________
в пути...


[ответить][с цитатой] - Правка 20.11.20(17:30) - sbal
Well | Post: #699541 - Date: 20.11.20(20:37)
Уберите дурака со сцены, он мне мешает общаться с авторитетом!

[ответить][с цитатой]
sbal | Post: #699553 - Date: 20.11.20(23:23)
Пилите, Лёва звездатый приёмник, пилите!
Это как можно жить стока годиков и не знать что есть добро-тность. 🙄
* долг платежом красен! 😊

_________________
в пути...


[ответить][с цитатой]
dedivan | Post: #699567 - Date: 21.11.20(07:33)
sbal Пост: #699553 От 20.Nov.2020 (23:23)
Пилите, Лёва звездатый приёмник, пилите!

Да, тут пилить примерно так же как гирю ножовкой
Well Пост: #699538 От 20.Nov.2020 (20:25)
На схеме я его обозначил Zэкв , Ом:

Обозначим сопротивление конденсатора переменному току так: Xc = -1/(2*Пи*f*С) , Ом



Радисты не считают так, поскольку сопротивления носят комплексный характер а алгебра комплексных чисел не такая уж и тривиальная.
В этом случае они предпочитают векторную алгебру, она проще и вдобавок нагляднее.
А для этого нужно перейти от сопротивлений и напряжений к проводимостям и токам.
Тут уже и алгебра попроще и наглядно векторами можно представить.
Даже трехмерные графики рисуют. Видел когда нибудь такие картинки?




Размер: 204.65 KB


Размер: 810.18 KB

_________________
я плохого не посоветую


[ответить][с цитатой] - Правка 21.11.20(04:59) - dedivan
dedivan | Post: #699568 - Date: 21.11.20(08:08)
Попытаться это выразить арифметикой в одной точке- для школы или пту сойдет.
А для понимания никак не подходит.
Все эти хитрости нужны для того, чтобы выразить пространственную многомерность
вроде бы обычного колебательного контура.
Энергия контура не только в катушках или конденсаторах- она во всем поле вокруг контура. И оно может быть очень большим, в зависимости от длины волны.
И в каждой точке этого поля своя энергия, и они не одновременно взаимодействуют, а с запаздыванием, ограниченным скоростью распространения поля.

_________________
я плохого не посоветую


[ответить][с цитатой]
Well | Post: #699569 - Date: 21.11.20(08:09)
Дедушкаваня, предлагаю не зафлуживать КОЛЕБАТЕЛЬНЫЙ КОНТУР диаграммами Вольтперта, они для тебя слишком сложны.

Не поленись, Дедушкаваня, напиши итоговую формулу эквивалентного, с твоих слов, сопротивления, либо эквивалентной проводимости для параллельного колебательного контура без потерь.

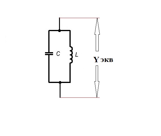
Все необходимые данные я тебе предоставил:

Давай просто посчитаем эквивалентное, как ты выражаешься, сопротивление Zэкв паралельного колебательного контура без потерь через эквивалентную его проводимость, которую я на схеме обозначил Yэкв,

Обозначим сопротивление конденсатора переменному току так: Xc = -1/(2*Пи*f*С) , Ом и найдём через него проводимость конденсатора на переменном токе: Yc = 1/Xc, Yc = -(2*Пи*f*С), Сименс

Обозначим сопротивление катушки индуктивности переменному току так: XL = 2*Пи*f*L , Ом и найдём через него проводимость индуктивности на переменном токе: YL = 1/XL, YL = 1/(2*Пи*f*L), Сименс

Пи - число пи

f - частота переменного напряжения, которое мы прикладываем к контуру, Герц

C - ёмкость конденсатора, Фарада

L - индуктивность катушки, Генри


Размер: 14.15 KB

[ответить][с цитатой] - Правка 21.11.20(05:11) - Well
dedivan | Post: #699571 - Date: 21.11.20(08:17)
Well Пост: #699569 От 21.Nov.2020 (08:09)

Давай просто посчитаем эквивалентное, как ты выражаешься, сопротивление Zэкв паралельного колебательного контура без потерь через эквивалентную его проводимость, которую я на схеме обозначил Yэкв,


Возьми да нарисуй- так проще будет и понятнее.
Два противоположных вектора YC YL при резонансе равны по модулю. При суммировании дадут ноль проводимости, что в переводе на сопротивление даст бесконечность.
И результат будет одинаковым при любых модулях С и L .

А ты что хотел доказать? Что результат зависит от волнового характеристического сопротивления ?

_________________
я плохого не посоветую


[ответить][с цитатой] - Правка 21.11.20(05:19) - dedivan
Well | Post: #699572 - Date: 21.11.20(08:22)
dedivan Пост: #699571 От 21.Nov.2020 (08:17)
Well Пост: #699569 От 21.Nov.2020 (08:09)

Давай просто посчитаем эквивалентное, как ты выражаешься, сопротивление Zэкв паралельного колебательного контура без потерь через эквивалентную его проводимость, которую я на схеме обозначил Yэкв,


Возьми да нарисуй- так проще будет и понятнее.
Два противоположных вектора Z c Z l при резонансе равны по модулю. При суммировании дадут ноль проводимости, что в переводе на сопротивление даст бесконечность.
И результат будет одинаковым при любых модулях С и L .

А ты что хотел доказать? Что результат зависит от волнового характеристического сопротивления ?

Формулу не написал, но решение верное. Настала очередь посчитать добротность параллельного колебательного контура без потерь. Давай, Дедушкаваня, не ленись, поработай во славу Скифа.

[ответить][с цитатой]
dedivan | Post: #699573 - Date: 21.11.20(08:32)
Well Пост: #699572 От 21.Nov.2020 (08:22)

Формулу не написал, но решение верное.

А формулы тут и не может быть. Формула дает результат в одной точке.
А тут многомерное пространство. Не забывай. что время тикает и в каждый момент времени в контуре разные токи текут и в разные стороны.
Да еще и поле вокруг контура.
Ничего ты тут со своим пэтэушным подходом не выкружишь.
Хочешь заставить и меня по пэтэушным правилам тебе посчитать?

_________________
я плохого не посоветую


[ответить][с цитатой]
dedivan | Post: #699574 - Date: 21.11.20(08:37)
Даже в сверхпроводящем контуре, как ты считаешь-"без потерь", любое изменение токов и напряжений сразу вызывает ЭМ волну в открытое пространство. И она уносит энергию.
Не бывает контуров без потерь.
Я вон даже импульсные преобразователи делаю, и то смотрю на контура токов и их излучения. Ловлю их, чтобы они в нагрузку шли а не мимо.

_________________
я плохого не посоветую


[ответить][с цитатой]
dedivan | Post: #699575 - Date: 21.11.20(08:57)
Так что начни с того, что схема контура всегда такая будет:




Размер: 19.14 KB

_________________
я плохого не посоветую


[ответить][с цитатой]
Well | Post: #699577 - Date: 21.11.20(09:47)
dedivan Пост: #699575 От 21.Nov.2020 (08:57)
Так что начни с того, что схема контура всегда такая будет:


Дедушкаваня, в натуре, ты чего, не в состоянии что ли ПТУшную формулу для эквивалентного сопротивления или эквивалентной проводимости параллельного колебательного контура без потерь записать! Ну ты меня удивляешь!

Не ленись, не уводи разговор в поля и в схемы, которые ты там тоннами собираешь.

Вот тебе данные и схема, переключай клавиатуру на латиницу и пиши формулу эквивалентной проводимости Yэкв для Параллельного колебательного контура без потерь.

Обозначим проводимость конденсатора на переменном токе: Yc
Обозначим проводимость индуктивности на переменном токе: YL


Размер: 10.02 KB

[ответить][с цитатой]
dedivan | Post: #699580 - Date: 21.11.20(10:20)
Так в пэтэушном учебнике и смотри.
Или ты хочешь чтобы я тебе скопипастил?

_________________
я плохого не посоветую


[ответить][с цитатой]
Well | Post: #699581 - Date: 21.11.20(10:37)
dedivan Пост: #699580 От 21.Nov.2020 (10:20)
Так в пэтэушном учебнике и смотри.
Или ты хочешь чтобы я тебе скопипастил?

Сделай одолжение, отбрось ненужный апломб, напиши формулу ответом к этому посту, просто введи с клавиатуры.

[ответить][с цитатой]
dedivan | Post: #699589 - Date: 21.11.20(12:07)
Смысл то какой?
Что ты хочешь доказать?
Что твоя формула добротности правильная?
Так я тебе уже доказал, что неправильная.

_________________
я плохого не посоветую


[ответить][с цитатой]
Well | Post: #699592 - Date: 21.11.20(12:13)
dedivan Пост: #699589 От 21.Nov.2020 (12:07)
Смысл то какой?
Что ты хочешь доказать?
Что твоя формула добротности правильная?
Так я тебе уже доказал, что неправильная.

Дедушкаваня, в чём проблема? Формулу напиши и всё. Я прошу о сверхъестественном?

[ответить][с цитатой]
dedivan | Post: #699594 - Date: 21.11.20(12:19)
Не вводится у меня в клавиатуры. Только скопипастить могу.
Ты наверное не представляешь, что не все шрифты люди устанавливают себе на комп.

_________________
я плохого не посоветую


[ответить][с цитатой]
Well | Post: #699595 - Date: 21.11.20(12:22)
dedivan Пост: #699594 От 21.Nov.2020 (12:19)
Не вводится у меня в клавиатуры. Только скопипастить могу.
Ты наверное не представляешь, что не все шрифты люди устанавливают себе на комп.

Дело не в шрифтах, а в переключателе Килиллицы на Латиницу и обратно. Помочь? 😎

[ответить][с цитатой] - Правка 21.11.20(09:22) - Well
dedivan | Post: #699607 - Date: 21.11.20(13:14)
Покажи, как ты это вводишь

image



Размер: 192.50 KB

_________________
я плохого не посоветую


[ответить][с цитатой] - Правка 21.11.20(10:15) - dedivan
Well | Post: #699610 - Date: 21.11.20(13:35)
Дедушкаваня, я напечатал первую формулу, чтобы ты как бы понял, что не копипастом единым жив человек.

Y1= 1/Z1 = 1/(R1+jwL) = R1/(R1*R1+wL*wL)-j*wL/(R1*R1+wL*wL)=g1+j*b1

...но я тебе хочу сказать, что совершенно лишнее лезть в дебри комплексных чисел. Просто напиши формулу эквивалентной проводимости параллельного колебательного контура изображённого на рисунке ниже.


Размер: 10.02 KB

[ответить][с цитатой] - Правка 21.11.20(10:36) - Well
dedivan | Post: #699611 - Date: 21.11.20(13:39)
Подставь вместо R1 R2 - Z1 Z2 и покажи как ты без комплексных чисел вычислишь.



Размер: 64.89 KB

_________________
я плохого не посоветую


[ответить][с цитатой]
Well | Post: #699612 - Date: 21.11.20(13:42)
dedivan Пост: #699611 От 21.Nov.2020 (13:39)
Подставь вместо R1 R2 - Z1 Z2 и покажи как ты без комплексных чисел вычислишь.

Дедушкаваня, я тебя не вычислить прошу, а просто написать чему равна проводимость Yэкв, если даны проводимости Yс и YL. Будь добр, напиши.


Размер: 10.02 KB

[ответить][с цитатой] - Правка 21.11.20(10:47) - Well
УжосМляНах | Post: #699616 - Date: 21.11.20(13:56)
В википедии такого, наверное, нет... увы...

[ответить][с цитатой]
<] [ 1 | ... 3 | 4 | 5 | 6 | 7 | 8 | 9 | 10 | 11 | 12 | 13 | 14 | 15 | 16 | 17 | 18 | 19 | 20 ] [>
У Вас нет прав отвечать в этой теме.
Форум - Научные идеи, теории, предположения... - идеи и теории, научные и бредовые... - Межзвездный детекторный приемник - Стр 13

🏠 Главная | 📚 Содержание | 💬 Форум | 📁 Файлы | 📩 Контакт