[ВХОД]

23.03.26(02:21)

mob.skif.biz

Альтернативная энергия. Оставь надежду, всяк сюда входящий...

🏠 Главная | 📚 Содержание | 💬 Форум | 📁 Файлы | 📩 Контакт

🖥️ | 🖨️

Форум - Прочие идеи (разные) - Схемотехника - Источник высокого напряжения - Стр:17
<] [ 1 | ... 7 | 8 | 9 | 10 | 11 | 12 | 13 | 14 | 15 | 16 | 17 | 18 | 19 | 20 | 21 | 22 | 23 | 24 | 25 | 26 | 27 | ... | 47 ] [>
Модератор: MSN
Первый пост темы: MSN Post: #677942 От:09.06.2020 (10:25)
Накопилось немало идей в том числе по тесластроению и другим интересным искрениям и для воплощения их в жизнь, стало ясно, в хозяйстве просто необходим источник высокого напряжения. Универсального и готового, по вменяемым ценам я не нашел, поэтому решил создавать самому. Чтобы в процессе создания такого источника не пропадали ценные идеи, мысли и схемотехнические решения написанные во флудилке, решил завести такую, вне всякого сомнения полезную многим тему. Тем более поиск на просторах интернета, дал не очень-то большой выбор воплощенных конструкций, а готовые изделия стоили бессовестно дорого. Ну оно и понятно, такие источники - не ширпотреб и делаются как правило на заказ, штучно, поэтому и стоят дорого.
Создания источника нужно начинать с написания ТЗ. Мысль такая: каждый решивший изготовить такой источник ВН, для себя ТЗ будет задавать самостоятельно, сообразно своим требованиям и бюджету и сможет использовать идеи и готовые части схем публикующихся схем.

Итак, мои основные требования таковы(еще будут шлифоваться в процессе):
1. Источник ВВ должен быть напряжением (25-50)кВ;
2. Ток отдаваемый источником (10-50)мА;
3. Источник должен иметь регулировку напряжения и ограничение по току.
4. Измерительные приборы на борту (киловольтметр и миллиамперметр);

Статья которая подвигла меня на изготовление такого лабораторного источника находится здесь.

Куча ссылок, которые я накопал в интернете интересуясь темой, возможно кому-то они пригодятся и устройства подойдут без переделки:

Самый простой высоковольтный генератор на базе старого телевизора
Простое устройство получения высокого напряжения
Генератор высокого напряжения из строчника на транзисторе
Стабильный источник высокого напряжения для питания ФЭУ
Схема высоковольтного преобразователя (вход 12В, вых - 700В)
Высоковольтный блок питания
Блок питания для люстры "Чижевского"
Варианты блока питания “Люстры Чижевского”
Мощные высоковольтные ИП статья в 4-х частях; Ланцов_Владимиров
Высоковольтные генераторы напряжения с емкостными накопителями энергии
Высоковольтный ИП микрофокусной Рентгеновской установки

Было бы хорошо, "накрутить" Скиф так, чтобы первая тема оставалась модерируемой постоянно. Очень удобно добавлять полезные ссылки именно в первую тему.
dedivan | Post:679571 - Date: 21.06.20(17:31)
МSN Пост: 679569 От 21.Jun.2020 (17:25)



так что как концепт - идея рабочая,

А грамотные люди говорят- нерабочая.
Кому верить?

_________________
я плохого не посоветую



zimnyaya | Post:679574 - Date: 21.06.20(17:48)
Издалека Пост: 679525 От 21.Jun.2020 (09:17)
Женская логика необъянима!
Во первых я бы посоветовал внимательно читать мои посты - может поможет.
Тогда не надо будет рисовать дурацкие схемки, основанные на собственных измышлениях.
Во вторых я ясно написал - стабилизированный источник -15кВ нагружен (отдельно) своей нагрузкой - балластом, через который идёт ток раза в два превышающий ток полезной нагрузки. Т.е. мы имеем стабильную опорную точку -15кВ.
К этой точке подключён минус регулируемого источника 0-+30кВ.
+ первого источника являетя "землёй", а + второго - выходом.
Вот и всё.
Могу заметить, что такой ИП был мною сделан практически и отлично работал.
За это "балабола" пригласили на очень хорошую работу в очень хорошую фирму, где "балабол" успешно отработал много лет, разработал и изготовил много интересной электроники. Ну и имеет некоторое количество международных патентов, включая патениты по топологии ИП.
Теоретическими измышлениями не занимаюсь, в отличии от многих тут.
Если что-то пишу, то это основано только на результатах практики и работающих устройствах.

ПыСы! А представители Симменса и еще пары фирм по высоковольтным БП действительно отказались реализовывать эту задачу - наверно у них тоже проявилась женская логика . . .

Понятно, значит разбор ваших высказываний, с примерами, схемами и объяснениями у вас, балаболов, называется женской логикой, а вот это вот "дурацкие схемки" получается мужская логика что ли?
Весомый аргумент, а главное, какой убедительный!

Товарищ балабол, который мнит себя не балаболом, вместо тысячи бесполезных слов, которые вы тут настрочили, я жду от вас схемы, или хотя бы фото рисунка на бумажке того самого гениального схемного решения, с которым не справились даже "инженеры Сименс", благо сейчас сделать фото ни для кого не проблема.
После чего я вам покажу свою схему, и остальные смогут сравнить достоинства и недостатки обеих схем.
Моя схема точно отличается от вашей, там нет никаких опорных источников и "токов, в два раза превышающих ток нагрузки", а вот в существовании вашей схемы у меня лично большие сомнения.

_________________
Желудь-теоретик знает, как вырасти в дуб (c) Кнышев



zimnyaya | Post:679575 - Date: 21.06.20(17:58)
МSN Пост: 679569 От 21.Jun.2020 (17:25)


Не надо там никаких мостов.
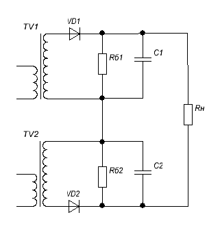
В этой схеме R нагрузка питается не токами трансформаторов, а токами разряда С1-С2.
Деду: Стрелки нарисованы правильно, красные.
Синяя - разрядный ток, по цепи последовательно соединенные (C1-C2) - Rн;
И у той синей стрелки направление будет в зависимости от полярности суммы Uc1 +Uc2.

Схема рабочая, с одним НО. Каждый источник должен жестко держать заданное напряжение на своем кондере. Как это осуществить, - отдельная история.
Иначе при подключении нагрузки заряды кондеров перераспределятся через Rн, до состояния Uc1=UC2 и в итоге на Rн окажется ноль.

так что как концепт - идея рабочая, но для реального БП, нужно еще думать и дорабатывать.

Похоже, весь Скиф поразило слабоумие 😀
Схема действительно рабочая, но не очень удачная, если хотите, могу в личку подсказать как ее улучшить, чтобы наш "не балабол" не подсматривал ответы раньше времени

_________________
Желудь-теоретик знает, как вырасти в дуб (c) Кнышев



МSN | Post:679576 - Date: 21.06.20(18:00)
dedivan Пост: 679571 От 21.Jun.2020 (17:31)
МSN Пост: 679569 От 21.Jun.2020 (17:25)



так что как концепт - идея рабочая,

А грамотные люди говорят- нерабочая.
Кому верить?


Верить никому нельзя, мне можно (С) Папаша Мюллер

🤢🤢🤢

_________________
Говорите говорите, я всегда зеваю когда мне интересно. 99,9% всех СЕ устройств, - от неправильных измерений



МSN | Post:679583 - Date: 21.06.20(18:26)
Дед не флуди, ты обосрался схема абсолютно рабочая.

Добавлю:
Для того чтобы не случался перелив между С1 в С2 через Rн или наоборот, нужно добавить в каждый источник по балластнику.
Условие нормальной работы схемы: сопротивление нагрузки (Rн) должно быть больше или равно балластному стоящему в каждом источнике.
Rн>=Rб;


А теперь мне интересно, что нам скажет начальник транспортного цеха ? (С)



Размер: 2.93 KB

_________________
Говорите говорите, я всегда зеваю когда мне интересно. 99,9% всех СЕ устройств, - от неправильных измерений



dedivan | Post:679586 - Date: 21.06.20(18:31)
МSN Пост: 679583 От 21.Jun.2020 (18:26)
А теперь мне интересно, что нам скажет начальник транспортного цеха ? (С)

Землю забыл нарисовать. Относительно чего у тебя плюс и минус?

_________________
я плохого не посоветую



Издалека | Post:679588 - Date: 21.06.20(18:34)
МSN Пост: 679583 От 21.Jun.2020 (18:26)
Дед не флуди, ты обосрался схема абсолютно рабочая.

Добавлю:
Для того чтобы не случался перелив между С1 в С2 через Rн или наоборот, нужно добавить в каждый источник по балластнику.

А теперь мне интересно, что нам скажет начальник транспортного цеха ? (С)
То же самое, что и говорил.
Что бы жизнь облегчить - нижний- отрицательный фиксированный со своей нагрузкой, а верхний - регулируемый.


Издалека | Post:679589 - Date: 21.06.20(18:37)
dedivan Пост: 679586 От 21.Jun.2020 (18:31)
Землю забыл нарисовать. Относительно чего у тебя плюс и минус?
А ты им всё про лавины, лавины . . .


МSN | Post:679590 - Date: 21.06.20(18:43)
dedivan Пост: 679586 От 21.Jun.2020 (18:31)
МSN Пост: 679583 От 21.Jun.2020 (18:26)
А теперь мне интересно, что нам скажет начальник транспортного цеха ? (С)

Землю забыл нарисовать. Относительно чего у тебя плюс и минус?


Ты у нас начальник транспортного цеха ?
Ну тогда докладываю, поскольку напряжение на Rн двуполярное, на каждом выводе может быть как плюс, так и минус, Если она тебе нужна на выходе - можешь прицепить ее куда тебе будет угодно, хоть на один из концов резистора, хоть на среднюю точку вторичек трансформаторов.
В зависимости от того куда ты ее прицепишь, относительно той точки и измеряй.
А бывают еще источник с плавающим относительно земли потенцалом на выводных клеммах. В курсе ?

Это дело вкуса и описывается в ТЗ заказчика.
На скорость, - работоспособность схемы, то, куда ты прицепишь землю, абсолютно безразлично, поскольку у нас не ВЧ, а постоянка и действие паразитных емкостей относительно земли мы не учитываем.

_________________
Говорите говорите, я всегда зеваю когда мне интересно. 99,9% всех СЕ устройств, - от неправильных измерений



МSN | Post:679591 - Date: 21.06.20(19:01)
Издалека Пост: 679588 От 21.Jun.2020 (18:34)
МSN Пост: 679583 От 21.Jun.2020 (18:26)
Дед не флуди, ты обосрался схема абсолютно рабочая.

Добавлю:
Для того чтобы не случался перелив между С1 в С2 через Rн или наоборот, нужно добавить в каждый источник по балластнику.

А теперь мне интересно, что нам скажет начальник транспортного цеха ? (С)
То же самое, что и говорил.
Что бы жизнь облегчить - нижний- отрицательный фиксированный со своей нагрузкой, а верхний - регулируемый.


Абсолютно не читаю подсказки. Насчет упростить- усложнить, это
спорно. У меня более красивое решение, один источник увеличивает напряжение, второй ОДНОВРЕМЕННО уменьшает напряжение.
Таким образом напряжение равно -15...0...+15; использовать нужно 2х15кВ источника.
Вы же используете один 15кВ и один 30кВ.
Надеюсь разницу объяснять не нужно ?

Итак, выше, с момента опубликования схемы я сразу описал проблему, первоначальный вариант был ущербен, после заряда емкости с постоянной времени t=RнC происходил перезаряд емкости источника с большим напряжением в емкость меньшего напряжения, таким образом после переходного процесса напряжение на емкостях уравнивалось, и напряжение на Rн становилось равным нулю.
Появилась проблема, я ее решил, а так, или не так это у вас было я не знаю, ни ваша ни деда схема представлена не была.
А сейчас конечно остается только разговоры про КанадУ разговаривать.

_________________
Говорите говорите, я всегда зеваю когда мне интересно. 99,9% всех СЕ устройств, - от неправильных измерений



Greyver | Post:679592 - Date: 21.06.20(19:11)
zimnyaya Пост: 679461 От 21.Jun.2020 (00:00)
Greyver Пост: 679429 От 20.Jun.2020 (18:52)
В технике не применяется, бо можно отбирать ток только в пределах "холостого" тока, тока без нагрузки.

Технический прикол, котрый в технике не применяется?
Девушка, вы действительно разбираетесь в электротехнике? 😊
Фраза "можно отбирать ток только в пределах тока без нагрузки" означает, что в девайсе крутится энергия, независимо от того, есть ли нагрузка, или нет. Проще говоря, у такого девайса КПД ниже плинтуса.

приведете какие то примеры?
У меня лично на качере, и на кольцах с короткозамкнутым витком такой эффект наблюдался.

_________________
Человек отличается от обезьяны умением не замечать очевидных вещей.



МSN | Post:679594 - Date: 21.06.20(19:42)
Издалека Пост: 679589 От 21.Jun.2020 (18:37)
dedivan Пост: 679586 От 21.Jun.2020 (18:31)
Землю забыл нарисовать. Относительно чего у тебя плюс и минус?
А ты им всё про лавины, лавины . . .

Плюс у меня относительно минуса, а минус относительно плюса.

Земля по желанию, и на выбор.

_________________
Говорите говорите, я всегда зеваю когда мне интересно. 99,9% всех СЕ устройств, - от неправильных измерений



Издалека | Post:679595 - Date: 21.06.20(19:44)
МSN Пост: 679591 От 21.Jun.2020 (19:01)
У меня более красивое решение, один источник увеличивает напряжение, второй ОДНОВРЕМЕННО уменьшает напряжение.
Таким образом напряжение равно -15...0...+15; использовать нужно 2х15кВ источника.
Вы же используете один 15кВ и один 30кВ.
Просто по практике это проще и стабильнее - иметь один стабильный дубовый источник и регулировать второй.
То, что красиво на бумаге, часто даёт головную боль на практике.
Особливо со стабилизацией киловольт, как разницу двух регулируемых источников.
Ну и опять же что будет в этой красивой схеме около 0 ?
Тебе надо будет твоим ШИМом играть в десятых и сотых процента!
Как ты себе представляешь практически плавный переход через 0 у твоей "красивой" схемы? ШИМ имеет довольно ограниченный диапазон реально работающий. Вот один твой источник идёт к 0 и потом включается другой на другую полярность . . .
Я не представляю, как такая "красивая" схема будет работать на практике.
Да, теоретически можно много чего вроде бы правильно нарисовать . . .


Издалека | Post:679598 - Date: 21.06.20(19:55)
И ещё про нелинейности регулировок.
По ТЗ требовалось +/- 10кВ
Фактически у меня был один источник -15кв и второй 0 - +30 кв
Реально использовалось только +5 - +25
Именно из-за нелинейности на краях
На выходе линеечка -10 - 0 - +10
Там требовалось линейное регулирование от функционального генератора


МSN | Post:679600 - Date: 21.06.20(20:09)
Дед, ну обосрался, бывает, чего уж теперь...
памперс меняй и приходи снова.
А разговоров ты сейчас всяких-разных много будешь разговаривать, они понятны.
Причина - сохранить хорошую мину при плохой игре.

Издалека, загадку разгадали ? И ладно. Готовое изделие это не то что было заказано. Заказан был концепт. Ответ получен. Размяли мозги. Хорош уже писюнами мериться. Тема не про это.

Всем пока.

_________________
Говорите говорите, я всегда зеваю когда мне интересно. 99,9% всех СЕ устройств, - от неправильных измерений



Издалека | Post:679601 - Date: 21.06.20(20:31)
МSN Пост: 679600 От 21.Jun.2020 (20:09)
Издалека, загадку разгадали ? И ладно. Готовое изделие это не то что было заказано. Заказан был концепт. Ответ получен. Размяли мозги.
Ну пока единственный, кто дошёл до идеи теоретически!


dedivan | Post:679602 - Date: 21.06.20(20:38)
Издалека Пост: 679598 От 21.Jun.2020 (19:55)
И ещё про нелинейности регулировок.

Ты ему еще про верхний балласт попробуй объяснить- что ток от выпрямители и нагрузки там в разные стороны течет и без балласта и от балласта кроме повышенных пульсаций толку нет.

Пока он штаны меняет.

_________________
я плохого не посоветую



Издалека | Post:679603 - Date: 21.06.20(21:00)
dedivan Пост: 679602 От 21.Jun.2020 (20:38)
что ток от выпрямители и нагрузки там в разные стороны течет и без балласта и от балласта кроме повышенных пульсаций толку нет.
Точно?
Во всём диапазане выходных?


sbal | Post:679605 - Date: 21.06.20(21:06)
Что то мне напомнило про классы усилков, ну там А, В.

_________________
в пути...



Издалека | Post:679606 - Date: 21.06.20(21:13)
Ну вообще что-то есть.
Товарищ предлагает класс В с двухполярным питанием и получаем ту ступеньку!
А я говОрю, что А линейнее, только надо сделать искусственную среднюю точку!
И в ограничение не входить


МSN | Post:679615 - Date: 22.06.20(00:40)
Издалека Пост: 679603 От 21.Jun.2020 (21:00)
dedivan Пост: 679602 От 21.Jun.2020 (20:38)
что ток от выпрямители и нагрузки там в разные стороны течет и без балласта и от балласта кроме повышенных пульсаций толку нет.
Точно?
Во всём диапазане выходных?

Да старый пенек уперся, проверить не желает, авторитетом давит... бездоказательно.
Тут на Скифе у кого мозг окостенел, ему верят безоговорочно. Мессия блин.
Давай Дед потрынди еще, на серьезный срок наболтай, а я позже тебе еще кой-какие подарки выложу.

P.S. Я тут кое-какие посты местных авторитетов за сегодня и за вчера поудалял. Оставил более-менее относящееся к теме.

_________________
Говорите говорите, я всегда зеваю когда мне интересно. 99,9% всех СЕ устройств, - от неправильных измерений



МSN | Post:679617 - Date: 22.06.20(03:19)
Forex Пост: 678910 От 16.Jun.2020 (20:25)
МSN | Post: 678907 - Date: Tue, 16 Jun 2020 (20:03)
Да... сейчас задумываюсь о высоковольтной нагрузке. для тестирования ИП под полной нагрузкой, тоже вопрос...

Длинную тонкую тонкую изоляционную трубку с водой 🤢 🤢
Я правда не пробовал... 😀 😀


К теме нагрузки ВВ БП. Вот нашел фотку.
Вполне себе вода из под крана может быть нагрузкой.

image



Размер: 61.35 KB

_________________
Говорите говорите, я всегда зеваю когда мне интересно. 99,9% всех СЕ устройств, - от неправильных измерений



Sergej_ | Post:679625 - Date: 22.06.20(07:33)
МSN Пост: 679617 От 22.Jun.2020 (03:19)
Forex Пост: 678910 От 16.Jun.2020 (20:25)
МSN | Post: 678907 - Date: Tue, 16 Jun 2020 (20:03)
Да... сейчас задумываюсь о высоковольтной нагрузке. для тестирования ИП под полной нагрузкой, тоже вопрос...

Длинную тонкую тонкую изоляционную трубку с водой 🤢 🤢
Я правда не пробовал... 😀 😀

К теме нагрузки ВВ БП. Вот нашел фотку.
Вполне себе вода из под крана может быть нагрузкой.
image
Сомнительно, более чем. При низком напряжении может быть и мегомы. При высоком напряжении вода поляризуется, даже дисцилят. Вода из под крана точно хорошо проводит ВВ разряды, сам пробовал на банке с водой. Не видел как мокрые высоковольтные изоляторы ЛЭП шумят под напряжением? А как молния бьет не в холмы и возвышенности, а в низины с ручьями, в речки и озера?


олег-джан | Post:679629 - Date: 22.06.20(08:26)
Мм...да...
Диссоциации в силу маленького тока там, конечно же не будет..
А вот то, что вода полярная жидкость может сыграть очень злую шутку..
П.с. не зря на десятки кВ делали керамические из нанопровода...там точно ни каких неожиданностей...

_________________
Обьективная реальность-бред,вызванный недостатком алкоголя в крови...



dedivan | Post:679648 - Date: 22.06.20(12:17)
Издалека Пост: 679603 От 21.Jun.2020 (21:00)
dedivan Пост: 679602 От 21.Jun.2020 (20:38)
что ток от выпрямители и нагрузки там в разные стороны течет и без балласта и от балласта кроме повышенных пульсаций толку нет.
Точно?
Во всём диапазане выходных?


Точно, точно. Пока полярность источников не изменишь.
Может поспоришь?

_________________
я плохого не посоветую



<] [ 1 | ... 7 | 8 | 9 | 10 | 11 | 12 | 13 | 14 | 15 | 16 | 17 | 18 | 19 | 20 | 21 | 22 | 23 | 24 | 25 | 26 | 27 | ... | 47 ] [>
У Вас нет прав отвечать в этой теме.
Форум - Прочие идеи (разные) - Схемотехника - Источник высокого напряжения - Стр 17
🏠 Главная | 📚 Содержание | 💬 Форум | 📁 Файлы | 📩 Контакт