[ВХОД]

🏠 Главная | 📚 Содержание | 💬 Форум | 📁 Файлы | 📩 Контакт

🖥️ | 🖨️

Форум - Резонансные генераторы - Прочие резонансные генераторы - зависимость частоты резонанса и потребления энергии - Стр:1
Модератор: Ingener
Ingener | Post: #282287 - Date: 01.01.11(15:29)
с чем связана очень разная мощность, необходимая для раскачки контура до одинаковой амплитуды, но на разных частотах??
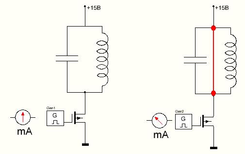
Использовалась катушка на большом сдвоенном Ш-феррите (высокодобротная) и три разных конденсатора - с каждым из них подбиралась резонансная частота и амплитуда напряжения в контуре доводилась до 360В пиковой с помощью регулировки скважности (напряяжение питания одинаковое во всех случаях - 15В)
Драйвер - 1 виток на боковом керне катушки.
Замерялся потребляемый генератором ток для каждой частоты.
Результаты на схеме.
И вот интересно, почему такая большая разница в потреблении генератора? Теоретически, если принять за показатель энергии контура сумму площадей фигур всех периодов за одинаковое время(?), то для всех трех случаев она будет одинакова. И действующее значение напряжения каждой полуволны тоже будет одинаковым.
Можно прокомментировать так, что для зарядки конденсатора 0,45мкФ до 360В в каждый период нужен намного бОльший ток, чем конденсатора 2200пФ. Верно, но в последнем случае и зарядка происходит в 14 раз чаще! 😘


Размер: 43.55 KB


Размер: 141.58 KB


turist1 | Post: #282288 - Date: 01.01.11(15:41)
дык добротность катушки -отношение реактивного сопротивления к активному.
А теперь смотри-для разных частот активное сопротивление катушки не меняется.
А реактивное?:)


Ingener | Post: #282291 - Date: 01.01.11(16:18)
то же самое можно было бы сказать и про конденсатор - с ростом частоты его добротность должна понижаться...в результате общая добротность контура по идее должна оставаться


MSN | Post: #282296 - Date: 01.01.11(18:07)
в данном случае вообще полезно рассмотреть хформулу входного сопротивления параллельного КК, как двухполюсника:
image


из которой видно, чем больше емкость, тем ниже емкостное сопротивление на определенной частоте, тем ниже сопротивление контура и тем больше ток

_________________
Говорите говорите, я всегда зеваю когда мне интересно. 99,9% всех СЕ устройств, - от неправильных измерений



Самоделкин | Post: #282297 - Date: 01.01.11(18:18)
Доброго времени суток коллеги.

Если я не ошибаюсь, - здесь ещё играет роль время перемагничивания сердечника (гистерезис) и накопленная им энергия.

_________________
Всё гениальное, - просто, но не всё простое, - гениально.



turist1 | Post: #282480 - Date: 02.01.11(21:13)
Хочу задать вопрос.
Всем известно что при подключении конденсатооа к источнику постоянного тока ток нарастает сразу затем умеьшается по мере заряда и когда напряжения сравняются ток прекратится.
При подключении катушки все наоборот. Сначала эдс самоиндукции ограничивает ток источнтка, по мере спада ток нарастает и по окончании переходного прлцесса ток огрантчивается только акттвным сопротивлением.
В паралельном кк катушка конденсатор включены паралельно.
Так вот что происходит с током истоника в первый момент времени если подключить источник постоянного тока к паралельному контуру?


Ingener | Post: #282505 - Date: 02.01.11(22:27)
Хороший вопрос)
Теоретически электрическая энергия должна разделиться на два потока - через катушку пойдет с отставанием фазы тока, а через конденсатор - с отставанием фазы напряжения. Степень сдвига фаз зависит от индуктивности/емкости. После прохождения переходных процессов в виде коротких колебаний установится штиль 😕


MSN | Post: #282507 - Date: 02.01.11(22:45)
не так. Если параллельный КК, то рассматриваем только токи. Напряжение на элементах повторяют напряжения источника. Через конденсатор с опережением тока, но так как время не может быть отрицательно, то произойдет бросок тока источника.
В момент включения будет бросок тока источника, затем ток источника будет равен разнице токов в ветвях.

_________________
Говорите говорите, я всегда зеваю когда мне интересно. 99,9% всех СЕ устройств, - от неправильных измерений



turist1 | Post: #282511 - Date: 02.01.11(22:59)
Бросок тока думаю будет.
Но этот бросок тока конденсатора будет совпадать по времени с пичком тока заряда катушки. После заряда катушки и появлении на ней эдс самоиндукции конденсатор окажется подключенным к двум паралельным источникам эдс-собственно источнику и катушке.
С этого момента и до окончания переходных процессов ток источнтка будет равен разнице токов в ветвях.
Где то так.


bazarov | Post: #282544 - Date: 03.01.11(00:52)
Самоделкин | Post: 282297 - Date: 01.01.11
Если я не ошибаюсь, - здесь ещё играет роль время перемагничивания сердечника (гистерезис) и накопленная им энергия.

Ингенер, добротность есть отношение потребляемого тока и тока внутри контура. В виду этого простые формулы из книжек не всегда честные. Есть ещё такие финтефлюшки как токи Фуко и прочая лабуда. Ток Фуко - это потеря мощности (энергии, по навучнаму ) на нагрев сердечника. Ещё есть потери на перемагничивание и т.д.. А так как все эти переходные процессы нелинейны и имеют наложение своих характеристик, то при разных частотах и токах может и частота плыть. Собственно всё 😀 .

_________________
Не хватит никакого здоровья, чтобы приспособиться к этому глубоко больному обществу(Кришна Мурти)/Горшки не Боги обжигают (многовековая классика)



MSN | Post: #282567 - Date: 03.01.11(02:24)
turist1 Пост: 282511 От 02.Jan.2011 (22:59)
Бросок тока думаю будет.
Но этот бросок тока конденсатора будет совпадать по времени с пичком тока заряда катушки. После заряда катушки и появлении на ней эдс самоиндукции конденсатор окажется подключенным к двум паралельным источникам эдс-собственно источнику и катушке.
С этого момента и до окончания переходных процессов ток источнтка будет равен разнице токов в ветвях.
Где то так.


ни где-то и не так. Бросок тока через емкость пойдет в одном направлении, рост тока в индуктивности в другом, но плавно, как ему и положено расти сдерживаемому ЭДС самоиндукции, никаких пичков роста тока через индуктивность не будет, через некоторое время и ток в емкости, по мере ее заряда тоже начинает плавно расти, но в противоположном от индуктивности направлении.
Турист не изобредай ничего нового в электродинамике давно проверенных процессов.

_________________
Говорите говорите, я всегда зеваю когда мне интересно. 99,9% всех СЕ устройств, - от неправильных измерений



turist1 | Post: #282596 - Date: 03.01.11(11:44)
MSN Пост: 282567 От 03.Jan.2011 (02:24)
turist1 Пост: 282511 От 02.Jan.2011 (22:59)
Бросок тока думаю будет.
Но этот бросок тока конденсатора будет совпадать по времени с пичком тока заряда катушки. После заряда катушки и появлении на ней эдс самоиндукции конденсатор окажется подключенным к двум паралельным источникам эдс-собственно источнику и катушке.
С этого момента и до окончания переходных процессов ток источнтка будет равен разнице токов в ветвях.
Где то так.


ни где-то и не так. Бросок тока через емкость пойдет в одном направлении, рост тока в индуктивности в другом, но плавно, как ему и положено расти сдерживаемому ЭДС самоиндукции, никаких пичков роста тока через индуктивность не будет, через некоторое время и ток в емкости, по мере ее заряда тоже начинает плавно расти, но в противоположном от индуктивности направлении.
Турист не изобредай ничего нового в электродинамике давно проверенных процессов.

Ничего я не изобредаю:)
Просто везде хорошо описана работа кк после заряда конденсатора а начальный момент включения везде пропущен.
Вот я и пытаюсь выяснить - ток заряда конденсатора при включении контура это только ток и источника или ток источника и ток источника и ток катушки направленный встречно току источника.


Ingener | Post: #283388 - Date: 08.01.11(00:34)
вспомнился один случай
к однотактному генератору был подключен паралллельный контур
при определенной расстройке его от резонанса и опять же определенной скважности импульсов генератора наблюдалось явление - снижение потребляемого генератором тока при коротком замыкании выхода (контура).
Явление отрицательной нагрузки? Или известное явление - не стоит тратить время?



Размер: 14.01 KB


tera | Post: #283633 - Date: 09.01.11(14:56)
Самоделкин Пост: 282297 От 01.Jan.2011 (18:18)
Доброго времени суток коллеги.

Если я не ошибаюсь, - здесь ещё играет роль время перемагничивания сердечника (гистерезис) и накопленная им энергия.

Сердечник намагничивается в глубь. Для отдачи максимальной мощности оперируют током витками и частотой. Если повышать частоту используется не весь объем сердечника. Это все конструктора сталкивались, особенно кто импульсники клепал

_________________
“Я есмь и путь, и истина, и жизнь. Никто не приходит к Отцу иначе, кроме как через Я”



tera | Post: #283634 - Date: 09.01.11(14:57)
Явление отрицательной нагрузки? Или известное явление - не стоит тратить время?

Так себя и должен вести полевик. Или сток не согласован или на затворе смещение лезит в низ. Это нормально

_________________
“Я есмь и путь, и истина, и жизнь. Никто не приходит к Отцу иначе, кроме как через Я”



У Вас нет прав отвечать в этой теме.
Форум - Резонансные генераторы - Прочие резонансные генераторы - зависимость частоты резонанса и потребления энергии - Стр 1

🏠 Главная | 📚 Содержание | 💬 Форум | 📁 Файлы | 📩 Контакт