[ВХОД]

23.03.26(11:12)

mob.skif.biz

Альтернативная энергия. Оставь надежду, всяк сюда входящий...

🏠 Главная | 📚 Содержание | 💬 Форум | 📁 Файлы | 📩 Контакт

🖥️ | 🖨️

Форум - Сделай сам. Советы. - Домашнему мастеру - Аргоновая сварка своими руками. - Стр:3
<] [ 1 | 2 | 3 | 4 | 5 | 6 ] [>
Модератор: Toxik
Первый пост темы: Toxik Post: #180315 От:14.05.2009 (11:53)
Собирался прикупить или собрать сварочный полуавтомат - собирать муторно, проще купить, но почитав отзывы в инете передумал. Тем более, что попались статейки про аргоновую сварку.

Решил сделать сам - в хозяйстве вещь полезная, тем более что все оказалось не так сложно. Итак - сварка ведется специальной горелкой с неплавящимся электродом - вольфрамовые, но для начала попробую с молибденом - его найти проще. Сама горелка - на 2 вечера работы.

Остальное - баллон с аргоном+редуктор, и сварочный аппарат - есть переменка, но желательно постоянный или инвертор.

Если кто сталкивался с аргоном - прошу поделиться информацией, оччень пригодится...
roman-uhf | Post:245875 - Date: 17.05.10(00:38)
И вид сверху:


Размер: 775.68 KB


roman-uhf | Post:245876 - Date: 17.05.10(00:38)
И сзади :


Размер: 645.88 KB


loiki | Post:245889 - Date: 17.05.10(02:15)
А осциллятор как будете делать?

У меня есть идея ко второй половине вторички подцепить бобину с простеньким генератором импульсов и выход с нее через конденсатор на 10 кв к электроду подключить.
Между электродом и электролитами дроссель поставить, чтобы высоким напряжением сварочный трансформатор не пробило.

_________________
Шел Шива по шоссе - разрушая сущее. А навстречу Cаша шла - круглое сосущая.



roman-uhf | Post:245909 - Date: 17.05.10(10:15)
На счет осцилятора - есть у меня мыслишки, но пока их еще даже на бумагу не выложил. Нечто, вроде Шайтан-драйвера ДедаВани, но на выходе всего 200-300 вольт с такими короткими импульсами, чтобы - если даже руками влезть, то не трухало и даже было практически незаметно для организма. Там ведь нет задачи прожигать все на свете, а только - запустить "лидера". Ну а дальше - сам сварочник должон схватывать этот канал.


олег-джан | Post:245912 - Date: 17.05.10(10:36)
Между электродом и электролитами дроссель поставить, чтобы высоким напряжением сварочный трансформатор не пробило.


надежнее,как у Буденного сделано,параллельно обмотке бумажный или
пленочный кондер 0,1мкф на 300вольт...проверено...😊

_________________
Обьективная реальность-бред,вызванный недостатком алкоголя в крови...



loiki | Post:245914 - Date: 17.05.10(11:39)
А смысл? Через него-то как раз высокое пройдет и коротнет нафиг.

К вечеру попробую схемку накидать, как я примерно себе это представляю.

_________________
Шел Шива по шоссе - разрушая сущее. А навстречу Cаша шла - круглое сосущая.



loiki | Post:246240 - Date: 19.05.10(02:43)
Вобщем как-то так...

image


Сварочник с осциллятором
Размер: 67.66 KB

_________________
Шел Шива по шоссе - разрушая сущее. А навстречу Cаша шла - круглое сосущая.



loiki | Post:246656 - Date: 22.05.10(11:44)
Зашел сегодня в магазин. Увидел там красивый сварочный полуавтомат
Fubag TS-MIG 170
[ссылка]

image


ажно за 9 тыщ 450 рублей.

Ну а также Fubag TS-MIG 150
[ссылка]
за 8650

image


Фирма вроде немеццкая, однако интернет утверждает, что производят их в кЕтае. 😝


Заодно нашел целую страничку с подобными аппаратами.

[ссылка]

Честно говоря - немного растерялся от такого разнообразия при вполне приемлемых ценах.
Никак не могу понять - где тут собака порылась? 😨

В Москве эти 2 экземпляра стоят 7332 и 6465 руб. соответственно.

Есть даже знаменитый Telwin BIMAX 4.135 TURBO за 8371 руб
[ссылка]

image


и Telwin BIMAX 4.165 TURBO 230V за 9 359 р.
[ссылка]

image


К ним проволока самозащитная порошковая в 3 кило весом, которая позволяет без газа варить.
[ссылка]

ЗЫ. Это не рекламо, я просто действительно немного ошарашен!
😘
Зачем при таких условиях ковыряться с электродами? 😀

_________________
Шел Шива по шоссе - разрушая сущее. А навстречу Cаша шла - круглое сосущая.



tixoxod-4x4 | Post:246885 - Date: 23.05.10(12:47)
У меня бимакс 4.195, практически такой же как на последней картинке. очень хорошо варит квадратные профили, например, а вот если нужно сварить два угла 35Х35мм я поднимаю с пола электрод вытираю его об фуфайку и привариваю
зы, порошковая проволока это последний шанс при цене как крыло от самолета


олег-джан | Post:246887 - Date: 23.05.10(12:56)
Лойка....мозги не парь,когда ты запустишь аппарат с конденсаторами,
то сразу поймешь,что там осциллятор не нужен....там и так все
будет нормалек....

_________________
Обьективная реальность-бред,вызванный недостатком алкоголя в крови...



loiki | Post:246890 - Date: 23.05.10(13:05)
когда ты запустишь аппарат с конденсаторами,
то сразу поймешь,что там осциллятор не нужен....там и так все
будет нормалек....

Бум надеяться! 😀
Вот только что закончил дырки сверлить под посадочные места для кондеров и диодов.
А насчет осциллятора - моя схема двумя постами выше неверная. Там риск пробоя на сердечник есть.
Стандартно осцилляторы делаются так:


Размер: 8.31 KB

_________________
Шел Шива по шоссе - разрушая сущее. А навстречу Cаша шла - круглое сосущая.



loiki | Post:246891 - Date: 23.05.10(13:09)
tixoxod-4x4 Пост: 246885 От 23.May.2010 (13:47)
У меня бимакс 4.195, практически такой же как на последней картинке. очень хорошо варит квадратные профили, например, а вот если нужно сварить два угла 35Х35мм я поднимаю с пола электрод вытираю его об фуфайку и привариваю
зы, порошковая проволока это последний шанс при цене как крыло от самолета

А если нужно жесть глушителя сварить, например?
Или корзинку сцепления?

Я пробовал электродами - нажег дырок и запорол все нафиг.

А вот "Telwin"-ом мне нормально все заварили.

_________________
Шел Шива по шоссе - разрушая сущее. А навстречу Cаша шла - круглое сосущая.



tixoxod-4x4 | Post:246897 - Date: 23.05.10(13:55)
Сфера жизни П\А металл толщиной от 0,8 до 2мм , электроды от 1,5мм и выше. каждому свое


loiki | Post:246982 - Date: 23.05.10(23:37)
Ага, спасибо за разъяснения. 😀

Только вот такой вот вопрос - а чем "Telwin" принципиально оличается от обычного сварочника?
Ну, кроме того, что у телвина есть держак с горелкой для аргона и вращающийся барабан для подачи проволоки?

По идее - так получается, что если в держак от обычного сварочника зажать кусок этой самой самозащитной проволоки вместо обычного электрода - так им точно также можно будет тонкий металл варить?

Или я неправ?


Кстати, вот нашел рецепт изготовления обмазки для обычной стальной проволоки:
[ссылка]
Электроды изготовляют следующим образом. Стальную проволоку соответствующего диаметра разрубают на куски длиной по 350 мм, зачищают шкуркой и покрывают обмазкой, состоящей из растолченного мела и жидкого стекла (силикатный клей). Чтобы покрытие получилось ровным, проволоку вертикально погружают в обмазку, оставляя сверху чистый конец длиной 30-35 мм, и медленно вынимают; сразу же каждый электрод подвешивают на веревке с помощью бельевой прищепки.


И схемку для плавной регулировки сварочного тока:
[ссылка]

image


Правда непонятно - будет ли она работать на резонансном сварочнике?

_________________
Шел Шива по шоссе - разрушая сущее. А навстречу Cаша шла - круглое сосущая.



Fil | Post:247007 - Date: 24.05.10(03:57)
По идее - так получается, что если в держак от обычного сварочника зажать кусок этой самой самозащитной проволоки вместо обычного электрода - так им точно также можно будет тонкий металл варить?

я так и эксперементировал.


tixoxod-4x4 | Post:247033 - Date: 24.05.10(10:57)
У полуавтомата ручника и аргона разные характеристики дуги. У п/а она жесткая, у ручника плавно падающая, а у аргона что-то среднее.
"По идее - так получается, что если в держак от обычного сварочника зажать кусок этой самой самозащитной проволоки вместо обычного электрода - так им точно также можно будет тонкий металл варить?"" При ручной сварке длинна дуги примерно равна толщине электрода. Хватит точности выдержать дугу 0,8мм? если больше все пойдет в брызги. В п\а это не актуально


loiki | Post:247037 - Date: 24.05.10(11:21)
Так а как варить полуавтоматом? Там что, дугу совсем не надо поджигать? 😳

Интересует конкретно вот этот вот Телвин:

image


Поскольку аргона нет и где взять - не знаю, думаю порошковую проволоку брать. Как иначе?

Либо плюнуть, поскольку 10 тыс. руб явно не лишние и ковырять дальше "резонансный" сварочник.

_________________
Шел Шива по шоссе - разрушая сущее. А навстречу Cаша шла - круглое сосущая.



tixoxod-4x4 | Post:247045 - Date: 24.05.10(11:45)
В том и прелесть п\а что просто подносишь горелку к детали и нажимаешь подачу. при правилльно выставленной скорости и токе дуга загорается сама, дальше дело практики.
ПС флюсованой проволоки для нержи не бывает


loiki | Post:248182 - Date: 31.05.10(21:35)
Был приобретен сегодня диодный мост от генератора на Жигули "Классику" за 150 руб.

Такой вопрос к знатокам - он сварочный ток выдержит?

Там был еще от "Газелевского" генератора мост, с 12-тью диодами, но стоил уже 280 руб.
Может поменять, пока есть возможность?

image

_________________
Шел Шива по шоссе - разрушая сущее. А навстречу Cаша шла - круглое сосущая.



loiki | Post:250195 - Date: 09.06.10(05:40)
Мост поменяли, оказывается он у меня аж на 110 ампер и 14 вольт...

Вот здесь подробнее написано:

[ссылка]

Диодный мост (генератор Зил-4331,ПАЗ)
каталожный номер: БПВ7-100-02; производитель: Орбита, г.Саранск; марка автомобилей: ЗИЛ-4331

Генератор ЗИЛ-4331, 4421, 4945, 133Г40 (14В, 110А)
каталожный номер: 3822.3701-10(4331-370101); производитель: АТЭ-1, г.Москва (ПРАМО); марка автомобилей: ЗИЛ-4331



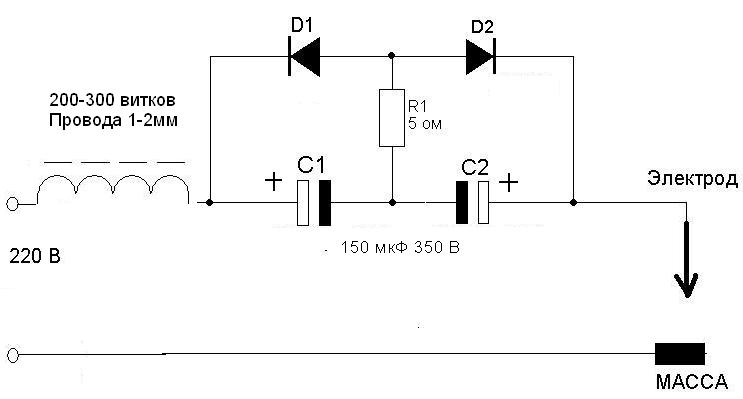
Кстати, тут вот че подумалось - а если вместо транса мощный дроссель поставить и электролиты из телека по 150+150 мкф 350 вольт?
Навеяно темой отсюда:
[ссылка]
Плюсы в чем - компактность, дешевизна, доступность и довольно высокая напруга для поджигания дуги.

Вот здесь пацан, кажется примерно то-же самое сваял:
[ссылка]

Картинко, как я это себе представляю - в аттаче.

дроссельная сварка
Размер: 22.90 KB

_________________
Шел Шива по шоссе - разрушая сущее. А навстречу Cаша шла - круглое сосущая.



tixoxod-4x4 | Post:250198 - Date: 09.06.10(07:19)
loiki Пост: 248182 От 31.May.2010 (22:35)


Такой вопрос к знатокам - он сварочный ток выдержит?



Выдержит, но не один. У меня друг делал сварочник на таких диодах вроде как он жив до сих пор. Только их нужно 4штуки перепаять в нормальный мост, автогенераторы трех фазные и обязательно поставить на радиатор


tixoxod-4x4 | Post:250201 - Date: 09.06.10(07:23)
loiki Пост: 250195 От 09.Jun.2010 (06:40)
Картинко, как я это себе представляю - в аттаче.
Без гальванической развязки от сети это тренажер самоубийцы


Буратино | Post:250264 - Date: 09.06.10(19:43)
Подскажите, где взять угольные или графитовые электроды для электросварки


tixoxod-4x4 | Post:250268 - Date: 09.06.10(21:12)
если не секрет для какой, если варить свинцовые клеммы банок от старых аккумуляторов можно обойтись электродами от батареек ААА. А если пытаться ими заменить вольфрам, то ничего не выйдет. Резка графитовыми электродами была самой некачественной


олег-джан | Post:250270 - Date: 09.06.10(22:07)
Кстати, тут вот че подумалось - а если вместо транса мощный дроссель поставить


Лойки,не играл бы с х...в прятки...ну его на....
Есть даже советский патент на сварочный автотрансформатор...
фаза,она везде пролезет....если б не она,окаянная,то можно сделать
конденсаторный преобразователь-от 220 заряжаются 4-5 кондюков
последовательно,а разряжаются впараллель...вот идея сама-
[ссылка]

п.с. идея с мостами от генераторов в принципе рабочая,но их
надо выпрессовывать из родных железок и заново прессовать
в нормальные радиаторы...а по цене оно выгодно тогда,когда
валяется в углу куча паленых генераторов....

_________________
Обьективная реальность-бред,вызванный недостатком алкоголя в крови...



<] [ 1 | 2 | 3 | 4 | 5 | 6 ] [>
У Вас нет прав отвечать в этой теме.
Форум - Сделай сам. Советы. - Домашнему мастеру - Аргоновая сварка своими руками. - Стр 3
🏠 Главная | 📚 Содержание | 💬 Форум | 📁 Файлы | 📩 Контакт