[ВХОД]

🏠 Главная | 📝 Содержание | 💬 Форум | 📁 Файлы | 📩 Контакт

🖥️
🖨️

Форум - Нейтронная физика - Нейтронная физика, химия, астрофизика - ДОМАШНИЙ ядерный/термоядерный реактор. - Стр:6
<] [ 1 | 2 | 3 | 4 | 5 | 6 | 7 ] [>
Модератор: proggi
Первый пост темы: proggi Post: #95620 От:06.01.2008 (22:37)
Давайте поговорим о возможности "добычи" энергии путем ядерных/термоядерных реакций.
А именно, создание некой установки которою можно былоб разместить у себя дома и получать с помощью этой установки энергию.

Сразу давайте о безопасности установки, согласен с тем что название темы звучит неприятно + остались в памяти взрывы бомб и опасность радиации. Но с другой стороны например кадмий ОТЛИЧНЫЙ поглотитель тепловых нейтронов...
Если у нас будет некий источник быстрых/резонансных нейтронов, то замедлившись в неком теплоносители можно рассчитать такие расстояния до кадмиевого замедлителя что нейтроны не будут погашаться в теплоносителе.

Интересна также возможность использования для этих целей ВОДОРОДА, конечно это не тритий... и не уран... Но нагреть незначительный объем теоретически можно!!! а это уже термоядерная реакция, все что вылетает из места реакции через длинны релаксации вычисляем необходимые расстояния до места поглощения кадмием.

Надо подумать над этой ЗАНИМАТЕЛЬНОЙ проблемой.

Какие есть предложения?
proggi | Post: #98037 - Date: 26.01.08(11:17)
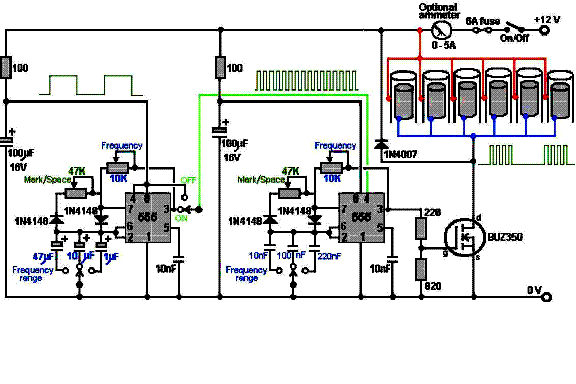
У меня пока нет схемы где можно регулировать скважность.

Вам то наверно надо попроще... а у меня посложнее но из дещевых материалов.

по проще вот
image

Все регулируется, только первый каскад выкинуть надо (для вашего случая) и все.
При этом задающую михруху запитываем отдельно. а для полевика и повышающего свое питание ставим.
Ну и так фотки...
image
">
image

image">
image

image">
image

Можно запитывать ограничивая чсе через конденсатор на последним рисунке левая снизу схема, при условии ее использования как питания, ну и так фантазировать уже... (С схеме показана суть, что и как подключается от питания показано более подробно в ветке "Мейера повторили" на первых страницах.

ЗЫ:остаеться заметить что ВСЕ приведённые схемы РАБОТАЮТ так как я сам их все проверял.


Metronom | Post: #98050 - Date: 26.01.08(15:14)
вот малость , допридумал схему.

диод,для того чтоб искра в одном направлении шла

резистор на 5 ом (для ограничения тока)
У Вас нет прав скачивать этот файл. Зарегистрируйтесь .
_________________
** АДНАЗНАЧНА!


Metronom | Post: #98052 - Date: 26.01.08(15:29)
вот здеся использовалась похожая схема(а конкретнее она самая)

[ссылка]
_________________
** АДНАЗНАЧНА!


proggi | Post: #98053 - Date: 26.01.08(15:37)
Metronom Пост: 98050 От 26.Jan.2008 (15:14)
вот малость , допридумал схему.

диод,для того чтоб искра в одном направлении шла

резистор на 5 ом (для ограничения тока)

А 18в немало ли? трансформатор надо более лучший использовать. а если подавать больше то повышать надо на меньшее значение и использовать трансформатор на 220/12 который будет большую искру выдавать.

Метроном, а вы пробовали вашу схему собирать ранее?


street | Post: #98054 - Date: 26.01.08(15:46)
ИМхо , диод так втыкать низзя. Пожрёть всю ЭДС .
_________________
Главное в мелочах


Metronom | Post: #98055 - Date: 26.01.08(15:54)
proggi Пост: 98053 От 26.Jan.2008 (15:37)
Метроном, а вы пробовали вашу схему собирать ранее?



пробовал , но для искры не использовал,(собираешь данную схему подсоединяешь к динамику и он тикает).


вы же ссылку смотрите, люди её ещё в 2005 году собирали, и лампочки она исправно жгла.

простой транс не используйте он быстро пробъётся, лучше всё таки как ДедИван сказал

первичная виток фольги вторичная витков 20.

насчёт нейтронов,я уже говорил там скорее всего не так и много их
будет , скорее всего вся моща будет в труке около искровика
_________________
** АДНАЗНАЧНА!


proggi | Post: #98056 - Date: 26.01.08(15:58)
street Пост: 98054 От 26.Jan.2008 (15:46)
ИМхо , диод так втыкать низзя. Пожрёть всю ЭДС .

С диодом НЕ БУДЕТ работать, я сам проверял.
Дело в том что повышение трансформатора здесь незначительно и к искре не приводит (в большинстве случаев) а вот ПОСЛЕ закрытия транзистора идет самоиндукция, в ней вся и сила. Сам проверял, и специально проектирую так чтобы все на самоиндукции работало.
И схема странная: дело в том (я не знаю характеристики этих транзисторов, лень смотреть) но если туда поставить повышающий трансформатор например 220/24 (24/220 😏 ) то второй транзистор ПРОБЬЁТ, не верите - проверьте.

Диод вы ставите чтоб не пробивало, сам на эти грабли наступал не раз ((( с диодом ничего работать небудет, так как самоиндукция (ее напряжение) в НЕСКОЛЬКО раз выше того импульса который вы падаете, и на выходе получаете в несколько раз выше амплитуду которая НЕ соответствует умножающему коэффициенту трансформатора, гася этот импульс вы тем самым теряете изюминку схемы.

Если опять не убедил - берете ЛЮБУЮ!!!! ЛЮБУЮ программу для моделирования цепей, и проверяете (скрины моделирования в шовкаде есть в ветке мейера).
Да и биполярник туда не надо ставить, он сильно греется и потери из за пробоя будут (в виду самоиндукции) в конечном итоге напряжение до 30 повысите полевой МГНОВЕННО пробьёт, хоть он и наааа 60+В расчитан.

Туда надо полевики, ИМЕННО такие как дед иван советует. На 600В вот тогда вам будет счастье и мощность, да и потерь намного меньше будет


Metronom | Post: #98057 - Date: 26.01.08(15:58)
street Пост: 98054 От 26.Jan.2008 (15:46)
ИМхо , диод так втыкать низзя. Пожрёть всю ЭДС .


по задумке он должен открыться при закрытии транзистора
_________________
** АДНАЗНАЧНА!


proggi | Post: #98058 - Date: 26.01.08(16:06)
С трансформатором ничего не случиться, а вот транзисторы в такой схеме первым делом полетят.

В целом основные направления я в предыдущем посте сказал. Если все поправить то нормально, но лучще использовать 555, там скважность можно регулировать. По моим опытам коэффициент заполнения 1/10 слишком велик для подобного рода схемам.

В 2005 лампочка то горела... я тоже много фокусов делал, но сколько она подают туда энергии... чтото я пока ненащел.


Metronom | Post: #98059 - Date: 26.01.08(16:17)
proggi Пост: 98056 От 26.Jan.2008 (15:58)
street Пост: 98054 От 26.Jan.2008 (15:46)
ИМхо , диод так втыкать низзя. Пожрёть всю ЭДС .

С диодом НЕ БУДЕТ работать, я сам проверял.
Дело в том что повышение трансформатора здесь незначительно и к искре не приводит (в большинстве случаев) а вот ПОСЛЕ закрытия транзистора идет самоиндукция


вывод , сделать большее соотношение витков, и работать именно на
искру при включении транзистора.

*в том посту за 2005 г ни кто не жаловался на сгоревшие транзюки*
_________________
** АДНАЗНАЧНА!


proggi | Post: #98060 - Date: 26.01.08(16:20)
Metronom Пост: 98059 От 26.Jan.2008 (16:17)
вывод , сделать большее соотношение витков, и работать именно на
искру при включении транзистора.

*в том посту за 2005 г ни кто не жаловался на сгоревшие транзюки*

И работать на тепловыделение. при уменьшении числа витков, автоматически потянет за собой увеличение частоты, транзисторы при этом не будут успевать открываться/закрываться. Что приведёт к повышению тепловыделения на тразистрое и перегрев обмоток трансформатора.

ЗЫ: я когда делал мейера все это проходил. В данном случае ваша схема работает по принципу "работает ну и ладно" а нам надо повысить эффективность всех отдельных узлов схемы. Поэтому мой опыт создания высоковольтного напряжения и метода регулирования напряжения в данном случаем полезен. Да кстати, со вторички то надо снимать самоиндукция, а не "прямой" импульс. Поэтому там тоже своеобразный "плюс - минус" имеется.


Metronom | Post: #98065 - Date: 26.01.08(16:50)


Дед Иван , а у вас когда искра при открытии тр или при закрытии?
_________________
** АДНАЗНАЧНА!


dedivan | Post: #98068 - Date: 26.01.08(17:13)
Metronom Пост: 98059 От 26.Jan.2008 (16:17)
вывод , сделать большее соотношение витков, и работать именно на
искру при включении транзистора.




Вот теперь понял, что эта схема будет работать как прямой трансформатор?
Придется повышать напряжение с 18 В до 10 кВ.
А это соответствующие в 100 раз большие обмотки и соответственно
в сто раз большая емкость вторичной обмотки,
и в 100 раз больше энергии чтобы зарядить её до 10 кВ.
А искру получим ту же самую.
Я даже спорить не буду, что энергия искры в этом случае будет
меньше чем мы потратим на её создание.
отличный вариант для доказательства отсутствия СЕ в искре
_________________
я плохого не посоветую


proggi | Post: #98071 - Date: 26.01.08(17:33)
Немного не туда чет вы...

Да искру можно получать имея просто дроссель. (схему приложил)

Самоиндукция это полезная штука, и ей нельзя пренебрегать. и повышение не надо такое большое мотать, просто надо все грамотно сделать. и при минимальных размерах сердечника получим максимальный эффект.
У Вас нет прав скачивать этот файл. Зарегистрируйтесь .


dedivan | Post: #98082 - Date: 26.01.08(18:32)
proggi Пост: 98071 От 26.Jan.2008 (17:33)

Да искру можно получать имея просто дроссель. (схему приложил)



И чего получим? До максимально возможного напряжения на коллекторе.
Конечно бывают 2 киловольтовые транзисторы, но этого все равно маловато.
_________________
я плохого не посоветую


<] [ 1 | 2 | 3 | 4 | 5 | 6 | 7 ] [>
У Вас нет прав отвечать в этой теме.
Форум - Нейтронная физика - Нейтронная физика, химия, астрофизика - ДОМАШНИЙ ядерный/термоядерный реактор. - Стр 6

🏠 Главная | 📝 Содержание | 💬 Форум | 📁 Файлы | 📩 Контакт