[ВХОД]
29.04.26(03:23)

mob.skif.biz

Альтернативная энергия. Оставь надежду, всяк сюда входящий...

🏠 Главная | 📚 Содержание | 💬 Форум | 📁 Файлы | 📩 Контакт
 
Резонансные генераторы
Магнитные генераторы
Механические центробежные (вихревые) генераторы
Электростатические генераторы
Водородные генераторы
Ветро- и гидро- и солнечные генераторы
Прочие идеи (разные)
О форуме
Транспорт
Оружие
Научные идеи, теории, предположения...
Экономия топлива
Коммерческие вопросы
Струйные технологии
Торсионные генераторы
Новые технологии
Барахолка
Патентный отдел
Конструкторское бюро
Нейтронная физика
Торнадо и смерчи
Гравитация и антигравитация
Сделай сам. Советы.
Медицина и здравоохранение

🖥️ | 🖨️

Форум - Резонансные генераторы - Резонансный трансформатор Теслы - Tesla Switch как емкостной преобразователь - Стр:10
<] [ 1 | 2 | 3 | 4 | 5 | 6 | 7 | 8 | 9 | 10 | 11 | 12 | 13 | 14 | 15 | 16 | 17 | 18 | 19 | 20 | ... | 45 ] [>
Модератор: Чимбик
Первый пост темы: Чимбик Post: #81442 От:27.09.2007 (05:46)
Вовочка! Поначалу вы не хотели применять схему Tesla Switch к данному типу двигателя... Имейте ввиду, то что я написал о ней (схеме) мало кто знает, в инете она интерпретируется совсем не так как "качалка" Сергея Макунина (или Макухина?). Но в том то и смех, что иначе не работает😊.
Сама схема изложена в деталях (см. ниже) почти верно. Только вот управление биполярными транзисторами осуществляется через заряд емкости коллектора базы каждым из сопряженных аккумуляторов, а затем рассасыванием заряда через коллектор-эммитер. Два нижних управляющих транзистора в составе микросхемы и вынесены для наглядности. Микруха управления SG1524 заменяется SG3524 (разница в температурных режимах использования). Ищите схему комплиментарных транзисторов с исползованием внешней ЭДС(рис 4). Сама микросхема запитывается внешним источником (не показан).
Вообще если кто нарисовал бы схему без уродской расцетастости в лучших традициях замшелых электроников было бы совсем не плохо. Чем мне нравиться эта схема так это отсутствием лишних индуктивных элементов - как то трансформатор.
P.S. И все же ищу возможность испытать схему параметрона с применением белого шума😕
Andr | Post:90824 - Date: 01.12.07(22:32)
loiki
Поэтому то я и приводил в постах схему скалярного приёмника по теме Генри Морея - вот это работает. Неделю назад при питании от источника 12 Вольт легко выдавал 18 Вольт, а в пике до 21 Вольта!

Дайте точную ссылку, если не трудно.
Прикрепленная схема- приемник прямого усиления, который, наверно, в журнале "Радио" уже лет 30 не печататеся, как морально устаревшая схема + еще 30 лет назад.

loiki | Post:90941 - Date: 02.12.07(18:36)
http://www.skif.biz/index.php?name=Forums&file=viewtopic&p=88997#88997
Смотри посты Долины - Владимира в ветке про Платформу Гребенникова.

_________________
Шел Шива по шоссе - разрушая сущее. А навстречу Cаша шла - круглое сосущая.


loiki | Post:91071 - Date: 04.12.07(12:40)
Нашел сегодня в ветке [ссылка]
От такой пост:

Eduard | Post: 29808 - Date: Sat Jun 03, 2006 2:56
queet, не знаю, о какой статье вы говорите, а я говорил о статье Джона Бедини где-то 10-детней давности, привожу цитату:

First we will need a big accumulator to hold a lot of the charged ions in the system that we wish to shock into oscillation. We need something that has a big capacitance and also contains a lot of ions. An ordinary battery filled with electrolyte fits the bill nicely. While it is not commonly known, ordinary lead-acid storage batteries have a resonant ionic frequency, usually in the range of from 1-6 MHz. All we have to do is shock-oscillate the ions in the electrolyte at their resonant frequency and time our "trigger"potential and "siphon" current correctly. Then if we keep adding potential to trigger the system we can get all that "potential" to translate into "free electrical energy". [ссылка]
Перевод (вольный):
Для начала нам нужен большой аккумулятор для хранения большого количества заряженных ионов в системе, которую мы хотим подвергнуть ударному возбуждению для колебаний. Нам нужно нечто, имеющее большую емкость и большое количество ионов. Обыновенная батарея с электролитом подходит как нельзя лучше. Малоизвестно, что обычная кислотно-свинцовая батарея имеет собственную резонансную частоту ионов в диапазоне 1-6 МГц. Все, что нам нужно - это ударное возбуждение ионов электролита на их резонансной частоте и время для переключения потенциала и правильный "слив" тока. Теперь, если мы сохраним дополнительный потенциал для переключения системы, мы сможем преобразовать весь "потенциал" в "свободную электрическую энергию".

Мдаа, тут уже Мегагерцы… что будет дальше? Шеф, а как там насчет обещанных фоток?

_________________
Шел Шива по шоссе - разрушая сущее. А навстречу Cаша шла - круглое сосущая.


ZU | Post:91112 - Date: 04.12.07(17:02)
loiki Пост: 91071 От 04.Dec.2007 (12:40)
Мдаа, тут уже Мегагерцы… что будет дальше? Шеф, а как там насчет обещанных фоток?


агааа...эт опяять другой прынцып...
ударное возбуждение както не очнь похоже на тормозной...красных бубликов..
а тем временем собраная схема по РОне Коле на 1м акке ничего ожидаемого не обнаруживает - переливает из акка чуть больше тока чем вливает ( видно по осцилопу )в диапазоне 200гц-2кгц и скважность от5 до 50проц...нагрузка лампочка

loiki | Post:91119 - Date: 04.12.07(17:31)
Во блин, а когда я говорил о том, что акки постепенно через нагрузку разрядятся - шеф меня на смех поднял! А сам пообещал народу фото-видео материалу - и в кусты... Эх, и как дальше жить? А ведь так хотелось верить в чюдо🙄....
Вообще, тема сильно напоминает "классический" ВД, где на валу эл. двигателя закреплен генератор, который В САМОМ ЛУЧШЕМ СЛУЧАЕ дает энергии процентов на 90 от потребностей движка. Также и тут - потери при "переливах" видимо никто не учитывал... А вообще интересная тема, кинуть в форум идею - типа, ребята, я собрал - у меня все работает, а вы долбитесь, повторяйте, а я посмотрю чем все это закончится... (И стоит ли самому этим заниматься). Так, господин Чимбик?

_________________
Шел Шива по шоссе - разрушая сущее. А навстречу Cаша шла - круглое сосущая.


KomX | Post:91140 - Date: 04.12.07(20:59)
loiki, что так пессимистично?
У меня тут вопросец есть. Что такое номинальное напряжение батареи, чем, как не химическим процессом определяется? Если это чистая химия, то отчего батарея зарядившись может показывать напряжения различные, меняющиеся от нагрузки и, чем сие обусловлено? И вообще, источник тока или источник напряжения эта самая батарея-аккумулятор?

_________________
KomX - это комикс (история в картинках) или ком(приходить) икс(к неизвестному)... (Well)


vodoprovodchik | Post:91144 - Date: 04.12.07(21:28)
Чё за такэ ?
[ссылка]

Цегой-то даже перевод даёт - " в ни зуб ногой , ни в небо пальцем"

Vitikas | Post:91169 - Date: 05.12.07(14:07)
В описании принципа работы TeslaSwitch: "Полезная "работа" по созданию света благодаря течению тока через батарейку не "расходует" никакого тока, и, что более важно, не "расходует" никакой энергии. Энергию нельзя "расходовать" - ее можно преобразовывать из одной формы в другую."
А излучение света и нагрев проволочки лампы и окружающего воздуха - это разве не расход энергии. Электричество преобразовывается в тепло и свет!
Или я не понял мысли автора?????? 😀

Vitikas | Post:91174 - Date: 05.12.07(14:18)
Еще из описания: "Никола Тесла демонстрировал подобну систему из 4-х батарей, в которой он применил 4 идентичные батареи в аналогичной схеме"
Когда демонстрировал и где????
У кого есть первоисточник Теслы????? Или кто-то его вообще видел, читал?????? (Статья или патент)


loiki | Post:91176 - Date: 05.12.07(14:25)
Мысля насчет преобразования (расхода) энергии аналогична. Я ее с самого начала ветки задаю, а ответов все нету🙄... А насчет Теслы, насколько я понял из перевода, там только ПРЕДПОЛАГАЮТ что подобная установка на его легендарном "тесламобиле" была. Я сколько про этот "тесламобиль" не читал, НИГДЕ упоминаний об аккумуляторах не слышал... Скорее наоборот, говорили ОБ ОТСУТСТВИИ КАКИХ БЫ ТО-НИ БЫЛО АККУМУЛЯТОРОВ на его авто...

_________________
Шел Шива по шоссе - разрушая сущее. А навстречу Cаша шла - круглое сосущая.


Чимбик | Post:91279 - Date: 06.12.07(04:17)
to all. С понедельника не мог достучаться на сайт. "Ошибка 504 gateway timeout". Я никуда не пропал, скоро выложу фотки, просто участвовал в избирательной комиссии да и основной работы привалило. В тесламобиле был таки один аккумулятор, правда как утверждает племянник Тесла Питер Саво, который тестировал авто вместе с дядей, использовался для освещения и т.д. (правда сам племянник коммутации проводов не видел). Название Тесла Свич происходит с легкой руки журналистов, потому как впервые был представлен на симпозиуме в честь Тесла в 1983г. Косвенно связано с Рональдом Брандтом близким другом Тесла, который и показал Бедини ориг. схему на мех. коммутаторе.

_________________
Есть один способ сделать что-либо, это "взять и сделать". Другого до сих пор не придумали.


free_energy | Post:91281 - Date: 06.12.07(04:27)
USA003809978 Circuit for electrically-operated vehicle Josef Zubris

...уже сбился со счета, который раз выкладываю... комментировать не буду, схема историческая, кто хочет тот найдет информацию.

_________________
\\\"Есть только одно благо — знание, и есть только одно зло — невежество.\\\" Сократ


loiki | Post:91290 - Date: 06.12.07(09:44)
Поиск в яндексе и гугле дал только ссылку на полу-убитую страницу форума на матриксе. Никаких ясных схем, чертежей и прочего там нет.
[ссылка]

_________________
Шел Шива по шоссе - разрушая сущее. А навстречу Cаша шла - круглое сосущая.


loiki | Post:91305 - Date: 06.12.07(14:26)
Чимбик Пост: 91279 От 06.Dec.2007 (04:17)
Название Тесла Свич происходит с легкой руки журналистов, потому как впервые был представлен на симпозиуме в честь Тесла в 1983г. Косвенно связано с Рональдом Брандтом близким другом Тесла, который и показал Бедини ориг. схему на мех. коммутаторе.

Чимбик, я исхожу из надписи на твоем-же рисунке в одном из первых постов, где изображена система Брандта. Так вот, последнее предложение на этой схеме звучит примерно так: «Тесла мог иметь конвертер подобного типа». Заметь, не ИМЕЛ, а МОГ ИМЕТЬ – суть две разные вещи!

Т. св. Брандта
Размер: 68.42 KB

_________________
Шел Шива по шоссе - разрушая сущее. А навстречу Cаша шла - круглое сосущая.


ZU | Post:91342 - Date: 06.12.07(17:53)
Нагрузил Рона Колю вместо лампочкки моторциком от зубной щетки - в аккурат до 3В на нем при 12В акке...
получилось КПД не больше 70проц. - эт на хол.ходу ( 20 мА из акка ) и 40проц. 200 мА при клине и все на 2 кгц...конечное дело при таком токе можно мнооооого зубоф начистить...

шеф! так чего нужно сделать штоб акки не разряжались а тока красные бублики размножались

queet | Post:91349 - Date: 06.12.07(18:19)
шеф! так чего нужно сделать штоб акки не разряжались а тока красные бублики размножались

Дык к красным бубликам ещё и желтые шарики нужны. 😎 А то как же они спариваться-то будут?😎 😎 😎

ZU | Post:91351 - Date: 06.12.07(18:36)
queet Пост: 91349 От 06.Dec.2007 (18:19)
А то как же они спариваться-то будут?😎 😎 😎


праальные бублики спариваютца по весне и по осени...а нынче у нас усе замерзло...потому нехай почкуюцца
а то мож до марта? подождать

loiki | Post:91380 - Date: 06.12.07(22:02)
ZU Пост: 91342 От 06.Dec.2007 (17:53)
шеф! так чего нужно сделать штоб акки не разряжались а тока красные бублики размножались

А ты все сделал так, как шеф завещал?
Цитата: "Нужно сделать так, чтобы не использовать общий минус для всех ключей (это при том что используются биполярные) не используя оптодрайва и трансформаторной развязки. Необходимо развязать генератор с ключами и нагрузку. Даже Бедини питает генератор (см. ориг схему отчет Mullera) от левой ветки треугольника, не касаясь того что под нагрузкой".
У тебя вообще какая схема? (В смысле прерыватель какой?) Нарисовать можешь?

_________________
Шел Шива по шоссе - разрушая сущее. А навстречу Cаша шла - круглое сосущая.


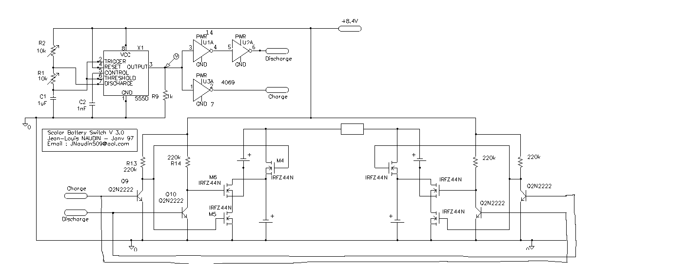
alex_kav | Post:92903 - Date: 16.12.07(20:52)
Здравствуйте,
вот схема моего варианта преобразователя, на основе схемы JNaudin.
за сутки верхние батареи заряжаются с 6,2В до 6,45 В, а нижние остаются практически такими же.

С уважением,
Александр.

г.Харьков




Размер: 12.61 KB

MSN | Post:92935 - Date: 17.12.07(06:39)
Алекс, пару вопросов всвязи...
1. что использовалось в качестве нагрузки,
2. каковы параметры генератора импульсов (частота)?
3. и что , тесты более 24 часов не проводились ?

Заранее спасибо.

_________________
Говорите говорите, я всегда зеваю когда мне интересно. 99,9% всех СЕ устройств, - от неправильных измерений


alex_kav | Post:92971 - Date: 17.12.07(13:15)
Здравствуйте MSN,
в качестве нагрузки использовалась автомобильная лампочка 15Вт,
пробовал батареи 6 В 4,5Ач и 12В 7 Ач,
генератор настраивал на 400Гц (C1 уменьшен до 1мкф по сравению с оригинальной схемой JNaudin), меандр, пауза между импульсами была 10% длительности импульса, большей длительности тесты не проводил, с точки зрения безопасности, так как без присмотра нехотелось оставлять, на выходных попробую подольше запустить. При частотах переключения 25, 50, 100 Гц батареии разряжались за 3-4 часа, при повышении до 400 Гц результат изменился,
попробую заменить mosfet на igbt (irg4pc50u) так как в них нет обратного диода, посмотрю на результат, всеже непонятна причина разного поведения батарей (нижних и верхних). о результатах сообщу дополнительно.
еще я пробовал туже схему с тойже нагрузкой но батареях на 12В 18Ач, в результате после пуска в течении 5 секунд транзисторы взрывались, (2 раза подряд тоте результат) причина неясна.

mike | Post:92973 - Date: 17.12.07(13:35)
Я кажется понял почему верхние аккамуляторы заряжаются, а нижние--нет...Пожоже просто полевики М4(на схеме) и симметричный не открываются по причине несоединения истока к минусу., вот и получается, что разряд двух послед включ аккамуляторов происходит на 1 верхний.

MSN | Post:92993 - Date: 17.12.07(15:18)
Вот вот, схема у меня тоже вызвала подозрения. И взрываются скорее всего полевики так-как не полностью открываются, в схеме косяк.
Во вторых Тесла свичь с переключением между группами я делал, но группы у меня работали по 30 секунд каждая, аккумуляторы 12в/7А в качестве нагрузки ДПТ, включенный в диагональ мостика, ток ДПТ регулировал лтдельной схемой ШИМ(1,5А), чтобы не перезаряжать аккумуляторы зарядной группы.
результат: работа в режиме Тесла Свичь около 8 часов, критерий разряда (10,5В), работа от 4-х паралельно соединенных аккумуляторов того же ДПТ, с тем же током выставленным ШИМ - 10 часов.
Переключение с частотами около 400 Гц не пробовал.

_________________
Говорите говорите, я всегда зеваю когда мне интересно. 99,9% всех СЕ устройств, - от неправильных измерений


Nova | Post:92997 - Date: 17.12.07(15:28)
Всем привет. Прочел ветку и есть несколько вопросов. Все кинулись собирать установку из 4-х аккумуляторов. Но если еффект есть, то он должен проявиться и на одном аккумуляторе. Если правильно понял, то суть Тсла свич можно описать простым экспериментом. Смотрим на рисунок ниже. Заряжаем два параллельно соединенных конденсатора от аккумулятора 12В. Т.К. цепь последовательна, то количество заряда (именно заряда) вышедшего из АБ, прошедшего через Rn и накопившегося в емкостях С равно. Соединяем конденсаторы последовательно. Разряжаем через Rn на АБ. И опять ток в цепи последовательный и одинаков на любом участке цепи. Значит количество заряда покинувшего емкости, прошедшего через Rn и АБ снова равны. С той лишь разницей, что ток текущий через АБ работает на её заряд. Остаточное напряжение на емкостях будут по 6В. Снова соединяем емкости параллельно заряжаем до 12в и весь процесс повторяем снова. Т.е. в двух словах: заряд покинувший АБ и заряд снова втекший в неё равны. Или имеет место какоето другое явление.


Тесла Свитч
Тесла Свитч
Размер: 19.10 KB

MSN | Post:93052 - Date: 17.12.07(18:39)
Т.К. цепь последовательна, то количество заряда (именно заряда) вышедшего из АБ, прошедшего через Rn и накопившегося в емкостях С равно.


НЕ равно, из-за падения напряжения на Rн, будут потери энергии равные W=t*P=t*R*I^2(RMS) , а потеря заряда будет выглядеть как увеличение времени заряда емкостей.(для случая с и без Rн)

_________________
Говорите говорите, я всегда зеваю когда мне интересно. 99,9% всех СЕ устройств, - от неправильных измерений


<] [ 1 | 2 | 3 | 4 | 5 | 6 | 7 | 8 | 9 | 10 | 11 | 12 | 13 | 14 | 15 | 16 | 17 | 18 | 19 | 20 | ... | 45 ] [>
У Вас нет прав отвечать в этой теме.
Форум - Резонансные генераторы - Резонансный трансформатор Теслы - Tesla Switch как емкостной преобразователь - Стр 10
🏠 Главная | 📚 Содержание | 💬 Форум | 📁 Файлы | 📩 Контакт