[ВХОД]
07.04.26(16:25)

mob.skif.biz

Альтернативная энергия. Оставь надежду, всяк сюда входящий...

🏠 Главная | 📚 Содержание | 💬 Форум | 📁 Файлы | 📩 Контакт
 
Резонансные генераторы
Магнитные генераторы
Механические центробежные (вихревые) генераторы
Электростатические генераторы
Водородные генераторы
Ветро- и гидро- и солнечные генераторы
Прочие идеи (разные)
О форуме
Транспорт
Оружие
Научные идеи, теории, предположения...
Экономия топлива
Коммерческие вопросы
Струйные технологии
Торсионные генераторы
Новые технологии
Барахолка
Патентный отдел
Конструкторское бюро
Нейтронная физика
Торнадо и смерчи
Гравитация и антигравитация
Сделай сам. Советы.
Медицина и здравоохранение

🖥️ | 🖨️

Форум - Прочие идеи (разные) - Схемотехника - Доверяй, но перепроверяй!!! - Стр:126
<] [ 1 | ... 116 | 117 | 118 | 119 | 120 | 121 | 122 | 123 | 124 | 125 | 126 | 127 ] [>
Модератор: bazarov
Первый пост темы: bazarov Post: #249920 От:07.06.2010 (19:24)
Хочу завести себе свою ветку, чтобы не распыляться. Идей много, а на проверку времени мало. Вот захотелось проверять все вечняки в математике, а потом смотреть где ошибка закралась. Если есть интересующие - присоеденяйтесь.

Обсуждаться будет только один ЧЁРТЁЖ или ЭКСКИЗ единовременно. Пока один агрегат не будет расколупан до конца, дальше ни-ни. Если нет возможности рисовать - сам потом нарисую или картинку вставлю. Весь словесный понос подтверждать оффициальными ссылками. Ссылка на дурдомопедию (википедию) в крайнем случае давать. На сайтах производителей и институтов инфы хватает. Всяких дибилов самоназваных с Ахрененными межгалактическими дипломами не приводить в пример.

Надеюсь энергия потом с кондёра не порёт, и ахренесово колесо вечно не поедет - наука штука точная. КПД устройства для взлома искать больше 20% (КПД1,2).

Нельзя взламывать секреты приборов производимых на постсоветском пространстве. Ибо тут всё просто - турма (Поддержим отечественного производителя!). А заграничные стандарта ISO для нас практически недосягаемы, мы со своим ГОСТОМ на рынке условия не диктуем. Поэтому взлом иностранной технологии в нашей "Раше" приравнивается к шлепку буржую по заду - только щёчки порозовеют 😀 . Наши технологии "ломать" только с разрешения собственника либо если инфа открыта для пользования.

Ламачче невозможное проверить при помощи формул теоретически либо элементарно практически также не выкладывать.


Расшифровка предупреждений:
ПИП - первое израильское предупреждение;
ВИП - второе израильское предупреждение;
ТрИП - третье израильское предупреждение;
ЧИП - вставляем имплантант биоботу;
ППЦ - биоботу пипец.
MSN | Post:898642 - Date: 08.01.26(23:25)
Что с ЭДСом делать будем, какадемик ?

_________________
Говорите говорите, я всегда зеваю когда мне интересно. 99,9% всех СЕ устройств, - от неправильных измерений


bazarov | Post:898643 - Date: 08.01.26(23:26)
Доцент, уравнения Максвелла пространственные... У нас наука этого не достигла спустя 200 лет 🤢...

_________________
Не хватит никакого здоровья, чтобы приспособиться к этому глубоко больному обществу(Кришна Мурти)/Горшки не Боги обжигают (многовековая классика)


sbal | Post:898644 - Date: 08.01.26(23:26)
Это не конец, дружище МаСоН, это совсем не конец, это - начало! 😭

_________________
в пути...


MSN | Post:898645 - Date: 08.01.26(23:47)
Смотри горе луковое.
Нужно тебе допустим для достижения 1,5Тл в железе 1500 Ампер*витков.
мотаешь 100 витков , ток 15А Мотаем проводом 1мм2 имеешь сопротивление обмотки :
R = ρ × L / S
R = 0,0175 × 0,1*100 / 1=0,17 Ома
Pпотерь=I2*R=15*15*0,175=39,4Вт;
Говоришь один виток намотаем? Хорошо. Намотали 1 Виток,
Ток нужен в 1500Ампер, Квадрат тока 1500*1500=2250000 А2
Чтобы потери остались прежними нужно добиться сопротивления однопроводной шины 39,5/2250000=0,00000396 Ом, а это S=ρ*L/R=0,0175*0,1/0,0000175 =100 мм2 Это шина диаметром около 10мм в диаметре.
А подводящие провода, а сопротивление ключей, а внутреннее сопротивление источника ?
Тут сверхпроводник нужен и сука все равно ЭДС есть, никуда она не делась. Кумекаешь?

Потери зависят от квадрата тока, потому уменьшая витки нужно увеличивать сечение провода в квадрате от уменьшения тока.
Уменьшил витков в 10 раз, увеличь сечение провода в 10 раз.

_________________
Говорите говорите, я всегда зеваю когда мне интересно. 99,9% всех СЕ устройств, - от неправильных измерений


bazarov | Post:898647 - Date: 08.01.26(23:53)
Много не буду, говоить, то что пытаешься найти уже есть в ТАУ, доцент. 😛
[ссылка]
В старых аппаратах достигали индукцию в 1,5 Тесла, за импульс... Ну просто же 😀 ... Схема апаарата лежит в отрытом доступе, никто не прячет 😀 ...

_________________
Не хватит никакого здоровья, чтобы приспособиться к этому глубоко больному обществу(Кришна Мурти)/Горшки не Боги обжигают (многовековая классика)


MSN | Post:898648 - Date: 09.01.26(00:05)
ПРи чем тут аппараты, скважность там какая 1/100 или 1/1000 ? ?
А я расчет даю для скважности 1. Допустим она в реале в моей модели 1*0,65/6=0,1 имеем скважность 1/10 сечение не 100квадратов , а достаочно будет 10мм2 все равно МНОГО, внутреннее сопротивление источника и МОсфетов куда девать ? Мосфеты впараллель можно, а источник только набирать элементы Li ion впараллель 100шт по 3 миллиома


НО! при такой Схеме ЭДС уменьшается в 100 раз, но потери от нее ОСТАЮТСЯ! так как ирк увеличивается в теже 100 раз!

_________________
Говорите говорите, я всегда зеваю когда мне интересно. 99,9% всех СЕ устройств, - от неправильных измерений


bazarov | Post:898649 - Date: 09.01.26(00:08)
А я расчет даю для скважности 1.
Самашечший 😀 ...
внутреннее сопротивление источника и МОсфетов куда девать ?
Да элементарно... выкинь свой двигатель нахрен 😀 ...

Потом продолжим... 😏

_________________
Не хватит никакого здоровья, чтобы приспособиться к этому глубоко больному обществу(Кришна Мурти)/Горшки не Боги обжигают (многовековая классика)


bazarov | Post:898650 - Date: 09.01.26(00:16)
А я расчет даю для скважности 1.
Хотя бы для условия 0,5 дай, алкоголик на пенсии 😀 ...

_________________
Не хватит никакого здоровья, чтобы приспособиться к этому глубоко больному обществу(Кришна Мурти)/Горшки не Боги обжигают (многовековая классика)


MSN | Post:898651 - Date: 09.01.26(03:21)
тEnergy Efficient C-Dump Converters For
Switched Reluctance Motors


Технология сброса ЭДС в кондер при завершении рабочего хода.
Потом шимом и ключем излишняя энергия преобразуется и уже независимо от хода сбрасывает излишки в источник. Технология называется C-Dump Converter



C-DAMP см.38 страница

Но есть схемы которые этим же кондером сразу и форсируют рост тока. Надо искать.

Наша тема см с 34 стр

_________________
Говорите говорите, я всегда зеваю когда мне интересно. 99,9% всех СЕ устройств, - от неправильных измерений


MSN | Post:898660 - Date: 09.01.26(10:12)

не помню, давал ли это выше. Но редактировать пост уже не получается. Хороший анализ технологии C-DAMP.Удобно, прочитаешь не из PDF'ки, а прямо со страницы с переводчиком.

_________________
Говорите говорите, я всегда зеваю когда мне интересно. 99,9% всех СЕ устройств, - от неправильных измерений


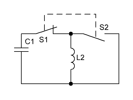
sbal | Post:898690 - Date: 10.01.26(15:39)
Вот тебе начало:

# сравнивай.


Размер: 29.79 KB

_________________
в пути...


MSN | Post:898691 - Date: 10.01.26(17:47)
Прям спать не мог, весь извелся. А тут ты.
Комментариями снабжать твои малюнки не надо, зачем ? Все и так понятно!
Спасибо Сбалюшко!

_________________
Говорите говорите, я всегда зеваю когда мне интересно. 99,9% всех СЕ устройств, - от неправильных измерений


sbal | Post:898692 - Date: 10.01.26(18:46)
Кто Сбал такой, чтобы комментить доцентам!?
Это удел Базарова, он гений, ему можна.
А наш удел в говне палками ковырять.
То - "из говна и палок!"/Форик/

_________________
в пути...


bazarov | Post:898693 - Date: 10.01.26(19:55)
Так ,цы ц, я думаю о чём думать. 😭
[ссылка]

_________________
Не хватит никакого здоровья, чтобы приспособиться к этому глубоко больному обществу(Кришна Мурти)/Горшки не Боги обжигают (многовековая классика)


sbal | Post:898696 - Date: 11.01.26(20:43)
Та то такое.., однака в одно из последних пришествий МСН-а по итогам выкатил мне картинку косинуса = 1 первички. Вот вспомнил, выкатил. Всё просто. Тем паче материал на сию тему висит давно в сети.

_________________
в пути...


bazarov | Post:898697 - Date: 11.01.26(20:49)
Сбал... Я 10 дней под температурой был, и потом сразу у нас в РБ красный уровень опасности, лопатой махал... Какие нахер косинусы? Дай в себя придти.

ПС. Я примерно на 10 кг веса потерял. Дай пузо наесть.

_________________
Не хватит никакого здоровья, чтобы приспособиться к этому глубоко больному обществу(Кришна Мурти)/Горшки не Боги обжигают (многовековая классика)


MSN | Post:898698 - Date: 11.01.26(22:27)
у этого человека КЗ, сгорели нейроны отвечающие за произнесение внятной речи.
чудо за 21 день

_________________
Говорите говорите, я всегда зеваю когда мне интересно. 99,9% всех СЕ устройств, - от неправильных измерений


bazarov | Post:898699 - Date: 11.01.26(23:27)
произнесение
Произношение... Доцент... ну хоть ты будь взрослым.. .

_________________
Не хватит никакого здоровья, чтобы приспособиться к этому глубоко больному обществу(Кришна Мурти)/Горшки не Боги обжигают (многовековая классика)


bazarov | Post:898706 - Date: 12.01.26(20:02)
Продолжим.
MSN Пост: 898645 От 08.Jan.2026 (20:47)
Смотри горе луковое.
Нужно тебе допустим для достижения 1,5Тл в железе 1500 Ампер*витков.
мотаешь 100 витков , ток 15А Мотаем проводом 1мм2 имеешь сопротивление обмотки :
R = ρ × L / S
R = 0,0175 × 0,1*100 / 1=0,17 Ома
Pпотерь=I2*R=15*15*0,175=39,4Вт;
Говоришь один виток намотаем? Хорошо. Намотали 1 Виток,
Ток нужен в 1500Ампер, Квадрат тока 1500*1500=2250000 А2
Чтобы потери остались прежними нужно добиться сопротивления однопроводной шины 39,5/2250000=0,00000396 Ом, а это S=ρ*L/R=0,0175*0,1/0,0000175 =100 мм2 Это шина диаметром около 10мм в диаметре.
А подводящие провода, а сопротивление ключей, а внутреннее сопротивление источника ?
Тут сверхпроводник нужен и сука все равно ЭДС есть, никуда она не делась. Кумекаешь?

Потери зависят от квадрата тока, потому уменьшая витки нужно увеличивать сечение провода в квадрате от уменьшения тока.
Уменьшил витков в 10 раз, увеличь сечение провода в 10 раз.

У тебя абсолютно классическое представление об индукции, и абсолютно неправильное представление об потерях. Если тебе к.з. витка мало покажу как добиваться огромных токов с минимальными затратами. Классика.

Ты вибираешь что лучше, толстый керн или кучка проводов. Давай впомним опять Тау. Чем меньше внутреннее сопротивление проводника, тем тольше спад тока. То есть при нулевом внутреннем сопротивлении проводника он превращается в сверхпроводник с неугасающим магнитным полем.

Вот у тебя разные расчёты. особенно второй для шины с большим током. 1 виток и ток 1500 Ампер. Что мы делаем. Просто заряжаем конедсатор до большого значения напряжения (ёмкость обратно пропорциональна напряжению по заряду) и разряжаем на один виток. В итоге импульс тока в 2000 А. А затем просто закорачиваем катушку. Время заряда микросекунды, время спада уже доли секунды. Рмех на валу та же. Вот и посчитай во сколько раз я уменьшил потребление схемы дав аж до 2000 А тока в напряжённость. В крайнем случае сделай 2-5 витков, ну серебром покрой... Если учесть время по Тау на спад тока и время энергию заряда... Мы уже в выигрыше минимум 10 раз.

Это тебе ещё один пример сокращения индуктивности... Уже забыл какой по счёту... Всё же просто...

ПС. Думаю стоит вернуться к не пОнятому.
42
42
Размер: 2.44 KB

_________________
Не хватит никакого здоровья, чтобы приспособиться к этому глубоко больному обществу(Кришна Мурти)/Горшки не Боги обжигают (многовековая классика)


bazarov | Post:898707 - Date: 12.01.26(20:17)
Ну и самое простое... Обычный соленоид имеет мало характеристик в идеальном моделировании. К примеру линейный рост сопротивления от частоты питания... А как же сопротивление относительно увеличения напряжения питания?
image

Ну заряди катушку током и короти, пусть ток спадает... Если интересно сам считай, мне лень и... не помню 😬... Даже формулу Тау для индуктивности не смог найти.

Я вообще не понимаю в чём ты там ковыряешься. Если интересно потом покажу как мощные вентильные двигателя сделать, но пока....

ПС. Доцент, у нас с тобой странный дуэт... смотри меха не порви.. 😬
YouTube: Смотреть видео

_________________
Не хватит никакого здоровья, чтобы приспособиться к этому глубоко больному обществу(Кришна Мурти)/Горшки не Боги обжигают (многовековая классика)


bazarov | Post:898708 - Date: 12.01.26(20:39)
Ну и вернёмся о сокращении индуктивности стандартным, классическим, двухвековым методом. На котором все АД построены... и не только... Вот видик. Понятный, доступный, все варианты. Классика.
YouTube: Смотреть видео

Подробно о всех ипостасиях.

1. 1:30. Сразу одно кольцо кинули, висит но низко, затем накидали стопку и утяжелённая конструкция приподнялась. Потому как общее Омическое сопротивление уменьшилось. ТАКОН Тау.
2. 2:30. Толстое кольцо висит выше всех, там Тау ОГРОМНОЕ.
3. 2:50. Закон дФ/t. Тут Тау просто огромное...

А теперь думай что будет если приклеить такое к.з кольцо к обмотке? Кольцо не вылетит, вывернется В и Н с катушки в обратную сторону кольца. Всё просто.

_________________
Не хватит никакого здоровья, чтобы приспособиться к этому глубоко больному обществу(Кришна Мурти)/Горшки не Боги обжигают (многовековая классика)


bazarov | Post:898709 - Date: 12.01.26(20:47)
Самый простой пример показал. Сердечник проводник наподобие меди или алюминия. Ну и какое реактивнеое сопротивление катушки в твоём понимании? Мало того поле МП вытесняется с к.з. сердечника и уходит всё в зазор между сердечником и магнитом. То есть сжимается и усиливается в десятки раз.

Ну не нужны твои драйвера тут, понимаешь 😕 ?

ПС. Если построить АД на таком принципе, то это будет самый крутой из асинхронных двигателей в Мире в ближайшую сотню лет. Всё из алюминия: обмотка, ротор, статор, ... ну подшипники и вал только железные... Доцент, ты понимаешь персперктивы? Магниты не нужны... А с ростом частоты момент будет только нарастать... Да, греться будет, но на то он и из алюминия.

Ну сам в уме прикинь двигатель с косинусом фи >>1 и напряжением питания максимум в десятки вольт. Только экстремум Рмех и об/мин подбирай под расчёт и всё.. Лучше уже в ближайшее столетие не придумают.

ПС. Если бы у Мастера Тесла были бы методы и технологии современности, то ... Возможно он уже разрабатывал такие типы двигателей. Не зря же сказал что будущее за алюминием.
42
42
Размер: 1.65 KB

_________________
Не хватит никакого здоровья, чтобы приспособиться к этому глубоко больному обществу(Кришна Мурти)/Горшки не Боги обжигают (многовековая классика)


bazarov | Post:898712 - Date: 12.01.26(21:11)
Ну и в заключение ещё один т двигателя, незаконно забытый в виду отсталости технологий в то время - ВЕНТИЛЬНЫЙ. Это самый высокомоментный тип двигателей за всю историю человечества. К сожалению и дорогой по стоимости. Я его пытался по разному улучшить... В общем у меня нет ни времени, ни денег ни желания на его улучшение. Он самый лучший для бытовухи но самый тяжёлый и дорогой.

Начну с простого...
YouTube: Смотреть видео

Ну... типа супер моторчик... Возможно там АД с параллельным резонансом... Возможно перемотанный АД с последовательным.. А возможно... Вентильные двигателя прородители однофазных двигателей с к.з. обмоткой в керне для смещения фазы инуции. То есть первые однофазные двигателя использовали намагничивание якоря АД для его движения. А коллекторные двигателя использовали систему рамок с железным керном в якоре для получения момент от тока и нагрузки. Но у всех этих двигателей есть прародитель - ГАЛЬВАНОМЕТР.
YouTube: Смотреть видео

Я очень долго изучал подобные приборы. В детстве ремонтировал, настраивал, калибровал... И видел интересные решения советских инженеров... Но обо всём по порядку.

_________________
Не хватит никакого здоровья, чтобы приспособиться к этому глубоко больному обществу(Кришна Мурти)/Горшки не Боги обжигают (многовековая классика)


bazarov | Post:898713 - Date: 12.01.26(21:24)
image

Так вот... Самые интересные гальванометры у которых магнит двухполюсный внутри. Я начал сравнивать взаимодействие рамки и магнита. С учётом того что в 70е был самый писк магнитов на никеле или ещё чего там, то делалась магнитная головка с сильной индукцией и минимум витков. Расчётов там куча, все в книжках есть. Самые лучшие гальванометры имели внутреннее сопротивление доли Ома, даже сопротивление проводников к клеммам учитывалось. Точность у зеркальных приборов была коллосальная. Я по ним учился. И вот спустя много лет я двигателями занялся... Хоть я и получил диплом по проектированию электроснабжения и расчётов всего энергетического хозяйства, толку было - нуль. Первый мой двигатель который я проверил был именно ВЕНТИЛЬНЫ. Я просто взял ферритовый магнит с динамика, банку с майонеза обмотанную сотней витков провода и начал проверять... Так вот доли Ватт на сотню витков на банке выворачивали манит внутри со страшной силой. Мне было тогда примерно 22 года и я понятия не имел о всяких законах или о высшей математике. За несколько вечеров я сделал дюжину опытов. Самое интересное что рост тока в катушке мало сказывался на момент поворота ферритового магнита... Там было над чем подумать, не для детских умов... И только спустя с десяток лет я примерно понял как из этого всего сделать реальный прототип двигателя. Даже автомобиль "запорожец" купил чтобы туда его поставить. Но, пришлось его подарить алкашу соседу чтобы на металл сдал.. Ни один токарь не брался выполнить мой заказ. Чтобы ты понимал я предлагал тогда ещё 200 долларов за изделие на ординатном станке, когда токаря получали от силы 20-40 долларов. Сейчас для меня не проблема как изготовить если будут станки... Но они очень дорогие. Да и вообще после появления двигателей с неодимом не вижу смысла. Так вот...


_________________
Не хватит никакого здоровья, чтобы приспособиться к этому глубоко больному обществу(Кришна Мурти)/Горшки не Боги обжигают (многовековая классика)


bazarov | Post:898714 - Date: 12.01.26(21:34)
Так вот в ходе опытов было замечено, точ если катушка находится в нулевой зоне индукции В магнита, то её индуктивность становится очень большой. При этом МОМЕНТ на магнит в этом случае МАКСИМАЛЬНЫЙ. То есть если полюса магнита смотрят в разные стороны от катушки, то индуктивность большая а момент на валу стремится к экстремуму.

Короче. Есть гальванометры в которых катушка намотана на замкнутой алюминиевой рамке. Раньше я не понимал.. Но это просто способ торможения катушки в мангитном поле В магнита. То есть по переменному току сопротивление катушки сремится к нулю. К тому же МП магнита В много больше напряжённости катушки Н, поэтому тормозится в поле магнита в виду индукции.

Если понял... Индуктивность катушки можно управлять с помощью к.з. витка в катушке, даже регулируя этот параметр простым реостатом. Это есть ничто иное как изменение индуктивности катушки от момента или скорости.

Доцент, всё просто 😀 ...

_________________
Не хватит никакого здоровья, чтобы приспособиться к этому глубоко больному обществу(Кришна Мурти)/Горшки не Боги обжигают (многовековая классика)


<] [ 1 | ... 116 | 117 | 118 | 119 | 120 | 121 | 122 | 123 | 124 | 125 | 126 | 127 ] [>
🔒 Тема закрыта. Добавление новых сообщений невозможно.
Форум - Прочие идеи (разные) - Схемотехника - Доверяй, но перепроверяй!!! - Стр 126
🏠 Главная | 📚 Содержание | 💬 Форум | 📁 Файлы | 📩 Контакт