[ВХОД]

02.04.26(21:19)

mob.skif.biz

Альтернативная энергия. Оставь надежду, всяк сюда входящий...

🏠 Главная | 📚 Содержание | 💬 Форум | 📁 Файлы | 📩 Контакт

🖥️ | 🖨️

Форум - Электростатические генераторы - Электростатика - Радиантная энергия - Стр:201
<] [ 1 | ... 191 | 192 | 193 | 194 | 195 | 196 | 197 | 198 | 199 | 200 | 201 | 202 | 203 | 204 | 205 | 206 | 207 | 208 | 209 | 210 | 211 | ... | 236 ] [>
Модератор: Antek
Первый пост темы: Antek Post: #691952 От:14.09.2020 (17:45)
Накопление энергии в окружающем пространстве и возможность её возвращения или передачи на расстояние.
Antek | Post:893408 - Date: 11.09.25(00:50)
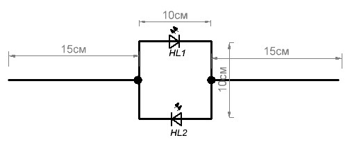
Индикатор рт А.Романова



Размер: 10.71 KB

_________________
А вы друзья как не садитесь-все в музыканты не годитесь.


KomX | Post:893411 - Date: 11.09.25(07:38)
Antek Пост: 893408 От 10.Sep.2025 (21:50)
Индикатор рт А.Романова

Поясни, что в нём с волнами? Чего ловит? Вместе или порознь светодиодики "моргают"?

_________________
KomX - это комикс (история в картинках) или ком(приходить) икс(к неизвестному)... (Well)


Antek | Post:893412 - Date: 11.09.25(08:54)
В видео работа индикатора показана.Гибрид рамочной антенны и вибратора.Если пофантазировать,то для регистрации особого поля катушки теслы при помощи вилки Авраменко с двумя входами энергии для симметрии.

_________________
А вы друзья как не садитесь-все в музыканты не годитесь.


Tog | Post:893413 - Date: 11.09.25(10:25)
Antek Пост: 893412 От 11.Sep.2025 (05:54)
В видео работа индикатора показана.Гибрид рамочной антенны и вибратора.Если пофантазировать,то для регистрации особого поля катушки теслы при помощи вилки Авраменко с двумя входами энергии для симметрии.

фантазер😬 😬 😬
Тут без фантазий ясно, чётко улавливает все поля которые есть поблизости, как минусовые так и плюсовые. Ой, электромагнитные поля, а то Вар в поля кукурузы ускачет ещё, ищи его потом в кукурузе😬
Антек, да знаю они это всё, тут вопрос в другом, зачем так делают.?&#128536;

_________________
Фак-ты


Antek | Post:893416 - Date: 11.09.25(11:33)
Без кота (Радианта) работать не будет.😎
[ссылка]

_________________
А вы друзья как не садитесь-все в музыканты не годитесь.


Antek | Post:893418 - Date: 11.09.25(14:12)
BAP Пост: 893417 От 11.Sep.2025 (10:36)

Индикатор для настойки перпендикулярного , а не осевого излучения катушенции.😬
А "уши" для увеличения емкостной составляющей рамки. Соответственно для увеличения тока через диоды.

_________________
А вы друзья как не садитесь-все в музыканты не годитесь.


BAP | Post:893420 - Date: 11.09.25(17:42)
Это что? Цензура???Теперь мне и слова лишнего сказать нельзя...😶
Однако. Дожили.😬 😬 😬
Дружбана своего, то же по шерсти.
А то не справедливо, мне и ответить никак.
Ну, а нет, так и варитесь сами . В собственном соку 😶😬 😬 😬

Antek | Post:893421 - Date: 11.09.25(18:26)
Как в сказке-он добрый,а ты злой.Я смысл твоего сообщения не исказил.Не можешь держать себя в руках пиши в ветке чайников.

_________________
А вы друзья как не садитесь-все в музыканты не годитесь.


Tog | Post:893423 - Date: 11.09.25(19:21)
Дружбана своего, то же по шерсти.
А то не справедливо, мне и ответить никак.

Скажи мне кто твой друг и я скажу кто ты.
твой друг в обезьяннике сидит уже который день, и частенько там отдыхает.Тут без комментариев.
А мой друг пытается вразумить тебя.
когда человеком то станешь? Обсуждали бы мирно по теме, глядишь может чего интересного нарыли.

_________________
Фак-ты


BAP | Post:893424 - Date: 11.09.25(19:25)
Ответить бы тебя так что бы дошло, так опять таки цензура...😶
С вам и по теме это два несовместимых понятия 😬 😬 😬
Вразумить??? А есть чем???

Tog | Post:893425 - Date: 11.09.25(19:30)
BAP Пост: 893424 От 11.Sep.2025 (16:25)
Ответить бы тебя так что бы дошло, так опять таки цензура...😶
С вам и по теме это два несовместимых понятия 😬 😬 😬
Вразумить??? А есть чем???

А ты не стесняйся, отвечай как есть, я стерплю.
А По теме с нами можно и нужно говорить, а как ты говоришь с нами?
Если не в курсе, то почитай посты свои.

_________________
Фак-ты


KomX | Post:893426 - Date: 11.09.25(19:32)
Antek Пост: 893412 От 11.Sep.2025 (05:54)
при помощи вилки Авраменко с двумя входами энергии для симметрии.

А чего ж не 4-е входа-выхода?

_________________
KomX - это комикс (история в картинках) или ком(приходить) икс(к неизвестному)... (Well)


BAP | Post:893427 - Date: 11.09.25(19:40)
Tog Пост: 893425 От 11.Sep.2025 (16:30)

А ты не стесняйся, отвечай как есть, я стерплю.
А По теме с нами можно и нужно говорить, а как ты говоришь с нами?
Если не в курсе, то почитай посты свои.

Прямо чувствую себя полным мальчишом плохишом для битья.
Ну как я могу тебе ответить нормально, Антек трёт мои шедевры, так огрызки оставляет. Нет стимула...😶
А насчёт по теме, так сколько раз я пытался, одни отговорки в ответ.
До сих пор тема сварочника Будённого висит в воздухе. 😶😬 😬 😬
Вот , а насчёт постов , так и ты свои не стесняйся, перечитуй. Ага.

Antek | Post:893430 - Date: 11.09.25(19:45)
А чего гадать и выворачивать мозг,сделать индикатор и проверить на тесле чего он может.

_________________
А вы друзья как не садитесь-все в музыканты не годитесь.


Tog | Post:893432 - Date: 11.09.25(19:51)
А насчёт по теме, так сколько раз я пытался, одни отговорки в ответ.
До сих пор тема сварочника Будённого висит в воздухе.

Это да, тема сварочника не раскрыта.
Я делал примерно копию схемы, не полную. Взял основное, где вв и тестил, с первого раза даже не вкурил чего там такого. Долго тестил, менял параметры, переменные, забрасывал не раз это дело, потом возвращался с новой идеей. И настал тот день когда я раскурил его, и покурил, и закурил с ним 😬 шучу😕
Оказалось всё просто, не надо лезть в дебри, всё лежит на поверхности.
Пробуй, это интересно.

_________________
Фак-ты


KomX | Post:893433 - Date: 11.09.25(19:59)
Antek Пост: 893430 От 11.Sep.2025 (16:45)
А чего гадать и выворачивать мозг,сделать индикатор и проверить на тесле чего он может.

Беру пример с Вас. )
Вы же узрели 2 (Две) вилки Авраменко, но они наложены друг на друга и закорочены, выродившись в 2 светодиода.
А вот ежели каждый из диодов разрисовать аки 2 диода, да ишшо и конденсатор промеж них поставить...
И будет 2 вилки, встречно работающие...
А если ишшо и с другого боку глянуть, то и все 4-ре. )

_________________
KomX - это комикс (история в картинках) или ком(приходить) икс(к неизвестному)... (Well)


Tog | Post:893435 - Date: 11.09.25(20:08)
Antek Пост: 893430 От 11.Sep.2025 (16:45)
А чего гадать и выворачивать мозг,сделать индикатор и проверить на тесле чего он может.

Антек, тут со сварочником никто связываться не хочет. А с индикатором и подавно. Зачем? Легче придти и нагадить, как в песне "сектора газа" - голубь. 😎

_________________
Фак-ты


Antek | Post:893436 - Date: 11.09.25(20:22)
KomX Пост: 893433 От 11.Sep.2025 (16:59)
Antek Пост: 893430 От 11.Sep.2025 (16:45)
А чего гадать и выворачивать мозг,сделать индикатор и проверить на тесле чего он может.

Беру пример с Вас. )
Вы же узрели 2 (Две) вилки Авраменко, но они наложены друг на друга и закорочены, выродившись в 2 светодиода.
А вот ежели каждый из диодов разрисовать аки 2 диода, да ишшо и конденсатор промеж них поставить...
И будет 2 вилки, встречно работающие...
А если ишшо и с другого боку глянуть, то и все 4-ре. )

Так и нужно,что бы навстречу,чтобы электромагнитные волны взаимно уничтожались.Н.Тесла проводил эксперименты с энергетическими в основе и сути которых Радиантная энергия.

_________________
А вы друзья как не садитесь-все в музыканты не годитесь.


BAP | Post:893437 - Date: 11.09.25(20:27)
Tog Пост: 893432 От 11.Sep.2025 (16:51)
А насчёт по теме, так сколько раз я пытался, одни отговорки в ответ.
До сих пор тема сварочника Будённого висит в воздухе.

Это да, тема сварочника не раскрыта.
Я делал примерно копию схемы, не полную. Взял основное, где вв и тестил, с первого раза даже не вкурил чего там такого. Долго тестил, менял параметры, переменные, забрасывал не раз это дело, потом возвращался с новой идеей. И настал тот день когда я раскурил его, и покурил, и закурил с ним 😬 шучу😕
Оказалось всё просто, не надо лезть в дебри, всё лежит на поверхности.
Пробуй, это интересно.


К низковольтной обмотке с большим током прикрутил ВВ осциллятор?
Знаю такое. А если ВВ импульс замкнёшь через хорошую емкость, тогда и обмотку можно брать гораздо меньшего сечения.
Но это всё не то.😶

Antek | Post:893438 - Date: 11.09.25(20:30)
Tog Пост: 893435 От 11.Sep.2025 (17:08)
Antek Пост: 893430 От 11.Sep.2025 (16:45)
А чего гадать и выворачивать мозг,сделать индикатор и проверить на тесле чего он может.

Антек, тут со сварочником никто связываться не хочет. А с индикатором и подавно. Зачем? Легче придти и нагадить, как в песне "сектора газа" - голубь. 😎

Есть много людей,которых тут именуют гостями.Из здешних только Толик ближе всех.Но он критикует Валерия,не понимя,что все что нужно он уже дал.

_________________
А вы друзья как не садитесь-все в музыканты не годитесь.


BAP | Post:893443 - Date: 11.09.25(20:45)
Antek Пост: 893436 От 11.Sep.2025 (17:22)
KomX Пост: 893433 От 11.Sep.2025 (16:59)
Antek Пост: 893430 От 11.Sep.2025 (16:45)
А чего гадать и выворачивать мозг,сделать индикатор и проверить на тесле чего он может.

Беру пример с Вас. )
Вы же узрели 2 (Две) вилки Авраменко, но они наложены друг на друга и закорочены, выродившись в 2 светодиода.
А вот ежели каждый из диодов разрисовать аки 2 диода, да ишшо и конденсатор промеж них поставить...
И будет 2 вилки, встречно работающие...
А если ишшо и с другого боку глянуть, то и все 4-ре. )

Так и нужно,что бы навстречу,чтобы электромагнитные волны взаимно уничтожались.Н.Тесла проводил эксперименты с энергетическими в основе и сути которых Радиантная энергия.

Так вот и хочется вставит и не только крепкое словцо, но цензор же ж...
Вот Антек, положа руку на сердце. Видел хоть раз распределение токов в рамке???
Какое взаимное уничтожение электромагнитных волн???

Antek | Post:893445 - Date: 11.09.25(20:49)
Простое,одна волна поступает через верхний штырь,а вторая через нижний,после выпрямления и сложения будет 0.
Это не рамка,там два диода стоят.

_________________
А вы друзья как не садитесь-все в музыканты не годитесь.


KomX | Post:893448 - Date: 11.09.25(20:54)
Antek Пост: 893445 От 11.Sep.2025 (17:49)
Простое,одна волна поступает через верхний штырь,а вторая через нижний,после выпрямления и сложения будет 0.
Это не рамка,там два диода стоят.

Волны распростроняются, "бегут" некоторое время, пробегая некоторое расстояние.
Точно ли на всей протяжённости участка взаимодействия будет "0"?
Может они разминутся?
Я что-то не встречал, чтобы ЭМВ сами с собой "куролесили"...

_________________
KomX - это комикс (история в картинках) или ком(приходить) икс(к неизвестному)... (Well)


Antek | Post:893449 - Date: 11.09.25(20:55)
Это ты чудишь.Две антены два детектора и сложение.

_________________
А вы друзья как не садитесь-все в музыканты не годитесь.


KomX | Post:893452 - Date: 11.09.25(21:00)
BAP Пост: 893450 От 11.Sep.2025 (17:58)
Хоть десять диодов и штырей.😬 😬 😬

Ну, не скажи... Это прототип ФАР! Двуштыревой, правда.

_________________
KomX - это комикс (история в картинках) или ком(приходить) икс(к неизвестному)... (Well)


<] [ 1 | ... 191 | 192 | 193 | 194 | 195 | 196 | 197 | 198 | 199 | 200 | 201 | 202 | 203 | 204 | 205 | 206 | 207 | 208 | 209 | 210 | 211 | ... | 236 ] [>
У Вас нет прав отвечать в этой теме.
Форум - Электростатические генераторы - Электростатика - Радиантная энергия - Стр 201
🏠 Главная | 📚 Содержание | 💬 Форум | 📁 Файлы | 📩 Контакт