[ВХОД]
29.05.26(23:13)

mob.skif.biz

Альтернативная энергия. Оставь надежду, всяк сюда входящий...

🏠 Главная | 📚 Содержание | 💬 Форум | 📁 Файлы | 📩 Контакт
 
Резонансные генераторы
Магнитные генераторы
Механические центробежные (вихревые) генераторы
Электростатические генераторы
Водородные генераторы
Ветро- и гидро- и солнечные генераторы
Прочие идеи (разные)
О форуме
Транспорт
Оружие
Научные идеи, теории, предположения...
Экономия топлива
Коммерческие вопросы
Струйные технологии
Торсионные генераторы
Новые технологии
Барахолка
Патентный отдел
Конструкторское бюро
Нейтронная физика
Торнадо и смерчи
Гравитация и антигравитация
Сделай сам. Советы.
Медицина и здравоохранение

🖥️ | 🖨️

Форум - Магнитные генераторы - Генератор Хаббарда - Генератор Хаббарда 2025 - Стр:3
<] [ 1 | 2 | 3 ]
Модератор: viknel
Первый пост темы: viknel Post: #878470 От:14.01.2025 (13:13)
Генератор Хаббарда это электрический аналог обычного двигателя внутреннего сгорания (ДВС). Как молодому парню парню удалось создать рабочий БТГ? Дано свыше или за этим скрывается гений?
Итак ДВС. Набор цилиндров с поршнями. Цилиндры имеют два клапана: впускной и выпускной. Цилиндры работают по очереди, передавая мощность через поршни на коленчатый вал. С коленчатого вала снимается вся мощность двигателя.
В электрическом аналоге мы имеем набор катушек (аналог цилиндров) с парой обмоток (аналог клапанов). В качестве поршней выступает магнитной поле, наводимое электрическим импульсом (аналог бензина). Это магнитное поле возбуждает центральную катушку (аналог коленчатого вала). С обмотки центральной катушки снимается мощность на исполнительное устройство (электродвигатель). Соседние катушки намотаны в противоположном направлении. Здесь неполный аналог коленчатого вала с шатунными шейками.
Теперь можно перейти к анализу работы составных частей устройства.
Периферийные катушки имеют по 2 обмотки: входную и выходную. На входную подается импульс с трамблера, а выходная соединяется с входной обмоткой следующей катушки.
Здесь следует отметить отличие от ДВС. Отработанные газы не могут быть использованы вторично, так как уже израсходовали свою энергию. Электрический (входной) импульс намагничивает металлический стержень, а после прекращения импульса стержень размагничивается, возвращая полученную энергию почти без потерь. Следовательно эта энергия может быть использована многократно перемещаясь от катушки к катушке. Небольшая потеря мощности при прохождении по цепочке катушек не критична. Причем катушки работают (как и в ДВС) поочередно. Это позволяет получить на один входной (энерго-затратный импульс) несколько (по числу катушек) дополнительных импульсов, принятых центральной катушкой и переданных в нагрузку. Причем на дополнительные импульсы энергия источника питания не расходуется.
При подаче импульса на катушку энергия электрического импульса запасается в виде магнитного поля. По окончании импульса вся (почти) энергия магнитного поля возвращается в катушку в виде импульса обратной ЭДС (далее ОЭДС). Этот импульс широко используется в обратноходовых преобразователях напряжения. Хаббард (насколько мне известно) первым использовал импульсы ОЭДС для создания магнитного поля в другой катушке, связанной с первой согласующей обмоткой. Для этого он мотал на первой катушке 2 обмотки. Первичная подключалась к генератору импульсов, а вторичная (согласующая, передаточная) к следующей катушке. Однако простое последовательное соединение катушек не приводит к появлению ОЭДС во второй катушке. Магнитное поле нарастает и спадает в соответствии с формой импульса ОЭДС, который имеет форму колокола. А нам нужен импульс с крутыми фронтами. Причем передний фронт не так критичен, как задний. Именно от того насколько быстро прервется ток в катушке зависит величина ОЭДС. Позавидовал Хаббарду. У него генератор работает на высоком напряжении и в качестве формирователя импульсов использовались (скорее всего) свечи зажигания от ДВС. В моем варианте генератор проектируется в низковольтном варианте.
В результате проведенных работ было установлено, что ни один из современных пороговых элементов (динистор, тиристор, стабилитрон, оптоэлектронный ключ) не обеспечивают получение крутого заднего фронта. Самым простым решением было использовать для формирования импульса с крутыми фронтами схему блокинг-генератора. Собрал. Проверил. Результат порадовал.
Дальше начались чисто производственные неприятности. Дело в том, что для работы блокинг-генератора необходимы 2 обмотки. Пришлось добавлять 3-ю обмотку согласующую. Оказалось, что индуктивность катушек для генератора мала и он успевает на один импульс ОЭДС выдать несколько импульсов, что категорически недопустимо. Методом проб и ошибок (играл числом витков базовой и коллекторной обмоток) нашел вариант при котором блокинг выдает один импульс и при этом использует практически всю энергию «питающего» импульса ОЭДС. В моем варианте схема формирователя выглядит так.

Транзистор обычный маломощный, рассчитанный на напряжение не ниже 100 вольт, ток не менее 0,5 ампера и частоту более 100 МГц. Например 2N5551. Или другой аналогичный. Катушка намотана на ферритовом стержне от магнитной антенны длиной 60 мм и диаметром 10 мм. На стержне намотано 65 витков 3 проводами одновременно. Резистор ограничивает ток базы транзистора. Импульс ОЭДС со второй катушке почти равен импульсу на первой катушке по амплитуде и точно соответствуем ему по длительности.
Теперь мы можем подать импульс ОЭДС со второй катушки, через аналогичный формирователь на третью катушку. С 3-ей на 4-ую и так далее. У Хаббарда в цепочке было задействовано 8 катушек. У меня 3 катушки уже работают (не считая первой от генератора).
phoba | Post:879380 - Date: 04.02.25(11:19)
viknel Пост: 879322 От 03.Feb.2025 (09:33)
Как я надеюсь, на форуме собрались ПРАКТИКИ, а не теоретики!
Есть ФАКТЫ:
1. В катушке есть ток, есть магнитное поле, нет тока - нет магнитного поля.
2. Магнитное поле меняется (увеличивается или уменьшается) - в катушке индуцируется ЭДС.
3. Обратная ЭДС зажигает светодиоды, следовательно обладает для этого энергией.
Давайте на основании фактов проектировать устройства. Теорию оставим ученым.
Надеюсь на понимание.

Теоретиков буду удалять.


обратная эдс никогда не превысит не обратную 😬

_________________
Все новое - переосмысленное старое по новому, но не \\\"хорошо забытое старое\\\"...В. Стогов


missioner | Post:879392 - Date: 04.02.25(13:04)
viknel Пост: 879322 От 03.Feb.2025 (09:33)
Как я надеюсь, на форуме собрались ПРАКТИКИ, а не теоретики!
Есть ФАКТЫ:
...

Теоретиков буду удалять.
Молодец, значит в следующем своём посте ты покажешь уже сделанную тобой практически конструкцию по поводу которой начал тему.. Если нет? Тогда будут вопросы относительно словоблудов в теме...

_________________
Здесь хранится СЕ суперавтотрансгенератор https://www.skif.biz/index.php?name=Forums&file=viewtopic&p=875842#875842 https://disk.yandex.ru/d/T_H9tIHpXVb8dw Дополненная версия с видео: https://disk.yandex.ru/d/RUQMOtXIHzRo7Q


viknel | Post:879429 - Date: 04.02.25(18:37)
missioner Пост: 879392 От 04.Feb.2025 (10:04)
viknel Пост: Теоретиков буду удалять.
Молодец, значит в следующем своём посте ты покажешь уже сделанную тобой практически конструкцию по поводу которой начал тему.. Если нет? Тогда будут вопросы относительно словоблудов в теме...

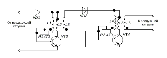
О проделанной мной работе написано и в первом посте и в последующих. Для этого надо пойти на 1-ю страницу и почитать. Приведены схемы, описание процесса. ВременнАя диаграмма и схема включания соседних катушек.
Могу только добавить, что частота задающего генератора низкая. Между его импульсами проходит серия импульсов от цепочки катушек. Так мы экономим энергию от блока питания и получаем дополнительную энергию от работы цепочки катушек.

AlexKP | Post:879919 - Date: 09.02.25(21:49)
viknel Пост: 879429 От 04.Feb.2025 (15:37)
missioner Пост: 879392 От 04.Feb.2025 (10:04)
viknel Пост: Теоретиков буду удалять.
Молодец, значит в следующем своём посте ты покажешь уже сделанную тобой практически конструкцию по поводу которой начал тему.. Если нет? Тогда будут вопросы относительно словоблудов в теме...

О проделанной мной работе написано и в первом посте и в последующих. Для этого надо пойти на 1-ю страницу и почитать. Приведены схемы, описание процесса. ВременнАя диаграмма и схема включания соседних катушек.
Могу только добавить, что частота задающего генератора низкая. Между его импульсами проходит серия импульсов от цепочки катушек. Так мы экономим энергию от блока питания и получаем дополнительную энергию от работы цепочки катушек.


- критерий истины - ТОЛЬКО практика. Математические модели штука весьма коварная. Если ты не понимаешь их (моделей) свойств и границ применимости, то... Лажа обеспечена.😀

Опять же... Ты имел дело с обратноходовыми преобразователями?
Там же как: сначала накапливается энергия в магнитном поле, а потом переливается в нагрузку. Что это значит? А то, что чем больше ты забираешь на первой ступени своего девайса, тем меньше остается для следующей.

Судя по всему, ручками ты свой прожект не воплощал в жисть, поэтому
будешь упираться и долдонить, что я не прав.
Увы и ах. Тут даже паять не обязательно.
Прогони в симуляторе и посмотри результат.

Antek | Post:880201 - Date: 12.02.25(21:18)
viknel,в своей ветке разместил видео,там чел рассказывает,что делал бтг на таком принципе,как у тебя,только упрощенный вариант,когда самоиндукция с одной катушки передается на вторую,а с второй на первую и так происходит накопление энергии.

YouTube: Смотреть видео

_________________
А вы друзья как не садитесь-все в музыканты не годитесь.


viknel | Post:880229 - Date: 13.02.25(13:12)
AlexKP Пост: 879919 От 09.Feb.2025 (18:49)
Опять же... Ты имел дело с обратноходовыми преобразователями? Там же как: сначала накапливается энергия в магнитном поле, а потом переливается в нагрузку. Что это значит? А то, что чем больше ты забираешь на первой ступени своего девайса, тем меньше остается для следующей.

Читай и вникай в написанное! Где сказано, что я забираю энергию из первой ступени? Обратный импульс используется (после формирования)для запуска следующей катушки. Нагрузка подключается к катушке сбора энергии. В этой катушке наводятся магнитные поля от каждого импульса в цепочке последовательно соединенных катушек.
А насчет "ручками" ты опять ошибся! Все этапы проверены в работе. Об этом написано! Читать надо всю тему, а не только выборочно последний пост.

viknel | Post:881009 - Date: 23.02.25(18:37)
1. Хорошо известно, что при подаче импульса тока в катушке возникает магнитное поле. После окончания импульса магнитное поле «сбрасывается» вырабатывая в катушке импульс ОЭДС, напряжение которого во много раз превышает напряжение источника питания. При этом энергия запускающего импульса и импульса ОЭДС почти равны.
Импульсы ОЭДС широко используются при проектировании электронных устройств. Например для зажигания светодиодов от низковольтных источников питания (батареи на 1,5 вольта). Для создания высоковольтных преобразователей. Обратно ходовых преобразователей напряжения.
В данной работе предлагается использовать импульс ОЭДС первой катушки для возбуждения (создания магнитного потока) во второй катушке. Как показали эксперименты это вполне возможно. Для этого необходимо включить между катушками схему формирователя импульсов (ФИ). Таким формирователем является обычный блокинг генератор (БГ).
image

Единственное условие правильной работы схемы выдача БГ одного импульса на один импульс ОЭДС.
Соединяя катушки последовательно через ФИ, получим последовательность импульсов. Первый импульс — запускающий, энергозатратный, от генератора. Остальные это последовательность импульсов, на которые энергия от источника питания не расходовалась.
Как пример можно привести линейку поставленных на «попа» кирпичей. Толкнем первый кирпич. Падая, он толкнёт второй и так далее. Если интересно посмотрите видео по адресу:
YouTube: Смотреть видео

Для проверки был собран макет из 4-х катушек, соединенных через ФИ (смотри схему). Первая катушка подключена к генератору импульсов. На остальных катушках осциллографом наблюдались импульсы, постепенно уменьшающейся амплитуды. Уменьшение амплитуды импульсов не превышает 10% от катушки к катушке.
Итак: мы научились создавать цепочку катушек, в каждой из которых поочередно возникает магнитное поле. Своего рода «цепную реакцию» по длине цепи.

2. Проведем простой эксперимент. Возьмем две одинаковые катушки. На одну катушку подадим импульсы от генератора и назовем ее «генераторной». Вторую катушку нагрузим на светодиод (приемная катушка). Начнем сближать катушки. Светодиод начнет светиться. Чем ближе катушки друг к другу, тем ярче светит светодиод. Максимальное свечение, когда катушки сдвинуты вплотную. Причем потребление тока генератором, при сближении катушек, меняется очень мало. В этом эксперименте использован эффект НАВЕДЕННОГО МАГНИТНОГО ПОЛЯ. На эту тему можно найти много интересного в сети.
Вывод: используя этот эффект можно собрать конструкцию, состоящую из цепочки последовательно соединенных катушек (рассмотренных выше) и приемной катушки. Причем в приемной катушке будет наводиться последовательность импульсов от каждой из катушек. Наведенное МП меньше, чем МП самой катушки. На сколько меньше зависит от многих параметров и для каждой конструкции будет разное.
Подбирая количество катушек, число витков каждой из обмоток, можно получить выход энергии больше, чем затрачено на входе. Это возможно за счет дополнительных («бесплатных») импульсов, полученных от цепочки последовательно подключенных катушек. Никакие законы классической физики при этом не нарушаются. Используется свойство ферритов возвращать энергию запасенного магнитного поля в катушку при размагничивании. Работы в этом направлении продолжаются.


Размер: 3.96 KB

Ihtiandr | Post:881087 - Date: 25.02.25(05:00)
viknel Видео с кирпичами вводит в заблуждение.
Их сначала кто-то поставил вертикально.
Поднял центр масс над землей.
Создал запас потенциальной механической энергии.

После падения все израсходовалось.
Без работы руками по поднятию, "волна" опять не пойдет.



Причем потребление тока генератором, при сближении катушек, меняется очень мало. В этом эксперименте использован эффект НАВЕДЕННОГО МАГНИТНОГО ПОЛЯ. На эту тему можно найти много интересного в сети.

Это ВЧ трансформатор. Про него сразу надо в сети искать.
Узнаешь условия, когда ток в первичке мало меняется от нагрузки во вторичке или увеличении взаимной индукции.

Подбирая количество катушек, число витков каждой из обмоток, можно получить выход энергии больше, чем затрачено на входе. Это возможно за счет дополнительных («бесплатных») импульсов, полученных от цепочки последовательно подключенных катушек. Никакие законы классической физики при этом не нарушаются. Используется свойство ферритов возвращать энергию запасенного магнитного поля в катушку при размагничивании. Работы в этом направлении продолжаются.


ОЭДС стало бесплатной?
Очень напоминает Мельниченку, который долго носился со своим трансформатором и посылал всех, кто предлагал нормальные измерения.

_________________
Человек создан для счастья, как птица для работы


viknel | Post:881096 - Date: 25.02.25(13:39)
viknel Видео с кирпичами вводит в заблуждение.
Их сначала кто-то поставил вертикально.
Поднял центр масс над землей.
Создал запас потенциальной механической энергии.
После падения все израсходовалось.
Без работы руками по поднятию, "волна" опять не пойдет.

Про кирпичи - все правильно! Для электричества мы тоже создаем специальную схему, которая аналог "поднятию кирпичей". Эта схема формирует из ОЭДС импульс для запуска очередной катушки. И, действительно, запускает. Проверил и запускаю цепочку катушек поочередно сформированными импульсами.
Теперь про Мельниченко. У него каждый импульс затратный. Снимает в нагрузку ОЭДС. В этом варианте получить СЕ принципиально невозможно. Импульс ОЭДС это затрата на создание импульса запуска минус потери.
От него берем только эффект НАВЕДЕННОГО МАГНИТНОГО ПОЛЯ.

В моем случае затратный ТОЛЬКО первый (затравочный) импульс от генератора. Остальные импульсы в цепочке катушек это производные от ОЭДС предыдущей катушки. На эти "производные" импульсы энергия от генератора и источника питания не расходовалась.


Ihtiandr | Post:881100 - Date: 25.02.25(15:33)
viknel Странно, что тебя так вставляет от термина НАВЕДЕННОЕ МП.
Это просто не собственное, а от внешнего источника.

Про кирпичи и свою затею ты почему-то не можешь понять с точки зрения энергии.

Сначала кирпичи лежат на боку цепочкой.
Потом ты один рукой резко толкнул в сторону вертикали.
Он подтолкнул следующий и дальше по цепочке.
Ты затратил энергию только для первого кирпича, а остальные без затратно вертикально подскакивают?

Точно так же с твоей цепочкой.

Вот архив или твой же или очень похожий.

И Базаров пол года назад пытался выдать похожее на ферритах и катушках, но долго блудил в формулах
a91cdb.zip
Размер: 465.75 KB

_________________
Человек создан для счастья, как птица для работы


viknel | Post:881210 - Date: 26.02.25(19:17)
На голове стоять стрёмно. Зачем это делать?
Я просто предлагаю использовать энергию ОЭДС не для свечения светодиода и не для получения эффектов от ВВ напряжения. Энергии ОЭДС вполне достаточно для создания МП в следующей в цепи катушки. Проводил эксперименты и активизировал последовательно до 4-х катушек. Каждая запитывалась от ОЭДС предыдущей. Если есть возможность - проверь сам. Только есть одно условие: сама по себе ОЭДС не работает. Из нее надо сформировать импульс с крутыми фронтами. В первом приближении подходит блокинг генератор. Схему я приводил.
Дерзай и все у тебя получится.

zimnyaya | Post:881211 - Date: 26.02.25(20:00)
viknel Пост: 881096 От 25.Feb.2025 (10:39)

Про кирпичи - все правильно! Для электричества мы тоже создаем специальную схему, которая аналог "поднятию кирпичей". Эта схема формирует из ОЭДС импульс для запуска очередной катушки. И, действительно, запускает. Проверил и запускаю цепочку катушек поочередно сформированными импульсами.
Теперь про Мельниченко. У него каждый импульс затратный. Снимает в нагрузку ОЭДС. В этом варианте получить СЕ принципиально невозможно. Импульс ОЭДС это затрата на создание импульса запуска минус потери.
От него берем только эффект НАВЕДЕННОГО МАГНИТНОГО ПОЛЯ.

В моем случае затратный ТОЛЬКО первый (затравочный) импульс от генератора. Остальные импульсы в цепочке катушек это производные от ОЭДС предыдущей катушки. На эти "производные" импульсы энергия от генератора и источника питания не расходовалась.

Кажется, что вы не очень понимаете, что такое магнитное поле.
Оно всегда переносит энергию и в вашем случае, оно тоже ее перенесёт.
Совершенно не важно, потребляет кто-то ее в нагрузку, или нет, главное что от первого импульса она уйдёт куда то.
И этот процесс будет циклично повторяться.
Магнитное поле нельзя волшебно размножить, не разделив перед этим энергию, которое оно переносит.
А делать бегущие огни на транзисторах из книжки юного радиолюбителя можно и на лампочках, не обязательно вставлять туда катушки.

_________________
Желудь-теоретик знает, как вырасти в дуб (c) Кнышев


Antek | Post:881225 - Date: 27.02.25(11:25)
Губошлепка,а как же у Хаббарда работало?viknel,хоть и не правильно обьясняет суть,но проводит эксперименты в правильном направлении.Просто нужно создать условия для длительного звона сердечника после токового удара импульсом тока.Автор ветки напротив давит этот эффект до одного импульса.Прибавка получается именно в виде резонансных колебаний катушек каждой секции,а далее происходит суммирование энергии с накоплением ее от секции к секции.Снимать нужно тоже не просто повесив нагрузку на общую катушку сьема,а в моменты звона резонансной системы и именно,когда колебания уже набрали амплитуду и мощность (т.н.рыбки),оставляя часть их энергии для поддержания циклического процесса.Общая СИНХРОНИЗАЦИЯ процессов нужна.А так все по старинке,как и в любом бтг все те же процессы с теми же физическими свойствами,но в более сложном виде.Начинать нужно с одной катушки,с одного каскада и в нем получить прибавку,такой себе однотакт,как у Валерия и многих остальных,кто в теме.Принцип кругом один,хоть исполнение и конструктив визуально различны.

_________________
А вы друзья как не садитесь-все в музыканты не годитесь.


viknel | Post:882473 - Date: 14.03.25(13:00)
ПРАВИЛЬНО или НЕПРАВИЛЬНО может говорить ТОЛЬКО человек, собравший реально работающий генератор!

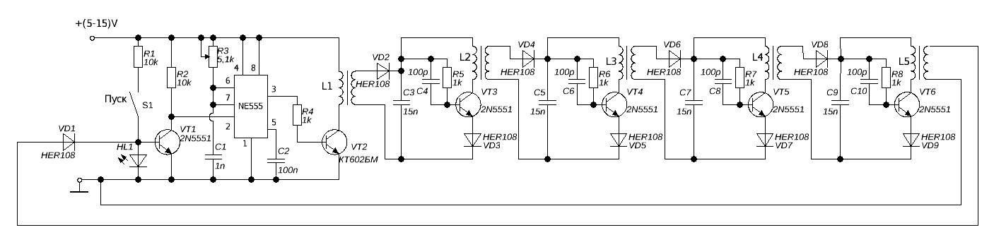
Генератор Хаббарда состоит из двух блоков: блок генерации и блок выхода (суммирующий блок).
Блок генерации. Этот блок представляет собой многофазный мультивибратор., выполненный на последовательно соединенных катушках с сердечниками. Катушки расположены по кругу, в центре которого расположен блок выхода (суммирующий блок). Ниже приведена схема многофазного мультивибратора.

Работа схемы. При нажатии на кнопку «Пуск» одновибратор на микросхеме N555 выдает один импульс на катушку L1. Питание одновибратора осуществляется от аккумулятора или батареи. Импульс обратной ЭДС (ОЭДС) через диод VD2 подается на схему формирователя, выполненную на транзисторе VT3. Конденсатор С3 заряжается и дает временнУю задержку на открытие транзистора. После открытия транзистора через L2 начинает течь ток. Диод VD3 обеспечивает отсечку тока и закрытие транзистора. В результате на катушке формируется импульс с крутым задним фронтом. Катушка L2 обесточивается, а на ее обмотках появляется ОЭДС, которая поступает на следующий каскад мультивибратора. Так происходит до тех пор, пока не сработает последняя катушка в цепи. Импульс ОЭДС с последней катушки соединен через диод VD1 со входом одновибратора. Светодиод HL1 служит для индикации работы блока генерации. Он срабатывает от кнопки «Пуск» и при каждом запуске одновибратора.
Таким образом мы получаем непрерывную генерацию импульсов, причем в каждом такте задействована только одна катушка. Импульсы в катушках вызывают появление магнитного поля. Импульсы в катушках одно полярные. Поскольку намотка соседних катушек выполнена в разных направлениях (правая, следующая — левая, снова правая и так далее), то магнитное поле генерируется переменное. В каждом такте направление поля меняется на противоположное.
Что бы не усложнять схему на ней показаны только 5 катушек. В реальной конструкции количество катушек, как и у Хаббарда, равно 8.
Схем была собрана и показала свою работоспособность. Отмечу, что еще, по крайней мере у одного человека, схема работает.
Итог: если правильно использовать скрытую энергию (свойства) феррита, то из одной порции энергии от блока питания можно получить серию импульсов, практически равных энергии первого импульса.
Работы продолжаются.


Размер: 82.58 KB

Antek | Post:882474 - Date: 14.03.25(13:13)
Мелкий вопрос,откуда энергия,которая суммируется?

_________________
А вы друзья как не садитесь-все в музыканты не годитесь.


viknel | Post:882479 - Date: 14.03.25(13:42)
Antek Пост: 882474 От 14.Mar.2025 (10:13)
Мелкий вопрос,откуда энергия,которая суммируется?


"Вам шашечки или ехать?"
В феррит при изготовлении было заложено много энергии. Эту "скрытую" энергию принято называть "свойство". Если правильно использовать эту энергию (свойство), то можно получать её (энергию) частями в проектируемых устройствах.
Примеры: постоянный магнит, пружина. Мы пользуемся ими, не задумываемся как магнит удерживает груз, почему пружина восстанавливает свою форму. На это не тратится энергия?
Все покрывается неопределенным словом "СВОЙСТВО".

Antek | Post:882480 - Date: 14.03.25(13:56)
В таком случае первый импульс должен давать импульс самоиндукции с прибавкой,а у тебя он меньший,как ты рассказывал.

_________________
А вы друзья как не садитесь-все в музыканты не годитесь.


viknel | Post:882481 - Date: 14.03.25(14:01)
Не понял сказанного.
Давай не теоретизировать, а, если можешь, собери хотя бы пару катушек и посмотри своими глазами что получится.

viknel | Post:882509 - Date: 14.03.25(18:11)
Феррит НЕ ДОБАВЛЯЕТ,а призводит! Он возвращает в электричество энергию, затраченную минус потери.


street | Post:882528 - Date: 14.03.25(22:32)
viknel Пост: 882509 От 14.Mar.2025 (15:11)
Феррит НЕ ДОБАВЛЯЕТ,а призводит! Он возвращает в электричество энергию, затраченную минус потери.


Т.е. пружинко обыкновенный...
Или нет?

Ну и , как ты из пружинки СЕ добыть собрался?


_________________
Главное в мелочах


experienced62 | Post:882532 - Date: 15.03.25(00:30)
street Пост:
Ну и , как ты из пружинки СЕ добыть собрался?



Не проблема. Проведите простой опыт:
Возьмите школьную линейку (любую. можно пружинку из авторучки) . Один ее конец жестко зафиксируйте. Напротив второго с небольшим зазором положите шарик скомканный из листа бумаги так , что бы он не касался линейки.
Оттяните и отпустите линейку, что должно произойти ?
ЗСЭ гласит - линейка должна вернутся в исходное состояние и на этом все завершится.
А что на деле ? На деле линейка не только возвращается в исходное состояние, а проскочив его умудряется ОТТОЛКНУТЬ шарик на что , разумеется , требуется энергия. Вот Вам наглядный пример генерации СЕ в механических системах.
В основе генерации СЕ лежит ПРИНЦИП , а принцип не зависит от агрегатного состояния. Потому СЕ генераторы могут быть какие угодно. Пневматические, гидравлические, электрические ... разница будет лишь в конкретной схеме реализации.
Вы вправе спросить меня - так что ? Выходит при генерации СЕ не выполняется Закон Сохранения Энергии ?
Спешу Вас успокоить. Выполняется .


AlexKP | Post:882849 - Date: 18.03.25(20:18)
Оттяните и отпустите линейку, что должно произойти ?
ЗСЭ гласит - линейка должна вернутся в исходное состояние и на этом все завершится.
А что на деле ? На деле линейка не только возвращается в исходное состояние, а проскочив его умудряется ОТТОЛКНУТЬ шарик на что , разумеется , требуется энергия. Вот Вам наглядный пример генерации СЕ в механических системах.


- Это что-то новое.. Пружина как источник халявы?
Доказательства - в СТУДИЮ!
Не словесные упражнения, ессно, а что-то повесомее🤢

Antek | Post:886440 - Date: 14.05.25(18:57)
YouTube: Смотреть видео

_________________
А вы друзья как не садитесь-все в музыканты не годитесь.


Tog | Post:886445 - Date: 14.05.25(19:26)
street Пост: 882528 От 14.Mar.2025 (19:32)

Ну и , как ты из пружинки СЕ добыть собрался?


А давай рассусолим слегка😎
Допустим, мы растянули пружину на расстояние n. И отпустили её, какое расстояние пройдёт пружина в колебании до её успокоения?
Расстояние во много раз превышает n карл😬
Чем не превышение затраченного расстояния?
Факт, только голые факты.
Просто зри в корень карл😎

_________________
Фак-ты


<] [ 1 | 2 | 3 ]
У Вас нет прав отвечать в этой теме.
Форум - Магнитные генераторы - Генератор Хаббарда - Генератор Хаббарда 2025 - Стр 3
🏠 Главная | 📚 Содержание | 💬 Форум | 📁 Файлы | 📩 Контакт