[ВХОД]
17.04.26(04:57)

mob.skif.biz

Альтернативная энергия. Оставь надежду, всяк сюда входящий...

🏠 Главная | 📚 Содержание | 💬 Форум | 📁 Файлы | 📩 Контакт
 
Резонансные генераторы
Магнитные генераторы
Механические центробежные (вихревые) генераторы
Электростатические генераторы
Водородные генераторы
Ветро- и гидро- и солнечные генераторы
Прочие идеи (разные)
О форуме
Транспорт
Оружие
Научные идеи, теории, предположения...
Экономия топлива
Коммерческие вопросы
Струйные технологии
Торсионные генераторы
Новые технологии
Барахолка
Патентный отдел
Конструкторское бюро
Нейтронная физика
Торнадо и смерчи
Гравитация и антигравитация
Сделай сам. Советы.
Медицина и здравоохранение

🖥️ | 🖨️

Форум - Электростатические генераторы - Электростатика - Бифилярная катушка Никола Тесла (valeralap) - Стр:391
<] [ 1 | ... 381 | 382 | 383 | 384 | 385 | 386 | 387 | 388 | 389 | 390 | 391 | 392 | 393 | 394 | 395 | 396 | 397 | 398 | 399 | 400 | 401 | ... | 482 ] [>
Модератор: valeralap
Первый пост темы: valeralap Post: #626158 От:08.06.2019 (08:37)
Различного рода абстрактные не связанные с темой выступления, будут удалятся. Все конструктивное будет приветствоваться. Можно оказывать помощь в виде оформления или правки, если сочтете за необходимость. Если активность будет низкая, то-от этого будет зависеть скорость вашего продвижения.
zimnyaya | Post:874220 - Date: 22.10.24(18:03)
valeralap Пост: 874173 От 22.Oct.2024 (05:12)
зимняя Пост: 874163 От 21.Oct.2024 (18:46)
BAP Пост: 874161 От 21.Oct.2024 (17:39)
valeralap Пост: 873956 От 18.Oct.2024 (13:23)

Это мое видео... На нем видно зазор в трансформаторе. Нету катушки вообще! Но есть бифиляр! Транс в резонансе, но он только модулятор!
Высоковольтная часть схемы питается от сети! Потребление 74вт ток на нагрузке почти 24а напряжение на нагрузке 230в само запит не делался!...
Проверялась узко направленная идея.
Интересно. На видео нагрузка вроде как лампа примерно 1 киловатт. Что ещё входит в нагрузку на этом видео?

Там еще много неувязок.
Лампа ранее объявлялось, что на 500 вт.
При этом, если трансформатор в резонансе и недогружен, то напряжение на нем и 600 вольт и 1000 будет легко.
Данные при полной нагрузке 24 ампера и 230 вольт, соответственно сколько вольт будет с лампой, потребляющей всего 2 ампера, можно прикинуть.
Что-то не сходится, в общем


zimnyaya,- по классике, мощность зависит от тока в цепи, при условии, что принято какое-то стандартное напряжение. Открой патент Капанадзе
по моему на память, под цифрой 9 скелетной схемы, подпись загадочного элемента схемы,- усилитель тока!.
У меня к тебе вопрос? Мне зачем,- резонанс НАПРЯЖЕНИЯ? Открой схему сварочного трансформатора Буденного. Само слово сварочный трансформатор, требует больших токов! Напряжение ведь стандартное сетевое! И что мы видим? Резонанс токов!... Барсетка на гвозде!...
Но я ведь не просто так сказал, трансформатор только модулятор?
Что является усилителем тока?...

Резонанс напряжений или токов вызывает один и тот же эффект - повышения тока в резонансном контуре и повышение напряжения на его реактивных элементах.
Но я про ваши слова говорила, а не про это.
24 ампера и 230 вольт в контуре и на нангрузке - это разные вещи.
Вы выше написали, что на нагрузке, следовательно лампа в 500 ватт для такого контура будет очень большой недогрузкой.
И напряжения с токами резко подскочат.
Тем не менее на видео не заметно, чтобы был сильный перекал у нити, вот у меня одно с другим и не сходится.

_________________
Желудь-теоретик знает, как вырасти в дуб (c) Кнышев


BAP | Post:874221 - Date: 22.10.24(18:11)
Валерий Иосифович, спасибо за ответ. Я то же почему то думал что НЧ контур участвует в разряде. Оказывается всё упирается только в усиление бифилярки.

Толик | Post:874222 - Date: 22.10.24(18:14)
BAP Пост: 874221 От 22.Oct.2024 (15:11)
Валерий Иосифович, спасибо за ответ. Я то же почему то думал что НЧ контур участвует в разряде. Оказывается всё упирается только в усиление бифилярки.
Поддерживаю, все что думали все раньше, оказалось наоборот. Поэтому должно быть очень хорошее усиление в бифе.

Tog | Post:874223 - Date: 22.10.24(18:25)
Толик Пост: 874222 От 22.Oct.2024 (15:14)
Поддерживаю, все что думали все раньше, оказалось наоборот. Поэтому должно быть очень хорошее усиление в бифе.

Скажи вот, усиление до-в бифе-или после бифа?
Как считаешь, где оно?

_________________
Фак-ты


valeralap | Post:874226 - Date: 22.10.24(19:14)
zimnyaya Пост: 874220 От 22.Oct.2024 (15:03)
valeralap Пост: 874173 От 22.Oct.2024 (05:12)
зимняя Пост: 874163 От 21.Oct.2024 (18:46)
BAP Пост: 874161 От 21.Oct.2024 (17:39)
valeralap Пост: 873956 От 18.Oct.2024 (13:23)

Это мое видео... На нем видно зазор в трансформаторе. Нету катушки вообще! Но есть бифиляр! Транс в резонансе, но он только модулятор!
Высоковольтная часть схемы питается от сети! Потребление 74вт ток на нагрузке почти 24а напряжение на нагрузке 230в само запит не делался!...
Проверялась узко направленная идея.
Интересно. На видео нагрузка вроде как лампа примерно 1 киловатт. Что ещё входит в нагрузку на этом видео?

Там еще много неувязок.
Лампа ранее объявлялось, что на 500 вт.
При этом, если трансформатор в резонансе и недогружен, то напряжение на нем и 600 вольт и 1000 будет легко.
Данные при полной нагрузке 24 ампера и 230 вольт, соответственно сколько вольт будет с лампой, потребляющей всего 2 ампера, можно прикинуть.
Что-то не сходится, в общем


zimnyaya,- по классике, мощность зависит от тока в цепи, при условии, что принято какое-то стандартное напряжение. Открой патент Капанадзе
по моему на память, под цифрой 9 скелетной схемы, подпись загадочного элемента схемы,- усилитель тока!.
У меня к тебе вопрос? Мне зачем,- резонанс НАПРЯЖЕНИЯ? Открой схему сварочного трансформатора Буденного. Само слово сварочный трансформатор, требует больших токов! Напряжение ведь стандартное сетевое! И что мы видим? Резонанс токов!... Барсетка на гвозде!...
Но я ведь не просто так сказал, трансформатор только модулятор?
Что является усилителем тока?...

Резонанс напряжений или токов вызывает один и тот же эффект - повышения тока в резонансном контуре и повышение напряжения на его реактивных элементах.
Но я про ваши слова говорила, а не про это.
24 ампера и 230 вольт в контуре и на нангрузке - это разные вещи.
Вы выше написали, что на нагрузке, следовательно лампа в 500 ватт для такого контура будет очень большой недогрузкой.
И напряжения с токами резко подскочат.
Тем не менее на видео не заметно, чтобы был сильный перекал у нити, вот у меня одно с другим и не сходится.


На мой взгляд самым информативным видео Капанадзе является БТГ 2004г.
Там четко видно, что в качестве модулятора применен инвертор. Но инвертор нечего не питает! С выхода инвертора потребляется около 66вт.
Усиление происходит только в конструкции катушки так как потребляется 66вт выходит 5000вт то общее усиление равно 75 раз. Вот тут придётся скрипеть мозгами, очень нестандартное решение, ты негде не могла в практике подобное встречать. Честно признаюсь, без обширных материалов Капанадзе, мне не решить данную тему. Любое несоответствие которое находил путем расследования работ его установок, проверял опытным путем и когда находил недостающий эффект приспосабливал к своей схеме.
Цифра 75 раз это около 37дб. Сама подумай на такую добротность способен в радиотехнике только кварц. При очень узкой полосе. Но это ведь силовое устройство! Капанадзе проговорился, он был полностью уверен, что некто из последователей даже близко не приблизится к пониманию его идей. Идея проста, но очень защищена... Слова Тариеля Капанадзе,- резонанс в резонансе!... Вот тут 37дб в самый раз притом очень широкой полосе, а это усиление по мощности... Все,- что хотел сказать,- сказал...

_________________
Чтобы слушать Иисуса Христа, нужно быть, хотя бы его апостолом!


Antek | Post:874229 - Date: 22.10.24(19:38)
Всё,теперь Зимняя сделает,а всем остальным учите матчасть.😎

_________________
А вы друзья как не садитесь-все в музыканты не годитесь.


missioner | Post:874231 - Date: 22.10.24(19:42)
valeralap Пост: 874226 От 22.Oct.2024 (16:14)
.... Слова Тариеля Капанадзе,- резонанс в резонансе!... ...Все,- что хотел сказать,- сказал...
В принципе мне одна схема такая известна,она даёт увеличение и по току как при параллельном резонансе и увеличение по напряжению как при последовательном. Левый, конденсатор небольшой ёмкости резонирует хорошо как при последовательном резонансе с индуктивностью увеличивая напряжение в контуре а правый резонирует как при параллельном. Причём всё очень хорошо происходит если сумма двух ёмкостей равна ёмкости которая нужна чтобы с индуктивностью справа получался максимальный резонанс при отдельно или параллельном или при последовательном резонансе. У меня как уже не раз показывал,в качестве индуктивности использовался трансформатор с разнесёнными обмотками вторичка которого КЗ. Недавно нашёл трансформатор ОСМ хорошей мощности с половинящимся сердечником, можно будет делать как у Валеры,зазор в сердечнике для уменьшения индуктивности обмотки вместо КЗ чтобы зря не греть КЗ обмотки .


Размер: 10.41 KB

_________________
Здесь хранится СЕ суперавтотрансгенератор https://www.skif.biz/index.php?name=Forums&file=viewtopic&p=875842#875842 https://disk.yandex.ru/d/T_H9tIHpXVb8dw Дополненная версия с видео: https://disk.yandex.ru/d/RUQMOtXIHzRo7Q


Antek | Post:874232 - Date: 22.10.24(19:46)
У Д.Смита как правильно складывать.😎

_________________
А вы друзья как не садитесь-все в музыканты не годитесь.


Tog | Post:874234 - Date: 22.10.24(19:52)
У меня как уже не раз показывал,в качестве индуктивности использовался трансформатор с разнесёнными обмотками вторичка которого КЗ.

Меня смущает слово КЗ.
под КЗ подразумеваю дикую потерю мощности от этого.
и где наша выгода?

_________________
Фак-ты


missioner | Post:874235 - Date: 22.10.24(19:55)
Я иначе не мог резонансов с приличными токами добиться, кроме разных ферро.. Я же показывал свои резонансы под 50-60 ампер при потреблений около восьми-десяти с напряжениями под 300в, далее пробки срабатывали

_________________
Здесь хранится СЕ суперавтотрансгенератор https://www.skif.biz/index.php?name=Forums&file=viewtopic&p=875842#875842 https://disk.yandex.ru/d/T_H9tIHpXVb8dw Дополненная версия с видео: https://disk.yandex.ru/d/RUQMOtXIHzRo7Q


Tog | Post:874238 - Date: 22.10.24(20:00)
missioner Пост: 874235 От 22.Oct.2024 (16:55)
Я иначе не мог резонансов с приличными токами добиться, кроме разных ферро

А других способов разве нет?
Как хотим получить большой ток, нам обязательно нужно что то замкнуть, закоротить, коротнуть. Да по сильнее и по мощнее. Чтоб искры везде были, и из глаз тоже чтоб шли

_________________
Фак-ты


missioner | Post:874239 - Date: 22.10.24(20:01)
Так я же говорю,надо переходить на способ Валеры. Иначе для параллельного резонанса только как у меня, трансформатор с разнесёнными на разные керны обмотками. В обычном трансформаторе без разнесённых обмоток параллельный резонанс ни в жисть не получишь, разве что в феррорезонанс влетишь. А замкнутая обмотка у меня снижает индуктивность первички и позволяет использовать очень большие ёмкости для резонанса и соответственно получаю очень большие токи при 50 герцах

_________________
Здесь хранится СЕ суперавтотрансгенератор https://www.skif.biz/index.php?name=Forums&file=viewtopic&p=875842#875842 https://disk.yandex.ru/d/T_H9tIHpXVb8dw Дополненная версия с видео: https://disk.yandex.ru/d/RUQMOtXIHzRo7Q


Tog | Post:874241 - Date: 22.10.24(20:09)
missioner Пост: 874239 От 22.Oct.2024 (17:01)
Так я же говорю,надо переходить на способ Валеры. В обычном трансформаторе без разнесённых обмоток параллельный резонанс ни в жисть не получишь, разве что в феррорезонанс влетишь

Вот нравится мне слово одно, я его выделил.
что то есть в нём таинственное и непонятное.
как ты это понимаешь по своему? Как это выглядит?

_________________
Фак-ты


missioner | Post:874244 - Date: 22.10.24(20:45)
Первичка сама по себе на одном керне, вторичка сама по себе,не над или под первичкой а в стороне от неё, может быть и на другом керне. Ослабленная от этого магнитная связь

_________________
Здесь хранится СЕ суперавтотрансгенератор https://www.skif.biz/index.php?name=Forums&file=viewtopic&p=875842#875842 https://disk.yandex.ru/d/T_H9tIHpXVb8dw Дополненная версия с видео: https://disk.yandex.ru/d/RUQMOtXIHzRo7Q


sbal | Post:874245 - Date: 22.10.24(20:47)
Что сказать то хотел? 😊

_________________
в пути...


missioner | Post:874248 - Date: 22.10.24(21:18)
sbal Пост: 874245 От 22.Oct.2024 (17:47)
Что сказать то хотел? 😊
Всё что хотел и о чём спросили. И да... Мощная нагрузка на вторичке тоже помогает поддерживать параллельный резонанс в первичке.

_________________
Здесь хранится СЕ суперавтотрансгенератор https://www.skif.biz/index.php?name=Forums&file=viewtopic&p=875842#875842 https://disk.yandex.ru/d/T_H9tIHpXVb8dw Дополненная версия с видео: https://disk.yandex.ru/d/RUQMOtXIHzRo7Q


zimnyaya | Post:874274 - Date: 22.10.24(23:54)
valeralap Пост: 874226 От 22.Oct.2024 (16:14)
zimnyaya Пост: 874220 От 22.Oct.2024 (15:03)
valeralap Пост: 874173 От 22.Oct.2024 (05:12)
зимняя Пост: 874163 От 21.Oct.2024 (18:46)
BAP Пост: 874161 От 21.Oct.2024 (17:39)
valeralap Пост: 873956 От 18.Oct.2024 (13:23)

Это мое видео... На нем видно зазор в трансформаторе. Нету катушки вообще! Но есть бифиляр! Транс в резонансе, но он только модулятор!
Высоковольтная часть схемы питается от сети! Потребление 74вт ток на нагрузке почти 24а напряжение на нагрузке 230в само запит не делался!...
Проверялась узко направленная идея.
Интересно. На видео нагрузка вроде как лампа примерно 1 киловатт. Что ещё входит в нагрузку на этом видео?

Там еще много неувязок.
Лампа ранее объявлялось, что на 500 вт.
При этом, если трансформатор в резонансе и недогружен, то напряжение на нем и 600 вольт и 1000 будет легко.
Данные при полной нагрузке 24 ампера и 230 вольт, соответственно сколько вольт будет с лампой, потребляющей всего 2 ампера, можно прикинуть.
Что-то не сходится, в общем


zimnyaya,- по классике, мощность зависит от тока в цепи, при условии, что принято какое-то стандартное напряжение. Открой патент Капанадзе
по моему на память, под цифрой 9 скелетной схемы, подпись загадочного элемента схемы,- усилитель тока!.
У меня к тебе вопрос? Мне зачем,- резонанс НАПРЯЖЕНИЯ? Открой схему сварочного трансформатора Буденного. Само слово сварочный трансформатор, требует больших токов! Напряжение ведь стандартное сетевое! И что мы видим? Резонанс токов!... Барсетка на гвозде!...
Но я ведь не просто так сказал, трансформатор только модулятор?
Что является усилителем тока?...

Резонанс напряжений или токов вызывает один и тот же эффект - повышения тока в резонансном контуре и повышение напряжения на его реактивных элементах.
Но я про ваши слова говорила, а не про это.
24 ампера и 230 вольт в контуре и на нангрузке - это разные вещи.
Вы выше написали, что на нагрузке, следовательно лампа в 500 ватт для такого контура будет очень большой недогрузкой.
И напряжения с токами резко подскочат.
Тем не менее на видео не заметно, чтобы был сильный перекал у нити, вот у меня одно с другим и не сходится.


На мой взгляд самым информативным видео Капанадзе является БТГ 2004г.
Там четко видно, что в качестве модулятора применен инвертор. Но инвертор нечего не питает! С выхода инвертора потребляется около 66вт.
Усиление происходит только в конструкции катушки так как потребляется 66вт выходит 5000вт то общее усиление равно 75 раз. Вот тут придётся скрипеть мозгами, очень нестандартное решение, ты негде не могла в практике подобное встречать. Честно признаюсь, без обширных материалов Капанадзе, мне не решить данную тему. Любое несоответствие которое находил путем расследования работ его установок, проверял опытным путем и когда находил недостающий эффект приспосабливал к своей схеме.
Цифра 75 раз это около 37дб. Сама подумай на такую добротность способен в радиотехнике только кварц. При очень узкой полосе. Но это ведь силовое устройство! Капанадзе проговорился, он был полностью уверен, что некто из последователей даже близко не приблизится к пониманию его идей. Идея проста, но очень защищена... Слова Тариеля Капанадзе,- резонанс в резонансе!... Вот тут 37дб в самый раз притом очень широкой полосе, а это усиление по мощности... Все,- что хотел сказать,- сказал...

По моему мы на разных языках говорим.
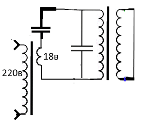
Есть исходные условия, которые известны:
1.Параллельный контур
2.Емкость 160 мкф
3.Индуктивность первички подогнаннная под резонанс 50 гц
4.Нагрузка подключена к контуру параллельно, при этом в ней якобы должен протекать ток 24А и напряжение на контуре должно быть при данной нагрузке 230В
5.Видео, в котором к контуру подключена лампа 500Вт, горящая без перекала
Так же мы видим, что конструкция простая, без каких либо регулировок и обратных всязей, позволяющих снижать петлевое усиление.
Очевидно, что пункты 4 и 5 друг другу противоречат, о чем я и говорю уже третий раз.

А что касается Капанадзе, его устройство нельзя "вычислить" по патентам, его можно только переизобрести.
У меня тоже есть его репликация, которая удовлетворяет всем критериям.
Его стройство можно разделить на две части "испаритель" и "конденсатор".
В том, что "испаритель" сделан абсольтно так же, как у Капанадзе, я уверена на 100%, а вот в части "конденсатора", скорее всего у нас с ним расхождения, потому что был найден способ, как получить еще большее усиление.
Это всё я говорю относительно видео гринбокс 2004г., которое действительно является самым информативным.

_________________
Желудь-теоретик знает, как вырасти в дуб (c) Кнышев


valeralap | Post:874282 - Date: 23.10.24(07:08)
zimnyaya | Post: 874274 - Date: Tue, 22 Oct 2024 (20:54)
По моему мы на разных языках говорим.
Есть исходные условия, которые известны:
1.Параллельный контур
2.Емкость 160 мкф
3.Индуктивность первички подогнаннная под резонанс 50 гц
4.Нагрузка подключена к контуру параллельно, при этом в ней якобы должен протекать ток 24А и напряжение на контуре должно быть при данной нагрузке 230В
5.Видео, в котором к контуру подключена лампа 500Вт, горящая без перекала
Так же мы видим, что конструкция простая, без каких либо регулировок и обратных всязей, позволяющих снижать петлевое усиление.
Очевидно, что пункты 4 и 5 друг другу противоречат, о чем я и говорю уже третий раз.

А что касается Капанадзе, его устройство нельзя "вычислить" по патентам, его можно только переизобрести.
У меня тоже есть его репликация, которая удовлетворяет всем критериям.
Его стройство можно разделить на две части "испаритель" и "конденсатор".
В том, что "испаритель" сделан абсольтно так же, как у Капанадзе, я уверена на 100%, а вот в части "конденсатора", скорее всего у нас с ним расхождения, потому что был найден способ, как получить еще большее усиление.
Это всё я говорю относительно видео гринбокс 2004г., которое действительно является самым информативным.

Стандартов на мышление не существует! Можно говорить об уровнях и не более того.
Так как ты разобралась с усилением да еще лучше чем я, что по сути мы называем керосином или халявой. Всю (халяву, керосин, конденсат, халявный ток,) я направляю на нагрузку, а только потом на раскачку контура, образованного обмоткой трансформатора и емкостью 160мкф. Нагрузка ограничивает ток в контуре. Максимальный ток который у меня в установке вырабатывался не превышал 24а это то что проходило в виде так называемого (усиления, халявы, керосина, халявного тока.) Думаю теперь ты поняла, что контур просто резонирует на своей резонансной частоте 50гц в режиме холостого хода! Контур нужен только для получения стандартного напряжения 220в 50гц и он работает в режиме холостого хода!...
Мне удалось понять и выполнить условие Тариеля Капанадзе РЕЗОНАНС в РЕЗОНАНСЕ!!!...
Дальше только схемотехника у каждого свой уровень, тут кто чем располагает и какой опыт имеет, все индивидуально.

Для меня,- тема полностью себя исчерпала...



_________________
Чтобы слушать Иисуса Христа, нужно быть, хотя бы его апостолом!


BAP | Post:874324 - Date: 23.10.24(15:40)
valeralap Пост: 863029 От 10.May.2024 (17:33)


В классической физике считается законом, что МАССА при ускорении частиц растет. На этом явлении базируются все ускорители элементарных частиц, кто с этим будет спорить? Но электрон так же относится к элементарным частицам. Я предположил, и отошел от классического взгляда только в одном, ЭЛЕКТРОН МЕНЯЕТ СВОИ ЛЕНЕЙНЫЕ РАЗМЕРЫ ПРИ УСКОРЕНИИ ИЛИ ТОРМОЖЕНИИ. Это уже другая физика, здесь меняется внутренняя энергия электрона без изменения массы. Все мой выложенные опыты привязаны строго к данному понятию, поэтому плохо повторяемы при классическом восприятии. Спасибо за поздравление...
"...ЭЛЕКТРОН МЕНЯЕТ СВОИ ЛЕНЕЙНЫЕ РАЗМЕРЫ ПРИ УСКОРЕНИИ ИЛИ ТОРМОЖЕНИИ...Все мой выложенные опыты привязаны строго к данному понятию, поэтому плохо повторяемы при классическом восприятии..." Валерий Иосифович, хочу уточнить это высказывание так же относится в полной мере и к видео "работа трансформатора в резонансе" или это другие эксперименты?

valeralap | Post:874333 - Date: 23.10.24(17:52)
BAP Пост: 874324 От 23.Oct.2024 (12:40)
valeralap Пост: 863029 От 10.May.2024 (17:33)


В классической физике считается законом, что МАССА при ускорении частиц растет. На этом явлении базируются все ускорители элементарных частиц, кто с этим будет спорить? Но электрон так же относится к элементарным частицам. Я предположил, и отошел от классического взгляда только в одном, ЭЛЕКТРОН МЕНЯЕТ СВОИ ЛЕНЕЙНЫЕ РАЗМЕРЫ ПРИ УСКОРЕНИИ ИЛИ ТОРМОЖЕНИИ. Это уже другая физика, здесь меняется внутренняя энергия электрона без изменения массы. Все мой выложенные опыты привязаны строго к данному понятию, поэтому плохо повторяемы при классическом восприятии. Спасибо за поздравление...
"...ЭЛЕКТРОН МЕНЯЕТ СВОИ ЛЕНЕЙНЫЕ РАЗМЕРЫ ПРИ УСКОРЕНИИ ИЛИ ТОРМОЖЕНИИ...Все мой выложенные опыты привязаны строго к данному понятию, поэтому плохо повторяемы при классическом восприятии..." Валерий Иосифович, хочу уточнить это высказывание так же относится в полной мере и к видео "работа трансформатора в резонансе" или это другие эксперименты?


Не знаю успел ты прочитать пост или нет, влезли два цензора я их снес, а за одно и свой пост. Если прочел, не буду восстанавливать, а так повторю.

_________________
Чтобы слушать Иисуса Христа, нужно быть, хотя бы его апостолом!


BAP | Post:874334 - Date: 23.10.24(17:53)
Прочитал, спасибо. Намёк про трансформатор на чашках понял.

valeralap | Post:874335 - Date: 23.10.24(18:04)
BAP Пост: 874334 От 23.Oct.2024 (14:53)
Прочитал, спасибо. Намёк про трансформатор на чашках понял.

Ну и отлично... Если тонкости заинтересуют, заходи в личку... Для болтунов повода не будет, а тебе сгодится.

_________________
Чтобы слушать Иисуса Христа, нужно быть, хотя бы его апостолом!


Antek | Post:874352 - Date: 23.10.24(23:19)
Далеко от резонанса.

_________________
А вы друзья как не садитесь-все в музыканты не годитесь.


mikser | Post:874353 - Date: 23.10.24(23:37)
valeralap Пост: 638207 От 26.Aug.2019 (10:01)
Ghennady Пост: 638195 От 26.Aug.2019 (10:53)
valeralap
Не все сразу осознается, иногда проходит большой отрезок времени и ты понимаешь, что где-то это видел, а потом вспомнишь этот опыт и будешь думать, как-же все не справедливо, фактически смотрел на готовое решение которое сам сделал, не хватило связи понять это.

Как понимаю имеешь ввиду потенциала со стороны разрядника. Просто в свое время занимался достаточно известной громоздкой конструкции, в которой интерес представлял только сам преобразователь. В ней тоже получал подобное, что и в этой катушке. Но все было достаточно нестабильно, при малейшем изменении частоты, потенциал сразу исчезал.
Наверно стоит повторно вернуться к той конструкции и попробовать стабилизировать. Сопоставив работу этой катушки и тех полученных данных.


Да.- ты прав, надо вернутся и тщательно все проверить и запротоколировать. У меня много случаев из практики, создавались какие-то условия и я получал подарок судьбы. Не придав не какого значения надеясь, что в любое время смогу повторить разбирал установку. Потом пытался повторить и обнаруживал, что вообще нечего не могу понять, как она могла работать раньше. Пример, играясь с бифилярной катушкой совпали какие-то условия и я получил сильнейший эффект выталкивания предметов. Кроме бифилярной катушки и не совсем обычного источника высокого напряжения, больше нечего не было. О самом источнике я и задумываться не собирался, а бифилярная катушку я намотаю в любое время. Наигрался и убрал потом провод понадобился, катушку размотал. Источник высокого напряжения тоже толь сгорел или новый сделал, короче забыл.
Де-то через год вспомнил про этот эффект, и решил его повторить и к ужасу понял, что его нет этого эффекта. Напряг память, нашел тот же каркас восстановил катушку полностью и кое-как восстановил источник по памяти, ушло на это почти пол года. Вот тут произвел все замеры, осциллограммы, номиналы деталей и даже способ монтажа заснял, только потом успокоился. Больше так не делаю, все в мельчайших подробностях и на флешку, да еще и не на одну.

Из поста valeralap: Играясь с бифилярной катушкой совпали какие то условия и я получил СИЛЬНЕЙШИЙ ЭФФЕКТ ВЫТАЛКИВАНИЯ ПРЕДМЕТОВ. Кроме биф.катушки и НЕ СОВСЕМ ОБЫЧНОГО ИСТОЧНИКА НАПРЯЖЕНИЯ,больше ничего не было.
Вот и Валера на практике подтверждает,что биф.катушка сильный ЭЛЕКТРОМАГНИТ,которым на видео "Резонансный тр-р.Работа под нагрузкой" он воздействует на сердечник тр-ра для условия параметрического резонанса.


mikser | Post:874358 - Date: 24.10.24(00:44)
valeralap Пост: 648423 От 06.Nov.2019 (13:53)
БЮВ Пост: 648411 От 06.Nov.2019 (15:19)
valeralap Пост: 648372 От 06.Nov.2019 (03:57)

В наборе изменяющихся параметров для возникновения параметрического резонанса имеем индуктивность и емкость. С емкостью у вас не получается, так кто вам мешает менять индуктивность?!
Емкости тоже есть переменные, но для низких напряжений. А вот для того чтобы менять C или L нужно энергию тратить, то исть откуда то её брать, из самого контура не получится, мюнхгаузен не прокатит.😘


Конденсаторы у меня стояли обычные масленые, только пробивное напряжение 1000в для подстраховки. У же упоминал, что на 400в одна у меня взорвалась.
Выходит из логики, емкость не менялась. А с индуктивностью все просто, ее я и менял, за счет маховика...

.

<] [ 1 | ... 381 | 382 | 383 | 384 | 385 | 386 | 387 | 388 | 389 | 390 | 391 | 392 | 393 | 394 | 395 | 396 | 397 | 398 | 399 | 400 | 401 | ... | 482 ] [>
У Вас нет прав отвечать в этой теме.
Форум - Электростатические генераторы - Электростатика - Бифилярная катушка Никола Тесла (valeralap) - Стр 391
🏠 Главная | 📚 Содержание | 💬 Форум | 📁 Файлы | 📩 Контакт