[ВХОД]
11.04.26(07:31)

mob.skif.biz

Альтернативная энергия. Оставь надежду, всяк сюда входящий...

🏠 Главная | 📚 Содержание | 💬 Форум | 📁 Файлы | 📩 Контакт
 
Резонансные генераторы
Магнитные генераторы
Механические центробежные (вихревые) генераторы
Электростатические генераторы
Водородные генераторы
Ветро- и гидро- и солнечные генераторы
Прочие идеи (разные)
О форуме
Транспорт
Оружие
Научные идеи, теории, предположения...
Экономия топлива
Коммерческие вопросы
Струйные технологии
Торсионные генераторы
Новые технологии
Барахолка
Патентный отдел
Конструкторское бюро
Нейтронная физика
Торнадо и смерчи
Гравитация и антигравитация
Сделай сам. Советы.
Медицина и здравоохранение

🖥️ | 🖨️

Форум - Резонансные генераторы - Прочие резонансные генераторы - Действующий(?) трансгенератор - Стр:49
<] [ 1 | ... 39 | 40 | 41 | 42 | 43 | 44 | 45 | 46 | 47 | 48 | 49 | 50 | 51 | 52 | 53 | 54 | 55 | 56 | 57 | 58 ] [>
Модератор: missioner
Первый пост темы: missioner Post: #354949 От:04.03.2012 (13:16)
Некоторое время назад я сообщал о своём трансформаторе,на котором я получил(?) СЕ. Ниже выкладываю дополненный текст своей статьи из файлов,где описал этот случай. Читать начиная с четвёртой страницы.Ну а если не сразу понятно о чём речь то читать с самого начала. Было бы хорошо если админ поменял оригинал из файлов на этот переработанный документ
Документ в двух вариантах,Ворд 2007 и PDF
missioner | Post:849678 - Date: 05.01.24(13:35)
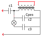
Как показали последующие опыты есть ещё один способ снятия энергий последовательно-параллельного резонанса помимо трансформатора тока... Это намотка дополнительной съёмной обмотки по Маркову поверх всего трансформатора. На рисунке не показано. В опытах при питаний схемы напряжением в 28,7 вольт я получал напряжения на резонансных конденсаторах(160 последовательный и 100 параллельный) за 160 вольт и токи в 22 ампера,при том что из источника(28,7 вольт всё же идёт 8 ампер(недостаток последовательного резонанса)


Размер: 1.33 KB

_________________
Здесь хранится СЕ суперавтотрансгенератор https://www.skif.biz/index.php?name=Forums&file=viewtopic&p=875842#875842 https://disk.yandex.ru/d/T_H9tIHpXVb8dw Дополненная версия с видео: https://disk.yandex.ru/d/RUQMOtXIHzRo7Q


spaceon | Post:849696 - Date: 05.01.24(14:53)
не сеешники, а какие то грустные манекены. 1 Вы только мучиите провода и железо. а энергия из розетки, я забыл?

_________________
форумм альтернативных питушариев


missioner | Post:849727 - Date: 05.01.24(21:38)
Дополнительно могу к сказанному добавить следующее. Провёл дополнительные опыты с последовательным и параллельным резонансом одновременно работающими в контуре. Увеличение последовательного конденсатора(С1) до 200 мкф с одновременным снижением ёмкости параллельного(С2) до 60 мкф(иначе резонанс пропадает) привело к увеличению тока резонанса и тока в КЗ-вторичке до 30 ампер но при этом и из источника потребление выросло до 20ампер,т.е. последовательный резонанс начинает в этом случае превалировать.. Напомню что напряжение источника питания 28,7 вольт. Напряжения на конденсаторах стали выше 300 вольт. Видимо имеет смысл снизив питаюшее напряжение вообще вольт до 8-ми и применив ещё более мощный последовательный и ещё меньшей ёмкости параллельный конденсатор попробовать вырастить резонансные напряжения и токи вольт до 500 и ампер до 70. И это при питаний всего 9-ю вольтами. Правда, думаю что и ток питающий схема будет жрать ампер до 40, но при этом питание будет всего 360 ватт,это если без учёта косинусов которые при применений такой большой последовательной ёмкости будут обязательно. А с их учётом потребление вообще не такое уж и большое.

Небольшой анализ этой схемы показывает что если бы мы пытались запрячь последовательный резонанс то замкнутая вторичка транса его бы тут же гасила. Но применение вдобавок к нему параллельного резонанса наоборот требует замкнутой, т.е. нагруженной сильно вторички. И в этой схеме все эти противоречия прекрасно нейтрализуют друг друга давая на выходе увеличение как тока так и напряжения в контуре. Т.е. чем более увеличиваем С1 и одновременно с этим уменьшаем С2 тем меньшее питающее напряжение можно использовать в схеме. И при этом размах резонансных токов и напряжений наоборот увеличивается

Кстати иногда,при определённых параметрах попытка снятия энергий с контура вот таким как показано способом(лампой и третьим конденсатором) приводит к тому что лампа горит мерцающим светом частотой герц 10, т.е. такая цепочка формирует рыбки напряжения на лампе. Это к сведению последователей Лапыча которые пытаются добиться рыбок...


Размер: 2.13 KB

_________________
Здесь хранится СЕ суперавтотрансгенератор https://www.skif.biz/index.php?name=Forums&file=viewtopic&p=875842#875842 https://disk.yandex.ru/d/T_H9tIHpXVb8dw Дополненная версия с видео: https://disk.yandex.ru/d/RUQMOtXIHzRo7Q


experienced62 | Post:849729 - Date: 05.01.24(21:57)
Вы, собственно, какую цель преследуете проводя эти эксперименты ?

Вот Вам добрый совет: установите программу симулятор, например Мультисим. С его помощью Вы легко, быстро, ДЕШЕВО и самое главное, благодаря наличию электронных приборов с помощью которых можно посмотреть, что именно происходит в данный момент времени в том или ином узле, разберетесь в происходящем и наметите пути дальнейшего движения.

missioner | Post:849730 - Date: 05.01.24(22:02)
Я уже наметил дальнейшие пути,сказал немного о них в посте. Теперь нужно преодолеть лень и разобрать вновь пробитый монстер-транс. Цель-Снизить питание до 9 вольт которые мне сможет выдавать монстр после ремонта и добиться резонансных напряжений вольт 600-700. Всё внимание будет уделено энергий которая при этом будет набираться в С1. Её ёмкость будет очень большой....Схему снятия части этой энергий нарисовал.

_________________
Здесь хранится СЕ суперавтотрансгенератор https://www.skif.biz/index.php?name=Forums&file=viewtopic&p=875842#875842 https://disk.yandex.ru/d/T_H9tIHpXVb8dw Дополненная версия с видео: https://disk.yandex.ru/d/RUQMOtXIHzRo7Q


experienced62 | Post:849731 - Date: 05.01.24(22:13)
Пардон, я так ничего и не понял. Ну снизите. А зачем ?

missioner | Post:849736 - Date: 05.01.24(22:36)
Надо,Федя,надо😊

_________________
Здесь хранится СЕ суперавтотрансгенератор https://www.skif.biz/index.php?name=Forums&file=viewtopic&p=875842#875842 https://disk.yandex.ru/d/T_H9tIHpXVb8dw Дополненная версия с видео: https://disk.yandex.ru/d/RUQMOtXIHzRo7Q


experienced62 | Post:849738 - Date: 05.01.24(22:43)
Так ты сельский электрик !
Так бы сразу и написал, а я то не разобравшись принял тебя за что путное и приличное. 😊

spaceon | Post:849739 - Date: 05.01.24(22:50)
experienced62 Пост: 849738 От 05.Jan.2024 (19:43)
Так ты сельский электрик !
Так бы сразу и написал, а я то не разобравшись принял тебя за что путное и приличное. 😊
тише. он со мной. и справка у него есть.

_________________
форумм альтернативных питушариев


missioner | Post:849742 - Date: 05.01.24(23:08)
Чё разоткровенничались? Думаете от вашего наскока выдам военную тайну?😶

_________________
Здесь хранится СЕ суперавтотрансгенератор https://www.skif.biz/index.php?name=Forums&file=viewtopic&p=875842#875842 https://disk.yandex.ru/d/T_H9tIHpXVb8dw Дополненная версия с видео: https://disk.yandex.ru/d/RUQMOtXIHzRo7Q


experienced62 | Post:849754 - Date: 06.01.24(00:48)
Нельзя выдать то, чего нет . 😬

missioner | Post:849755 - Date: 06.01.24(01:17)
А проанализируешь схему с двумя резонансами в своём мультисиме и если она отображает реальность то увидишь то что я в реале увидел

_________________
Здесь хранится СЕ суперавтотрансгенератор https://www.skif.biz/index.php?name=Forums&file=viewtopic&p=875842#875842 https://disk.yandex.ru/d/T_H9tIHpXVb8dw Дополненная версия с видео: https://disk.yandex.ru/d/RUQMOtXIHzRo7Q


experienced62 | Post:849758 - Date: 06.01.24(01:27)
Ладно, давай исходные . Сделаю специально для тебя . Правда мне не ясно , что же в конце концов тебя интересует, но думаю по ходу дела разберемся.
Кстати, есть ли у тебя осциллограф ?

bazarov | Post:849764 - Date: 06.01.24(02:18)
experienced62 Пост: 849758 От 05.Jan.2024 (22:27)
Ладно, давай исходные . Сделаю специально для тебя . Правда мне не ясно , что же в конце концов тебя интересует, но думаю по ходу дела разберемся.
Кстати, есть ли у тебя осциллограф ?
У меня есть. Аналоговый в башке и цифровой, которым пару раз пользовался. Тебе какой надо?

_________________
Не хватит никакого здоровья, чтобы приспособиться к этому глубоко больному обществу(Кришна Мурти)/Горшки не Боги обжигают (многовековая классика)


experienced62 | Post:849765 - Date: 06.01.24(02:35)
Упс. Вопрос второй - умеешь ли ты ими пользоваться ? Башкой нет, это понятно. В твоем представлении насколько я понял, башка нужна для того, что бы ею кушать, да шапку носить
😬 😬 😬 😬 😬


missioner | Post:849774 - Date: 06.01.24(09:42)
experienced62 Пост: 849758 От 05.Jan.2024 (22:27)
Ладно, давай исходные . Сделаю специально для тебя . Правда мне не ясно , что же в конце концов тебя интересует, но думаю по ходу дела разберемся.
Кстати, есть ли у тебя осциллограф ?
Ну уж нет уж,ты если судить по твоему посту:

experienced62 Пост: 849765 От 05.Jan.2024 (23:35)
Упс. Вопрос второй - умеешь ли ты ими пользоваться ? Башкой нет, это понятно. В твоем представлении насколько я понял, башка нужна для того, что бы ею кушать, да шапку носить
😬 😬 😬 😬 😬
очень и очень шибко-шибко вумный,сам выставляй исходные данные,напряги, ёмкости,сам и анализируй.Я как-нибудь сам.... в натурных опытах...
Сами...всё сами.. раз уж спесь не можете убавить.

_________________
Здесь хранится СЕ суперавтотрансгенератор https://www.skif.biz/index.php?name=Forums&file=viewtopic&p=875842#875842 https://disk.yandex.ru/d/T_H9tIHpXVb8dw Дополненная версия с видео: https://disk.yandex.ru/d/RUQMOtXIHzRo7Q


missioner | Post:849839 - Date: 06.01.24(19:00)
Пустая ссылка

_________________
Здесь хранится СЕ суперавтотрансгенератор https://www.skif.biz/index.php?name=Forums&file=viewtopic&p=875842#875842 https://disk.yandex.ru/d/T_H9tIHpXVb8dw Дополненная версия с видео: https://disk.yandex.ru/d/RUQMOtXIHzRo7Q


spaceon | Post:849845 - Date: 06.01.24(19:17)
missioner Пост: 849839 От 06.Jan.2024 (16:00)
Пустая ссылка
если чел чюдило то чюдило во всём. и в даче ссылок тож 😊 руки-крюки

_________________
форумм альтернативных питушариев


missioner | Post:849885 - Date: 07.01.24(09:31)
Спасибо,было бы лучше если
было немного объяснений как это должно работать и откуда чего.., но мне надо чинить монстра а я валяюсь пластом сражённый гриппом. А суть того что я хочу сделать такая: если через конденсатор, к примеру, 600 мкф от источника питания( а он может быть вольта на два всего)... протекает ампер двести реактивного тока ( при этом как понятно наверное всем потребление от источника не более 400 ватт), то при этом напряжение на конденсаторе должно быть вольт 400(столько вольт нагонят в нём двухсотамперные токи). А если мы от этих токов с этого конденсатора отщипнём амперов 10 (как помним при 400 вольтах... то источник даже не заметит на фоне 200 ампер утрату 10 из них) то будем иметь на сторону уже четыре киловатта..... От источника, как помним, жрём всего 400 ватт... Примерно так.

_________________
Здесь хранится СЕ суперавтотрансгенератор https://www.skif.biz/index.php?name=Forums&file=viewtopic&p=875842#875842 https://disk.yandex.ru/d/T_H9tIHpXVb8dw Дополненная версия с видео: https://disk.yandex.ru/d/RUQMOtXIHzRo7Q


Antek | Post:849889 - Date: 07.01.24(11:05)
missioner Пост: 849885 От 07.Jan.2024 (06:31)
...но мне надо чинить монстра а я валяюсь пластом сражённый гриппом.

Чинить нужео так,чтобы неисправность не повторялась.

_________________
А вы друзья как не садитесь-все в музыканты не годитесь.


missioner | Post:849890 - Date: 07.01.24(11:18)
Antek Пост: 849889 От 07.Jan.2024 (08:05)

Чинить нужео так,чтобы неисправность не повторялась.
Это слишком умно

_________________
Здесь хранится СЕ суперавтотрансгенератор https://www.skif.biz/index.php?name=Forums&file=viewtopic&p=875842#875842 https://disk.yandex.ru/d/T_H9tIHpXVb8dw Дополненная версия с видео: https://disk.yandex.ru/d/RUQMOtXIHzRo7Q


Antek | Post:849892 - Date: 07.01.24(11:39)
Чего там умного,покажи место повреждения и многие тебе подскажут,как решить проблему.

_________________
А вы друзья как не садитесь-все в музыканты не годитесь.


missioner | Post:849893 - Date: 07.01.24(11:40)
Да я и сам знаю как решается. Делать надо...

_________________
Здесь хранится СЕ суперавтотрансгенератор https://www.skif.biz/index.php?name=Forums&file=viewtopic&p=875842#875842 https://disk.yandex.ru/d/T_H9tIHpXVb8dw Дополненная версия с видео: https://disk.yandex.ru/d/RUQMOtXIHzRo7Q


Antek | Post:849896 - Date: 07.01.24(11:54)
Станком мотаешь?

_________________
А вы друзья как не садитесь-все в музыканты не годитесь.


sharp | Post:849899 - Date: 07.01.24(12:01)
Пиши в ветке Лапутько [ссылка]

<] [ 1 | ... 39 | 40 | 41 | 42 | 43 | 44 | 45 | 46 | 47 | 48 | 49 | 50 | 51 | 52 | 53 | 54 | 55 | 56 | 57 | 58 ] [>
У Вас нет прав отвечать в этой теме.
Форум - Резонансные генераторы - Прочие резонансные генераторы - Действующий(?) трансгенератор - Стр 49
🏠 Главная | 📚 Содержание | 💬 Форум | 📁 Файлы | 📩 Контакт