[ВХОД]

ЛИЧНЫЕ СООБЩЕНИЯ 📝
МОЯ АНКЕТА 📋
ВЫЙТИ 🚪

🏠 Главная | 📚 Содержание | 💬 Форум | 📁 Файлы | 📩 Контакт

🖥️ | 🖨️

Форум - Резонансные генераторы - Прочие резонансные генераторы - Действующий(?) трансгенератор - Стр:46
<] [ 1 | ... 36 | 37 | 38 | 39 | 40 | 41 | 42 | 43 | 44 | 45 | 46 | 47 | 48 | 49 | 50 | 51 | 52 | 53 | 54 | 55 | 56 | ... | 58 ] [>
Модератор: missioner
Первый пост темы: missioner Post: #354949 От:04.03.2012 (13:16)
Некоторое время назад я сообщал о своём трансформаторе,на котором я получил(?) СЕ. Ниже выкладываю дополненный текст своей статьи из файлов,где описал этот случай. Читать начиная с четвёртой страницы.Ну а если не сразу понятно о чём речь то читать с самого начала. Было бы хорошо если админ поменял оригинал из файлов на этот переработанный документ
Документ в двух вариантах,Ворд 2007 и PDF
spaceon | Post: #845499 - Date: 24.11.23(00:49)
огромный ток? изобретаете индукционку или транс для точечной сварки?
какая крупнейшая река пиндостана? миссиписи ? 😬

_________________
28112018z@gmail.com


[ответить][с цитатой]
missioner | Post: #845510 - Date: 24.11.23(04:56)
И что? Чем тебе не угодили огромные токи и огромные напряжения у потребителя при минимальных токах и напряжениях от источника? Тем что ими можно обогреться или электромоторы заставить вращаться с большим крутящим моментом?
Чем тебе не нравится ситуация когда трансформатор преобразуя електричество на выход в другой трансформатор поставляет в десятки раз больший ток при в десятки раз большем напряжений чем в него поступило из источника без предварительного накапливания этих токов и напряжений в каом-нибудь накопителе? Тем что я не молчал как какие-нибудь ёршики которые орут на весь интернет что у них что то такое есть а показать и объяснить механизм и принцип работы не могут, оправдываясь тем что они гениальные а мы тупые и не достойны того чтобы их величество снизошло до нашего уровня и показало в реале вместе с объяснением механизма работы того что они придумали? И что такого ты, кошак срущий и ссущщий по всем темам Скифа, хорошего для альтернативной энергетики можешь предложить? У тебя есть что сказать по существу? Кроме того что заявлять: " Вижу что что то есть. Но того что вижу нет, оно только снится". Ладно что хоть политику партий правильно понимаешь.

_________________
Здесь хранится СЕ суперавтотрансгенератор https://www.skif.biz/index.php?name=Forums&file=viewtopic&p=875842#875842 https://disk.yandex.ru/d/T_H9tIHpXVb8dw Дополненная версия с видео: https://disk.yandex.ru/d/RUQMOtXIHzRo7Q


[ответить][с цитатой] - Правка 24.11.23(05:07) - missioner
Ihtiandr | Post: #845542 - Date: 24.11.23(12:43)
missioner Так что у тебя в результате получилось, если кратко?


_________________
Человек создан для счастья, как птица для работы


[ответить][с цитатой]
missioner | Post: #845547 - Date: 24.11.23(12:52)
Если кратко то автотрансформатор являвшийся поставщиком тока для суперавтотрансформатора заискрил с треском как при разряде конденсаторов заряженных вольт до ста между витками шин 9- вольтовых обмоток изолированных матерчатой изолентой при попытке запустить в схеме вольтодобавки и кончился. Замкнуло где то насмерть, при подключении к сети выбивает автоматы. Я его разобрал, надо перематывать изоляцию.

_________________
Здесь хранится СЕ суперавтотрансгенератор https://www.skif.biz/index.php?name=Forums&file=viewtopic&p=875842#875842 https://disk.yandex.ru/d/T_H9tIHpXVb8dw Дополненная версия с видео: https://disk.yandex.ru/d/RUQMOtXIHzRo7Q


[ответить][с цитатой] - Правка 24.11.23(09:54) - missioner
spaceon | Post: #845548 - Date: 24.11.23(12:59)
я не пойму, почему не устраивает 1-2 витка с приличным током как источник приличного тока? 😊

_________________
28112018z@gmail.com


[ответить][с цитатой]
missioner | Post: #845550 - Date: 24.11.23(13:34)
spaceon Пост: #845549 От 24.Nov.2023 (10:14)
а вы меня спрашивали миссионер какая величина будет в такой то точке схемы. а сами то знаете конечно ))) что такое, почему пробой обмоток? раскчали в резонансе напругу ? али другая причина?
Я уже писал про странный эффект когда в одном случае ток в шинах не большой, всего 20 ампер. а между витками пробивает как будто там по 200 вольт разницы а в другом случае и при 55 амперах ни одной искорки Писал что спалил два мультиметра при проверке напряжения на его концах с выставленным на 750 вольт пределом в то время как стрелочная цешка там показывает всего 10 вольт.Писал и про возможное объяснение этого факта
spaceon Пост: #845548 От 24.Nov.2023 (09:59)
я не пойму, почему не устраивает 1-2 витка с приличным током как источник приличного тока? 😊
Так был устроен мой трансформатор что он выдавал на две одинаковые толстые шины на двух половинках по 9 вольт и их я мог соединять или параллельно или последовательно.

_________________
Здесь хранится СЕ суперавтотрансгенератор https://www.skif.biz/index.php?name=Forums&file=viewtopic&p=875842#875842 https://disk.yandex.ru/d/T_H9tIHpXVb8dw Дополненная версия с видео: https://disk.yandex.ru/d/RUQMOtXIHzRo7Q


[ответить][с цитатой] - Правка 24.11.23(10:44) - missioner
Ihtiandr | Post: #845554 - Date: 24.11.23(14:24)
missioner Если кратко то автотрансформатор являвшийся поставщиком тока для суперавтотрансформатора заискрил с треском как при разряде конденсаторов заряженных вольт до ста между витками шин 9- вольтовых обмоток изолированных матерчатой изолентой при попытке запустить в схеме вольтодобавки и кончился. Замкнуло где то насмерть, при подключении к сети выбивает автоматы. Я его разобрал, надо перематывать изоляцию.


Как-то не впечатляет...
Лучше, чем у радиантистов, но не ощущается системного подхода.
Даже в описании.

С 12 года можно было перебрать все варианты с трансами и резонансами.

Надо какие-то новые идеи!
Какой-нибудь новый съем, что ли.

От себя советую собрать последний вариант в голове воедино и изложить совершенно другим языком и другой схемой.
Какому-нибудь воображаемому собеседнику, чтоб любой понял.

Новые идеи сами вылезут.

Чтоб не приходилось старую изоляцию перематывать.


_________________
Человек создан для счастья, как птица для работы


[ответить][с цитатой]
Ihtiandr | Post: #845555 - Date: 24.11.23(14:26)
Админ Кота кастрировать надо, а то много по углам гадит.

_________________
Человек создан для счастья, как птица для работы


[ответить][с цитатой]
missioner | Post: #845564 - Date: 24.11.23(16:35)
Я тебе уже сто раз писал чего я хочу. Если ты хотя бы начал чуть-чуть всасывать то ты бы понял. Мне нахрен не нужен на выходе большой ток при низком напряжений. Ты сказал уже что ничего в трансформаторах не понимаешь ну так чего же опять суёшься?

Ихтиандр, есть виртуальный источник с очень большой мощностью которую пока не получилось вытащить так чтобы можно было на халяву пользоваться. Но есть точки в которых эту мощность можно увидеть приборно. Есть резонанс который обладает свойством тянуть мощность из источника так как даже при коротком замыканий не вытаскивается. Задача, объединить эти два факта.

_________________
Здесь хранится СЕ суперавтотрансгенератор https://www.skif.biz/index.php?name=Forums&file=viewtopic&p=875842#875842 https://disk.yandex.ru/d/T_H9tIHpXVb8dw Дополненная версия с видео: https://disk.yandex.ru/d/RUQMOtXIHzRo7Q


[ответить][с цитатой]
Ihtiandr | Post: #845566 - Date: 24.11.23(17:23)
missioner Ихтиандр, есть виртуальный источник с очень большой мощностью которую пока не получилось вытащить так чтобы можно было на халяву пользоваться.
Но есть точки в которых эту мощность можно увидеть приборно.


Настораживает понятие.
Отступление от общепринятой терминологии обосновано, когда её не хватает.

На сколько я понял, ты решил не доверять традиционным методам описания цепей через L C R, да синусы с косинусами.

Просто комбинируешь элементы, питаешь от сети и измеряешь токи да напряжения.

Путь спорный, но вполне заслуживающий внимания на форуме по альтернативной энергетике.

Мне со стороны сложно понять результаты.
Растолкуй обычному человеку про источник виртуальной запредельной мощи

Это может многое прояснить.

Есть резонанс который обладает свойством тянуть мощность из источника так как даже при коротком замыканий не вытаскивается. Задача, объединить эти два факта.


Это будет второй серией разъяснений 😨

_________________
Человек создан для счастья, как птица для работы


[ответить][с цитатой]
missioner | Post: #845567 - Date: 24.11.23(17:39)
Ihtiandr Пост: #845565 От 24.Nov.2023 (14:22)
missioner Ихтиандр, есть виртуальный источник с очень большой мощностью которую пока не получилось вытащить так чтобы можно было на халяву пользоваться.
Но есть точки в которых эту мощность можно увидеть приборно.




На сколько я понял, ты решил не доверять традиционным методам описания цепей через L C R, да синусы с косинусами.

Просто комбинируешь элементы, питаешь от сети и измеряешь токи да напряжения.

.

Найди ошибку на рисунке из этого поста, считая что конденсатора там нет Сколько при этом проходит мощности через участок ограниченный красным прямоугольником из первички верхнего трансформатора в первичку нижнего? И я подробно же описал всё в статье про путь
энергий в такой схеме, зачем вновь повторяться? Про источник. Если в первичке трансформатора ток отстаёт(опережает) напряжение на 180 градусов то энергия при этом передаётся от первички во вторичку или наоборот, от вторички в первичку?

_________________
Здесь хранится СЕ суперавтотрансгенератор https://www.skif.biz/index.php?name=Forums&file=viewtopic&p=875842#875842 https://disk.yandex.ru/d/T_H9tIHpXVb8dw Дополненная версия с видео: https://disk.yandex.ru/d/RUQMOtXIHzRo7Q


[ответить][с цитатой] - Правка 24.11.23(14:46) - missioner
Ihtiandr | Post: #845570 - Date: 24.11.23(18:00)
missioner Щас рисовать лежа неудобно. Завтра тебе схему переделаю и все станет понятно.

_________________
Человек создан для счастья, как птица для работы


[ответить][с цитатой]
Ihtiandr | Post: #845615 - Date: 25.11.23(12:53)
missioner Вот так мне понятней

Тебя интересует, сколько мощи идет на обмотку 3 ?
Почему она из 1 обмотки туда идет, а не из сети?

Если на реактивности отставание тока от напряги больше 90 градусов, то вспомни о смысле этого явления.
Проверь правильность измерения полярностей.




Размер: 51.31 KB

_________________
Человек создан для счастья, как птица для работы


[ответить][с цитатой]
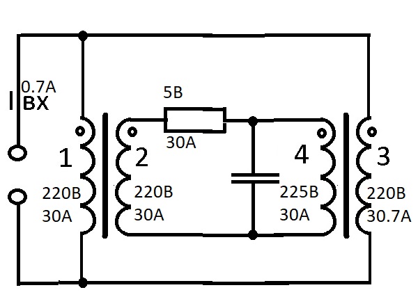
missioner | Post: #845617 - Date: 25.11.23(13:02)
Ihtiandr Пост: #845615 От 25.Nov.2023 (09:53)
missioner Вот так мне понятней

Тебя интересует, сколько мощи идет на обмотку 3 ?
Почему она из 1 обмотки туда идет, а не из сети?

Если на реактивности отставание тока от напряги больше 90 градусов, то вспомни о смысле этого явления.
Проверь правильность измерения полярностей.

Всё правильно. но пока конденсатор не учитывай,убери его. Сколько ватт проходит через синий прямоугольник? Я пока пытаюсь добавить изоляцию на обмотки трансформатора который будет выполнять роль токового автотрансформатора


Размер: 53.63 KB


Размер: 249.08 KB

_________________
Здесь хранится СЕ суперавтотрансгенератор https://www.skif.biz/index.php?name=Forums&file=viewtopic&p=875842#875842 https://disk.yandex.ru/d/T_H9tIHpXVb8dw Дополненная версия с видео: https://disk.yandex.ru/d/RUQMOtXIHzRo7Q


[ответить][с цитатой] - Правка 25.11.23(10:27) - missioner
missioner | Post: #845625 - Date: 25.11.23(13:35)
Ihtiandr Пост: #845615 От 25.Nov.2023 (09:53)

Почему она из 1 обмотки туда идет, а не из сети?
В первую обмотку она попадает из второй которой перепала бОльшая часть мощности поступающей из обмотки 4, конкретно 6600 Ватт. Всего из 4-й обмотки в цепь резистор-обмотка 2 идёт 6750 Ватт. !50 ватт остаётся на резисторе.
Далее по пути из первой обмотки в третью к этой мощности добавляется 150 ватт из сети и всё повторяется по кругу
image
Таким образом циркулирующая мощность замыкается сама на себя.

Резонанс обладает свойством вытягивать мощность из источника питания. Т.е. если его применить то он будет вместе с мощностью из источника питания вытягивать и мощность из этого виртуального источника поставляющего 6600Ватт, которую потом надо суметь перехватить. Или заставить её греть обмотки трансформаторов,если вытащить не получится, как предлагал Алекс,который КП
Т.е. если мы сейчас вытягиваем 150 ватт из розетки и получаем 6600 ватт в контуре из трансформаторов то вытащив дополнительно резонансным путём при тех же данных обмоток из розетки 600 ватт, в четыре раза больше,мы из виртуального источника попутно вытащим 6600x4= 26400 Ватт

_________________
Здесь хранится СЕ суперавтотрансгенератор https://www.skif.biz/index.php?name=Forums&file=viewtopic&p=875842#875842 https://disk.yandex.ru/d/T_H9tIHpXVb8dw Дополненная версия с видео: https://disk.yandex.ru/d/RUQMOtXIHzRo7Q


[ответить][с цитатой] - Правка 25.11.23(10:50) - missioner
missioner | Post: #845646 - Date: 25.11.23(17:37)
Обновил статью на Скайтехе [ссылка] , улучшил страницы, добавил номера страниц, добавил описание электродвигателя с якорем-супер-автотрансформатором. Непосредственная ссылка на статью: [ссылка]

_________________
Здесь хранится СЕ суперавтотрансгенератор https://www.skif.biz/index.php?name=Forums&file=viewtopic&p=875842#875842 https://disk.yandex.ru/d/T_H9tIHpXVb8dw Дополненная версия с видео: https://disk.yandex.ru/d/RUQMOtXIHzRo7Q


[ответить][с цитатой] - Правка 25.11.23(14:39) - missioner
Ihtiandr | Post: #845659 - Date: 25.11.23(20:14)
missioner У тебя мощность неприлично гулящая!
При параллельном включении аналогичных конструкций идет своим особым путем.

Потом почитаю твою статью, постараюсь понять, как до этого докатился.

Меня смущают токи. По общему входу очень мало, на в обмотках 1 и 3 много.
При схожих напрягах.
Это какой перекос фаз должен быть?

Ну и мощу простым умножением - так нельзя.


_________________
Человек создан для счастья, как птица для работы


[ответить][с цитатой]
missioner | Post: #845662 - Date: 25.11.23(20:39)
Ihtiandr Пост: #845659 От 25.Nov.2023 (17:14)
missioner У тебя мощность неприлично гулящая!
При параллельном включении аналогичных конструкций идет своим особым путем.

Потом почитаю твою статью, постараюсь понять, как до этого докатился.

Меня смущают токи. По общему входу очень мало, на в обмотках 1 и 3 много.
При схожих напрягах.
Это какой перекос фаз должен быть?

Ну и мощу простым умножением - так нельзя.

Перекоса фаз в варианте без конденсатора на втором трансе нет, на первом 180 градусов в обоих обмотках ,токи там текут строго против приложенного напряжения на вторичке первого против наведённого первичкой но синфазно приложенному от вторички второго трансформатора.А всё потому что первый трансформатор становится просто потребителем как ты говоришь,неприличной мощности поступающей из второго транса и передаёт её в сеть(но там оказывается подключенной первичка второго транса и забирает её обратно).

Вспомни как в аналогичной схеме опыта проведённого Евгением Токаревым на одном супер-автотрансформаторе он передаёт из первички во вторичку 103 ватта из которых на резисторе-нагрузке остаётся 26.5 ватт, и 12 ватт греют обмотки трансформатора. А сверхъединичные 64 из переданных во вторичку вновь достаются первичке, и к ним добавляется мощность из источника питания. В той схеме вторичная обмотка оказывается источником СЕ-мощности и нагружена на цепь: первичка-два амперметра-резистор.
Во как мозги надо наизнанку вывернуть чтобы понять как следствие становится причиной😳😳😳😎 😎 😊😕

И кстати, если бы там оказались задействованы косинусы фи и был перекос между напряжением и током во вторичной обмотке то сумма токов 0.77 и 1,28 показываемых двумя установленными там амперметрами не была бы равна 2,06 амперам показываемым третьим,кстати на сотку большим чем должно быть в сумме(погрешность амперметров).

Повторю вновь,трансформаторы и сами должны быть рассчитанными на такие мощности которые гуляют по ним. Если у тебя есть пара трансов схожих по параметрам то кто тебе самому мешает провести опыт с установкой счётчика мощности в синем прямоугольнике на схеме из этого поста ?


Кстати, как только Богатырь открыл свою тему со сдвинутыми по фазе источниками напряжений тут же все бросились проверять его схему на симуляторах и некоторые поняли что у него происходит то же самое,циркуляция мощности в цепочке из двух трансформаторов. А как её вытащить и сам Богатырь не знал,поэтому просто слинял.
Тут практически то же самое.Но симуляторщики засунули язЫки известно куда и молчат. А могли бы быстро на симуляторе проверить. Или проверили но молчат,ищут себе какую то выгоду? Ссылка на статью: [ссылка]

_________________
Здесь хранится СЕ суперавтотрансгенератор https://www.skif.biz/index.php?name=Forums&file=viewtopic&p=875842#875842 https://disk.yandex.ru/d/T_H9tIHpXVb8dw Дополненная версия с видео: https://disk.yandex.ru/d/RUQMOtXIHzRo7Q


[ответить][с цитатой] - Правка 26.11.23(08:10) - missioner
missioner | Post: #845711 - Date: 26.11.23(14:40)
Одна половинка восстановлена


Размер: 349.16 KB

_________________
Здесь хранится СЕ суперавтотрансгенератор https://www.skif.biz/index.php?name=Forums&file=viewtopic&p=875842#875842 https://disk.yandex.ru/d/T_H9tIHpXVb8dw Дополненная версия с видео: https://disk.yandex.ru/d/RUQMOtXIHzRo7Q


[ответить][с цитатой]
bazarov | Post: #845737 - Date: 26.11.23(18:16)
Ihtiandr Пост: #845659 От 25.Nov.2023 (17:14)

Ну и мощу простым умножением - так нельзя.

Можно, если нагрузка трансформатора чисто активная - резистор. Без конденсаторов. Учитываем КПД и получаем результат с погрешностью до 10%.

ПС. А что будет если Миссионеру в руки трансформатор тока с коэффициентом 1:50 на 10А попадёт? Страшно подумать... А слабо на трансформаторе тока на выходной обмотке последовательный резонанс сделать? 🙄

_________________
Не хватит никакого здоровья, чтобы приспособиться к этому глубоко больному обществу(Кришна Мурти)/Горшки не Боги обжигают (многовековая классика)


[ответить][с цитатой]
sbal | Post: #845746 - Date: 26.11.23(19:50)
Летом разобрал пяток 600/5, издеваюсь вот, как настой появляется.
И чо?

_________________
в пути...


[ответить][с цитатой]
bazarov | Post: #845747 - Date: 26.11.23(19:51)
sbal Пост: #845746 От 26.Nov.2023 (16:50)
Летом разобрал пяток 600/5, издеваюсь вот, как настой появляется.
И чо?
.....🙄..... в последовательный резонанс выходну катушку введи... и обязательно питай первичный виток меандром.... 🙄.... Дед, тут твоя помощь нужна... 🙄

_________________
Не хватит никакого здоровья, чтобы приспособиться к этому глубоко больному обществу(Кришна Мурти)/Горшки не Боги обжигают (многовековая классика)


[ответить][с цитатой]
sbal | Post: #845761 - Date: 26.11.23(23:52)
bazarov Пост: #845747 От 26.Nov.2023 (16:51)
sbal Пост: #845746 От 26.Nov.2023 (16:50)
Летом разобрал пяток 600/5, издеваюсь вот, как настой появляется.
И чо?
.....🙄..... в последовательный резонанс выходну катушку введи... и обязательно питай первичный виток меандром.... 🙄.... Дед, тут твоя помощь нужна... 🙄
Эт да, без него никак.
Мне всегда нравилось такое начало...

_________________
в пути...


[ответить][с цитатой]
missioner | Post: #845770 - Date: 27.11.23(07:51)
От деда одни ухмылки и издевательства.Уж на сковороде. Надо примерно так как на рисунке. Лишь бы опять пробивать не начало, оказалось у меня пробивало не между витками шины а между обмоткой из шины и основной, которая на 220. Прежних попыток организовать вольтодобавку на аналогичной схеме с токовым автотрансформатором не выдержала межобмоточная изоляция сделанная из нескольких слоёв стеклоткани, теперь попробую найти кусок электрокартона


Размер: 135.72 KB

_________________
Здесь хранится СЕ суперавтотрансгенератор https://www.skif.biz/index.php?name=Forums&file=viewtopic&p=875842#875842 https://disk.yandex.ru/d/T_H9tIHpXVb8dw Дополненная версия с видео: https://disk.yandex.ru/d/RUQMOtXIHzRo7Q


[ответить][с цитатой] - Правка 27.11.23(05:08) - missioner
sbal | Post: #845779 - Date: 27.11.23(11:18)
Почему пробило?

_________________
в пути...


[ответить][с цитатой]
<] [ 1 | ... 36 | 37 | 38 | 39 | 40 | 41 | 42 | 43 | 44 | 45 | 46 | 47 | 48 | 49 | 50 | 51 | 52 | 53 | 54 | 55 | 56 | ... | 58 ] [>

Форма ответа

😊 😛 😕 😀 😬 😎 🤔 😘 😕 🥴 😏 😶 😡 🙄 😭 😈 🤢 🤮 😁 😨 🤬 😝
Добавить файл: ≤ 1.95 MB
Описание файла:
Можно загружать только - jpg, jpeg, png, gif, pdf, doc, docx, zip
Если картинка больше чем 600х600, то отобразится ссылкой.
Форум - Резонансные генераторы - Прочие резонансные генераторы - Действующий(?) трансгенератор - Стр 46

🏠 Главная | 📚 Содержание | 💬 Форум | 📁 Файлы | 📩 Контакт