[ВХОД]
20.05.26(19:38)

mob.skif.biz

Альтернативная энергия. Оставь надежду, всяк сюда входящий...

🏠 Главная | 📚 Содержание | 💬 Форум | 📁 Файлы | 📩 Контакт
 
Резонансные генераторы
Магнитные генераторы
Механические центробежные (вихревые) генераторы
Электростатические генераторы
Водородные генераторы
Ветро- и гидро- и солнечные генераторы
Прочие идеи (разные)
О форуме
Транспорт
Оружие
Научные идеи, теории, предположения...
Экономия топлива
Коммерческие вопросы
Струйные технологии
Торсионные генераторы
Новые технологии
Барахолка
Патентный отдел
Конструкторское бюро
Нейтронная физика
Торнадо и смерчи
Гравитация и антигравитация
Сделай сам. Советы.
Медицина и здравоохранение

🖥️ | 🖨️

Форум - Электростатические генераторы - Электростатика - Бифилярная катушка Никола Тесла (valeralap) - Стр:190
<] [ 1 | ... 180 | 181 | 182 | 183 | 184 | 185 | 186 | 187 | 188 | 189 | 190 | 191 | 192 | 193 | 194 | 195 | 196 | 197 | 198 | 199 | 200 | ... | 485 ] [>
Модератор: valeralap
Первый пост темы: valeralap Post: #626158 От:08.06.2019 (08:37)
Различного рода абстрактные не связанные с темой выступления, будут удалятся. Все конструктивное будет приветствоваться. Можно оказывать помощь в виде оформления или правки, если сочтете за необходимость. Если активность будет низкая, то-от этого будет зависеть скорость вашего продвижения.
Antek | Post:766326 - Date: 03.02.22(15:17)
Ersh Пост: 766324 От 03.Feb.2022 (14:52)
Потребление-это не продолька!Ты такой упёртый

Доказывать ничего не буду. Когда нибудь задашь сам себе вопрос, конкретно. Что же это такое ток и напряжение.

Вот как раз интересна твоя точка зрения-что напряжение и ток-это продольная волна.А как же разнообразие форм сигналов,а постоянка?И почему эта продолька,так затыкается при обрыве цепи выключателем?А Тесловская продолька -отлично "валит" по воздуху и всё норовит "удрать" в землю.Ещё скажи,что их много разнообразных и у всех отличительные и сугубо индивидуальные свойства в каждом случае.

_________________
А вы друзья как не садитесь-все в музыканты не годитесь.


Antek | Post:766332 - Date: 03.02.22(15:43)
Так в чём проблема-пусти навстречу два тока по одному проводнику-что никак не взаимодействуют?Не сталкиваются?Они имеют разную природу или у них однотипных не существует взаимодействия?Что нужно-чтобы образовать продольку?

_________________
А вы друзья как не садитесь-все в музыканты не годитесь.


Antek | Post:766335 - Date: 03.02.22(15:51)
Ersh Пост: 766330 От 03.Feb.2022 (15:37)
Шоб долго не искали, про потоки и число Рейнольдса.--> [ссылка]
Усё как по Колькиным словам" электричество как вода" (не до словно)

И что ты хотел этим сказать-я гидравлику изучал.

_________________
А вы друзья как не садитесь-все в музыканты не годитесь.


Antek | Post:766337 - Date: 03.02.22(15:57)
Ersh Пост: 766331 От 03.Feb.2022 (15:40)
Если ты во что то не веришь- значит ты мало знаешь!

Я знаю мало.Знаешь больше,объясняй.

_________________
А вы друзья как не садитесь-все в музыканты не годитесь.


BAP | Post:766343 - Date: 03.02.22(17:33)
Ersh Пост: 766342 От 03.Feb.2022 (17:11)
Antek Пост: 766337 От 03.Feb.2022 (15:57)
Ersh Пост: 766331 От 03.Feb.2022 (15:40)
Если ты во что то не веришь- значит ты мало знаешь!

Я знаю мало.Знаешь больше,объясняй.

В гуру не подписывался. Все знания есть в открытом доступе, нужно только туда одну малость добавить. Это здравомыслие. Видеть то что зомбакам не дано. Измените точку зрения.... Меня никто не учил, кроме одного человека. Он сказал есть информация, а есть знания, знания достаются через практику и осмысление происходящего, с правильной постановкой вопросов.
И что я наблюдаю почти везде? Никто не хочет думать и делать...
Ты гордыню свою немного утихомирь. Пришёл на ветку , где Валерий Иосифович показал уже готовое устройство. Где твоё устройство?. Начинаешь упрёки раздавать. Мир многогранен. Каждый видит свою грань. Только сотрудничество может дать полную картину. Не думай , что другие хуже тебя...

tavil | Post:766345 - Date: 03.02.22(18:13)
Ersh, что скажешь по этому усилителю тока? как задумка тебе


Размер: 10.02 KB

tavil | Post:766353 - Date: 03.02.22(19:24)
Ersh, скажи мне и где тут трафик тока? В дросселе?


Размер: 51.54 KB

tavil | Post:766354 - Date: 03.02.22(20:02)
Экспериментировал с такой схемой.
Нашёл режим где при увеличении накачки ток потребления не увеличивается,
яркость лампочки увеличивается.
Как бы не пытал её , менял разные параметры, выжать с неё что то ощутимого не смог.
Выявил эффект коронного разряда, в перегоревшей лампочке, интересная вещь.
Нашёл режим интересный, при закорачивании лампочки проводом в 1.5мм, лампочка слегка только гаснет, но не полностью, так и не смог погасить её полностью, Явление Импеданса.
Ну вот не хватает скорости и всё тут, искусственно добавлял скорость заряда, нормально получалось, но потребление росло.
Где то надо найти эту дополнительную скорость заряда-разряда, из статики что ли её вытаскивать? но опять как?

Вспомнил про бифилярку, в ней же изменяется ёмкость, но опять как то не то получается.


Размер: 5.03 KB

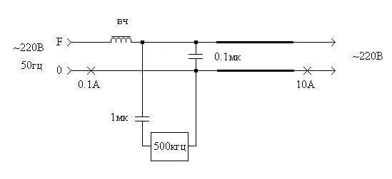
tavil | Post:766360 - Date: 03.02.22(21:28)
Глазастый Ersh 😎

Жирные линии это конденсатор, который 0.1мк дорисовал рядом
Два провода рядом, или две пластины


Размер: 15.30 KB

tavil | Post:766439 - Date: 04.02.22(16:02)
Что то так и не понял как этот бифиляр в резонанс вводить?
Уже и накачку сделал для тдкс-а, и трансформатор на феррите испробовал.
Какой то интересный резонанс должен получиться, вернее всего настройка в резонанс не стандартная.

Antek | Post:766445 - Date: 04.02.22(17:20)
tavil Пост: 766439 От 04.Feb.2022 (16:02)
Что то так и не понял как этот бифиляр в резонанс вводить?
Уже и накачку сделал для тдкс-а, и трансформатор на феррите испробовал.
Какой то интересный резонанс должен получиться, вернее всего настройка в резонанс не стандартная.

Да и Валера рассказывал как,но сообщения он потёр и я его не нашёл.В общем нужно совмещать два резонанса на ТДКСе и два на бифиляре.Сначала находим волновой на 1/4 и LC -на 3-ей гармонике на ТДКСе.

_________________
А вы друзья как не садитесь-все в музыканты не годитесь.


tavil | Post:766447 - Date: 04.02.22(18:40)
Antek Пост: 766445 От 04.Feb.2022 (17:20)
Да и Валера рассказывал как,но сообщения он потёр и я его не нашёл.В общем нужно совмещать два резонанса на ТДКСе и два на бифиляре.Сначала находим волновой на 1/4 и LC -на 3-ей гармонике на ТДКСе.


Спасибо, какой то не понятный резонанс.

Провёл эксперимент с такой схемой.
Нашёл интересный эффект, при подключении к питанию, меня ощутимо било током от металлического стула, выяснил, что виновата земля, при отключении земли ни чего не происходило.
И искра иногда пробивала аж 7 см, разрядники ни куда не подключены.


Размер: 3.35 KB

tavil | Post:766448 - Date: 04.02.22(19:08)
Ни как не пойму, почему щиплет то от железа, оно на расстоянии, и земля тут причём? И как это применить?
Может попробовать зарядить например лист фольги и разрядить на землю, но это всё догадки.

Antek | Post:766450 - Date: 04.02.22(19:17)
tavil Пост: 766448 От 04.Feb.2022 (19:08)
Ни как не пойму, почему щиплет то от железа, оно на расстоянии, и земля тут причём? И как это применить?
Может попробовать зарядить например лист фольги и разрядить на землю, но это всё догадки.

Это не вся энергия с пространства возвращается в биф- часть статики оседает на рядом расположенных предметах.Попробуй по патенту Н.Теслы принимать,чтобы заряжался конденсатор между "небом" и "землёй".
YouTube: Смотреть видео

_________________
А вы друзья как не садитесь-все в музыканты не годитесь.


tavil | Post:766452 - Date: 04.02.22(19:21)
Antek Пост: 766450 От 04.Feb.2022 (19:17)
Попробуй по патенту Н.Теслы принимать,чтобы заряжался конденсатор между "небом" и "землёй".


Спасибо, но как заряжал Тесла не знаю. Ну примерно так же.
Я зарядил листок фольги и через конденсатор на землю, прилично искрит конденсатор, но мне кажется этого мало.

tavil | Post:766453 - Date: 04.02.22(19:26)
А может намотать катушку и в резонанс её, хотя результата хорошего не даст наверно. Или как то вернуть в биф для большего разгона его?

Antek | Post:766454 - Date: 04.02.22(19:26)
tavil Пост: 766452 От 04.Feb.2022 (19:21)
Antek Пост: 766450 От 04.Feb.2022 (19:17)
Попробуй по патенту Н.Теслы принимать,чтобы заряжался конденсатор между "небом" и "землёй".


Спасибо, но как заряжал Тесла не знаю. Ну примерно так же.
Я зарядил листок фольги и через конденсатор на землю, прилично искрит конденсатор, но мне кажется этого мало.

Так и Тесла в патенте принимал радиантное излучение.Ты там смотри не увлекайся.Сделай регистратор этого излучения и найди материал для эффективных экранов.Статика наводится и в твоём теле и в головном мозгу тоже.

_________________
А вы друзья как не садитесь-все в музыканты не годитесь.


Antek | Post:766455 - Date: 04.02.22(19:29)
tavil Пост: 766453 От 04.Feb.2022 (19:26)
А может намотать катушку и в резонанс её, хотя результата хорошего не даст наверно. Или как то вернуть в биф для большего разгона его?

Сначала-безопасность-а потом разгон-жить хочешь?
Я написал как разгонять-меняя витки и ёмкость между витками и слоями.То-есть в один слой или в два-большая разница,возможно нужно 1,5 или 1,2 при той же длине провода.Не спеши-тут спешка только во вред.
Я ранее описывал-кошку на тот свет отправили.Она билась в припадках и при этом обделывалась.Приступы повторялись всё чаще и даже без воздействия установки.Ветеринары ничего не находили.Закончилось летально.

_________________
А вы друзья как не садитесь-все в музыканты не годитесь.


tavil | Post:766456 - Date: 04.02.22(19:35)
Antek Пост: 766455 От 04.Feb.2022 (19:29)

Сначала-безопасность-а потом разгон-жить хочешь?


Ага, хочу , но любопытство берёт верх

Выключил установку, и пока биф заряжен позамыкал эту фольгу на биф, так же щиплет аж мышцы сокращаются, конденсаторов не было подключено к установке, заряжен был только биф. Я понял что ни чего не понял.

Antek | Post:766457 - Date: 04.02.22(19:38)
tavil Пост: 766456 От 04.Feb.2022 (19:35)
Antek Пост: 766455 От 04.Feb.2022 (19:29)

Сначала-безопасность-а потом разгон-жить хочешь?


Ага, хочу , но любопытство берёт верх

Выключил установку, и пока биф заряжен позамыкал эту фольгу на биф, так же щиплет аж мышцы сокращаются, конденсаторов не было подключено к установке, заряжен был только биф. Я понял что ни чего не понял.

Вот теперь забудь на пару месяцев про установку-чтобы организм устранил повреждения,если имеешь ум.

_________________
А вы друзья как не садитесь-все в музыканты не годитесь.


tavil | Post:766458 - Date: 04.02.22(19:40)
Додумался ещё лист фольги, и эти 2 листа подключил к бифу, очень сильно пошёл озон.
Заискрило всё, в конечном итоге всё таки долбануло так хорошо что всё сразу забыл что хотел ещё сделать, 😬
надо обдумать это

Antek | Post:766460 - Date: 04.02.22(21:21)
Молодость дана всем-а старость-только избранным.Поэтому готовой конструкции для повторения никто не даст.Я например-пожалел,что помогал.Перестал подсказывать и всё норм,человек не может повторить-что уже один раз сделал.И это к лучшему.Такие технологии для ответственных ,добрых и понимающих суть процессов.Как с товарищем из видео на канале-просто о сложном.Всегда даёт ценную информацию,но понимают её единицы.

_________________
А вы друзья как не садитесь-все в музыканты не годитесь.


Издалека | Post:766467 - Date: 04.02.22(22:38)
Antek Пост: 766460 От 04.Feb.2022 (21:21)
Молодость дана всем-а старость-только избранным.Поэтому готовой конструкции для повторения никто не даст.Я например-пожалел,что помогал.Перестал подсказывать и всё норм,человек не может повторить-что уже один раз сделал.И это к лучшему.Такие технологии для ответственных ,добрых и понимающих суть процессов.Как с товарищем из видео на канале-просто о сложном.Всегда даёт ценную информацию,но понимают её единицы.
А гордыня ещё не задушила?
Типа - я тут избранный супермэн, а вы все дерьмо собачье . . .

Antek | Post:766470 - Date: 04.02.22(23:28)
Никакой гордыни нет-есть осознание опасности процессов.Описал,но видимо не дошло.Чтобы человек не делал-оружие получается😬
Ещё одному сказал,чтобы биф не трогал,зная,что сделает наоборот...Люди предсказуемы.И не слушают советов.Ужас написал пост про эту энергетику перед тем как уйти навсегда-это скорее был крик души.В этой ветке есть.
[ссылка]

_________________
А вы друзья как не садитесь-все в музыканты не годитесь.


missioner | Post:766480 - Date: 05.02.22(05:33)
Antek Пост: 766470 От 04.Feb.2022 (23:28)

Ещё одному сказал,чтобы биф не трогал,зная,что сделает наоборот...
Да не волнуйся, скорее всего этот человек знает какие условия нужны для повторения эффектов из за которых ты запрещал разбирать катушку и всегда может повторить их... И он возможно что даже знает покороче и безопасней, логически просто объясняемый и широкий путь к тому чтобы получить то ради чего затевалась эта ветка

_________________
Здесь хранится СЕ суперавтотрансгенератор https://www.skif.biz/index.php?name=Forums&file=viewtopic&p=875842#875842 https://disk.yandex.ru/d/T_H9tIHpXVb8dw Дополненная версия с видео: https://disk.yandex.ru/d/RUQMOtXIHzRo7Q


<] [ 1 | ... 180 | 181 | 182 | 183 | 184 | 185 | 186 | 187 | 188 | 189 | 190 | 191 | 192 | 193 | 194 | 195 | 196 | 197 | 198 | 199 | 200 | ... | 485 ] [>
У Вас нет прав отвечать в этой теме.
Форум - Электростатические генераторы - Электростатика - Бифилярная катушка Никола Тесла (valeralap) - Стр 190
🏠 Главная | 📚 Содержание | 💬 Форум | 📁 Файлы | 📩 Контакт