[ВХОД]
12.04.26(07:33)

mob.skif.biz

Альтернативная энергия. Оставь надежду, всяк сюда входящий...

🏠 Главная | 📚 Содержание | 💬 Форум | 📁 Файлы | 📩 Контакт
 
Резонансные генераторы
Магнитные генераторы
Механические центробежные (вихревые) генераторы
Электростатические генераторы
Водородные генераторы
Ветро- и гидро- и солнечные генераторы
Прочие идеи (разные)
О форуме
Транспорт
Оружие
Научные идеи, теории, предположения...
Экономия топлива
Коммерческие вопросы
Струйные технологии
Торсионные генераторы
Новые технологии
Барахолка
Патентный отдел
Конструкторское бюро
Нейтронная физика
Торнадо и смерчи
Гравитация и антигравитация
Сделай сам. Советы.
Медицина и здравоохранение

🖥️ | 🖨️

Форум - Электростатические генераторы - Электростатика - Бифилярная катушка Никола Тесла (valeralap) - Стр:178
<] [ 1 | ... 168 | 169 | 170 | 171 | 172 | 173 | 174 | 175 | 176 | 177 | 178 | 179 | 180 | 181 | 182 | 183 | 184 | 185 | 186 | 187 | 188 | ... | 479 ] [>
Модератор: valeralap
Первый пост темы: valeralap Post: #626158 От:08.06.2019 (08:37)
Различного рода абстрактные не связанные с темой выступления, будут удалятся. Все конструктивное будет приветствоваться. Можно оказывать помощь в виде оформления или правки, если сочтете за необходимость. Если активность будет низкая, то-от этого будет зависеть скорость вашего продвижения.
valeralap | Post:764792 - Date: 24.01.22(13:06)
Stels Пост: 764787 От 24.Jan.2022 (12:34)
Эне́ргия (др.-греч. ἐνέργεια — действие, деятельность, сила, мощь) — мера различных форм движения и взаимодействия материи, переход движения материи из одних форм в другие.
Даже випедия знает!


Не знаю толи исторически так сложилось, что энергия замаскировалась.
Может специально так сделано в образовании, что бы не видели очевидного.

_________________
Чтобы слушать Иисуса Христа, нужно быть, хотя бы его апостолом!


Stels | Post:764793 - Date: 24.01.22(13:09)
Не видели чего? Что это количество движения?

_________________
Из ничего ничто произойти не может; ничто существующее не может быть уничтожено, и всякое изменение состоит лишь в соединении и разделении. Демокрит 460-370 гг. до н....


vorbis2004 | Post:764794 - Date: 24.01.22(13:12)
Ага, так всё-таки напряжение в квадратичной зависимости, а не частота. Энергия конденсатора - это ёмкость умножить на напряжение в квадрате (там в скобках 104 - это определённо 10 в четвёртой). А то я уже чуть
было не перепугался! 😀 Энергия всё-таки прямо пропорциональна частоте! Частота идёт как множитель: хочешь в тысячи раз больше - делай килогерцы, хочешь в миллионы раз больше - делай мегагерцы. Тесла явно об этом тут говорит.

valeralap | Post:764795 - Date: 24.01.22(13:12)
Похоже я всем порядком надоел... Строю из себя тут,- пупа земли.


Размер: 728.71 KB

_________________
Чтобы слушать Иисуса Христа, нужно быть, хотя бы его апостолом!


valeralap | Post:764796 - Date: 24.01.22(13:17)
vorbis2004 Пост: 764794 От 24.Jan.2022 (13:12)
Ага, так всё-таки напряжение в квадратичной зависимости, а не частота. Энергия конденсатора - это ёмкость умножить на напряжение в квадрате (там в скобках 104 - это определённо 10 в четвёртой). А то я уже было чуть не перепугался! 😀 Энергия прямо пропорциональна частоте!


Есть еще где-то у меня, я просто не нашел то -что хотел показать. Надо перечитывать, если найду зайду и выложу.

_________________
Чтобы слушать Иисуса Христа, нужно быть, хотя бы его апостолом!


Stels | Post:764797 - Date: 24.01.22(13:24)
valeralap Пост: 764795 От 24.Jan.2022 (13:12)
Похоже я всем порядком надоел... Строю из себя тут,- пупа земли.
осознание и признание собственного порока, это тоже своего рода подвиг!

_________________
Из ничего ничто произойти не может; ничто существующее не может быть уничтожено, и всякое изменение состоит лишь в соединении и разделении. Демокрит 460-370 гг. до н....


valeralap | Post:764798 - Date: 24.01.22(13:31)
Stels Пост: 764793 От 24.Jan.2022 (13:09)
Не видели чего? Что это количество движения?


Формулу ты выкладывал, да опредиляет энергию, что еще нужно?
Вот так же как с осцилографом, один им может капусту придавливать, другой напряжение мерять, а третий скорость. Откуда мне знать как ты эту формулу воспринимаешь?

_________________
Чтобы слушать Иисуса Христа, нужно быть, хотя бы его апостолом!


valeralap | Post:764799 - Date: 24.01.22(13:37)
Stels Пост: 764793 От 24.Jan.2022 (13:09)
Не видели чего? Что это количество движения?


Формулу ты выкладывал, да опредиляет энергию, что еще нужно?
Вот так же как с осцилографом, один им может капусту придавливать, другой напряжение мерять, а третий скорость. Откуда мне знать как ты эту формулу воспринимаешь?


Размер: 73.47 KB

_________________
Чтобы слушать Иисуса Христа, нужно быть, хотя бы его апостолом!


valeralap | Post:764800 - Date: 24.01.22(13:37)
Stels Пост: 764793 От 24.Jan.2022 (13:09)
Не видели чего? Что это количество движения?


Формулу ты выкладывал, да опредиляет энергию, что еще нужно?
Вот так же как с осцилографом, один им может капусту придавливать, другой напряжение мерять, а третий скорость. Откуда мне знать как ты эту формулу воспринимаешь?


Размер: 73.47 KB

_________________
Чтобы слушать Иисуса Христа, нужно быть, хотя бы его апостолом!


valeralap | Post:764801 - Date: 24.01.22(13:37)
Stels Пост: 764793 От 24.Jan.2022 (13:09)
Не видели чего? Что это количество движения?


Формулу ты выкладывал, да опредиляет энергию, что еще нужно?
Вот так же как с осцилографом, один им может капусту придавливать, другой напряжение мерять, а третий скорость. Откуда мне знать как ты эту формулу воспринимаешь?


Размер: 73.47 KB

_________________
Чтобы слушать Иисуса Христа, нужно быть, хотя бы его апостолом!


Stels | Post:764802 - Date: 24.01.22(13:44)
В формуле ключевой знаменатель квадрат. Нужно понимать откуда он там берётся!
Вот так я её воспринимаюнимаю. Я знаю откуда он там!

_________________
Из ничего ничто произойти не может; ничто существующее не может быть уничтожено, и всякое изменение состоит лишь в соединении и разделении. Демокрит 460-370 гг. до н....


vorbis2004 | Post:764803 - Date: 24.01.22(13:47)
Это что? Получается, что энергия равна массе, умноженной на 8,987551787368176e+16 ? Похоже на бред, если ещё учесть размерность в килограммах на метр в квадрате за секунду в квадрате. Где физический смысл?

Stels | Post:764804 - Date: 24.01.22(13:49)
Парадокс в том, что масса, это не килограммы и граммы!

_________________
Из ничего ничто произойти не может; ничто существующее не может быть уничтожено, и всякое изменение состоит лишь в соединении и разделении. Демокрит 460-370 гг. до н....


BAP | Post:764805 - Date: 24.01.22(14:00)
vorbis2004 Пост: 764772 От 24.Jan.2022 (12:03)
valeralap Пост: 764710 От 24.Jan.2022 (00:59)
Не читала Никола Тесла, что мощность растет с квадратом частоты?
Если поймешь, то и со скоростью все срастется.


Ого! Квадратичная зависимость! Кто-нибудь подскажет, где это у Тесла есть? Спасибо.
Тесла Н. Патенты. Самара2009, стр. 460.


Размер: 235.97 KB

Antek | Post:764806 - Date: 24.01.22(14:52)
Внизу-про электрические волны в Земле-те,которые используются для питания датчиков установленных в Софии Киевской по технологии Илона Маска и на которых основана робота устройств СЭ.

_________________
А вы друзья как не садитесь-все в музыканты не годитесь.


BAP | Post:764807 - Date: 24.01.22(15:02)
Antek Пост: 764806 От 24.Jan.2022 (14:52)
Внизу-про электрические волны в Земле-те,которые используются для питания датчиков установленных в Софии Киевской по технологии Илона Маска и на которых основана робота устройств СЭ.
Вот, вот кто то про принцип интересовался 😊...

privett | Post:764808 - Date: 24.01.22(15:03)
Дискуссия конечно жаркая, но она нас не приближает, к тому ради чего все собрались. Думаю если Валера выложил бы, свои наработки (что врядли), вопросов будет не меньше. А вот то, что форум растянулся на годы, то я здесь вам не судья. За месяц общения на форуме понял то, что фальшивят здесь все (причины разные), но это обычная практика (человек за 1000лет лучше не стал).
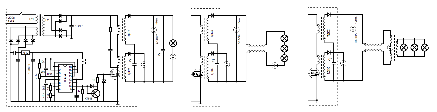
Валерий О, ещё раз просмотрел твои подсказки, они уже фигурировали на форуме, если честно я им не предал значения, причина это усложнение схемы и второе надо ещё посмотреть каким будет потребление…
Схему подработал она ниже (если кто поправит буду только рад), схема для запуска ПлазмаШара пока осталась прежняя, хочу поэкспериментировать с ВВ ВЧ трансом, а там будет видно.



Размер: 69.35 KB

zimnyaya | Post:764809 - Date: 24.01.22(15:11)
privett Пост: 764808 От 24.Jan.2022 (15:03)
Дискуссия конечно жаркая, но она нас не приближает, к тому ради чего все собрались. Думаю если Валера выложил бы, свои наработки (что врядли), вопросов будет не меньше. А вот то, что форум растянулся на годы, то я здесь вам не судья. За месяц общения на форуме понял то, что фальшивят здесь все (причины разные), но это обычная практика (человек за 1000лет лучше не стал).
Валерий О, ещё раз просмотрел твои подсказки, они уже фигурировали на форуме, если честно я им не предал значения, причина это усложнение схемы и второе надо ещё посмотреть каким будет потребление…
Схему подработал она ниже (если кто поправит буду только рад), схема для запуска ПлазмаШара пока осталась прежняя, хочу поэкспериментировать с ВВ ВЧ трансом, а там будет видно.

privett вы его подсказку не поняли. Она для тех, кто уже получил усиление мощности на бифилярной катушке и не знает, что с этим делать

_________________
Желудь-теоретик знает, как вырасти в дуб (c) Кнышев


Oлег-джан | Post:764810 - Date: 24.01.22(15:31)
Она для тех, кто уже получил усиление мощности на бифилярной катушке и не знает, что с этим делать

Да не вопрос...пусть измеряют мошность обшемировым калориметрическим способом на нагрузге и мы все дружно бьем челом...

neama | Post:764814 - Date: 24.01.22(15:41)
мы так докатимся до IBа...
з.ы. если ерш таки прав то да никакого секрета то и нет... но компоновка гаджета... рулит и педалит... повторение возможно только если или знаешь что делаешь, или копия вплодь до материала проводов намотки... с другой стороны настройка чуть ли не неонкой отверткой тестером... забавно... может и мне помотать...

_________________
Раздражайтесь, это улыбает...


valeralap | Post:764815 - Date: 24.01.22(15:48)
Stels Пост: 764802 От 24.Jan.2022 (13:44)
В формуле ключевой знаменатель квадрат. Нужно понимать откуда он там берётся!
Вот так я её воспринимаюнимаю. Я знаю откуда он там!


Эта формула обобщает весь смысл, чем маскирует нужное содержание.
Думал по всякому, но пришел к простому выводу, она доступна и понятна только на каком-то уровне знаний и практического опыта. А как тогда ее объяснишь? Что здесь имеют все академическое образование и занимаются научной деятельностью? А сам то кто, пенсионер автоэлектрик, у меня не хватит ума членораздельно донести, что бы такая пестрая братия хоть что-то поняла. Сам то я через опыт дошагал. Опыт мой только по альтернативе больше пятнадцати лет.

Пример понимания, спор с осциллографом. В общем пошлите меня козе в трещину, и я пойду в этом направлении...😎 А то не могу свами расстаться, паразитами...😎


_________________
Чтобы слушать Иисуса Христа, нужно быть, хотя бы его апостолом!


neama | Post:764816 - Date: 24.01.22(15:53)
valeralap Пост: 764815 От 24.Jan.2022 (15:48)
Stels Пост: 764802 От 24.Jan.2022 (13:44)
В формуле ключевой знаменатель квадрат. Нужно понимать откуда он там берётся!
Вот так я её воспринимаюнимаю. Я знаю откуда он там!


Эта формула обобщает весь смысл, чем маскирует нужное содержание.
Думал по всякому, но пришел к простому выводу, она доступна и понятна только на каком-то уровне знаний и практического опыта. А как тогда ее объяснишь? Что здесь имеют все академическое образование и занимаются научной деятельностью? А сам то кто, пенсионер автоэлектрик, у меня не хватит ума членораздельно донести, что бы такая пестрая братия хоть что-то поняла. Сам то я через опыт дошагал. Опыт мой только по альтернативе больше пятнадцати лет.

Пример понимания, спор с осциллографом. В общем пошлите меня козе в трещину, и я пойду в этом направлении...😎 А то не могу свами расстаться, паразитами...😎



? пошо? форум это тонкая медитативная кня... и твои посты распологают на подумать не хуже чем многие другие... ты же не гравий и тем паче не казашенок... котырые больше хамят для сокрытия своей личины...

_________________
Раздражайтесь, это улыбает...


vorbis2004 | Post:764823 - Date: 24.01.22(17:09)
valeralap Пост: 764792 От 24.Jan.2022 (13:06)

Не знаю толи исторически так сложилось, что энергия замаскировалась.
Может специально так сделано в образовании, что бы не видели очевидного.

Наверное, это исторически так сложилось, поскольку сокрытие знаний выгодно пастухам. Иначе овцы разбегутся 😎

Vexx | Post:764824 - Date: 24.01.22(17:27)
Валерий Иосифович,а про какую энергию спрашиваете? По мне так есть потенциальная энергия (возможная) и кинетическая (высвобожденная). И само понятие энергии это затраченное и полученное действие. К примеру подняли груз на 2 метра. Получили потенциальную энергию. Отпустили вниз-кинетическая.

missioner | Post:764826 - Date: 24.01.22(17:30)
А по мне энергия это то что может произвести какую-то работу

_________________
Здесь хранится СЕ суперавтотрансгенератор https://www.skif.biz/index.php?name=Forums&file=viewtopic&p=875842#875842 https://disk.yandex.ru/d/T_H9tIHpXVb8dw Дополненная версия с видео: https://disk.yandex.ru/d/RUQMOtXIHzRo7Q


<] [ 1 | ... 168 | 169 | 170 | 171 | 172 | 173 | 174 | 175 | 176 | 177 | 178 | 179 | 180 | 181 | 182 | 183 | 184 | 185 | 186 | 187 | 188 | ... | 479 ] [>
У Вас нет прав отвечать в этой теме.
Форум - Электростатические генераторы - Электростатика - Бифилярная катушка Никола Тесла (valeralap) - Стр 178
🏠 Главная | 📚 Содержание | 💬 Форум | 📁 Файлы | 📩 Контакт