[ВХОД]
31.05.26(21:57)

mob.skif.biz

Альтернативная энергия. Оставь надежду, всяк сюда входящий...

🏠 Главная | 📚 Содержание | 💬 Форум | 📁 Файлы | 📩 Контакт
 
Резонансные генераторы
Магнитные генераторы
Механические центробежные (вихревые) генераторы
Электростатические генераторы
Водородные генераторы
Ветро- и гидро- и солнечные генераторы
Прочие идеи (разные)
О форуме
Транспорт
Оружие
Научные идеи, теории, предположения...
Экономия топлива
Коммерческие вопросы
Струйные технологии
Торсионные генераторы
Новые технологии
Барахолка
Патентный отдел
Конструкторское бюро
Нейтронная физика
Торнадо и смерчи
Гравитация и антигравитация
Сделай сам. Советы.
Медицина и здравоохранение

🖥️ | 🖨️

Форум - Прочие идеи (разные) - новые идеи (прочие) - Вопросы чайников и ответы ГУРУ ОБО ВСЁМ - Стр:76
<] [ 1 | ... 66 | 67 | 68 | 69 | 70 | 71 | 72 | 73 | 74 | 75 | 76 | 77 | 78 | 79 | 80 | 81 | 82 | 83 | 84 | 85 | 86 | ... | 181 ] [>
Модератор: NATAN
Первый пост темы: NATAN Post: #707733 От:09.01.2021 (15:16)
Народ, кто "рубит" в электромагнитных волнах, расскажите, а реально погасить электромагнитную волну встречной волной так же как со звуком поступают?
gluk | Post:763506 - Date: 16.01.22(21:03)
gravio, не думаю, что ты сможешь уговорить второй закон Ньютона перечить самому себе.

gravio | Post:763507 - Date: 16.01.22(21:16)
gluk Пост: 763506 От 16.Jan.2022 (21:03)
gravio, не думаю, что ты сможешь уговорить второй закон Ньютона перечить самому себе.

Понятно сынок,ты не уловил суть Законов Ньютона,не знаком с арифметикой и тем более,разумеется не умеешь читать формулы.
Смотри:
image

Поясню еще раз:
Число СПРАВА = мнимое.
Знак минус означает что этой "СИЛЫ" нет.
Нет - это означает что такой силы нет в Природе - вообще.
Для тебя специально:
Если тебе скажут что в корзине лежит минус 10 яблок,то знай,-в корзине яблок НЕТ..
Разумеется ты не сразу осилишь школьные азы, но пороть чушь думаю будешь меньше..
Учи сынок - школьный учебник.
И привыкай к мысли:
Книга лежит на столе и ДАВИТ на стол.
Стол при этом на книгу не давит.

Причина простая:
Из двух частей равенства ПРАВАЯ часть - в Природе НЕ существует.
ОНА - результат действия ОДНОЙ - силы тяжести книги.
Все тоже и с огурцами в авоське:
Где бы они не покоились - они ВСЕГДА давят на опору.

_________________
\"Настоящий изобретатель обязан принести идею, полномасштабный действующий опытно-промышленный образец, и деньги на внедрение (с откатом).\"


Sergej_ | Post:763508 - Date: 16.01.22(21:16)
gravio - Садись сынок - ДВА.
Безграмотный клоун может писать какие угодно тексты, в каком угодно количестве, каким угодно шрифтом. От этого он не перестанет быть дураком и клоуном. Читать его глупые тексты давно уже никто не собирается. Если он не понимает этого, то он не просто глуп, он глуп в квадрате, такого экземпляра трудно еще где то найти.

sairus | Post:763509 - Date: 16.01.22(21:18)
gravio Пост: 763476 От 16.Jan.2022 (18:36)
gluk Пост: 763392 От 16.Jan.2022 (09:00)
А вот же забавно, как одна фраза из школьного учебника влияет на миллионы физиков во всём мире, делая их бесполезными изобретателями! Яркий пример существования сдерживающих факторов развития в самой системе развития. Казалось бы, не должно такого быть в принципе, а оно есть и "правит бал".

Увы сынок..
На физиков не влияет.
Влияет лишь на дебилов и тебя ...
Но не всех..
Сереженька только что на этой ветке ляпнул очередную глупость и ..сразу удалил ее - (прочитав мои пояснения)..
Запомни сынок:
Книга лежащая на столе - ДАВИТ на стол.
А стол на книгу - НЕ ДАВИТ..
Как и предписал И.Ньютон..
Если это дойдет - напиши...
И лично для тебя:
Если ты увидишь что МЯЧ сорвался с места, покатился и стукнулся об ногу футболиста - тоже напиши.
А если наоборот - футболист ударил мяч - писать не надо...
Учи сынок - школьный учебник ...
😬😬😬😬
image

Вменяемым:
Измеряя на весах силу тяжести (вес) мы измеряем ТОЛЬКО И ТОЛЬКО ..одну силу тяжести.
Но никак не реакцию ,на эту силу.

Стол давит на книгу с той же силой, что и книга давит на стол, ибо сила действия равна силе противодействия и противоположна по направлению. Учи физику сынок.😬

_________________
Каждый тезис, должен быть достаточно обоснован.


gravio | Post:763542 - Date: 17.01.22(07:23)

А это выдал уже и наш Сайрусик..



Стол давит на книгу с той же силой, что и книга давит на стол, ибо сила действия равна силе противодействия и противоположна по направлению.

Все заметили?


Оказывается что СТОЛ летел ВВЕРХ и встретил на пути КНИГУ...
(силы-то = (равны...).
Сынок ты конечно дебилко похлеще Искровичка с Резонером, но все же почитывай школьный учебник..
А пока запомни:
Стол ДАВИТ на ПОЛ,
Книга ДАВИТ на стол..
А вот СТОЛ на книгу - НЕ давит..
Он сынок это..как бы тебе помягчее ...всего лишь СОПРОТИВЛЯЕТСЯ дальнейшему падению КНИГИ..
(но ВВЕРХ - ни-ни...покоится он потому что)
Если дошло сынок - доложи...
Очень с тобою ...интересно.
😬😬😬

_________________
\"Настоящий изобретатель обязан принести идею, полномасштабный действующий опытно-промышленный образец, и деньги на внедрение (с откатом).\"


gravio | Post:763543 - Date: 17.01.22(07:31)
Sergej_ Пост: 763508 От 16.Jan.2022 (21:16)
gravio - Садись сынок - ДВА.
Безграмотный клоун может писать какие угодно тексты, в каком угодно количестве, каким угодно шрифтом. От этого он не перестанет быть дураком и клоуном. Читать его глупые тексты давно уже никто не собирается. Если он не понимает этого, то он не просто глуп, он глуп в квадрате, такого экземпляра трудно еще где то найти.

Неправда сынок..
Таких дураков (вы так сказали) как ты здесь ...полфорума..
Учи пока это:
Стол давит на ПОЛ.
(а не на книгу)
А книга давит на СТОЛ.
(стол на книгу - НЕ давит).

Доложите ..(если дошло) оба ты и АлексКР..
Трудно сынок дается тебе школьный учебник,понимаю.но ..надо..надо сынок ...😬

_________________
\"Настоящий изобретатель обязан принести идею, полномасштабный действующий опытно-промышленный образец, и деньги на внедрение (с откатом).\"


gravio | Post:763547 - Date: 17.01.22(07:59)

А вот и Турист подоспел...


Да бросьте вы..глупости говорите. Стол совместно с книгой не давит на пол. А все потому что давит вместе столом и книгой на фундамент. Но и на фундамент не давит ибо фундамент вместе с полом столом и книгой давит на грунт, но и грунт не давит потому что вместе с фундаментом давит...блин запутался с вами что на что давит

В УССР видимо вообще школы закрыли а не только русские?
Ну включи голову сынок...
Если бы СТОЛ давил на КНИГУ (а не на ПОЛ)..
То нахрена ж тогда делают ...фундамент?
Это моему лучшему другану Вовочке и Глюку - фундамент не нужен..
У них ...книга покоится на столе и при этом не давит на стол..
Но ты же ..Турист!!!(и даже хохол)
Подумай на досуге и доложи о готовности изучать школьные азы..
Кружевные трусики это хорошо...но и школьные знания не помешают..😬

_________________
\"Настоящий изобретатель обязан принести идею, полномасштабный действующий опытно-промышленный образец, и деньги на внедрение (с откатом).\"


sairus | Post:763548 - Date: 17.01.22(08:05)
Согласно третьему закону Ньютона, Стол давит на книгу с той же силой, что и книга давит на стол. Эта сила называется силой реакции опоры. Стыдно не знать таких элементарных вещей учи физику апостол.😬

_________________
Каждый тезис, должен быть достаточно обоснован.


gravio | Post:763549 - Date: 17.01.22(08:24)
Ох уж этот Сайрус..
Стол давит на книгу с той же силой, что и книга давит на стол

Все то же самое - садись ДВА.
И вот почему:
Согласно условиям задачи и Законам Ньютона стол - ПОКОИТСЯ.
Поясню для тебя сынок:
Покоится это значит он НЕПОДВИЖЕН в земной СО.
Дошло?
Если нет то запоминай:
Он стоит на ПОЛУ и давит(опирается) своей силой тяжести - на ПОЛ.
А на книгу увы..НЕ давит.
Он(стол) сынок это.. НА ПОЛ - ДАВИТ..(а ты думал на - книгу?..)
С твоим "образованием" тебе конечно рановато изучать физику за седьмой класс, но ..сам же напросился..
Итак:
Тебе дошло что стол не может ДАВИТЬ на книгу а может ДАВИТЬ только на ПОЛ?
Доложи,доложи...смешной ты мой кулибин...😬😬😬
и это..того..
гворя честно я ..я давненько на этом Форуме идиотов не встречал...
Не считая конечно Глюка и Искровичка...😬😬😬
Ты сынок - прелесть!!!😬😬😬

_________________
\"Настоящий изобретатель обязан принести идею, полномасштабный действующий опытно-промышленный образец, и деньги на внедрение (с откатом).\"


Pavel1 | Post:763572 - Date: 17.01.22(15:01)
sairus Пост: 763548 От 17.Jan.2022 (08:05)
Согласно третьему закону Ньютона, Стол давит на книгу с той же силой, что и книга давит на стол. Эта сила называется силой реакции опоры. Стыдно не знать таких элементарных вещей учи физику апостол.😬


Не обращай внимание на тупорылого гравия, он просто не знает что, давление - это СИЛА, приложенная к пробному телу, деленная на площадь соприкосновения с противодействующим телом, которое оказывает СИЛУ реакции опоры и между собой они равны.
Давление создает ПАРА сил действующих навстречу друг другу.
Убрав одну из сил - давление пропадет, вот у гравия моча давит на опилки в его голове, а опилки на мочу не давят, вот поэтому он такой тупой и упертый.


Размер: 513.88 KB

sairus | Post:763583 - Date: 17.01.22(15:39)
gravio Пост: 763549 От 17.Jan.2022 (08:24)
Ох уж этот Сайрус..
Стол давит на книгу с той же силой, что и книга давит на стол

Все то же самое - садись ДВА.
И вот почему:
Согласно условиям задачи и Законам Ньютона стол - ПОКОИТСЯ.
Поясню для тебя сынок:
Покоится это значит он НЕПОДВИЖЕН в земной СО.
Дошло?
Если нет то запоминай:
Он стоит на ПОЛУ и давит(опирается) своей силой тяжести - на ПОЛ.
А на книгу увы..НЕ давит.
Он(стол) сынок это.. НА ПОЛ - ДАВИТ..(а ты думал на - книгу?..)
С твоим "образованием" тебе конечно рановато изучать физику за седьмой класс, но ..сам же напросился..
Итак:
Тебе дошло что стол не может ДАВИТЬ на книгу а может ДАВИТЬ только на ПОЛ?
Доложи,доложи...смешной ты мой кулибин...😬😬😬
и это..того..
гворя честно я ..я давненько на этом Форуме идиотов не встречал...
Не считая конечно Глюка и Искровичка...😬😬😬
Ты сынок - прелесть!!!😬😬😬
Гамотей Тупорылыч, Стол давит на книгу силой реакции опоры, которая направлена на встречу силе тяжести то есть в верх. Понятно что сила реакции опоры создана силой тяжести, по этому она и называется силой РЕАКЦИИ. Книга лежащая на столе тоже как и стол никуда не движется относительно стола и земли. Но она давит на стол силой тяжести. Учи физику за седьмой класс. А потом извиняйся прямо среди сдесь.😬 Тогда может быть я поставлю тебе еденичку, а пока больше ноля ты не заработал.

_________________
Каждый тезис, должен быть достаточно обоснован.


Иван_Яковлевич | Post:763584 - Date: 17.01.22(16:04)
sairus Пост: 763583 От 17.Jan.2022 (15:39)
gravio Пост: 763549 От 17.Jan.2022 (08:24)
Ох уж этот Сайрус...

Гамотей Тупорылыч, Стол давит на книгу силой реакции опоры, которая направлена на встречу силе тяжести то есть в верх. Понятно что сила реакции опоры создана силой тяжести, по этому она и называется силой РЕАКЦИИ. Книга лежащая на столе тоже как и стол никуда не движется относительно стола и земли. Но она давит на стол силой тяжести. Учи физику за седьмой класс. А потом извиняйся прямо среди сдесь.😬 Тогда может быть я поставлю тебе еденичку, а пока больше ноля ты не заработал.

Заставить "Гамотея Тупорылыча" извиняться - это где-то на уровне несбыточной прозрачно-чёрной мечты. Он не только не умеет, он "ВЫШЕ ЭТОГО".
Ноль ему в... в это самое!

gravio | Post:763589 - Date: 17.01.22(18:06)
Mon, 17 Jan 2022 (22:16) | Tref - Скажи правду, глюк. По твоему мнению неподвижная книга на стол давит, или нет? После того, как ты соблаговолишь ответить на этот вопрос, будем дальше разбирать твои заблуждения.
Mon, 17 Jan 2022 (22:19) | gluk - Хватит стебаться, начинай дальше разбирать свои заблуждения.
Mon, 17 Jan 2022 (22:22) | Tref - Как видим, глюк или не хочет, или не может ответить на простейший вопрос. А ведь он утверждает, что аргументированно ответил на него, даже упоминал про три буквы! И посылал читать, хорошо хоть не учебник Пёрышкина.
Mon, 17 Jan 2022 (22:31) | Tref - Ну вот, человека обидел (((
Mon, 17 Jan 2022 (22:32) | Tref - А ведь я так старался, чтобы он смог донести до окружающих своё вИдение процесса давления книги на стол!
Mon, 17 Jan 2022 (22:35) | gluk - Tref, а почему ты веришь в "книга давит", если результат эксперимента отрицательный?
Mon, 17 Jan 2022 (22:37) | gluk - Чем тебе не нравится состояние равновесия?
Mon, 17 Jan 2022 (22:37) | Tref - А ты уже провёл эксперимент с направляйками из досок и книгами? Эксперимент отрицательный? Можешь фото выслать?
Mon, 17 Jan 2022 (22:37) | Tref - Ладно, увидимся позже. Ждём фото эксперимента.
Mon, 17 Jan 2022 (22:39) | gluk - В чём трудность понимания простыми обывателями состояния равновесия.
Mon, 17 Jan 2022 (22:40) | gluk - Tref, что, уже надоело? Иди, учи законы механики, сынок. Не ленись.
Mon, 17 Jan 2022 (22:41) | gluk - Или будешь с гравием олицетворять саму тупость.
Mon, 17 Jan 2022 (22:43) | gluk - Он, правда, всегда будет под номером 1.
Mon, 17 Jan 2022 (23:11) | Иван_Яковлевич - gluk, ты ещё не убился ап стенку своей тупости? Давай скорее, бери разбег.
Mon, 17 Jan 2022 (23:32) | gluk - А ты зачем прибежал, стихолюб? Гуманитарии решили законы Ньютона опровергнуть?
Mon, 17 Jan 2022 (23:38) | Lisp - ...есть фильм "Фантоцци против всех", а у нас идет кино "Глюк против всех"...
Mon, 17 Jan 2022 (23:39) | gluk - Иван_Яковлевич, тебе мало было оконфузиться с безопорной силой, ты решил добавить себе позора с просто силой?
Mon, 17 Jan 2022 (23:42) | Иван_Яковлевич - Ну что ты будешь делать? Как та бабушка сказала: "А гордОй-то, гордОй-то... Ой дурак, ой дурак
Mon, 17 Jan 2022 (23:43) | gluk - Lisp, это не я против всех, это все против законов Ньютона.
Похоже Глючик ополчился на всех и вся..
Милый Глючик..
Ну хватит уже крутить задом...
Просто запомни:
Книга лежащая на СТОЛЕ давит на стол и даже может проломить столешницу..
А стол при этом на книгу не давит..
Охо-хоюшки..
Ох уж этот глючик...

_________________
\"Настоящий изобретатель обязан принести идею, полномасштабный действующий опытно-промышленный образец, и деньги на внедрение (с откатом).\"


sairus | Post:763599 - Date: 17.01.22(19:18)
Гравий Дурашлёпыч, ты от глюка-то не далеко ушел, вы сним идете ноздря в ноздрю. Он несет бред, что книга не давит на стол, а ты несешь бред, что стол на книгу не давит. В чем разница? 😬

_________________
Каждый тезис, должен быть достаточно обоснован.


bazarov | Post:763617 - Date: 17.01.22(20:57)
Так 😭! Кыш отсюдава всё 😭!! Щас писать буду 😡...

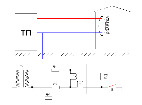
По многочисленным заявка будет дана схема "воровайки" электричества. Если не дойдёт с первого раза задавайте вопросы.

На картинке домик халявщика а к нему провода из ТП идут. Воровайка из СССР проста до безобразия. В дисковом счётчике менялись местами обмотки по включению, точнее токовая обмотка от фазы садилась на нуль. А чтобы стырить энергию достаточно было отключить пробку нуля в счётчике и в розетку в нуль всунуть хорошее заземление. Вот. И это не всё.... Продолжение следует....

ПС. Я вам покажу где СЕ прячется 😭.....
123
123
Размер: 5.31 KB

_________________
Не хватит никакого здоровья, чтобы приспособиться к этому глубоко больному обществу(Кришна Мурти)/Горшки не Боги обжигают (многовековая классика)


detector | Post:763619 - Date: 17.01.22(21:04)
Базарыч, сейчас нет дисковых счётчиков. Это уже не проходит.😈

bazarov | Post:763620 - Date: 17.01.22(21:05)
А вот уже две схемы "воровайки". Первая уже описана, а вторая шибко заумная.... При такой схеме в сеть потребителя включался трансформатор на понижающее напряжение 2-6 Вольт, и прямо на фазу до счётчика и после подключался напрямую. Включение (фазировка) выбиралась таким образом, чтобы счётчик начинал крутиться в обратную сторону. Очень часто у тупых электриков после такой процедуры сгорали счётчики. Но это была не гарь, это была моща халявы, она так и пёрла из счётчика !!!
123
123
Размер: 6.70 KB

_________________
Не хватит никакого здоровья, чтобы приспособиться к этому глубоко больному обществу(Кришна Мурти)/Горшки не Боги обжигают (многовековая классика)


bazarov | Post:763624 - Date: 17.01.22(21:20)
Теперь про то как в квартире тырить энергию у соседа.... По схеме видно, что если кто-то в доме подключит электрический чайник, то на заземляющем проводнике будет разность потенциалов относительно нуля. И чем больше нагрузок по квартирам подключено, тем больше напряжение там появляется. Если снимать энергию прямо между землёй и нулевым проводником, то можно наскрести киловатт с подъезда. А если у вас посёлок или посёлок городского типа, то запитавшись от заземлителя самой ТП разность напряжения будет равна разности падения напряжения сети делённое на два. Поясню. Чем дальше от подстанции, тем больше просадка напряжения по нулю и фазе. Поэтому делайте контурное заземление вокруг коровника и смело ловите мощность между нулевым проводом и землёй. Энергии там тратится с десяток киловатт. Чем чище заземление, тем больше мощности снимите. Естественно снимать нужно пофазно. Если три фазы, то вообще три трансформатора ставьте и никто вам слова не скажет. Все деревни пока на старых приборах учёта стоят. Там трансформаторы тока на 400, а то и на 1500 Ампер стоят. Ваш трансформатор всего 5-10 ампер отберёт на 6 Вольт, вот и радуйтесь.

ПС. На заводах токи между заземляющей шиной и нулевым проводником могут доходить до 1000 и более Ампер. Там контур заземления является фундаментом зданий. Если есть доступ к заземлению завода радуйтесь, киловатты с него можно высосать.
123
123
Размер: 5.32 KB

_________________
Не хватит никакого здоровья, чтобы приспособиться к этому глубоко больному обществу(Кришна Мурти)/Горшки не Боги обжигают (многовековая классика)


bazarov | Post:763625 - Date: 17.01.22(21:21)
Ersh Пост: 763621 От 17.Jan.2022 (21:10)
Базаров, скажи к нам, как изменить косинус без кондеев?
Да элементарно... Косинус фи трансформатора +90, косинус конденсаторов -90. Вращай как хош. Не нравятся конденсаторы - лепи катухи.

_________________
Не хватит никакого здоровья, чтобы приспособиться к этому глубоко больному обществу(Кришна Мурти)/Горшки не Боги обжигают (многовековая классика)


sairus | Post:763628 - Date: 17.01.22(21:26)
Базарыч ты отстал от жизни, у нас уже даже в аулах ляктронные счетчики с модемами стоят, апламбированые со всех сторон. Они показания через тырнет сами отправляют. Да и не зачем воравать, во первых не сильно дорого у нас ляпстичество стоит , а во вторых варавать нихарашо. 😬 Но всё равно было бы интересно узнать, можно ли такой счетчик нае... ой тоесть обмануть. И если можно, то как?

_________________
Каждый тезис, должен быть достаточно обоснован.


bazarov | Post:763629 - Date: 17.01.22(21:27)
Ещё могу рассказать как картоху на калхозных полях и грибы в лесу воровать, но вам это точно не пригодится.... Вы же честные... 😬

ПС. Собирайте валежник. Будьте прагматичны.

_________________
Не хватит никакого здоровья, чтобы приспособиться к этому глубоко больному обществу(Кришна Мурти)/Горшки не Боги обжигают (многовековая классика)


bazarov | Post:763631 - Date: 17.01.22(21:30)
sairus Пост: 763628 От 17.Jan.2022 (21:26)
Но всё равно было бы интересно узнать, можно ли такой счетчик нае... ой тоесть обмануть. И если можно, то как?
Дай мне его схему и вечер времени, получишь ответ. То нынче современные счётчики если видят перефазировку сразу в четыре цены начинают считать. Защита там такая. Только вот на производстве мелком казусы.... Какой придурок сварочником по нулю или заземлению пройдётся - счётчик сгорает нафик. Патамушто современные электронщики в электродинамике ни в зуб ногой.

_________________
Не хватит никакого здоровья, чтобы приспособиться к этому глубоко больному обществу(Кришна Мурти)/Горшки не Боги обжигают (многовековая классика)


bazarov | Post:763634 - Date: 17.01.22(21:32)
Ersh Пост: 763630 От 17.Jan.2022 (21:29)
bazarov Пост: 763625 От 17.Jan.2022 (21:21)
Ersh Пост: 763621 От 17.Jan.2022 (21:10)
Базаров, скажи к нам, как изменить косинус без кондеев?
Да элементарно... Косинус фи трансформатора +90, косинус конденсаторов -90. Вращай как хош. Не нравятся конденсаторы - лепи катухи.
а ежели у тебя генератор асинхронник? Как на нем косинус подогнать к 1?
И всё таки, что ж это за зверь такой "косинус"?
Ты вообще откуда взялся 😀? Сделай из трансформатора резонансный контур и косинус твой сам единицей станет.

Если ты про то что нынче генераторы реактивного напряжения с заводов удаляют, так это я в курсе. Переплаты до 60% доходят.

ПС. Ёршик, не ерши 😛

_________________
Не хватит никакого здоровья, чтобы приспособиться к этому глубоко больному обществу(Кришна Мурти)/Горшки не Боги обжигают (многовековая классика)


detector | Post:763635 - Date: 17.01.22(21:34)
Это всё, Базарыч?😊

bazarov | Post:763637 - Date: 17.01.22(21:35)
Ersh Пост: 763633 От 17.Jan.2022 (21:32)
Слухал одним ухом, что современные счетчики считают тангенс фи

Мне довелось разговаривать с разработчиком счётчиков с "антиворовайкой", разработанным в Минске..... Короче.. Он инженегр с Байконура... Царство ему небесное... Так он не знал что ультразвук выше 20 кГц бывает.... А я приборы на 8 МГц ремонтировал.... и хрен докажешь... Но уже поздно.

_________________
Не хватит никакого здоровья, чтобы приспособиться к этому глубоко больному обществу(Кришна Мурти)/Горшки не Боги обжигают (многовековая классика)


<] [ 1 | ... 66 | 67 | 68 | 69 | 70 | 71 | 72 | 73 | 74 | 75 | 76 | 77 | 78 | 79 | 80 | 81 | 82 | 83 | 84 | 85 | 86 | ... | 181 ] [>
🔒 Тема закрыта. Добавление новых сообщений невозможно.
Форум - Прочие идеи (разные) - новые идеи (прочие) - Вопросы чайников и ответы ГУРУ ОБО ВСЁМ - Стр 76
🏠 Главная | 📚 Содержание | 💬 Форум | 📁 Файлы | 📩 Контакт