[ВХОД]

ЛИЧНЫЕ СООБЩЕНИЯ 📝
МОЯ АНКЕТА 📋
ВЫЙТИ 🚪

🏠 Главная | 📚 Содержание | 💬 Форум | 📁 Файлы | 📩 Контакт

🖥️ | 🖨️

Форум - Электростатические генераторы - Электростатика - Бифилярная катушка Никола Тесла (valeralap) - Стр:167
<] [ 1 | ... 157 | 158 | 159 | 160 | 161 | 162 | 163 | 164 | 165 | 166 | 167 | 168 | 169 | 170 | 171 | 172 | 173 | 174 | 175 | 176 | 177 | ... | 460 ] [>
Модератор: valeralap
Первый пост темы: valeralap Post: #626158 От:08.06.2019 (08:37)
Различного рода абстрактные не связанные с темой выступления, будут удалятся. Все конструктивное будет приветствоваться. Можно оказывать помощь в виде оформления или правки, если сочтете за необходимость. Если активность будет низкая, то-от этого будет зависеть скорость вашего продвижения.
СовсемДикий | Post: #763316 - Date: 15.01.22(20:23)
Cosmogor Пост: #763315 От 15.Jan.2022 (20:16)
Missioner, а 2 лампочки тянет?

Мощность блока горизонтальной развертки около 80 ватт.


[ответить][с цитатой]
missioner | Post: #763318 - Date: 15.01.22(20:46)
Две лампочки последовательно горят,но не так сильно как одна. Автомобильная лампа даже одна ничуть даже не загорается,что то связано с сопротивлением видимо,хоть как искри... Но при последнем эксе,хотел проверить как лампа будет гореть если катушка будет выполнять просто роль индуктивности в последовательной цепи а лампой буду искрить между массой платы и концом катушки что то в плате щёлкнуло и плата выключилась,завтра посмотрю предохранитель. Видимо надёжнее делать отдельный генератор ВН.

_________________
Здесь хранится СЕ суперавтотрансгенератор https://www.skif.biz/index.php?name=Forums&file=viewtopic&p=875842#875842 https://disk.yandex.ru/d/T_H9tIHpXVb8dw Дополненная версия с видео: https://disk.yandex.ru/d/RUQMOtXIHzRo7Q


[ответить][с цитатой]
Antek | Post: #763386 - Date: 16.01.22(01:58)
Космогор,а как ты определил,что акум заряжается?Какой был акум?

_________________
А вы друзья как не садитесь-все в музыканты не годитесь.


[ответить][с цитатой]
adgjlzcbm | Post: #763393 - Date: 16.01.22(09:07)
Ersh Пост: #763391 От 16.Jan.2022 (08:59)
Missioner, почему ты цилиндр.биф пытаешь? У Валеры на схеме блин нарисован.

Схема условная!

[ответить][с цитатой]
Cosmogor | Post: #763394 - Date: 16.01.22(09:18)
Antek, светодиоды, на разряд и на заряд, оба светятся

_________________
Всё, что не делается, всё к лучшему. Раньше или позже это понимаешь


[ответить][с цитатой]
vorbis2004 | Post: #763402 - Date: 16.01.22(10:53)
Cosmogor Пост: #763307 От 15.Jan.2022 (16:52)
Ещё дам подсказку, это резонанс, но не тот про который вы думаете и про который я тоже думал, в прямом смысле слова, это совсем другой резонанс, если его найдёте, считайте что энергия у вас в кармане.
И на этом резонансе который описан в учебниках вы ничего не получите, это точно.


Вопрос как искать этот другой резонанс? Поделись опытом. Фото своего конструктива выложи, это может быть полезным для последователей.

[ответить][с цитатой]
Antek | Post: #763405 - Date: 16.01.22(11:53)
Вы таким темпом сейчас все секреты всем расскажете.Специально не поправляю.Это бесполезно,как и предложение,установить лампочку в защитную цепь от Валеры,чтобы не жечь детали.Каждый учится только на своих ошибках и для каждого есть своё конкретное количество сожженных тестеров,БП и ключей,чтобы понять это.Это так сопротивляется природа-так защищает свои секреты.Многие при потерях просто опускают руки и бросают это гиблое дело.

_________________
А вы друзья как не садитесь-все в музыканты не годитесь.


[ответить][с цитатой]
sergius2 | Post: #763408 - Date: 16.01.22(12:06)
Для vorbis2004 ht---tps://
YouTube: Смотреть видео


[ответить][с цитатой]
Antek | Post: #763412 - Date: 16.01.22(12:20)
sergius2 Пост: #763408 От 16.Jan.2022 (12:06)
Для vorbis2004 ht---tps://

У меня нашло и сразу.
Это мощное видео с получением и даже с приёмом радиантной энергии по патенту Н.Теслы.Я с этого начинал.Получить эффект и повторить какое то время не удавалось,хотя повторял в точности.Именно так и приобретается опыт и появляется возможность двигаться дальше.Всё разжёвано и рассказано.Кто хочет экспериментировать в области новых энергий-это то-с чего нужно начинать-АЗБУКА по изучению продольных волн,выявление их отличительных свойств и закономерностей.Это будет маленький шажок к той энергии,которую открыл всему миру Н.Тесла и которую так надёжно упрятали сейчас.

_________________
А вы друзья как не садитесь-все в музыканты не годитесь.


[ответить][с цитатой] - Правка 16.01.22(09:22) - Antek
Antek | Post: #763421 - Date: 16.01.22(12:36)
Она и есть прямая,но скорее провайдер или другие ограничения
YouTube: Смотреть видео

_________________
А вы друзья как не садитесь-все в музыканты не годитесь.


[ответить][с цитатой]
Cosmogor | Post: #763437 - Date: 16.01.22(13:53)
Ну вот, за меня ответили, мне добавить не чего.

Ersh, тоже этим занимаюсь параллельно.
Есть подвижки в 50% экономии.


_________________
Всё, что не делается, всё к лучшему. Раньше или позже это понимаешь


[ответить][с цитатой]
Antek | Post: #763444 - Date: 16.01.22(14:36)
Ребята!Хотите с низкими напряжениями работать-откройте ветку и модерируйте её-кто более продвинутый в теме.Как по мне-то такое стремление возникает от не понимания сути процесса.

_________________
А вы друзья как не садитесь-все в музыканты не годитесь.


[ответить][с цитатой]
Cosmogor | Post: #763446 - Date: 16.01.22(14:37)
Тем не видел, да и не искал особо, так как это слишком просто.
основной упор пока на эту тему.
Ну а схема у тебя замудренная.
у меня есть идея одна, использовать двигатель маломощный для коммутации контактов. Контакты коллектора, движок крутит другой модифицированный движок
Ну а чего, считай избавляемся от деталей лишних, и можно поднять мощность на коммутации контактов значительно.

_________________
Всё, что не делается, всё к лучшему. Раньше или позже это понимаешь


[ответить][с цитатой]
Cosmogor | Post: #763454 - Date: 16.01.22(15:41)
Ersh, понял.
давай тут не будем, а то Antek уже ругаться начал.
Хотя если подумать хорошенько, то принцип тот же, что и у Валеры.

_________________
Всё, что не делается, всё к лучшему. Раньше или позже это понимаешь


[ответить][с цитатой]
BAP | Post: #763456 - Date: 16.01.22(16:18)
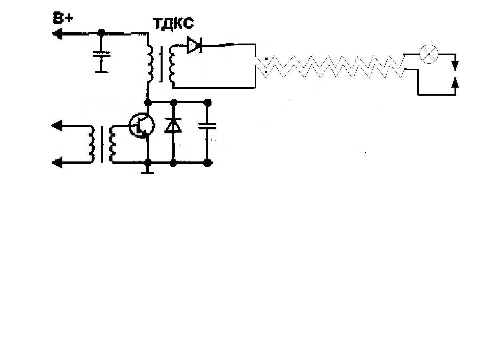
Давайте уже про любимую бифилярную катушку уже. Схема питания ТДКС с бифиляркой от строчной. Это , что бы понятнее было как раскачивать бифилярку. Что с чем синхронизировать. Получаются качели. С одной стороны бифилярка, с другой источник питания ТДКСа.


Размер: 110.47 KB

[ответить][с цитатой]
BAP | Post: #763459 - Date: 16.01.22(16:29)
Ersh Пост: #763457 От 16.Jan.2022 (16:21)
BAP Пост: #763456 От 16.Jan.2022 (16:18)
Давайте уже про любимую бифилярную катушку уже. Схема питания ТДКС с бифиляркой от строчной. Это , что бы понятнее было как раскачивать бифилярку. Что с чем синхронизировать. Получаются качели. С одной стороны бифилярка, с другой источник питания ТДКСа.
всё таинство происходит в бифиляре, я уже описал это выше постами. Два токовых резонанса...
В схеме выше можешь показать эти два токовых резонанса?

[ответить][с цитатой]
BAP | Post: #763463 - Date: 16.01.22(16:54)
Ersh Пост: #763460 От 16.Jan.2022 (16:36)
За счет разрядника создаются в бифе в каждой обмотке броски тока,нужно добиться резонанса этих токов, плюс к этому они двигаются встречно. В бифе еще две встречных поперечных волны создают продольную. Вот при сложении этих всех продольных и создается прибавка по току, Продольная волна это токовая, а напряжение - это поперечная волна. Длины обмоток бифа разные! Почему то все об этом умалчивают. (кто сделал прибавку) скорее всего и сами то не понимают, откуда прёт...
Это схема от Валерия Йосифовича. Вот как раз длины плечей бифилярки одинаковые. Намотаны двухжильным проводом. С бросками тока не понял абсолютно. При срабатывании разрядника, возникает обратная волна напряжения. Которая проходит через ТДКС с высокой стороны, полярность волны это позволяет сделать. Накачивает первичку у ТДКСа. Появляются качели.

[ответить][с цитатой] - Правка 16.01.22(13:54) - BAP
BAP | Post: #763466 - Date: 16.01.22(17:05)
Ёрш, быстрый ты слишком. Делаю потихоньку. Приезжай ко мне под обстрелы, узнаешь почему медленно😕

[ответить][с цитатой]
BAP | Post: #763477 - Date: 16.01.22(18:37)
"...Пошел в магазин и выпросил здоровенную пластиковую шпульку. В электротоварах подобрал на 0,75 провод, как мне показалось очень хорошей изоляции, его кусок пробовал на пробой от своего источника. Провод взял одинарный-многожильный, сложил в двое намотал до заполнения каркаса. Частота строчной развертки равна 15 625 Гц
Мне чуть не хватило, из стержней ферритовых набрал нужного размера сердечник, настроил катушку именно на эту частоту, в двигая сердечник в центр катушки..." Это на первой странице от Валеры. Читал?

[ответить][с цитатой]
BAP | Post: #763479 - Date: 16.01.22(18:43)
Давай прикинем твой резонанс бифилярки, накачиваемой от ТДКСа. Обратный ход у ТДКСа 14мкС, прямой 50 мкС. Длина бифилярки как писал Валера , примерно 60 метров.Скорость распространения импульса в кабеле примерно 160 метров за 1 мкС. При этом бифиляр нагружен нагрузкой в виде лампы. Можешь сказать частоту твоего продольного резонанса . И чем его раскачивать?

[ответить][с цитатой]
Cosmogor | Post: #763481 - Date: 16.01.22(18:47)
😎

Моя настройка


Размер: 1.17 MB

_________________
Всё, что не делается, всё к лучшему. Раньше или позже это понимаешь


[ответить][с цитатой]
BAP | Post: #763482 - Date: 16.01.22(18:51)
Ersh Пост: #763480 От 16.Jan.2022 (18:46)
BAP Пост: #763477 От 16.Jan.2022 (18:37)
"...Пошел в магазин и выпросил здоровенную пластиковую шпульку. В электротоварах подобрал на 0,75 провод, как мне показалось очень хорошей изоляции, его кусок пробовал на пробой от своего источника. Провод взял одинарный-многожильный, сложил в двое намотал до заполнения каркаса. Частота строчной развертки равна 15 625 Гц
Мне чуть не хватило, из стержней ферритовых набрал нужного размера сердечник, настроил катушку именно на эту частоту, в двигая сердечник в центр катушки..." Это на первой странице от Валеры. Читал?
нет, не читал. Как он намотал? Внавал, в два слоя? ВАР, у тебя как биф намотан? Измерь индуктивность обоих обмоток..... До заполнения каркаса.... По длине, по высоте? На видео биф у него цилиндр. Оч много не срастушек...
Давай так, ты вначале ознакомься с форумом ( хотя бы в общих чертах) . Потом продолжим, многие вопросы сами собой отпадут.

[ответить][с цитатой]
missioner | Post: #763483 - Date: 16.01.22(18:53)
Ersh Пост: #763461 От 16.Jan.2022 (16:42)
Ссылка на моё видео где два встречных колебания с соотношеним друг к другу 8/5 создают продольную волну(колебание) смотреть на тени на столе! Она движеться быстрее колебаний ее создавших! Так можно превысить скорость света

[ссылка]
Таким же способом,по такому же принципу у меня должно с большой скоростью вращаться магнитное поле в генераторе для ветроэлектростанций, когда магнитное поле в нём вращается в десяток раз быстрее ротора его вращающего, правда я так и не довёл опытный образец до ума.
А насчёт бифа,сейчас буду делать вновь отдельный генератор, но при опытах с высоким напряжением от ТДКС при некоторых частотах разрядника видел что спираль лампы на глаз нагревается как бы кусками, чередовались примерно трёхмиллиметровые участки с повышенной и пониженной яркостью,при этом свет спирали был не совсем естественный для раскалённой спирали а как бы трубчатая шуба миллиметра три диаметром из жёлтого света надетая по всей длине спирали.

_________________
Здесь хранится СЕ суперавтотрансгенератор https://www.skif.biz/index.php?name=Forums&file=viewtopic&p=875842#875842 https://disk.yandex.ru/d/T_H9tIHpXVb8dw Дополненная версия с видео: https://disk.yandex.ru/d/RUQMOtXIHzRo7Q


[ответить][с цитатой] - Правка 16.01.22(15:53) - missioner
bazarov | Post: #763486 - Date: 16.01.22(19:05)
Ersh Пост: #763474 От 16.Jan.2022 (18:26)
Кто нибудь видел бифиляр Валерлап?
Какой из них? Трансформатор все видели. Уже копируют все кому не лень. Вот одна из копий.
[ссылка]
ВалерЛапа думает что его "детище" спёрли. Ведь Тесла не додумался намотать трансформатор медной фольгой, а только плоскую катушку сделал. Вот Валерлапа и обрадовался, типа самый умный, самого Тесла обошёл.... Но не долго музыка играла, не долго фыпилявил патефон....
[ссылка]
И это тоже катушка Тесла с двойной намоткой, но уже с пояснениями на изобретение. Думаешь всё? Зря 😕 .... Думать нынче - большой грех... делать надо, опыты ставить а не думать..... Вот тебе ещё картинка с несколькими наработками. Зарзядник вообще шикарный. А катушка токовой накачки - просто пестня. И пока сам не проверишь ничего не поймёшь.
image


Всё, пойду пока никто не видит 😘....

ПС. Если что все секреты из поста видишь только ты. Остальные ничего не видят. Точнее смотрят, но нихрена не видят. А если и видят, то нихрена не понимают. А если понимают, то непонятно что. Так что ты - избранный 😡!!

_________________
Не хватит никакого здоровья, чтобы приспособиться к этому глубоко больному обществу(Кришна Мурти)/Горшки не Боги обжигают (многовековая классика)


[ответить][с цитатой]
Antek | Post: #763487 - Date: 16.01.22(19:07)
Cosmogor Пост: #763481 От 16.Jan.2022 (18:47)
😎

Моя настройка

Похоже на тролейбусные контактные графитовые накладки.

_________________
А вы друзья как не садитесь-все в музыканты не годитесь.


[ответить][с цитатой] - Правка 16.01.22(16:16) - Antek
<] [ 1 | ... 157 | 158 | 159 | 160 | 161 | 162 | 163 | 164 | 165 | 166 | 167 | 168 | 169 | 170 | 171 | 172 | 173 | 174 | 175 | 176 | 177 | ... | 460 ] [>

Форма ответа

😊 😛 😕 😀 😬 😎 🤔 😘 😕 🥴 😏 😶 😡 🙄 😭 😈 🤢 🤮 😁 😨 🤬 😝
Добавить файл: ≤ 1.95 MB
Описание файла:
Можно загружать только - jpg, jpeg, png, gif, pdf, doc, docx, zip
Если картинка больше чем 600х600, то отобразится ссылкой.
Форум - Электростатические генераторы - Электростатика - Бифилярная катушка Никола Тесла (valeralap) - Стр 167

🏠 Главная | 📚 Содержание | 💬 Форум | 📁 Файлы | 📩 Контакт