[ВХОД]

23.03.26(01:35)

mob.skif.biz

Альтернативная энергия. Оставь надежду, всяк сюда входящий...

🏠 Главная | 📚 Содержание | 💬 Форум | 📁 Файлы | 📩 Контакт

🖥️ | 🖨️

Форум - Электростатические генераторы - Электростатика - Про искорки для начинающих. - Стр:33
<] [ 1 | ... 23 | 24 | 25 | 26 | 27 | 28 | 29 | 30 | 31 | 32 | 33 | 34 | 35 | 36 | 37 | 38 | 39 | 40 | 41 | 42 | 43 | ... | 51 ] [>
Модератор: dedivan
Первый пост темы: dedivan Post: #736802 От:30.07.2021 (21:32)
тема про искорки была. но она для тех кто читал учебники и что то проверял своими руками.
Но у нас много тех. кто еще не читал учебники.
Для них нужно азы искорок показывать.
олег-джан | Post:747425 - Date: 01.10.21(14:25)
. И электроды деградируют. Это основная причина

У эндуры нету электродов...в том весь прикол....
Вся лампа-замкнутый вторичный виток транса...

_________________
Обьективная реальность-бред,вызванный недостатком алкоголя в крови...



rezoner | Post:747427 - Date: 01.10.21(14:27)
олег-джан Пост: 747425 От 01.Oct.2021 (14:25)
. И электроды деградируют. Это основная причина

У эндуры нету электродов...в том весь прикол....
Вся лампа-замкнутый вторичный виток транса...

я это и имел в виду. Основная причина долговечности Эндуры - это отсутствие электродов.


олег-джан | Post:747429 - Date: 01.10.21(14:31)
Ну, да...и повышенная примерно на 30% светоотдача за счёт ВЧ питания....ну, на это ещё советский патент я видел....

_________________
Обьективная реальность-бред,вызванный недостатком алкоголя в крови...



СНК | Post:747431 - Date: 01.10.21(14:42)
олег-джан Пост: 747423 От 01.Oct.2021 (14:23)
СНК, тебе воткнули 😀


Но-но! 😝
Ты тему-то не уводи! 😭

_________________
Автор благодарит алфавит за любезно предоставленные буквы.(с)



олег-джан | Post:747433 - Date: 01.10.21(14:52)
Зачем тебе длительность регулировать?
Тебе надо, чтобы открывался транзюк с рег частотой...

_________________
Обьективная реальность-бред,вызванный недостатком алкоголя в крови...



sbal | Post:747434 - Date: 01.10.21(14:52)
олег-джан Пост: 747423 От 01.Oct.2021 (14:23)
Сбал, спроси у своего деда, он когда кпд считал, водяное охлаждение газового лазера не забыл?
зачем?

_________________
в пути...



СНК | Post:747436 - Date: 01.10.21(14:55)
олег-джан Пост: 747433 От 01.Oct.2021 (14:52)
Зачем тебе длительность регулировать?
Тебе надо, чтобы открывался транзюк с рег частотой...


Ты длительность видел? 300нс!
А ежели много или мало?

_________________
Автор благодарит алфавит за любезно предоставленные буквы.(с)



олег-джан | Post:747439 - Date: 01.10.21(15:03)
И чо, фиксированная минимальная не пойдет?
Или боишься, может не открываться ключ?

_________________
Обьективная реальность-бред,вызванный недостатком алкоголя в крови...



СНК | Post:747440 - Date: 01.10.21(15:08)
Мля, Олег, я пойду торговаться в другое место.. 🤢🤢🤢

_________________
Автор благодарит алфавит за любезно предоставленные буквы.(с)



олег-джан | Post:747441 - Date: 01.10.21(15:17)
При чём торг?
Схемотехника в разы отличается....

_________________
Обьективная реальность-бред,вызванный недостатком алкоголя в крови...



СНК | Post:747442 - Date: 01.10.21(15:21)
Таки ДА!

_________________
Автор благодарит алфавит за любезно предоставленные буквы.(с)



akmike | Post:747495 - Date: 01.10.21(20:05)
СНК Пост: 747410 От 01.Oct.2021 (14:05)
Давайте генератор с регулятором наносекунд!

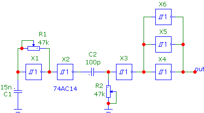
А чем не устраивает обычная схема на 74AC14?
Ширина импульса плавно регулируется от 10nS до ~4500nS.
Частота импульсов 1кГц - 500кГц.


Размер: 5.64 KB


СНК | Post:747499 - Date: 01.10.21(20:12)
Вах, добрый человек! Опять выручаешь!
Спасибо!!😎

_________________
Автор благодарит алфавит за любезно предоставленные буквы.(с)



akmike | Post:747569 - Date: 02.10.21(01:22)
Если будешь собирать подобную схему, есть пара советов из практики.
1) Возможно потребуется подобрать тип переменного резистора.
( Я изначально ставил новые китайские - наблюдалось на осциллографе дрожание ширины импульса на 10-20%. Заменил на советские СП4-1 - дрожание пропало.)
2) Было бы неплохо защитить вход логического элемента X3 от отрицательного напряжения установив диод 1N4148 параллельно R2. (у меня работало и без него - позже установил).


sbal | Post:747604 - Date: 02.10.21(09:18)
СНК Пост: 747499 От 01.Oct.2021 (20:12)
Вах, добрый человек! Опять выручаешь!
Спасибо!!😎
ФСБ утвердила перечень сведений, за передачу которых за рубеж можно стать иностранным агентом 😊

_________________
в пути...



Forex | Post:747606 - Date: 02.10.21(09:28)
Эх...Эх... Да не помогут Вам наносекунды... 🤢
Зря только время потратите... 😭


dedivan | Post:747616 - Date: 02.10.21(09:53)
Forex Пост: 747606 От 02.Oct.2021 (09:28)
Да не помогут Вам наносекунды...

Ну ты хоть сам то понял, как получить высокое напряжение без вторички?

_________________
я плохого не посоветую



Sergej_ | Post:747862 - Date: 03.10.21(22:22)
akmike Пост: 747569 От 02.Oct.2021 (01:22)
2) Было бы неплохо защитить вход логического элемента X3 от отрицательного напряжения установив диод 1N4148 параллельно R2. (у меня работало и без него - позже установил).
Они уже изначально стоят на входе микросхем как защита от статики - последовательный резистор, диод на -, диод на +.


akmike | Post:747867 - Date: 03.10.21(23:39)
Sergej_ Пост: 747862 От 03.Oct.2021 (22:22)
Они уже изначально стоят ...

Да, но Input Diode Current по Datasheet для этой микросхемы 20мА, а там импульсы >100мА. Для той емкости что у меня стоит (100пФ.) будет работать и со встроенной защитой, а если понадобятся импульсы подлиннее, например при емкости 0.1мкФ уже далеко выходим за гарантируемые датащетом режимы.
Хотя, источником сигнала для этого конденсатора является выход предыдущего элемента у которого выходной ток 50мА. - ладно согласен можно не ставить скорее всего выдержит.


олег-джан | Post:747870 - Date: 04.10.21(00:16)
Млин...эти диоды чисто для того, чтобы руками мацать можно было до монтажа....и без браслета работать...если заметили, последние лет 30 в фольгу кмоп не заворачивают ....

_________________
Обьективная реальность-бред,вызванный недостатком алкоголя в крови...



олег-джан | Post:747871 - Date: 04.10.21(00:26)
А в затворах полевиков по другой причине дублируют...чтобы тепло рассеяния с внутреннего стаба не грело дополнительно кристалл...
Ставят внешний с меньшим напряжением...поэтому встроенный вообще не шаволится...
Хотя, это не снаббер, и в штатном режиме вообще не должен быть в работе...
Но, в случае внештатной ситуации позволяет спасти не копеечный транзистор....скорее на время отладки...

_________________
Обьективная реальность-бред,вызванный недостатком алкоголя в крови...



олег-джан | Post:747872 - Date: 04.10.21(00:47)
До кучи расскажу, почему транс-биноклик в ближайшие года точно не станет массовым в тех же дуговых сварочных.
Вторичная обмотка у него всегда один виток.
Для сварочного(к примеру) на нем нужно получить 30 вольт.
Из сети мы берем 300 постоянки.
Итого, коэф 10 к 1...
Первичка получается 10 виточков...и хрен куда денешься....
Теперь под безвариантные 10 виточков придется набирать сечение феррита колечками, дабы получить требуемую индуктивность для инвертора....
И получится она в два и более раз больше, нежели на трансе Ш-образном...
О каком массовом производстве может идти речь с такими перерасходами?
Вот на контактную сварку с допустим 3-мя вольтами на этом одном витке уже более обнадёживающе всё.
Второй момент-технология изготовления самого транса....толи дело просто кольцо мотануть или каркас на Ш-образник, толи бинокль...что проще?
Так что в дедову ладошку только мечты поместятся, как ни печально...чуда не случится....

_________________
Обьективная реальность-бред,вызванный недостатком алкоголя в крови...



dedivan | Post:747877 - Date: 04.10.21(07:05)
олег-джан Пост: 747872 От 04.Oct.2021 (00:47)

Первичка получается 10 виточков...и хрен куда денешься....
Теперь под безвариантные 10 виточков придется набирать сечение феррита колечками, дабы получить требуемую индуктивность для инвертора....

Это у вас на кауказе местные заморочки-
[ссылка]

У нас проще- частоту инвертора можно подобрать.
А то еще бывает первичка всего один виток, а вторичка десять штук впаралель по 1/10 витка.

_________________
я плохого не посоветую



олег-джан | Post:747878 - Date: 04.10.21(07:28)
С элементной базой проблем нету?
Поэтому я и пишу-в ближайшие годы для массового китайского производства.....
Только вот....он всегда крупнее будет🤢
И, да...сделай дуговую с коэф 1:1🤢

_________________
Обьективная реальность-бред,вызванный недостатком алкоголя в крови...



СНК | Post:747927 - Date: 04.10.21(11:48)
GAN-fet-ы на высокое напряжение как правило сделаны по каскодной схеме.
Вот интересно, как бы скрестить GANfet и SICfet на 1700в..

_________________
Автор благодарит алфавит за любезно предоставленные буквы.(с)



<] [ 1 | ... 23 | 24 | 25 | 26 | 27 | 28 | 29 | 30 | 31 | 32 | 33 | 34 | 35 | 36 | 37 | 38 | 39 | 40 | 41 | 42 | 43 | ... | 51 ] [>
У Вас нет прав отвечать в этой теме.
Форум - Электростатические генераторы - Электростатика - Про искорки для начинающих. - Стр 33
🏠 Главная | 📚 Содержание | 💬 Форум | 📁 Файлы | 📩 Контакт