[ВХОД]
19.05.26(08:43)

mob.skif.biz

Альтернативная энергия. Оставь надежду, всяк сюда входящий...

🏠 Главная | 📚 Содержание | 💬 Форум | 📁 Файлы | 📩 Контакт
 
Резонансные генераторы
Магнитные генераторы
Механические центробежные (вихревые) генераторы
Электростатические генераторы
Водородные генераторы
Ветро- и гидро- и солнечные генераторы
Прочие идеи (разные)
О форуме
Транспорт
Оружие
Научные идеи, теории, предположения...
Экономия топлива
Коммерческие вопросы
Струйные технологии
Торсионные генераторы
Новые технологии
Барахолка
Патентный отдел
Конструкторское бюро
Нейтронная физика
Торнадо и смерчи
Гравитация и антигравитация
Сделай сам. Советы.
Медицина и здравоохранение

🖥️ | 🖨️

Форум - Электростатические генераторы - Электростатика - Бифилярная катушка Никола Тесла (valeralap) - Стр:111
<] [ 1 | ... 101 | 102 | 103 | 104 | 105 | 106 | 107 | 108 | 109 | 110 | 111 | 112 | 113 | 114 | 115 | 116 | 117 | 118 | 119 | 120 | 121 | ... | 485 ] [>
Модератор: valeralap
Первый пост темы: valeralap Post: #626158 От:08.06.2019 (08:37)
Различного рода абстрактные не связанные с темой выступления, будут удалятся. Все конструктивное будет приветствоваться. Можно оказывать помощь в виде оформления или правки, если сочтете за необходимость. Если активность будет низкая, то-от этого будет зависеть скорость вашего продвижения.
yurum | Post:726972 - Date: 13.05.21(21:23)
zimnyaya Пост: 726925 От 12.May.2021 (23:36)
Да хоть как, неужели непонятно, что контакты испарятся при первом же таком прерывании?

берёте коллекторный двигатель, ламели на коллекторе выдираете через одну чтоб был зазор, место выдранных ламелей заполняете эпоксидкой, протачиваете на токарном станке, соединяете противоположные ламели на коллекторе, чтоб не тянулась дуга за щётками по коллектору скользит листовой фторопласт он и прерывает дугу

Cosmogor | Post:726977 - Date: 14.05.21(06:33)
Пока не заработало у меня как надо, с блокинг генератором на кт805 точно не работает, генератор с таймером 555 тоже не работает.
Ну нет у меня плат от телевизоров.
Зато есть тдкс и твс с умножителем. и пара транзисторов родных к ним

нашёл в инете схему формирователя пилы.
Попробую на их основе что нибудь стоящее сделать


Размер: 19.85 KB

_________________
Всё, что не делается, всё к лучшему. Раньше или позже это понимаешь


valeralap | Post:726980 - Date: 14.05.21(07:29)
Cosmogor Пост: 726977 От 14.May.2021 (06:33)
Пока не заработало у меня как надо, с блокинг генератором на кт805 точно не работает, генератор с таймером 555 тоже не работает.
Ну нет у меня плат от телевизоров.
Зато есть тдкс и твс с умножителем. и пара транзисторов родных к ним

нашёл в инете схему формирователя пилы.
Попробую на их основе что нибудь стоящее сделать


Делай схему которую предлагаю, она прецизионная, очень большой частотный диапазон перекрывает, если добавить переключатель.


Размер: 16.04 KB

_________________
Чтобы слушать Иисуса Христа, нужно быть, хотя бы его апостолом!


Antek | Post:726981 - Date: 14.05.21(08:46)
valeralap Пост: 726980 От 14.May.2021 (07:29)

Делай схему которую предлагаю, она прецизионная, очень большой частотный диапазон перекрывает, если добавить переключатель.

Второй транзистор лишний,если нам нужна пила. При расширении диапазона придётся подбирать в каждом случае С2. Схема не обеспечивает необходимых промежутков между импульсами.На ТДКСе в телевизоре скорее всего не пила,а ВВ импульсы искажённые резонансными свойствами его обмотки с промежутками-когда пила поступает на ОС.Передняя часть импульса пилы (наростание амплитуды)используется для работы ОС-а вторая-(спад)для формирования ВВ импульса.Скорее всего генератор прямоугольных импульсов с регулируемой скважностью подойдёт оптимально,он и на схемах Валеры с бифилярной катушкой используется.


Размер: 41.23 KB

_________________
А вы друзья как не садитесь-все в музыканты не годитесь.


zimnyaya | Post:726994 - Date: 14.05.21(13:30)
valeralap Пост: 726963 От 13.May.2021 (18:14)
zimnyaya | Post: 726960 - Date: Thu, 13 May 2021 (14:45)Если изобразить бы схему этой доски, было бы понятнее, мне кажется

Со схемой постараюсь нарисовать в принципе это та-же схема, что и у Смита, только катушку возбуждения заменил на емкостной разомкнутый бифиляр.

Получается так?
image

_________________
Желудь-теоретик знает, как вырасти в дуб (c) Кнышев


Antek | Post:727005 - Date: 14.05.21(15:25)
Валера,хочу повторить твой начальный экс на строчной развёртке.Почистил всё лишне.Когда отключил ОС яркость свечения контрольной лампочки в цепи накала кинескопа упала процентов на 30.Скорее всего съехал общий резонанс.Оставить так или нужно подстроить и чем?

_________________
А вы друзья как не садитесь-все в музыканты не годитесь.


valeralap | Post:727016 - Date: 14.05.21(18:21)
Antek Пост: 727005 От 14.May.2021 (15:25)
Валера,хочу повторить твой начальный экс на строчной развёртке.Почистил всё лишне.Когда отключил ОС яркость свечения контрольной лампочки в цепи накала кинескопа упала процентов на 30.Скорее всего съехал общий резонанс.Оставить так или нужно подстроить и чем?


Если испытываешь затруднение, то скинь схему строчной, покажу что подстроить.


Размер: 12.82 KB

_________________
Чтобы слушать Иисуса Христа, нужно быть, хотя бы его апостолом!


valeralap | Post:727019 - Date: 14.05.21(18:47)
zimnyaya | Post: 726994 - Date: Fri, 14 May 2021 (10:30)
Не могу раскрыть схемку...

_________________
Чтобы слушать Иисуса Христа, нужно быть, хотя бы его апостолом!


zimnyaya | Post:727021 - Date: 14.05.21(18:56)
valeralap Пост: 727019 От 14.May.2021 (18:47)
zimnyaya | Post: 726994 - Date: Fri, 14 May 2021 (10:30)
Не могу раскрыть схемку...



Размер: 17.78 KB

_________________
Желудь-теоретик знает, как вырасти в дуб (c) Кнышев


valeralap | Post:727029 - Date: 14.05.21(19:42)
zimnyaya Пост: 727021 От 14.May.2021 (18:56)
valeralap Пост: 727019 От 14.May.2021 (18:47)
zimnyaya | Post: 726994 - Date: Fri, 14 May 2021 (10:30)
Не могу раскрыть схемку...


Первичная разноименными концами подключается, а вторичная по патенту Cмита.

_________________
Чтобы слушать Иисуса Христа, нужно быть, хотя бы его апостолом!


Antek | Post:727035 - Date: 14.05.21(20:30)
valeralap Пост: 727016 От 14.May.2021 (18:21)
Antek Пост: 727005 От 14.May.2021 (15:25)
Валера,хочу повторить твой начальный экс на строчной развёртке.Почистил всё лишне.Когда отключил ОС яркость свечения контрольной лампочки в цепи накала кинескопа упала процентов на 30.Скорее всего съехал общий резонанс.Оставить так или нужно подстроить и чем?


Если испытываешь затруднение, то скинь схему строчной, покажу что подстроить.

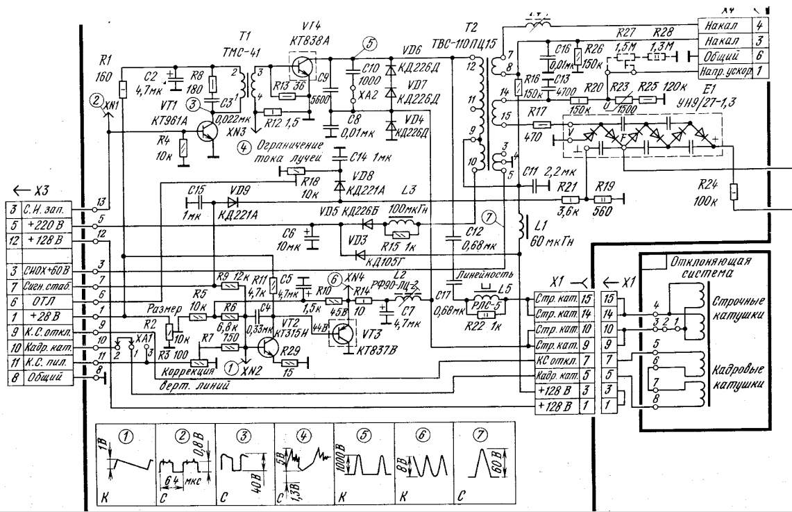
Вот такая-.ОСка отключена.Блок кадровой отключен.Умножитель отключен.Плата кинескопа отключена.Радиоканал и унч отключен и немного других.
Осталась плата блока питания,МП-3-3С,Плата субмодуля синхронизации УСР плата модуль строчной развёртки МС41-1и пока плата соединительная.Если сможешь позачёркивай на на МС-41-какие элементы можно убрать.Снимать буду прямо с ВВ обмотки ТВСа. Там в районе 5-7Кв.Дуга горит.Проверил. Отключено-значит реально отсутствуют.Платы удалены с разьёмов.Телевизор был Электрон ТЦ-451- ТЦ-450
337423.pdf
Размер: 122.65 KB

_________________
А вы друзья как не садитесь-все в музыканты не годитесь.


zimnyaya | Post:727036 - Date: 14.05.21(20:33)
valeralap Пост: 727029 От 14.May.2021 (19:42)
zimnyaya Пост: 727021 От 14.May.2021 (18:56)
valeralap Пост: 727019 От 14.May.2021 (18:47)
zimnyaya | Post: 726994 - Date: Fri, 14 May 2021 (10:30)
Не могу раскрыть схемку...


Первичная разноименными концами подключается, а вторичная по патенту Cмита.

Тогда получается, что первичка это не емкостный бифиляр а обычный, индуктивный?

_________________
Желудь-теоретик знает, как вырасти в дуб (c) Кнышев


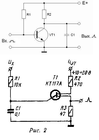
vity66 | Post:727050 - Date: 15.05.21(00:20)
valeralap Пост: 626167 От 08.Jun.2019 (10:39)
В опытах по описанию в верху использовался нижний правый рисунок.


Размер: 69.62 KB

Antek | Post:727051 - Date: 15.05.21(00:23)
Вот позачёркивал что считаю нужным удалить.Конденсатор указанный стрелкой С10 удалять? В субмодуле УСР может поставить переменное сопротивление на 100ком вместо подстроечника R14 и постоянного R13 (плавно) и конденсатор С14 заменить несколькими с коммутацией переключателем (грубо) для изменения частоты в некоторых пределах?


Размер: 195.74 KB


Размер: 533.14 KB

УСР
Размер: 52.48 KB

_________________
А вы друзья как не садитесь-все в музыканты не годитесь.


vity66 | Post:727052 - Date: 15.05.21(00:29)
Вот еще.


Размер: 32.59 KB

valeralap | Post:727059 - Date: 15.05.21(04:15)
zimnyaya Пост: 727036 От 14.May.2021 (20:33)
valeralap Пост: 727029 От 14.May.2021 (19:42)
zimnyaya Пост: 727021 От 14.May.2021 (18:56)
valeralap Пост: 727019 От 14.May.2021 (18:47)
zimnyaya | Post: 726994 - Date: Fri, 14 May 2021 (10:30)
Не могу раскрыть схемку...


Первичная разноименными концами подключается, а вторичная по патенту Cмита.

Тогда получается, что первичка это не емкостный бифиляр а обычный, индуктивный?


Это расплывчатое понятие зависит как от конструкции самой бифилярной катушки так и от способа ее запитки. Как пример,- тебя не нужно убеждать, что конденсаторы могут быть индуктивными и без индуктивными. С индуктивностями тоже не все просто, имеется все то что обладают конденсаторы в цепях плюс комбинаций, как распределенная линия. Убедился на опыте, что форма и параметры импульсов очень критичны для разных конструкций бифилярных катушек.

_________________
Чтобы слушать Иисуса Христа, нужно быть, хотя бы его апостолом!


valeralap | Post:727060 - Date: 15.05.21(04:24)
Antek Пост: 727051 От 15.May.2021 (00:23)
Вот позачёркивал что считаю нужным удалить.Конденсатор указанный стрелкой С10 удалять? В субмодуле УСР может поставить переменное сопротивление на 100ком вместо подстроечника R14 и постоянного R13 (плавно) и конденсатор С14 заменить несколькими с коммутацией переключателем (грубо) для изменения частоты в некоторых пределах?


Раз ты удалил ОС то резонанс полностью зависит от С9 а те детали которые ты перечислил только дадут возможность перестраиваться по частоте.
Сам я измеряю всегда собственную резонансную частоту TDKC без дополнительных конденсаторов потом подстраиваю на нужную частотную гармонику. Чаще приходится подбирать зазором в сердечнике, для получения более высокой частоты, потом занимаюсь подгонкой конденсатора резонансного.

_________________
Чтобы слушать Иисуса Христа, нужно быть, хотя бы его апостолом!


valeralap | Post:727062 - Date: 15.05.21(05:34)
vity66 Пост: 727052 От 15.May.2021 (00:29)
Вот еще.


Да это часть схемы из моих самых первых опытов, только ее кто-то перерисовал.

_________________
Чтобы слушать Иисуса Христа, нужно быть, хотя бы его апостолом!


Antek | Post:727068 - Date: 15.05.21(09:20)
valeralap Пост: 727060 От 15.May.2021 (04:24)
Antek Пост: 727051 От 15.May.2021 (00:23)
Вот позачёркивал что считаю нужным удалить.Конденсатор указанный стрелкой С10 удалять? В субмодуле УСР может поставить переменное сопротивление на 100ком вместо подстроечника R14 и постоянного R13 (плавно) и конденсатор С14 заменить несколькими с коммутацией переключателем (грубо) для изменения частоты в некоторых пределах?


Раз ты удалил ОС то резонанс полностью зависит от С9 а те детали которые ты перечислил только дадут возможность перестраиваться по частоте.
Сам я измеряю всегда собственную резонансную частоту TDKC без дополнительных конденсаторов потом подстраиваю на нужную частотную гармонику. Чаще приходится подбирать зазором в сердечнике, для получения более высокой частоты, потом занимаюсь подгонкой Не понял у тебя эксперементы были с ОС или без.Ориентироваться нужно на частоту строчной развёртки или смещаем её на 3;5 гармонику от резонансной частоты данного ТДКСа? На какую гармонику именно? Зачем поднимать частоту увеличивая зазор?.Я запускал ТДКС вообще без сердечника и с кусочком цилиндрического сердечника от магнитной антенны.Детали-что я зачеркнул-можно удалять? Они пока на плате.Если сдвинуть резонансную ТДКСа,то и частоту генератора раскачки придётся тоже сдвигать? На что ориентироваться
-на макс выходное напряжение
-на осциллограму ВВ импульса (стати если есть правильная скинь пож.)
-на расстояние между ВВ импульсами

_________________
А вы друзья как не садитесь-все в музыканты не годитесь.


zimnyaya | Post:727082 - Date: 15.05.21(12:53)
valeralap Пост: 727059 От 15.May.2021 (04:15)
zimnyaya Пост: 727036 От 14.May.2021 (20:33)
valeralap Пост: 727029 От 14.May.2021 (19:42)
zimnyaya Пост: 727021 От 14.May.2021 (18:56)
valeralap Пост: 727019 От 14.May.2021 (18:47)
zimnyaya | Post: 726994 - Date: Fri, 14 May 2021 (10:30)
Не могу раскрыть схемку...


Первичная разноименными концами подключается, а вторичная по патенту Cмита.

Тогда получается, что первичка это не емкостный бифиляр а обычный, индуктивный?


Это расплывчатое понятие зависит как от конструкции самой бифилярной катушки так и от способа ее запитки. Как пример,- тебя не нужно убеждать, что конденсаторы могут быть индуктивными и без индуктивными. С индуктивностями тоже не все просто, имеется все то что обладают конденсаторы в цепях плюс комбинаций, как распределенная линия. Убедился на опыте, что форма и параметры импульсов очень критичны для разных конструкций бифилярных катушек.

Оно будет расплывчатым, если использовать всякие извращенные намотки.
А если мотать бифилляр одновременно двумя проводами, то емкостное подключение будет при подключении двух начал (или двух концов).

Вот если намотать одну катушку поверх другой с разным направлением намотки, то получится, что начала такой катушки (или концы) - это согласованное включение и бифилляр индуктивный.

В связи с этим вопрос - намотка велась одновременно двумя проводами, или как то еще?

_________________
Желудь-теоретик знает, как вырасти в дуб (c) Кнышев


valeralap | Post:727084 - Date: 15.05.21(13:35)
zimnyaya | Post: 727082 - Date: Sat, 15 May 2021 (09:53
)В связи с этим вопрос - намотка велась одновременно двумя проводами, или как то еще?

Конкретно в этом случае в два провода, обычный бифиляр только в емкостном включении.

_________________
Чтобы слушать Иисуса Христа, нужно быть, хотя бы его апостолом!


Antek | Post:727085 - Date: 15.05.21(14:11)
valeralap Пост: 727060 От 15.May.2021 (04:24)

Раз ты удалил ОС то резонанс полностью зависит от С9 а те детали которые ты перечислил только дадут возможность перестраиваться по частоте.
Сам я измеряю всегда собственную резонансную частоту TDKC без дополнительных конденсаторов потом подстраиваю на нужную частотную гармонику. Чаще приходится подбирать зазором в сердечнике, для получения более высокой частоты, потом занимаюсь подгонкой

Поправил сообщение .Не понял у тебя эксперементы были с ОС или без.Ориентироваться нужно на частоту строчной развёртки или смещаем её на 3;5 гармонику от резонансной частоты данного ТДКСа? На какую гармонику именно? Зачем поднимать частоту увеличивая зазор?.Я запускал ТДКС вообще без сердечника и с кусочком цилиндрического сердечника от магнитной антенны.Детали-что я зачеркнул-можно удалять? Они пока на плате.Если сдвинуть резонансную ТДКСа,то и частоту генератора раскачки придётся тоже сдвигать? На что ориентироваться
-на макс выходное напряжение
-на осциллограмму ВВ импульса (стати если есть правильная скинь пож.)
-на расстояние между ВВ импульсами

_________________
А вы друзья как не садитесь-все в музыканты не годитесь.


valeralap | Post:727086 - Date: 15.05.21(14:15)
Antek Пост: 727068 От 15.May.2021 (09:20)
valeralap Пост: 727060 От 15.May.2021 (04:24)
Antek Пост: 727051 От 15.May.2021 (00:23)
Вот позачёркивал что считаю нужным удалить.Конденсатор указанный стрелкой С10 удалять? В субмодуле УСР может поставить переменное сопротивление на 100ком вместо подстроечника R14 и постоянного R13 (плавно) и конденсатор С14 заменить несколькими с коммутацией переключателем (грубо) для изменения частоты в некоторых пределах?


Раз ты удалил ОС то резонанс полностью зависит от С9 а те детали которые ты перечислил только дадут возможность перестраиваться по частоте.
Сам я измеряю всегда собственную резонансную частоту TDKC без дополнительных конденсаторов потом подстраиваю на нужную частотную гармонику. Чаще приходится подбирать зазором в сердечнике, для получения более высокой частоты, потом занимаюсь подгонкой Не понял у тебя эксперементы были с ОС или без.Ориентироваться нужно на частоту строчной развёртки или смещаем её на 3;5 гармонику от резонансной частоты данного ТДКСа? На какую гармонику именно? Зачем поднимать частоту увеличивая зазор?.Я запускал ТДКС вообще без сердечника и с кусочком цилиндрического сердечника от магнитной антенны.Детали-что я зачеркнул-можно удалять? Они пока на плате.Если сдвинуть резонансную ТДКСа,то и частоту генератора раскачки придётся тоже сдвигать? На что ориентироваться
-на макс выходное напряжение
-на осциллограму ВВ импульса (стати если есть правильная скинь пож.)
-на расстояние между ВВ импульсами


Максимальная отдача TDKC может быть только на его собственной частоте резонанса, Но при перестройке частоты у TDKC как вниз таки верх диапазона
отдача как по напряжению так и по мощности резко падает. Это в целом определяет выбор, что под что подгонять, чем жертвовать при настройке.
Свой выбор сделал в пользу высоковольтных источников обдумываю чего хочу от источника, делаю его настраиваю, потом под него подгоняю задуманную конструкцию.



Размер: 70.07 KB

_________________
Чтобы слушать Иисуса Христа, нужно быть, хотя бы его апостолом!


Antek | Post:727091 - Date: 15.05.21(15:02)
valeralap Пост: 727086 От 15.May.2021 (14:15)

Максимальная отдача TDKC может быть только на его собственной частоте резонанса, Но при перестройке частоты у TDKC как вниз таки верх диапазона
отдача как по напряжению так и по мощности резко падает. Это в целом определяет выбор, что под что подгонять, чем жертвовать при настройке.
Свой выбор сделал в пользу высоковольтных источников обдумываю чего хочу от источника, делаю его настраиваю, потом под него подгоняю задуманную конструкцию.

У нас на базе вроде пила-а графики построены для прямоугольных импульсов.Валера ОС присутствовала в твоих эксах? Если присутствовала-то именно энергия в ней запасённая и могла добавлять току в цепь ламп накаливания и увеличивать яркость.
Из графиков получается-что пила вообще не при делах-просто нужно управлять ключом при помощи генератора прямоугольных импульсов с регулируемой частотой и скважностью.

_________________
А вы друзья как не садитесь-все в музыканты не годитесь.


valeralap | Post:727108 - Date: 15.05.21(17:18)
Antek Пост: 727091 От 15.May.2021 (15:02)
valeralap Пост: 727086 От 15.May.2021 (14:15)

Максимальная отдача TDKC может быть только на его собственной частоте резонанса, Но при перестройке частоты у TDKC как вниз таки верх диапазона
отдача как по напряжению так и по мощности резко падает. Это в целом определяет выбор, что под что подгонять, чем жертвовать при настройке.
Свой выбор сделал в пользу высоковольтных источников обдумываю чего хочу от источника, делаю его настраиваю, потом под него подгоняю задуманную конструкцию.

У нас на базе вроде пила-а графики построены для прямоугольных импульсов.Валера ОС присутствовала в твоих эксах? Если присутствовала-то именно энергия в ней запасённая и могла добавлять току в цепь ламп накаливания и увеличивать яркость.
Из графиков получается-что пила вообще не при делах-просто нужно управлять ключом при помощи генератора прямоугольных импульсов с регулируемой частотой и скважностью.


Пилу делаю с TDKC подключая КОБ, подбираю так что бы он успевал до разряда бифилярной катушки линейно заряжаться.Пока конденсатор линейно заряжается то есть пилой в такт с зарядом конденсатора заряжается емкость бифилярной катушки по достижению пробоя на разряднике весь заряд конденсатора и емкость бифилярной катушки сбрасывается, образуя очень мощные токи смещения. Проверяю источник высокого напряжения через разрядник лампу на 150вт должна нормально гореть значит источник высокого напряжения настроен. Если бифилярная катушка настроена и согласована, то после нее через разрядник должны гореть три лампы последовательно спаянных на 150вт 220в очень ярко.Это и будет первой частью опыта. Поймал себя на мысли, что хуже чем дистанционное общение нечего придумать нельзя! Вопрос который сам себе задал, какой частотой работает разрядник? Получив ответ сразу последует вопрос на хрена пила или импульсы высокого когда можно просто постоянкой питать только высоковольтной.На этот вопрос развернутый ответ может потребовать пару недель переписки. 😏 Тут не какого терпения не хватит,😎

_________________
Чтобы слушать Иисуса Христа, нужно быть, хотя бы его апостолом!


<] [ 1 | ... 101 | 102 | 103 | 104 | 105 | 106 | 107 | 108 | 109 | 110 | 111 | 112 | 113 | 114 | 115 | 116 | 117 | 118 | 119 | 120 | 121 | ... | 485 ] [>
У Вас нет прав отвечать в этой теме.
Форум - Электростатические генераторы - Электростатика - Бифилярная катушка Никола Тесла (valeralap) - Стр 111
🏠 Главная | 📚 Содержание | 💬 Форум | 📁 Файлы | 📩 Контакт