[ВХОД]
18.04.26(02:59)

mob.skif.biz

Альтернативная энергия. Оставь надежду, всяк сюда входящий...

🏠 Главная | 📚 Содержание | 💬 Форум | 📁 Файлы | 📩 Контакт
 
Резонансные генераторы
Магнитные генераторы
Механические центробежные (вихревые) генераторы
Электростатические генераторы
Водородные генераторы
Ветро- и гидро- и солнечные генераторы
Прочие идеи (разные)
О форуме
Транспорт
Оружие
Научные идеи, теории, предположения...
Экономия топлива
Коммерческие вопросы
Струйные технологии
Торсионные генераторы
Новые технологии
Барахолка
Патентный отдел
Конструкторское бюро
Нейтронная физика
Торнадо и смерчи
Гравитация и антигравитация
Сделай сам. Советы.
Медицина и здравоохранение

🖥️ | 🖨️

Форум - Прочие идеи (разные) - Схемотехника - ❓Вопросы чайников и ответы ГУРУ - Стр:243
<] [ 1 | ... 233 | 234 | 235 | 236 | 237 | 238 | 239 | 240 | 241 | 242 | 243 | 244 | 245 | 246 | 247 | 248 | 249 | 250 | 251 | 252 | 253 | ... | 460 ] [>
Модератор: bolt
Первый пост темы: bolt Post: #51365 От:28.12.2006 (22:13)
Завтра уже еду детали покупать, так что чуть опоздали с темой.
Остальное после нового года
Всех с новым две тысячи седьмым годом 😬
ainsh10 | Post:706531 - Date: 02.01.21(12:36)
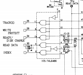
Добрый день. Вот только из PC40-III_Service_Manual, может поможет.
_https://www.hkinventory.com/public/requestDataSheet.asp?partNum=74LS486&partNumInfo=Describe%3ANULL%2C+Brand:TI%2C+Provided%20Company%20ID:113932&BrandName=TI


Размер: 24.03 KB

missioner | Post:706618 - Date: 02.01.21(18:04)
oooshiva Пост: 706612 От 02.Jan.2021 (17:52)
missioner Пост: 705456 От 26.Dec.2020 (19:49)
Во флудилку не помещается,попробую выставить здесь
А кто сильнее,сглаз или мои билеты? Давай посмотрим первого января...
image
Выиграл?!
Сглаз оказался сильнее...
image



Размер: 64.06 KB

_________________
Здесь хранится СЕ суперавтотрансгенератор https://www.skif.biz/index.php?name=Forums&file=viewtopic&p=875842#875842 https://disk.yandex.ru/d/T_H9tIHpXVb8dw Дополненная версия с видео: https://disk.yandex.ru/d/RUQMOtXIHzRo7Q


dedivan | Post:706623 - Date: 02.01.21(18:17)
ainsh10 Пост: 706531 От 02.Jan.2021 (12:36)
Добрый день. Вот только из PC40-III_Service_Manual, может поможет.

Спасибо большое. Похоже оно.

_________________
я плохого не посоветую


missioner | Post:706663 - Date: 02.01.21(21:36)
А кто знает,с этим что то можно сделать? Если на ровную водную гладь поставить такую вот несимметричную трубу и дать первоначальный импульс в направлений обратном стрелкам то не будет ли вода перекачиваться вечно? Одна часть трубы с сечением в 1 квадратный метр,вторая с сечением в 5 квадратов. Считаем что с турбулёнтностью справились😕


Размер: 19.96 KB

_________________
Здесь хранится СЕ суперавтотрансгенератор https://www.skif.biz/index.php?name=Forums&file=viewtopic&p=875842#875842 https://disk.yandex.ru/d/T_H9tIHpXVb8dw Дополненная версия с видео: https://disk.yandex.ru/d/RUQMOtXIHzRo7Q


bazarov | Post:706665 - Date: 02.01.21(22:45)
missioner Пост: 706663 От 02.Jan.2021 (21:36)
А кто знает,с этим что то можно сделать?
Это можно сделать. Думаю. Зачем нам "капельница Кулибина" если можно сделать фонтан?

Маленькое пояснение. Обычно мембрану делают для испарения влаги. А что если сделать мембрану чтобы воздух вверх не шёл, а вода лилась через неё непрерывно? Если не ошибаюсь гравитация работает. Нужно спешить, пока жидомуссоны и рептилойды и её не отменили.

ПС. Чуть не забыл. Чтобы система заработала в неё нужно подать немного избыточного давления, равного по высоте верхнего столба воды. При этом верхняя часть может быть открыта. А если верхняя часть закрыта и в ней сделать вакуум, то дело пойдёт быстрее.

Селёдка!!
Размер: 7.21 KB

_________________
Не хватит никакого здоровья, чтобы приспособиться к этому глубоко больному обществу(Кришна Мурти)/Горшки не Боги обжигают (многовековая классика)


bazarov | Post:706683 - Date: 03.01.21(02:48)
Видик в тему почему предыдущая картинка должна работать.
YouTube: Смотреть видео

_________________
Не хватит никакого здоровья, чтобы приспособиться к этому глубоко больному обществу(Кришна Мурти)/Горшки не Боги обжигают (многовековая классика)


Barmalei | Post:706794 - Date: 03.01.21(16:17)
Мужики, подскажите, плиз. Одинаковое ли время заряда и разряда катушки индуктивности с незамкнутым сердечником, зашунтированной диодом? Если подать постоянку на соленоид, дождаться максимального значения тока, отключить питание и дождаться пока ток спадет до нуля через диод и после этого сравнить время роста тока со временем спада, одинаковыми ли они будут?
Вопрос скорее практикам делавшим такое сравнение, чем теоретикам.

олег-джан | Post:706796 - Date: 03.01.21(16:35)
Диод увеличивает время однозначно...
Используют, например, для увеличения времени отпускания реле....
Время нарастания не меняется....

_________________
Обьективная реальность-бред,вызванный недостатком алкоголя в крови...


Barmalei | Post:706799 - Date: 03.01.21(16:42)
Я знаю, что шунт увеличивает время. Я не о том спрашиваю. Я спрашиваю будут ли одинаковыми тау заряда и тау разряда если при разряде шунтировать катуху диодом. Если без шунта, то тау разряда в тысячу раз меньше тау заряда.

СовсемДикий | Post:706802 - Date: 03.01.21(16:47)
Диод создает две ветви тока, различные для заряда и разряда.
Если их параметры будут равны, то и тау будут равны. Соотвественно, если разные то и тау также.
А как конкретно будет у тебя... как сделаешь, так и будет.

Barmalei | Post:706805 - Date: 03.01.21(16:52)
Не понял какие две ветви для тока с разными параметрами? Если впослед с диодом воткнуть резик равный внутреннему сопротивлению источника питания, то все параметры во всех ветвях будут равны. СовсемДикий, я тебя правильно понял, ты про это говорил?

СовсемДикий | Post:706806 - Date: 03.01.21(16:55)
Или внутреннее сопротивление диода будет равно внутреннему сопротивлению источника питания.
Это приближенно.


Barmalei | Post:706807 - Date: 03.01.21(17:03)
Ага, понял. Т.е. если я хочу получить одинаковыми время заряда и время разряда независимо от напряжения питания, то единственное, что я должен сделать, это сопротивление двух ветвей сделать одинаковым. И всё? Больше никаких подводных камней не будет?

СовсемДикий | Post:706808 - Date: 03.01.21(17:04)
Если ты не придумаешь никаких дополнительных ухищрений, то это все.

Barmalei | Post:706809 - Date: 03.01.21(17:12)
Не, никаких ухищрений. Я исследую катухи, ищу нестыковки с теорией.
О, есть ухищрение, а если я на этот соленоид накручу еще одну обмотку такую же, т.е. на сердечнике будут две секции делящие его пополам и на них будут две одинаковые обмотки. Одну обмотку зашунтируем диодом с резиком, что бы работало после отключения питания. Дальше как в первом опыте. На первую обмотку подаем питание, ждем максимума тока и отключаем питание.
Во второй зашунтированной обмотке резко вырастет и начнет плавно снижаться ток.
Вот в таком варианте тоже время разряда и время заряда будут одинаковыми при условии равности сопротивления обеих цепей?

СовсемДикий | Post:706819 - Date: 03.01.21(18:11)
Не могу сказать.

олег-джан | Post:706820 - Date: 03.01.21(18:15)
Разные будут...
Отдельная обмотка, шунтированная диодом, считай, короткозамкнутый виток....
А что он делает на реле, пускателе?
Забыл сказать, в одну сторону при диоде...
То есть, либо туда, либо сюда твое тау увеличится....
Это все приемы, довольно широко использовались в релейной автоматике...в телефонных станциях, железнодорожной сигнализации и прочее...

_________________
Обьективная реальность-бред,вызванный недостатком алкоголя в крови...


Barmalei | Post:706823 - Date: 03.01.21(18:37)
олег-джан Пост: 706820 От 03.Jan.2021 (18:15)
Разные будут...
Отдельная обмотка, шунтированная диодом, считай, крроткозамкнутый виток....
А что он делает на реле, пускателе?


При отсутствии шунта, разным будет, в миг разрядится, а с шунтом, как и сказал СовсемДикий, задержка спадания тока должна выровнять время разряда и время заряда.
Так почему разным будет, я не врубаюсь?

Barmalei | Post:706824 - Date: 03.01.21(18:39)
олег-джан Пост: 706820 От 03.Jan.2021 (18:15)
Разные будут...
Отдельная обмотка, шунтированная диодом, считай, короткозамкнутый виток....
А что он делает на реле, пускателе?
Забыл сказать, в одну сторону при диоде...
То есть, либо туда, либо сюда твое тау увеличится....
Это все приемы, довольно широко использовались в релейной автоматике...в телефонных станциях, железнодорожной сигнализации и прочее...


Блин, Джан, при всем уважении, ты вообще читаешь вопросы перед ответом? Я думаю, нет.

олег-джан | Post:706826 - Date: 03.01.21(18:43)
При отсутствии шунта и отсутствии нагрузки, активной или индуктивной, будет одинаковым....
Ищи нагрузку, если у тебя разное время получается ...
Нагрузкой может быть многое...у реле это якорь, который замыкает-размыкает магнитную цепь...или ключевой элемент....
П.с. есть еще не линейный сердечник, но это другая тема...

_________________
Обьективная реальность-бред,вызванный недостатком алкоголя в крови...


олег-джан | Post:706828 - Date: 03.01.21(18:47)
Ок, куда разряжается твоя индуктивность?
А то, может о разном говорим...

_________________
Обьективная реальность-бред,вызванный недостатком алкоголя в крови...


Barmalei | Post:706831 - Date: 03.01.21(18:57)
олег-джан Пост: 706826 От 03.Jan.2021 (18:43)
При отсутствии шунта и отсутствии нагрузки, активной или индуктивной, будет одинаковым....
Ищи нагрузку, если у тебя разное время получается ...
Нагрузкой может быть многое...у реле это якорь, который замыкает-размыкает магнитную цепь...или ключевой элемент....
П.с. есть еще не линейный сердечник, но это другая тема...


Обычный школьный соленоид, магнитной цепи нет, наборный сердечник и обмотка. В цепи катушка, лампа, ключ и источник питания. Замыкаем ключ, видим, что лампа на полную мощность вышла не сразу, а как бы медленно разгорелась. Это школьный опыт в котором показывают наглядно влияние индуктивности на время нарастания тока в цепи с катушкой индуктивности. Дальше, отключаем питание и видим резкое увеличение светимости лампы и последующее резкое ее отключение. Если сравнить время разгорания лампы при подаче питания и время за которое она свернув потухла, то явно видно что разгоралась дольше чем потухла. Почему ты говоришь, что этом случае время нарастания тока и время его убывания одинаковые, когда наглядный опыт говорит об обратном? Я не спорю, я пытаюсь понять где я ошибаюсь, если ошибаюсь?

олег-джан | Post:706834 - Date: 03.01.21(19:11)
Так поэтому про нагрузку и разговор...
Нагрузка не линейная...
ТКС меняется во времени...

_________________
Обьективная реальность-бред,вызванный недостатком алкоголя в крови...


Barmalei | Post:706841 - Date: 03.01.21(19:18)
При чем здесь нагрузка? Ты продолжаешь утверждать, что ток в вышеописанном опыте нарастает и уменьшается за одно и то же время?

олег-джан | Post:706849 - Date: 03.01.21(19:34)
Нет....
Загорается твоя лампичка по одной кривой...
Гаснет по другой...

_________________
Обьективная реальность-бред,вызванный недостатком алкоголя в крови...


<] [ 1 | ... 233 | 234 | 235 | 236 | 237 | 238 | 239 | 240 | 241 | 242 | 243 | 244 | 245 | 246 | 247 | 248 | 249 | 250 | 251 | 252 | 253 | ... | 460 ] [>
У Вас нет прав отвечать в этой теме.
Форум - Прочие идеи (разные) - Схемотехника - ❓Вопросы чайников и ответы ГУРУ - Стр 243
🏠 Главная | 📚 Содержание | 💬 Форум | 📁 Файлы | 📩 Контакт