[ВХОД]

06.04.26(19:21)

mob.skif.biz

Альтернативная энергия. Оставь надежду, всяк сюда входящий...

🏠 Главная | 📚 Содержание | 💬 Форум | 📁 Файлы | 📩 Контакт
 
Резонансные генераторы
Магнитные генераторы
Механические центробежные (вихревые) генераторы
Электростатические генераторы
Водородные генераторы
Ветро- и гидро- и солнечные генераторы
Прочие идеи (разные)
О форуме
Транспорт
Оружие
Научные идеи, теории, предположения...
Экономия топлива
Коммерческие вопросы
Струйные технологии
Торсионные генераторы
Новые технологии
Барахолка
Патентный отдел
Конструкторское бюро
Нейтронная физика
Торнадо и смерчи
Гравитация и антигравитация
Сделай сам. Советы.
Медицина и здравоохранение

🖥️ | 🖨️

Форум - Прочие идеи (разные) - Схемотехника - Доверяй, но перепроверяй!!! - Стр:100
<] [ 1 | ... 90 | 91 | 92 | 93 | 94 | 95 | 96 | 97 | 98 | 99 | 100 | 101 | 102 | 103 | 104 | 105 | 106 | 107 | 108 | 109 | 110 | ... | 127 ] [>
Модератор: bazarov
Первый пост темы: bazarov Post: #249920 От:07.06.2010 (19:24)
Хочу завести себе свою ветку, чтобы не распыляться. Идей много, а на проверку времени мало. Вот захотелось проверять все вечняки в математике, а потом смотреть где ошибка закралась. Если есть интересующие - присоеденяйтесь.

Обсуждаться будет только один ЧЁРТЁЖ или ЭКСКИЗ единовременно. Пока один агрегат не будет расколупан до конца, дальше ни-ни. Если нет возможности рисовать - сам потом нарисую или картинку вставлю. Весь словесный понос подтверждать оффициальными ссылками. Ссылка на дурдомопедию (википедию) в крайнем случае давать. На сайтах производителей и институтов инфы хватает. Всяких дибилов самоназваных с Ахрененными межгалактическими дипломами не приводить в пример.

Надеюсь энергия потом с кондёра не порёт, и ахренесово колесо вечно не поедет - наука штука точная. КПД устройства для взлома искать больше 20% (КПД1,2).

Нельзя взламывать секреты приборов производимых на постсоветском пространстве. Ибо тут всё просто - турма (Поддержим отечественного производителя!). А заграничные стандарта ISO для нас практически недосягаемы, мы со своим ГОСТОМ на рынке условия не диктуем. Поэтому взлом иностранной технологии в нашей "Раше" приравнивается к шлепку буржую по заду - только щёчки порозовеют 😀 . Наши технологии "ломать" только с разрешения собственника либо если инфа открыта для пользования.

Ламачче невозможное проверить при помощи формул теоретически либо элементарно практически также не выкладывать.


Расшифровка предупреждений:
ПИП - первое израильское предупреждение;
ВИП - второе израильское предупреждение;
ТрИП - третье израильское предупреждение;
ЧИП - вставляем имплантант биоботу;
ППЦ - биоботу пипец.
Forex | Post:705949 - Date: 29.12.20(10:01)
Вот тебе Базаров новая схема для размышления и разминки! 😭


Размер: 14.87 KB

dedivan | Post:705950 - Date: 29.12.20(10:11)
bazarov Пост: 705898 От 28.Dec.2020 (21:15)
Немного подумав


Это совсем немножко думал.
До сих пор пионэрские схемы из детсада используешь.
Пора уж взрослеть. Кто же контур сверху раскачивает- там полное напряжение и полный ток, ключик в такой схеме дорогой получается, а при десятках киловольт и сотнях ампер вообще нереальный.
Взрослые дяденьки давно контур раскачивают не вставая с дивана- прямо от земли и маленьким напряжением.
Контуру ведь без разницы как ты ему энергию зальешь- сверху или снизу, а вот ключик снизу получается дешовым и надежным.

_________________
я плохого не посоветую


Greyver | Post:705992 - Date: 29.12.20(20:06)
bazarov Пост: 705897 От 28.Dec.2020 (21:10)
image

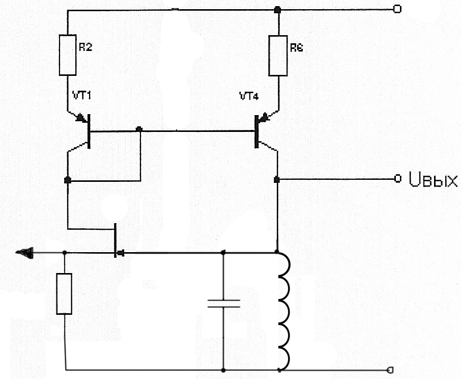
На токовом зеркале. Высокая стабильность по частоте.
Звиняюсь за вид схемы - адаптировал первую попавшуюся из инета. Номиналы придётся самому рассчитывать, если захочешь повторить.
image

Пс. Хотя... могу сфоткать оригинал с номиналами, если нуна.


Размер: 158.82 KB

_________________
Человек отличается от обезьяны умением не замечать очевидных вещей.


bazarov | Post:706008 - Date: 29.12.20(22:53)
zimnyaya Пост: 705931 От 29.Dec.2020 (01:59)
bazarov Пост: 705898 От 28.Dec.2020 (21:15)
Немного подумав решил немного увеличить схему. Если кому не видно.

Первый транзистор без смещения, через 2 остальных ломится ток...гений вышел на тропу войны 😕

Есть такая функция в электронике как бесконечность.... Так вот. На первом транзисторе конденсатор с базы на +пит нужен только для запуска схемы при включении. Открывает он транзистор примерно когда питание достигает 3-4 Вольт при +5 общего питания. А конденсатор на базу просто как интегрирующая цепочка. Его время разряда регулируется подстроечным резистором, чтобы к пику по ЭДС на КК транзистор уже закрывался. Когда напряжения КК начинает падать и упадёт ниже уровня установленного значения, эти два конденсатора начинают разряжаться подстроечным резистором вечно, тем самым запирая транзистор до очередного напряжения через диод. Если не ошибаюсь время разряда конденсатора через резистор до бесконечности называется "тау".

dedivan | Post: 705950 - Date: 29.12.2020 (01:11)
Контуру ведь без разницы как ты ему энергию зальешь- сверху или снизу, а вот ключик снизу получается дешовым и надежным.

Нам бы схему, аль чертёж, а не вашу, блин, 3,14здёжь.

Greyver | Post: 705992 - Date: 29.12.2020 (11:06)
На токовом зеркале. Высокая стабильность по частоте.

В твоей схеме всё чудесно, кроме одного.... Она у тебя классическая. Смысл в том, что верхний транзистор в моей схеме работает как КЛЮЧ. Просто открывается и к КК прикладывается всё питающее напряжение через токогасящий резистор. Таким образом, к примеру, можно использовать ижэбэтешки (как Форекс сказал) или полевики, и при этом закачивать в контур до 300, а то и 1000 Ампер. Главное чтобы резистор выдержал. Понятно? Не током питать и греть выходной транзистор как утюг, а просто ключ поставить и регулировать его уровень включения и выключения. Думаю, судя по твоим знаниям, ты знаешь для чего в солидные схемы блокинг генераторов гасящий резистор всегда на эмитерную цепь ставили. И синус чистый, и через транзистор нет импульсных токов большой мощности. Но даже при напряжении 12 Вольт и при токе 0,2 Ампера уже на КТ819 надо маленький радиатор ставить. С резистором транзистор греется меньше, но резистор раскаляется до красна. Ну это по классике, когда 2/3 по напряжению от полуволны транзистор током КК подпитывает. А мне такое нафик не надо.

К примеру. Если делать КК на напряжение 1000 Вольт и ток контура 1 Ампер, то по выпрямленному напряжению 320 Вольт весльма немлохо всего 3 Ампера по отводу в контуре как в автотрансформаторе. Мало того это можно сделать и при напряжении 10 Вольт, но ток будет по подкачке 100 Ампер. Согласись, весьма не дурно если учесть что транзистор при этом практически не греется. Обычный блокинг такое не осилит. Ну и самое интересное что при 1000 Вольт токе подкачки 1 Ампер и при добротности 10 в контуре будет 10 Ампер и габаритная мощность контура будет равняться 10 КИЛОВАТТ. А с сети на 320 будет браться ток всего 3 Ампера, что составит те же 1000 Вт потребления.

Ещё раз выложу схему.
image


Селёдка!!
Размер: 25.53 KB

_________________
Не хватит никакого здоровья, чтобы приспособиться к этому глубоко больному обществу(Кришна Мурти)/Горшки не Боги обжигают (многовековая классика)


zimnyaya | Post:706027 - Date: 30.12.20(00:44)
bazarov Пост: 706008 От 29.Dec.2020 (22:53)
Есть такая функция в электронике как бесконечность.... Так вот. На первом транзисторе конденсатор с базы на +пит нужен только для запуска схемы при включении. Открывает он транзистор примерно когда питание достигает 3-4 Вольт при +5 общего питания. А конденсатор на базу просто как интегрирующая цепочка. Его время разряда регулируется подстроечным резистором, чтобы к пику по ЭДС на КК транзистор уже закрывался. Когда напряжения КК начинает падать и упадёт ниже уровня установленного значения, эти два конденсатора начинают разряжаться подстроечным резистором вечно, тем самым запирая транзистор до очередного напряжения через диод. Если не ошибаюсь время разряда конденсатора через резистор до бесконечности называется "тау".


Нет Базаров, бесконечна только глупость.
Схема так работать не будет

_________________
Желудь-теоретик знает, как вырасти в дуб (c) Кнышев


БЮВ | Post:706028 - Date: 30.12.20(01:07)
zimnyaya Пост: 706027 От 30.Dec.2020 (00:44)

Схема так работать не будет
Ну почему же не будет, секунды две поработает, а может и пять, от транзисторов и емкостей зависит.

_________________
Дайте мне точку опоры...


Forex | Post:706033 - Date: 30.12.20(04:35)
Столько сил тратить на идиотские доказательства... Базаров. Ну собери . И потом расскажешь что получилось... 🤢 🤢

Кстати. Там схема из инета на токовом зеркале. Контур на источник тока. А ты в курсе какое выходное диффернциальное сопротивление источника тока, и источника напряжения который ты там накулепал на транзисторе VT3? 🤢

edvid | Post:706037 - Date: 30.12.20(08:19)
Интересная заготовка для экспериментов:
YouTube: Смотреть видео



олег-джан | Post:706039 - Date: 30.12.20(08:35)
Класс!
Только это не аморфное железо....

_________________
Обьективная реальность-бред,вызванный недостатком алкоголя в крови...


Forex | Post:706053 - Date: 30.12.20(11:37)
заготовка для....

Полуграмотный бред рабочего додика, который пыкает мыкает, и пару мыслей связать не может....

dedivan | Post:706055 - Date: 30.12.20(11:59)
Forex Пост: 706053 От 30.Dec.2020 (11:37)
и пару мыслей связать не может....

Так у него и нет еще пока пары.
А с одной трудно- нужно голову к жопе натягивать.

_________________
я плохого не посоветую


СовсемДикий | Post:706061 - Date: 30.12.20(12:34)
Чего вы прицепились к Базароу?
Он любитель решений такого рода.
Не мешайте человеку творить и вытворять.

dedivan | Post:706072 - Date: 30.12.20(13:18)
Да мы наоборот- говорим паяй, включай. смотри.
А он не хочет почему то....
Хочет тебя заставить.
Давай честное пионерское что спаяешь базаровскую схемку.

_________________
я плохого не посоветую


СовсемДикий | Post:706110 - Date: 30.12.20(17:47)
Злые вы. Базарини может Гений! ну, почти как Тарасенка или Анатолик.
Один только транзистор с висящей по постоянке базой что стоит. А регулировки которые сразу на пяток параметров влияют?
Никто так не делает, а он может!
А вы просто завидуете.

Greyver | Post:706111 - Date: 30.12.20(18:11)
bazarov Пост: 706008 От 29.Dec.2020 (22:53)
Если не ошибаюсь время разряда конденсатора через резистор до бесконечности называется "тау".
Ошибаешься.
image

Тау это время, за которое напряжение при заряде возрастает в е раз.

Смысл в том, что верхний транзистор в моей схеме работает как КЛЮЧ. Просто открывается и к КК прикладывается всё питающее напряжение через токогасящий резистор. Таким образом, к примеру, можно использовать ижэбэтешки (как Форекс сказал) или полевики, и при этом закачивать в контур до 300, а то и 1000 Ампер. Главное чтобы резистор выдержал. Понятно?
Понятно, что ты никогда на практике не раскачивал контур через ключ, короткими импульсами. 😊
Сообщаю, что в высокодобротный контур на резонансной частоте ты не закачаешь ни 1000 А, ни даже 300 - напряжение на контуре подстроится под открывание ключа, разность напряжений на ключе станет минимальной, в итоге ток через ключ тоже станет минимальным.
Ещё раз - высокодобротный контур. Ежель у тебя контур будет с добротностью меньше 1, то да, можно вкачать 1000 А... но тогда проще будет взять ТЭН и не париться... хотя не, для парилки само то... 😬

Пс. Для чего тебе этот велосипед?

_________________
Человек отличается от обезьяны умением не замечать очевидных вещей.


Forex | Post:706114 - Date: 30.12.20(18:35)
Тупизна какая-то. Упираться и на словах доказывать что всякий бред будет работать так-то, и так-то. И ещё столько писать.
Ну соберите, там не долго, и покажите всем... И тогда увидите что всё это работать НЕ будет!
А НЕ РАБОТАЮЩИХ глупостей, можно насочинять вагон и маленькую тележку.
Вон в детском саду и в дурдомах любят этим заниматься... 🤢

Forex | Post:706117 - Date: 30.12.20(18:40)
Вон Диван, года три назад заявлял. что ВВ щуп, с коэфициеном деления 1:1000 вот-вот заставит работать. И где? Так и не сделал. Я ему тогда ещё сказал, что таким образом, как он хотел, работать НЕ бу-дет! Либо делаешь классическим методом, либо ни чего не получится. 🤢 🤢
Есть ещё один правильный вариант. который работает, но он про него не знает и не желает знать... 😀 😀


СовсемДикий | Post:706144 - Date: 30.12.20(21:40)
Forex - он тоже гений.
Чуть по другому, как дедуган, но тоже.

Forex | Post:706153 - Date: 31.12.20(00:40)
У меня, всё что я задумал - всё, в конечном итоге работает.
И чго тут с Вами общего?

БЮВ | Post:706155 - Date: 31.12.20(01:11)
Форекс, подари базарофу своего кота, и базароф сразу начнет рабочие схемы творить и паять, может и БТГ состряпает, чеечество осчастливит. Так што не жадничай, просто подари по доброте душевной.😊

_________________
Дайте мне точку опоры...


Achiever | Post:706179 - Date: 31.12.20(11:01)
Бюв, бэтэхэ уже давно состряпан, только чеечеству он не нужен.

козлайский | Post:706335 - Date: 01.01.21(09:59)
А где этот чувак ошибается ? Расчеты и прикидки пересчитывались.вроде все правильно. все сходится.Но,как говорится,This is too good to be true. 😊
e68fcf.pdf
Размер: 576.66 KB

_________________
nature has given us ears which is always open,and a mouth which it is better to keep shut.


mebius | Post:706339 - Date: 01.01.21(11:58)
Я немного знаком с автором статьи. Он давненько, что называется, "подсел" на Авизо. Его ошибка в рассуждениях заключается в том, что после добавления к высоковольтному кондеру небольшого конденсатора для восстановления общего исходного напряжения батареи, общая энергия этой батареи не равна изначальной, до ее разряда на нагрузку.
И ток нагрузки в очередном цикле будет разряжать не только конденсатор "вольтодобавки", но и всю батарею вцелом. Так что с каждым циклом потребуется все большая величина вольтодобавки.
Короче - очередное заблуждение.

_________________
Всегда нужно быть готовым к тому, что убеждения, которых придерживался в течении долгого времени, могут оказаться ошибочными\\\". П.А.М. Дирак


dedivan | Post:706351 - Date: 01.01.21(13:07)
mebius Пост: 706339 От 01.Jan.2021 (11:58)

Короче - очередное заблуждение.

Да, но уже близко к правильному варианту.
Источник энергии правильно указан, а вот реализация ошибочная на уровне пионерского кружка.
Намеренно- ненамеренно ... хз.


_________________
я плохого не посоветую


Fil | Post:706527 - Date: 02.01.21(12:04)
козлайский Пост: 706335 От 01.Jan.2021 (09:59)
... Расчеты и прикидки пересчитывались.вроде все правильно. все сходится.Но,как говорится,This is too good to be true. 😊

А в каком месте там правильно? У меня не сошлось с его расчетами по кондеру

<] [ 1 | ... 90 | 91 | 92 | 93 | 94 | 95 | 96 | 97 | 98 | 99 | 100 | 101 | 102 | 103 | 104 | 105 | 106 | 107 | 108 | 109 | 110 | ... | 127 ] [>
🔒 Тема закрыта. Добавление новых сообщений невозможно.
Форум - Прочие идеи (разные) - Схемотехника - Доверяй, но перепроверяй!!! - Стр 100
🏠 Главная | 📚 Содержание | 💬 Форум | 📁 Файлы | 📩 Контакт