[ВХОД]
18.05.26(03:22)

mob.skif.biz

Альтернативная энергия. Оставь надежду, всяк сюда входящий...

🏠 Главная | 📚 Содержание | 💬 Форум | 📁 Файлы | 📩 Контакт
 
Резонансные генераторы
Магнитные генераторы
Механические центробежные (вихревые) генераторы
Электростатические генераторы
Водородные генераторы
Ветро- и гидро- и солнечные генераторы
Прочие идеи (разные)
О форуме
Транспорт
Оружие
Научные идеи, теории, предположения...
Экономия топлива
Коммерческие вопросы
Струйные технологии
Торсионные генераторы
Новые технологии
Барахолка
Патентный отдел
Конструкторское бюро
Нейтронная физика
Торнадо и смерчи
Гравитация и антигравитация
Сделай сам. Советы.
Медицина и здравоохранение

🖥️ | 🖨️

Форум - Электростатические генераторы - Электростатика - Бифилярная катушка Никола Тесла (valeralap) - Стр:55
<] [ 1 | ... 45 | 46 | 47 | 48 | 49 | 50 | 51 | 52 | 53 | 54 | 55 | 56 | 57 | 58 | 59 | 60 | 61 | 62 | 63 | 64 | 65 | ... | 485 ] [>
Модератор: valeralap
Первый пост темы: valeralap Post: #626158 От:08.06.2019 (08:37)
Различного рода абстрактные не связанные с темой выступления, будут удалятся. Все конструктивное будет приветствоваться. Можно оказывать помощь в виде оформления или правки, если сочтете за необходимость. Если активность будет низкая, то-от этого будет зависеть скорость вашего продвижения.
Achiever | Post:691131 - Date: 09.09.20(17:38)
valeralap Пост: 691068 От 09.Sep.2020 (14:30)
Многие из вас считают, что владеют электроникой в совершенстве. Но даже если вы сможете правильно настроить бифилярную катушку, вам по неясной для меня причине недоступно самое полезное свойство бифилярной катушки, как устройства. Парадокс, это даже не свойство бифилярной катушки усиливать мощность! Думать,- категориями Никола Тесла, очень не просто. Секрет очень прост, весь мыслительный процесс Никола Тесла был всю жизнь связан с практическим опытом! Вы же либо умничаете либо гоняете процессы на симуляторе, как показало время вы обречены на неудачу.

Это не является моим старческим сарказмом, это констатация факта!
Давай конкретнее, что ты воду льешь. Нам здесь, сейчас и сегодня не важны посторонние мифические свойства, нам нужно усиливать мощность! Будь здесь и сейчас, и люди к тебе потянутся.

Antek | Post:691134 - Date: 09.09.20(17:58)
valeralap Пост: 691068 От 09.Sep.2020 (14:30)
Парадокс, это даже не свойство бифилярной катушки усиливать мощность!

Насчёт средней мощности сомневаюсь-но имеет способность накапливать её как лазер в оптическом резонаторе.Сама катушка по себе-кусок провода-но совместно с правильной накачкой сила.И даже не бифилярная катушка-а экстракоил. Эффект наблюдается при прохождении импульсов между соседними витками или слоями.Но как тяжело читать эти доки Тесла и система измерений в те годы была другой.Тесла просто намотал несколько витков в обратную сторону к основной обмотке и увидел эффект.
Ведь как он чуть здание не разрушил-но до сих пор не могут повторить,хотя даже и чертёж устройства есть.Но всем по барабану-думать разучились.Вся соль там-кроме обычных продольных вибрационных колебаний-присутствуют ещё совместно и вращательные поперечные.Эффект как говорится на лицо.Тут нечто подобное сложение-только колебания не механические а электрические.Скорее всего бифиляр их и рождает и смешивает с поступающими и поэтому происходит накопление энергии.

_________________
А вы друзья как не садитесь-все в музыканты не годитесь.


valeralap | Post:691141 - Date: 09.09.20(18:24)
Achiever Пост: 691131 От 09.Sep.2020 (17:38)
valeralap Пост: 691068 От 09.Sep.2020 (14:30)
Многие из вас считают, что владеют электроникой в совершенстве. Но даже если вы сможете правильно настроить бифилярную катушку, вам по неясной для меня причине недоступно самое полезное свойство бифилярной катушки, как устройства. Парадокс, это даже не свойство бифилярной катушки усиливать мощность! Думать,- категориями Никола Тесла, очень не просто. Секрет очень прост, весь мыслительный процесс Никола Тесла был всю жизнь связан с практическим опытом! Вы же либо умничаете либо гоняете процессы на симуляторе, как показало время вы обречены на неудачу.

Это не является моим старческим сарказмом, это констатация факта!
Давай конкретнее, что ты воду льешь. Нам здесь, сейчас и сегодня не важны посторонние мифические свойства, нам нужно усиливать мощность! Будь здесь и сейчас, и люди к тебе потянутся.


Больше практикуйте, будет над чем думать... Куда ты лично потянешься, меня не интересует.

_________________
Чтобы слушать Иисуса Христа, нужно быть, хотя бы его апостолом!


zimnyaya | Post:691220 - Date: 10.09.20(01:38)
vorbis2004 Пост: 689648 От 30.Aug.2020 (05:39)
Может, есть смысл сначала нарисовать и обсудить структурную схему установки Валерия? Кто как её видит?

Отличная идея.
Тем более что генерирующая часть так или иначе уже есть на ветке

_________________
Желудь-теоретик знает, как вырасти в дуб (c) Кнышев


gluk | Post:691229 - Date: 10.09.20(02:43)
valeralap, чтобы получить дополнительную мощность из ничего, требуется заставить нечто в твоём устройстве создавать внутреннюю силу, которая, как давно известно, характеризуется наличием ускорения какого-либо внутреннего процесса. Другими словами, нечто в твоём устройстве должно само себя подгонять. Это является базовым показателем наличия СЕ.
А теперь подумай и приведи пример электрического устройства, которое способно само себя разгонять или хотя бы немного добавлять себе силу без внешнего воздействия.
На сегодняшний день нет ни одного варианта электрического процесса, доказывающего нарушение третьего закона Ньютона - сила действия равна силе противодействия.

П.С.: Собственно говоря, всё, что являет собой катушка индуктивности это и есть противодействие внешнему воздействию.

valeralap | Post:691231 - Date: 10.09.20(05:22)
Если верить Горпожаксу то над вами провели многоуровневое зомбирование.
Одним закон сохранения энергии мешает, другим Ньютон с действием -противодействием, образование,- куда от него деться... Обставились флажками, скалитесь друг на друга у кого авторитет выше, территория знаний у всех только флажками ограничена.
На мой взгляд, бифилярная катушка Никола Тесла по уровню значимости открытия сопоставима с холодным ядерным синтезем, а может в чем то и превосходит. Это не мишенская катушка которую можно к болячкам прикладывать...😎

_________________
Чтобы слушать Иисуса Христа, нужно быть, хотя бы его апостолом!


vorbis2004 | Post:691232 - Date: 10.09.20(06:30)
gluk Пост: 691229 От 10.Sep.2020 (02:43)

А теперь подумай и приведи пример электрического устройства, которое способно само себя разгонять или хотя бы немного добавлять себе силу без внешнего воздействия.
На сегодняшний день нет ни одного варианта электрического процесса, доказывающего нарушение третьего закона Ньютона - сила действия равна силе противодействия.



А это что? Не пример?


gluk | Post:691233 - Date: 10.09.20(06:44)
А коробочки почему не открыл с секретной батарейкой?

matros | Post:691246 - Date: 10.09.20(08:46)
как то проводил эксперимент с бифиляркой эт было давно как то параметры не запомнил но суть в том что по расчетам энергии на сопротивлении выделялось больше чем шло на питание бифилярки.

В общем дело было так: я все время гонял бифилярку как последовательный контур пытаясь снять мощу с одного из свободных концов через сопротивление на землю (питание было включено к началу одной и концу друго т.е. в разрыв), так вот подумалось что если биф работает как последовательный контур то может работать и как параллельный я замкнул этим сопротивлением начало одной обмотки и конец другой а на оставшиеся подключил генератор переменки и на сопротивлении была та же напруга как с гена но ток по расчетам был больше считал от значения сопротивления и напряжения на нем а входящий по датчику тока т.е шунту. нужно попробовать повторить и да сопротивление не стоить сильно меньше волнового брать.

_________________
Бессмыслица — искать решение, если оно и так есть. Речь идёт о том, как поступить с задачей, которая решения не имеет.(АиБ)


BAP | Post:691269 - Date: 10.09.20(12:16)
zimnyaya Пост: 691220 От 10.Sep.2020 (01:38)
vorbis2004 Пост: 689648 От 30.Aug.2020 (05:39)
Может, есть смысл сначала нарисовать и обсудить структурную схему установки Валерия? Кто как её видит?

Отличная идея.
Тем более что генерирующая часть так или иначе уже есть на ветке
Да и Валера базовую схему давал. Вот и повод:

схема
Размер: 145.07 KB

valeralap | Post:691334 - Date: 10.09.20(15:00)
BAP Пост: 691269 От 10.Sep.2020 (12:16)
zimnyaya Пост: 691220 От 10.Sep.2020 (01:38)
vorbis2004 Пост: 689648 От 30.Aug.2020 (05:39)
Может, есть смысл сначала нарисовать и обсудить структурную схему установки Валерия? Кто как её видит?

Отличная идея.
Тем более что генерирующая часть так или иначе уже есть на ветке
Да и Валера базовую схему давал. Вот и повод:


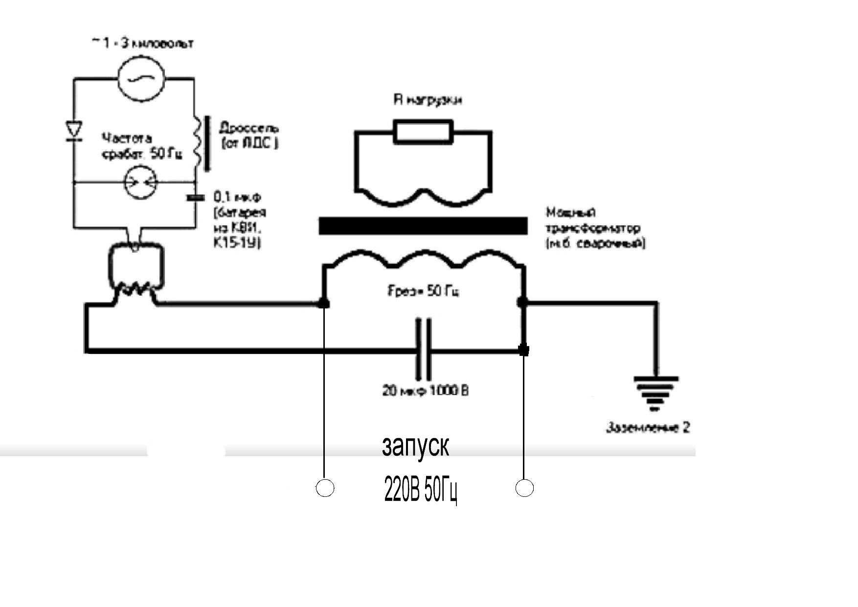
Да,- правильно, это базовый принцип, хотя в реализации можно немного видоизменять схему. Для примера даю схему сварочного трансформатора Буденного, как говорится найдите отличие...



Размер: 182.11 KB

_________________
Чтобы слушать Иисуса Христа, нужно быть, хотя бы его апостолом!


zimnyaya | Post:691350 - Date: 10.09.20(15:30)
Схему Буденного все видели уже миллион раз, и она ничего не проясняет, а только гораздо больше запутывает.
Что не удивительно, это же сварочный аппарат, а не генератор.

А вот ВАР выложил в точности то, что нужно.
После этого остается минимум вопросов

_________________
Желудь-теоретик знает, как вырасти в дуб (c) Кнышев


valeralap | Post:691359 - Date: 10.09.20(16:04)
zimnyaya Пост: 691350 От 10.Sep.2020 (15:30)
Схему Буденного все видели уже миллион раз, и она ничего не проясняет, а только гораздо больше запутывает.
Что не удивительно, это же сварочный аппарат, а не генератор.

А вот ВАР выложил в точности то, что нужно.
После этого остается минимум вопросов


На сварочнике Буденного есть все подсказки для реализации, а на первой схеме только принцип.

_________________
Чтобы слушать Иисуса Христа, нужно быть, хотя бы его апостолом!


BAP | Post:691368 - Date: 10.09.20(17:00)
Может быть вот такой вариант:

подкачка
Размер: 370.92 KB

valeralap | Post:691378 - Date: 10.09.20(17:53)
BAP Пост: 691368 От 10.Sep.2020 (17:00)
Может быть вот такой вариант:


Да, осталось настроить, без собственного опыта непреодолимый случай...

_________________
Чтобы слушать Иисуса Христа, нужно быть, хотя бы его апостолом!


sergius2 | Post:691392 - Date: 10.09.20(18:34)
valeralap здравствуйте. Если не секрет покажите пожалуйста, как выглядит
резонанс бифиляра, на осциллографе или от руки нарисуйте.

valeralap | Post:691398 - Date: 10.09.20(19:10)
sergius2 Пост: 691392 От 10.Sep.2020 (18:34)
valeralap здравствуйте. Если не секрет покажите пожалуйста, как выглядит
резонанс бифиляра, на осциллографе или от руки нарисуйте.


YouTube: Смотреть видео

_________________
Чтобы слушать Иисуса Христа, нужно быть, хотя бы его апостолом!


Syava | Post:691472 - Date: 10.09.20(23:05)
А что в белых коробочках на этом видео есл и не секрет?
YouTube: Смотреть видео


Antek | Post:691486 - Date: 11.09.20(00:45)
Отличие -импульсный ген запитан от отдельного источника ВВ -а не от повышающего транса в цепи вторички у Будённого

_________________
А вы друзья как не садитесь-все в музыканты не годитесь.


valeralap | Post:691488 - Date: 11.09.20(00:55)
В первой коробке разрядник и набор конденсаторов. Во второй, двухтактный высоковольтный преобразователь, элементы преобразования, cогласовки синхрониза́ции фильтрации.
Для думающих- практикующих абсолютно вся информация выложена.

_________________
Чтобы слушать Иисуса Христа, нужно быть, хотя бы его апостолом!


Antek | Post:691490 - Date: 11.09.20(01:01)
Ударять импульсом от разрядника нужно с частотой 50 гц в строго определённое место

_________________
А вы друзья как не садитесь-все в музыканты не годитесь.


valeralap | Post:691491 - Date: 11.09.20(01:03)
Самый главный секрет в бифилярной катушке! Это высказывание принадлежит,- Тариелю Капанадзе!

_________________
Чтобы слушать Иисуса Христа, нужно быть, хотя бы его апостолом!


Antek | Post:691494 - Date: 11.09.20(01:14)
Да и у него та же схема,что и ты повторил.только у него биф толстым проводом

_________________
А вы друзья как не садитесь-все в музыканты не годитесь.


valeralap | Post:691496 - Date: 11.09.20(01:22)
Antek Пост: 691494 От 11.Sep.2020 (01:14)
Да и у него та же схема,что и ты повторил.только у него биф толстым проводом



Размер: 139.46 KB

_________________
Чтобы слушать Иисуса Христа, нужно быть, хотя бы его апостолом!


Antek | Post:691497 - Date: 11.09.20(01:30)
valeralap Пост: 691496 От 11.Sep.2020 (01:22)
Antek Пост: 691494 От 11.Sep.2020 (01:14)
Да и у него та же схема,что и ты повторил.только у него биф толстым проводом

А почему ты так не сделал?

_________________
А вы друзья как не садитесь-все в музыканты не годитесь.


<] [ 1 | ... 45 | 46 | 47 | 48 | 49 | 50 | 51 | 52 | 53 | 54 | 55 | 56 | 57 | 58 | 59 | 60 | 61 | 62 | 63 | 64 | 65 | ... | 485 ] [>
У Вас нет прав отвечать в этой теме.
Форум - Электростатические генераторы - Электростатика - Бифилярная катушка Никола Тесла (valeralap) - Стр 55
🏠 Главная | 📚 Содержание | 💬 Форум | 📁 Файлы | 📩 Контакт