[ВХОД]

05.04.26(07:28)

mob.skif.biz

Альтернативная энергия. Оставь надежду, всяк сюда входящий...

🏠 Главная | 📚 Содержание | 💬 Форум | 📁 Файлы | 📩 Контакт

🖥️ | 🖨️

Форум - Прочие идеи (разные) - Схемотехника - Источник высокого напряжения - Стр:12
<] [ 1 | 2 | 3 | 4 | 5 | 6 | 7 | 8 | 9 | 10 | 11 | 12 | 13 | 14 | 15 | 16 | 17 | 18 | 19 | 20 | 21 | 22 | ... | 47 ] [>
Модератор: MSN
Первый пост темы: MSN Post: #677942 От:09.06.2020 (10:25)
Накопилось немало идей в том числе по тесластроению и другим интересным искрениям и для воплощения их в жизнь, стало ясно, в хозяйстве просто необходим источник высокого напряжения. Универсального и готового, по вменяемым ценам я не нашел, поэтому решил создавать самому. Чтобы в процессе создания такого источника не пропадали ценные идеи, мысли и схемотехнические решения написанные во флудилке, решил завести такую, вне всякого сомнения полезную многим тему. Тем более поиск на просторах интернета, дал не очень-то большой выбор воплощенных конструкций, а готовые изделия стоили бессовестно дорого. Ну оно и понятно, такие источники - не ширпотреб и делаются как правило на заказ, штучно, поэтому и стоят дорого.
Создания источника нужно начинать с написания ТЗ. Мысль такая: каждый решивший изготовить такой источник ВН, для себя ТЗ будет задавать самостоятельно, сообразно своим требованиям и бюджету и сможет использовать идеи и готовые части схем публикующихся схем.

Итак, мои основные требования таковы(еще будут шлифоваться в процессе):
1. Источник ВВ должен быть напряжением (25-50)кВ;
2. Ток отдаваемый источником (10-50)мА;
3. Источник должен иметь регулировку напряжения и ограничение по току.
4. Измерительные приборы на борту (киловольтметр и миллиамперметр);

Статья которая подвигла меня на изготовление такого лабораторного источника находится здесь.

Куча ссылок, которые я накопал в интернете интересуясь темой, возможно кому-то они пригодятся и устройства подойдут без переделки:

Самый простой высоковольтный генератор на базе старого телевизора
Простое устройство получения высокого напряжения
Генератор высокого напряжения из строчника на транзисторе
Стабильный источник высокого напряжения для питания ФЭУ
Схема высоковольтного преобразователя (вход 12В, вых - 700В)
Высоковольтный блок питания
Блок питания для люстры "Чижевского"
Варианты блока питания “Люстры Чижевского”
Мощные высоковольтные ИП статья в 4-х частях; Ланцов_Владимиров
Высоковольтные генераторы напряжения с емкостными накопителями энергии
Высоковольтный ИП микрофокусной Рентгеновской установки

Было бы хорошо, "накрутить" Скиф так, чтобы первая тема оставалась модерируемой постоянно. Очень удобно добавлять полезные ссылки именно в первую тему.
олег-джан | Post:679061 - Date: 17.06.20(22:03)
Кстати, я выше задавал вопрос, зря игнорят все...
Про ограничение тока на выходе...
Если там будут заявленные в тз 50кВ 50мА, то есть чполне шанс остаться в живых...
А вот если будут заряжаться кондючки на выходе....
Зто ведь не 220, прошьет на автора где угодно и когда угодно...

_________________
Обьективная реальность-бред,вызванный недостатком алкоголя в крови...


dedivan | Post:679062 - Date: 17.06.20(22:06)
олег-джан Пост: 679061 От 17.Jun.2020 (22:03)

А вот если будут заряжаться кондючки на выходе....
Зто ведь не 220, прошьет на автора где угодно и когда угодно...

Обязательно будут, а как же без коднючков?
Ничего страшного- дефибриллятор вдобавок - два в одном.

_________________
я плохого не посоветую


Syava | Post:679064 - Date: 17.06.20(22:07)
олег-джан Пост: 679061 От 17.Jun.2020 (22:03)
Кстати, я выше задавал вопрос, зря игнорят все...
Про ограничение тока на выходе...
Если там будут заявленные в тз 50кВ 50мА, то есть чполне шанс остаться в живых...
А вот если будут заряжаться кондючки на выходе....
Зто ведь не 220, прошьет на автора где угодно и когда угодно...

Про технику безопасности в ТЗ оговорено не было 😎


МSN | Post:679078 - Date: 18.06.20(00:32)
олег-джан Пост: 679056 От 17.Jun.2020 (21:40)
Такую мощность собирал, только не высокое...это заводские питальники были готовые без регулировки и стабилизации...
Не вижу причин, почему на ВВ так же не сделать...
Собираешь преобразователь по любой, удобной тебе схеме без обратных связей, лишь бы надежно молотил...
А все регулировки одним дросселем во вторичной цепи....


Не ну ты неисправим.... ты возьми, нарисуй блок схему с оконечным трансформатором и твоим дроччелем, и хоть будет предмет для обсуждения...

_________________
Говорите говорите, я всегда зеваю когда мне интересно. 99,9% всех СЕ устройств, - от неправильных измерений


МSN | Post:679079 - Date: 18.06.20(00:35)
Syava Пост: 679060 От 17.Jun.2020 (21:55)
Ладно , а что мешает зарядить флаем вв кондёр и от него через подобранный ограничительный резистор питать твою схему?
Напряжение на кондёре можно регулировать накачкой, а ток частотой


можно... только зачем ехать из Москвы в С. Петербург через Воронеж ?

_________________
Говорите говорите, я всегда зеваю когда мне интересно. 99,9% всех СЕ устройств, - от неправильных измерений


МSN | Post:679080 - Date: 18.06.20(00:46)
олег-джан Пост: 679061 От 17.Jun.2020 (22:03)
Кстати, я выше задавал вопрос, зря игнорят все...
Про ограничение тока на выходе...
Если там будут заявленные в тз 50кВ 50мА, то есть чполне шанс остаться в живых...
А вот если будут заряжаться кондючки на выходе....
Зто ведь не 220, прошьет на автора где угодно и когда угодно...


кондер на выходе 2500-5000pF
получается (2-4)Дж. Если что, - йобнет конечно знатно, однако для сравнения кондер дефибриллятора хранит ~ 200 Дж.

_________________
Говорите говорите, я всегда зеваю когда мне интересно. 99,9% всех СЕ устройств, - от неправильных измерений


Forex | Post:679088 - Date: 18.06.20(01:45)
Да-да..Есть там такой момент. Трансформаторы, платы и прочее имеет свойство пробиваться. Если просто транс то ничего. А вот если на выходе заряжаемая ёмкость... И пробой пойдёт внутрь и ещё висят всякие осцилографы и генераторы... ... Так не только всё по дороге повыжигает, но ещё всех по дороге поубивает.
Мы собрались по любому вешать опту (оптоволокно). Жизнь дороже.
(включать, выключать, модуляция там разная по уравлению итд...)

олег-джан | Post:679098 - Date: 18.06.20(09:06)
Мсн, рисунков не будет, я с телефоном нынче...
Схемки есть в сети, если сразу не понятно, как это работает(в основном бывает не понятно), то:
Последовательно со вторичкой транса,перед вяпрямителем ставится дроссель....
В нормальном состоянии он насыщен(деревяшка) и все напряжение пролетает на выход...
Если же мы подаем через диод встречное размагничивающее напряжение, петля сдвигается в обратную сторону, и соответственно, растет индуктивное сопротивление...

_________________
Обьективная реальность-бред,вызванный недостатком алкоголя в крови...


Издалека | Post:679102 - Date: 18.06.20(09:30)
Ну вот с добрым утром диванные теоретики!
Про импульсы и интегрирование вчера говорил.
Теперь ещё тут "умные" мsсли попёрли про магнитные усилители после вторички!
Генияльно! Делаем ещё одну железяку, у которой изоляция должна держать ВВ, а самое шлавное - рабочая обмотка в режиме защиты должна выдерживать падение напряжения этого самого ВВ.
Весело . . .
Ещё раз, для тех, кто в танке - двухтактный генератор "квадратного" напряжения.
Ток выдаётся в течении 99% при неизменном напряжении. Ёмкости минимальные - только на момент переключения. Даже генератор синуса не канает - на выходе должны быть ёмкости сглаживающие и их зарядка произходит только на пике. То же, что и импульсная схема примерно.
И весь контроль/регулировка на низкой стороне.

олег-джан | Post:679103 - Date: 18.06.20(09:41)
Не бухти, лумумба!😬

_________________
Обьективная реальность-бред,вызванный недостатком алкоголя в крови...


Издалека | Post:679104 - Date: 18.06.20(09:50)
олег-джан Пост: 679103 От 18.Jun.2020 (09:41)
Не бухти, лумумба!😬
Да не бухтю . .
Пытаюсь поделится опытом 5ти лет работы в серьёзной фирме, где требовались лабораторные ВВ источники как постоянки, так и переменки.
Разработано и построено больше десятка разных, работающих.

Кстати - один из блоков выдавал на выходе постоянку от -15 до +15 кВ с переходом через 0 при вращении регулировочного потенциометра или от генератора. Никаких переключателей или коммутации.
Тут кто из теоретиков может такую схемку накидать?

dedivan | Post:679106 - Date: 18.06.20(09:52)
Издалека Пост: 679102 От 18.Jun.2020 (09:30)

Теперь ещё тут "умные" мsсли попёрли про магнитные усилители после вторички!

Для напряжений 3-5 вольт, самый цимус а вот для киловольтов...
по моему даже китайцы не согласятся мотать такие катушки да еще с изоляцией.

_________________
я плохого не посоветую


Издалека | Post:679108 - Date: 18.06.20(10:04)
Ну что, теоретики - схему высоковольтного выпрямителя с плавным переходом черз ноль слабо?

Forex | Post:679118 - Date: 18.06.20(10:54)
Да говно вопрос. Два шима последовательно... Один в плюс другой в минус 🤢
Управление - суть мелкие детали. Только нах это нужно...

Forex | Post:679120 - Date: 18.06.20(10:59)
Тут я смотрю письками хотят померяться. Ну Я попозже то же вопрос задам. И могу не один. Сразу в лужу сядешь... 🤢 🤢

Издалека | Post:679121 - Date: 18.06.20(11:01)
Forex Пост: 679118 От 18.Jun.2020 (10:54)
Да говно вопрос. Два шима последовательно... Один в плюс другой в минус 🤢
Управление - суть мелкие детали. Только нах это нужно...
Схемку нарисуй и посмотри куда какой ток пойдёт
Это просто для тренировки мозгов.
Ну и в науке разное бывает нужно.

Forex | Post:679122 - Date: 18.06.20(11:04)
Да уже рисовал. И смотрел. Есть там решение. Нужно было для формиования 50 гц 220 Вольт от аккума. Потом тема отпала.. За не надобностью. 🤢
Просто так снова карячиться не буду... 🤢

Syava | Post:679123 - Date: 18.06.20(11:12)
могу такую штуку предложить, у него правда напряжение всего 6кВ, но может кому надо, все равно без дела лежит.
[ссылка]

Forex | Post:679124 - Date: 18.06.20(11:16)
Ну и в науке разное бывает нужно.

Возикнет необходимость, тогда и соберу. Если не сможем купить... 🤢

Издалека | Post:679129 - Date: 18.06.20(12:12)
Forex Пост: 679124 От 18.Jun.2020 (11:16)
тогда и соберу🤢
При таком решении получается нелинейность и каша около ноля - один надо включиь, а второй выключить.
Хорошее решение на бумаге.
Я тоже примерно с такого начинал думать.
Ещё при таком подходе получаем 2 выпрямителя в разные стороны - ток не идёт никак. Парраллельно - та же история - только теперь коротыш . . .

СНК | Post:679132 - Date: 18.06.20(12:24)
Один источник постоянного напряжения, другой - регулируемый.
Выход - разность.

_________________
Автор благодарит алфавит за любезно предоставленные буквы.(с)


Издалека | Post:679134 - Date: 18.06.20(13:13)
СНК Пост: 679132 От 18.Jun.2020 (12:24)
Один источник постоянного напряжения, другой - регулируемый.
Выход - разность.
вот правильный ответ!
Был один на -15кВ, а второй на 0 - 30
Только этот -15 нужно нагружать, что бы ток через него шёл раза в 2 больше, чем в нагрузке. Вернее у него на выходе шунт, на котором падение напряжения на максимальном выходном токе меньше 15 кВ.

ПыСы! Дяди из Симменса на начальное предложение от фирмы изготовить такой БП официпльно ответили, что это теоретически невозможно - диоды работают только в одну сторону . . .
Это до меня там было

МSN | Post:679152 - Date: 18.06.20(14:55)
Издалека Пост: 679102 От 18.Jun.2020 (09:30)
Ну вот с добрым утром диванные теоретики!
Про импульсы и интегрирование вчера говорил.
Теперь ещё тут "умные" мsсли попёрли про магнитные усилители после вторички!
Генияльно! Делаем ещё одну железяку, у которой изоляция должна держать ВВ, а самое шлавное - рабочая обмотка в режиме защиты должна выдерживать падение напряжения этого самого ВВ.
Весело . . .
Ещё раз, для тех, кто в танке - двухтактный генератор "квадратного" напряжения.
Ток выдаётся в течении 99% при неизменном напряжении. Ёмкости минимальные - только на момент переключения. Даже генератор синуса не канает - на выходе должны быть ёмкости сглаживающие и их зарядка произходит только на пике. То же, что и импульсная схема примерно.
И весь контроль/регулировка на низкой стороне.


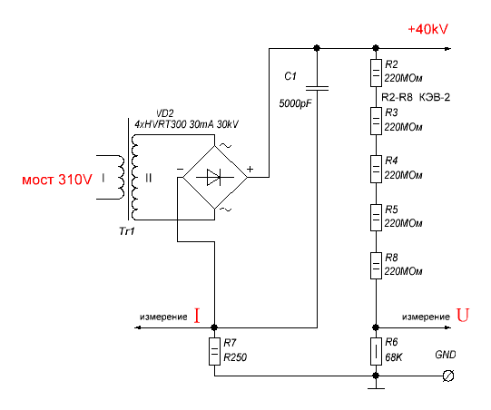
Что мешает сделать так:
-контроль на высокой;
-регулировка на низкой;
Схема высоковольтной части. Измерение U_I
Схема высоковольтной части. Измерение U_I
Размер: 8.43 KB

_________________
Говорите говорите, я всегда зеваю когда мне интересно. 99,9% всех СЕ устройств, - от неправильных измерений


МSN | Post:679158 - Date: 18.06.20(15:23)
Syava Пост: 679123 От 18.Jun.2020 (11:12)
могу такую штуку предложить, у него правда напряжение всего 6кВ, но может кому надо, все равно без дела лежит.
[ссылка]

Сява, смотри какая красота. Жаль только до 5кВ. Если была бы хотя бы 10-15, взял бы не задумываясь.
Пробойка мне нужная для тестирования и отбраковки диэлектрика, чую грядет изготовление самодельных импульсных кондеров с супермалым ESR/ А кондеры те могут быть до 10-15кВ. Та шо без такого прибора - никак. Вот сейчас в раздумьях, и скорее всего быстро сделаю пробойку на ТДКС (Сейчас Forex скажет -говно 😀 ) а ИП вторым эшелоном безо всяких регулировок тока и напряжения и остальных заморок, в конце концов напряжение можно и ЛАТРОМ регулировать а ток, - мах и падающую характеристику, - защиту от КЗ все равно он для заряда емкости (конденсаторов.)

А вот здесь уважаемый Издалека, если уж по взрослому разделять мух и котлет(пробойник и ИП для зарядки ВВ конденсаторов), я может и склонюсь к версии за которую топит дедаВаня. Это Флайбэк. Самый простой вариант, получаем Трансформатор-Дроссель в одном флаконе, тсз источник тока, КЗ не боится по определению, может работать на заряд любой емкости конденсатора....
В общем как-то так...

_________________
Говорите говорите, я всегда зеваю когда мне интересно. 99,9% всех СЕ устройств, - от неправильных измерений


Издалека | Post:679159 - Date: 18.06.20(15:25)
МSN Пост: 679152 От 18.Jun.2020 (14:55)
Что мешает сделать так:
-контроль на высокой;
-регулировка на низкой;
В принципе работает. Типовая схема.
Только несколько ньюансов -
Как замеры в ОС делать быстро и аккуратно?
Эти высокоомные вопротивления имеют совершенно поганую ЧХ за счёт ёмкостей и пр. В высоковольтных щупах стоит 6 (!) точек регулировки ЧХ потенциометрами и подстроечниками.
что делать, если требуется незаземлённый источник?

Если требуется источник просто для замеров пробойного - Flyback идёт без разговоров.
Я тут про стабилизированные ВВ блоки . . .

<] [ 1 | 2 | 3 | 4 | 5 | 6 | 7 | 8 | 9 | 10 | 11 | 12 | 13 | 14 | 15 | 16 | 17 | 18 | 19 | 20 | 21 | 22 | ... | 47 ] [>
У Вас нет прав отвечать в этой теме.
Форум - Прочие идеи (разные) - Схемотехника - Источник высокого напряжения - Стр 12
🏠 Главная | 📚 Содержание | 💬 Форум | 📁 Файлы | 📩 Контакт