[ВХОД]

🏠 Главная | 📚 Содержание | 💬 Форум | 📁 Файлы | 📩 Контакт

🖥️ | 🖨️

Форум - Прочие идеи (разные) - Схемотехника - Источник высокого напряжения - Стр:9
<] [ 1 | 2 | 3 | 4 | 5 | 6 | 7 | 8 | 9 | 10 | 11 | 12 | 13 | 14 | 15 | 16 | 17 | 18 | 19 | ... | 47 ] [>
Модератор: MSN
Первый пост темы: MSN Post: #677942 От:09.06.2020 (10:25)
Накопилось немало идей в том числе по тесластроению и другим интересным искрениям и для воплощения их в жизнь, стало ясно, в хозяйстве просто необходим источник высокого напряжения. Универсального и готового, по вменяемым ценам я не нашел, поэтому решил создавать самому. Чтобы в процессе создания такого источника не пропадали ценные идеи, мысли и схемотехнические решения написанные во флудилке, решил завести такую, вне всякого сомнения полезную многим тему. Тем более поиск на просторах интернета, дал не очень-то большой выбор воплощенных конструкций, а готовые изделия стоили бессовестно дорого. Ну оно и понятно, такие источники - не ширпотреб и делаются как правило на заказ, штучно, поэтому и стоят дорого.
Создания источника нужно начинать с написания ТЗ. Мысль такая: каждый решивший изготовить такой источник ВН, для себя ТЗ будет задавать самостоятельно, сообразно своим требованиям и бюджету и сможет использовать идеи и готовые части схем публикующихся схем.

Итак, мои основные требования таковы(еще будут шлифоваться в процессе):
1. Источник ВВ должен быть напряжением (25-50)кВ;
2. Ток отдаваемый источником (10-50)мА;
3. Источник должен иметь регулировку напряжения и ограничение по току.
4. Измерительные приборы на борту (киловольтметр и миллиамперметр);

Статья которая подвигла меня на изготовление такого лабораторного источника находится здесь.

Куча ссылок, которые я накопал в интернете интересуясь темой, возможно кому-то они пригодятся и устройства подойдут без переделки:

Самый простой высоковольтный генератор на базе старого телевизора
Простое устройство получения высокого напряжения
Генератор высокого напряжения из строчника на транзисторе
Стабильный источник высокого напряжения для питания ФЭУ
Схема высоковольтного преобразователя (вход 12В, вых - 700В)
Высоковольтный блок питания
Блок питания для люстры "Чижевского"
Варианты блока питания “Люстры Чижевского”
Мощные высоковольтные ИП статья в 4-х частях; Ланцов_Владимиров
Высоковольтные генераторы напряжения с емкостными накопителями энергии
Высоковольтный ИП микрофокусной Рентгеновской установки

Было бы хорошо, "накрутить" Скиф так, чтобы первая тема оставалась модерируемой постоянно. Очень удобно добавлять полезные ссылки именно в первую тему.
МSN | Post: #678844 - Date: 16.06.20(15:43)
zimnyaya Пост: 678841 От 16.Jun.2020 (15:17)
1.Если диоды в мосте на 30кВ, значит предельное напряжение моста будет 60кВ, не нужно там столько диодов
2.Лучше сделать удвоители во вторичной цепи вместо мостов
3.Из-за плохой связи между обмотками петля ОС будет работать с большими причудами


Осмелюсь поспорить:

1. Диоды в мосте 30 кВ, потому что такие доступны по цене. "предельное напряжение моста будет 60кВ," не будет, а теоретически может быть, но мне столько не надо, достаточно и 40кВ. И там нужно именно 4 диода, (диодный мост) потому как на вторичных обмотках трансформаторов присутствует двуполярное относительно ноля напряжение, а мы же хотим и его использовать ? Мы же не хотим использовать только 50% габаритной мощности трансформаторов ?
Ну еще объясню по другому, на выходе трансов можно поставить по ОДНОМУ диоду, но тогда придется строить систему по типу Флайбэк. А я не хочу этого. Мощность которую я планирую снять с этого ИП 40000*0,03=1200Вт, а если до 50 мА размахнуться, то это 2000Вт.
Нет конечно можно набрать феррита на 2000Вт преобразователь питая его по схеме флайбэк, но это лишние деньги на феррит, лишний вес конструкции. Конечно можно, оа собственные деньги ... нет не буду.

2. "Лучше сделать удвоители во вторичной цепи" Не лучше. Больше конденсаторов в N -раз и меньше ток в N-раз после умножителя, это значит нужно:
-больше места для монтажа;
-больше тока подать на вход умножителя, а это более дорогие диоды, ценой примерно раза в 3-5, при больших К умножения.
Короче предлагаете городить огород, да еще и за собственные деньги. Не согласен.

3. не понял пассаж о плохой связи между обмотками...
Там между вторичками ВООБЩЕ НЕТ магнитной связи, поскольку каждая из них на своем замкнутом магнитопроводе, а между первичкой и каждой из вторичек связь примерно 99,9%. В пояснении к схеме не указано, как собраны сердечники трансов. Так вот они собраны БЕЗ ЗАЗОРОВ,

ОС должна управляться сигналами с токоизмерительного шунта и с делителя напряжения подключенных к выходу Трансформаторов.
Не вижу пока причин почему это она должна работать "с большими причудами" ?

_________________
Говорите говорите, я всегда зеваю когда мне интересно. 99,9% всех СЕ устройств, - от неправильных измерений



Forex | Post: #678845 - Date: 16.06.20(15:48)
Зачем тебе ОС? Лишний гемор. Закопаешся.


МSN | Post: #678846 - Date: 16.06.20(15:53)
ОС для управление U и I .
ПОнимаю, что это усложняет конструкцию. Но надеюсь что эта тема хорошо отработана у строителей ИБП. В частности на TL494.......
Если закопаюсь, всегда можно поставить IR2153, только мы не ищем легких путей 🤢

_________________
Говорите говорите, я всегда зеваю когда мне интересно. 99,9% всех СЕ устройств, - от неправильных измерений



Forex | Post: #678847 - Date: 16.06.20(15:59)
У тебя ВВ питалово цель или способ? Поставь тупой латр и не заморачивайся.
Время больше сьэкономишь.


олег-джан | Post: #678848 - Date: 16.06.20(16:03)
Да!
И две катушки зажигания!

_________________
Обьективная реальность-бред,вызванный недостатком алкоголя в крови...



МSN | Post: #678850 - Date: 16.06.20(16:08)
Forex Пост: 678847 От 16.Jun.2020 (15:59)
У тебя ВВ питалово цель или способ? Поставь тупой латр и не заморачивайся.
Время больше сьэкономишь.

Тема - лабораторный ВВ ИП.
НО с ЛАТРом оже вариант. Латр даст изменение U.
А регулировку тока он точно не даст. Кому не критично, - вполне жизнеспособный вариант.

_________________
Говорите говорите, я всегда зеваю когда мне интересно. 99,9% всех СЕ устройств, - от неправильных измерений



олег-джан | Post: #678851 - Date: 16.06.20(16:13)
Кстати, смех-смехом, но стОит конструктивно сразу сделать ограчение тока...
Рога ведь отлетят, только в путь...

_________________
Обьективная реальность-бред,вызванный недостатком алкоголя в крови...



zimnyaya | Post: #678852 - Date: 16.06.20(16:14)
МSN Пост: 678844 От 16.Jun.2020 (15:43)
zimnyaya Пост: 678841 От 16.Jun.2020 (15:17)
1.Если диоды в мосте на 30кВ, значит предельное напряжение моста будет 60кВ, не нужно там столько диодов
2.Лучше сделать удвоители во вторичной цепи вместо мостов
3.Из-за плохой связи между обмотками петля ОС будет работать с большими причудами


Осмелюсь поспорить:

1. Диоды в мосте 30 кВ, потому что такие доступны по цене. "предельное напряжение моста будет 60кВ," не будет, а теоретически может быть, но мне столько не надо, достаточно и 40кВ. И там нужно именно 4 диода, (диодный мост) потому как на вторичных обмотках трансформаторов присутствует двуполярное относительно ноля напряжение, а мы же хотим и его использовать ? Мы же не хотим использовать только 50% габаритной мощности трансформаторов ?

Не поняла причем тут 50% мощности.
Вы схему двухполупериодного удвоителя видели?
image

2. "Лучше сделать удвоители во вторичной цепи" Не лучше. Больше конденсаторов в N -раз и меньше ток в N-раз после умножителя, это значит нужно:
-больше места для монтажа;
-больше тока подать на вход умножителя, а это более дорогие диоды, ценой примерно раза в 3-5, при больших К умножения.
Короче предлагаете городить огород, да еще и за собственные деньги. Не согласен.

Вам нужны те же самые диоды, только их нужно будет 4штуки а не 8.
Каждый удвоитель будет на 60кВ и 60мА, а общий выпрямитель на 120кВ и 60мА.
Без обид, но я рекомендую что-то почитать про расчет выпрямителей, прежде чем проектировать такое.
3. не понял пассаж о плохой связи между обмотками...
Там между вторичками ВООБЩЕ НЕТ магнитной связи, поскольку каждая из них на своем замкнутом магнитопроводе, а между первичкой и каждой из вторичек связь примерно 99,9%. В пояснении к схеме не указано, как собраны сердечники трансов. Так вот они собраны БЕЗ ЗАЗОРОВ,

ОС должна управляться сигналами с токоизмерительного шунта и с делителя напряжения подключенных к выходу Трансформаторов.
Не вижу пока причин почему это она должна работать "с большими причудами" ?

Вторичка и первичка на разных кернах - это плохо.
Для неуправляемого ИП это не страшно, просто хуже нагрузочная способность, а для вашего варианта это не вариант..
"В пояснении к схеме не указано, как собраны сердечники трансов. Так вот они собраны БЕЗ ЗАЗОРОВ" -- похоже, вы решили все грабли разом собрать...тут уж ничего не поделаешь 😡
Вероятно, эти причины вы увидите после первых взрывов.
Я вам уже говорила, что будут возникать колебания в цепи ОС из-за большой емкости вторички, плюс добавить к этому пониженный коэффициент связи...это вообще капец

_________________
Желудь-теоретик знает, как вырасти в дуб (c) Кнышев



Forex | Post: #678853 - Date: 16.06.20(16:28)
Есть очень простой метод регулировки тока. Вообще никакой электроники не надо.
Тупой как тапочек и довольно в большом диапазоне... 🤢 🤢
ПРоверял и даже хотел к себе прицепить. Но не стал. Пока за не надобностью.
Всё делаем модуляцией со скважностью. Примерно до 30 кГц. Дальше транс с выпрямителем не успевает. Но если выше 30 кГц как раз плавная регулировка и получается.
Да! Забабахай 80кГц модуляции и скважностью и будешь регулировать ток. 😀


олег-джан | Post: #678854 - Date: 16.06.20(16:39)
Все делается еще проще, без модуляций и во вторичной цепи-магнитный усилитель...
Ставится насыщаемый дроссель до выпрямителя и на него подается постоянка с выхода....
Обратная связь без захода вцепь преобразования...
Короче, в компьютерных бп такое применялось...

_________________
Обьективная реальность-бред,вызванный недостатком алкоголя в крови...



МSN | Post: #678855 - Date: 16.06.20(16:54)
Forex Пост: 678853 От 16.Jun.2020 (16:28)
Есть очень простой метод регулировки тока. Вообще никакой электроники не надо.
Тупой как тапочек и довольно в большом диапазоне... 🤢 🤢
ПРоверял и даже хотел к себе прицепить. Но не стал. Пока за не надобностью.
Всё делаем модуляцией со скважностью. Примерно до 30 кГц. Дальше транс с выпрямителем не успевает. Но если выше 30 кГц как раз плавная регулировка и получается.
Да! Забабахай 80кГц модуляции и скважностью и будешь регулировать ток. 😀


И греть феррит и радиаторы с ключами.

_________________
Говорите говорите, я всегда зеваю когда мне интересно. 99,9% всех СЕ устройств, - от неправильных измерений



Forex | Post: #678857 - Date: 16.06.20(17:05)
Что-то я не заметил что бы у меня грелось. 😀
Да... Забыл..
В частности на TL494...

Гавнос... Только если наблюдать напругу на экране осцилографа. 🤢
Если что-нить боевое, типа зарядить и бахать с килоамперными токами - забудь.. 😬


МSN | Post: #678858 - Date: 16.06.20(17:08)
to Zimnyaya
Вам нужны те же самые диоды, только их нужно будет 4штуки а не 8.
Каждый удвоитель будет на 60кВ и 60мА, а общий выпрямитель на 120кВ и 60мА.
Без обид, но я рекомендую что-то почитать про расчет выпрямителей, прежде чем проектировать такое.


Возможно и так, только вас не затруднит расчитать значение конденсаторов С1 и С2 по вашей схеме, например для 30мА и 50 мА для частоты 15 кГц и напряжения пульсации на выходе например в 1% ?

2. Первичка и вторичка будут находится НА ОДНОМ МАГНИТОПРОВОДЕ, Первичка обхватывает ОБА магнитопровода трансформатоорв.

_________________
Говорите говорите, я всегда зеваю когда мне интересно. 99,9% всех СЕ устройств, - от неправильных измерений



sbal | Post: #678859 - Date: 16.06.20(17:12)
МSN, прошу извинить за сакральный вопрос: оно, по итогам которое, будет переносное?

_________________
в пути...



МSN | Post: #678860 - Date: 16.06.20(17:15)
Forex Пост: 678857 От 16.Jun.2020 (17:05)
Что-то я не заметил что бы у меня грелось. 😀
Да... Забыл..
В частности на TL494...

Гавнос... Только если наблюдать напругу на экране осцилографа. 🤢
Если что-нить боевое, типа зарядить и бахать с килоамперными токами - забудь.. 😬


Ни в коем случае на гавнос.
TL494 используем ТОЛЬКО как ШИМ контроллер. Выходы на силовые ключи через правильные драйверы. Никаких внутренних транзисторов
контроллера + развязывающие трансформаторы и усе будет карашо.

_________________
Говорите говорите, я всегда зеваю когда мне интересно. 99,9% всех СЕ устройств, - от неправильных измерений



МSN | Post: #678861 - Date: 16.06.20(17:18)
sbal Пост: 678859 От 16.Jun.2020 (17:12)
МSN, прошу извинить за сакральный вопрос: оно, по итогам которое, будет переносное?


вообще да, по моим прикидкам уложится в размере 305х285х115 мм и по весу не должно быть тяжелее 3-х килограммов.
В карман не спрячешь, но поднять и переставить с одного места на другое - легко 😀

_________________
Говорите говорите, я всегда зеваю когда мне интересно. 99,9% всех СЕ устройств, - от неправильных измерений



sbal | Post: #678863 - Date: 16.06.20(17:23)
МSN Пост: 678861 От 16.Jun.2020 (17:18)
В карман не спрячешь, но поднять и переставить с одного места на другое - легко 😀
Спасибо, тогда вариант Олега самое оно.., это о своём, сакральном.

_________________
в пути...



Forex | Post: #678864 - Date: 16.06.20(17:27)
Ни в коем случае на гавнос.

Нет гавнос! Смотря для чего использовать. При сильных электромагнитных помехах сбиваться будет. Получишь сквозные токи и повылетают твои транзисторы. Уже было.
Надо что-нить с входами по принципу тригера Шмидта. Должны быть такие готовые.
Я не заморачивался и собрал себе свой такой генератор. Там на фото маленькая железная коробочка чуть правее центра. Хоть атомный взрыв рядом. Не собьётся.


СовсемДикий | Post: #678865 - Date: 16.06.20(17:30)
Убрать эту связь.


Размер: 11.49 KB


dedivan | Post: #678866 - Date: 16.06.20(17:51)
Forex Пост: 678864 От 16.Jun.2020 (17:27)
Ни в коем случае на гавнос.

Нет гавнос! Смотря для чего использовать.

У ТЛок сбивается триггер переключающий плечи при помехах и уносит за собой ключи. Но это только в двухтактном режиме.
В однотактном это неважно.
Вывод- выходная схема должна быть однотактной. Флай или прямоход.

_________________
я плохого не посоветую



dedivan | Post: #678867 - Date: 16.06.20(17:58)
МSN Пост: 678858 От 16.Jun.2020 (17:08)
расчитать значение конденсаторов С1 и С2


Гавновопрос. При постоянной времени равной RC пульсации будут 63%.
Чтобы пульсации были 1% постоянная должна быть в 63 раз больше чем период питающих импульсов.
Считаем - нагрузка 1 КОМ для питания 15 кгц период 67 мкс, постоянная RC нужна 4,2 мсек. отсюда емкость считаем t/R= 4,2 мкф.

На 30 килоВольт в карман не уберется.

По цене можно глянуть тут
[ссылка]

[ссылка]

_________________
я плохого не посоветую



МSN | Post: #678872 - Date: 16.06.20(18:16)
СовсемДикий Пост: 678865 От 16.Jun.2020 (17:30)
Убрать эту связь.


А чем мотивируешь ?

_________________
Говорите говорите, я всегда зеваю когда мне интересно. 99,9% всех СЕ устройств, - от неправильных измерений



Forex | Post: #678877 - Date: 16.06.20(18:35)
В однотактном это неважно.

Когда тригер сбивается возникает дребезг и довольно сильный. Я видел. Привести это может понятно к чему. Нафиг эти лишние проблеммы? Генератор по принципу тригера Шмидта собрал и нет проблемм.


МSN | Post: #678883 - Date: 16.06.20(18:45)
dedivan Пост: 678867 От 16.Jun.2020 (17:58)
МSN Пост: 678858 От 16.Jun.2020 (17:08)
расчитать значение конденсаторов С1 и С2


Гавновопрос. При постоянной времени равной RC пульсации будут 63%.
Чтобы пульсации были 1% постоянная должна быть в 63 раз больше чем период питающих импульсов.
Считаем - нагрузка 1 КОМ для питания 15 кгц период 67 мкс, постоянная RC нужна 4,2 мсек. отсюда емкость считаем t/R= 4,2 мкф.

На 30 килоВольт в карман не уберется.


Дед, логика расчетов вроде пральная, но арихметика твоя не бьет.
С какого перепуга ты взял нагрузку 1кОм ?
Чтобы получить 25мА при 40кВ нагрузка будет 1,6 МОм.

У меня получилось что два кондера впослед по 6800 pF дадут пульсацию примерно 1% . Должны они быть на 10кВ минимум.

Так вот... весь сыр-бор начался с критики Зимней, которая предложила заменить мостовой выпрямитель умножителем на два , сэкономив два ВВ диода.
ОДнако мы вместо двух конденсаторов х20кВ получаем четыре конденсатора х10кВ. Кажется то на то и выходит, а вот нет. ПО габаритам два лишних кондера это существенно. Поэтому мне кажется поставить два легких диода все же более правильный выход.
Нужно учитывать габариты ВВ кондеров да и цену их немалую.
К15У-2
Они еще и ВЧ и кварные, и вес немалый, тогда точно в 3-5 кГ не уложиться...

Такое мнение имеется. Кто опровергнет ?

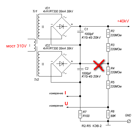
как вариант_1
как вариант_2

_________________
Говорите говорите, я всегда зеваю когда мне интересно. 99,9% всех СЕ устройств, - от неправильных измерений



СовсемДикий | Post: #678885 - Date: 16.06.20(18:47)
МSN Пост: 678872 От 16.Jun.2020 (18:16)
СовсемДикий Пост: 678865 От 16.Jun.2020 (17:30)
Убрать эту связь.


А чем мотивируешь ?

в первоначальном виде обратная связь видит только нижний мостик.


<] [ 1 | 2 | 3 | 4 | 5 | 6 | 7 | 8 | 9 | 10 | 11 | 12 | 13 | 14 | 15 | 16 | 17 | 18 | 19 | ... | 47 ] [>
У Вас нет прав отвечать в этой теме.
Форум - Прочие идеи (разные) - Схемотехника - Источник высокого напряжения - Стр 9

🏠 Главная | 📚 Содержание | 💬 Форум | 📁 Файлы | 📩 Контакт