[ВХОД]

Главная | Содержание | Форум | Файлы | Контакт
NAVIG
Резонансные генераторы
Магнитные генераторы
Механические центробежные (вихревые) генераторы
Электростатические генераторы
Водородные генераторы
Ветро- и гидро- и солнечные генераторы
Прочие идеи (разные)
О форуме
Транспорт
Оружие
Научные идеи, теории, предположения...
Экономия топлива
Коммерческие вопросы
Струйные технологии
Торсионные генераторы
Новые технологии
Барахолка
Патентный отдел
Конструкторское бюро
Нейтронная физика
Торнадо и смерчи
Гравитация и антигравитация
Сделай сам. Советы.
Медицина и здравоохранение
немобильная версия
Печатать страницу
Форум - Прочие идеи (разные) - Схемотехника - Источник высокого напряжения - Стр.14
<][1 | 2 | 3 | 4 | 5 | 6 | 7 | 8 | 9 | 10 | 11 | 12 | 13 | 14 | 15 | 16 | 17 | 18 | 19 | 20 | 21 | 22 | 23 | 24 | 25 | 26 | 27 | 28 | 29 | 30 | 31 | 32 | 33 | 34 | 35 | 36 | 37 | 38 | 39 | 40 | 41 | 42 | 43 | 44 | 45 | 46 | 47 | 48 | 49 | 50 | 51 | 52 | 53 | 54 | 55 | 56 | 57 | 58 | 59 | 60 | 61 | 62 | 63 | 64 | 65 | 66 | 67 | 68 | 69 | 70 | 71 | 72 | 73 | 74 | 75 | 76 | 77 ][>
Post:#677942 Date:09.06.2020 (10:25) ...
Накопилось немало идей в том числе по тесластроению и другим интересным искрениям и для воплощения их в жизнь, стало ясно, в хозяйстве просто необходим источник высокого напряжения. Универсального и готового, по вменяемым ценам я не нашел, поэтому решил создавать самому. Чтобы в процессе создания такого источника не пропадали ценные идеи, мысли и схемотехнические решения написанные во флудилке, решил завести такую, вне всякого сомнения полезную многим тему. Тем более поиск на просторах интернета, дал не очень-то большой выбор воплощенных конструкций, а готовые изделия стоили бессовестно дорого. Ну оно и понятно, такие источники - не ширпотреб и делаются как правило на заказ, штучно, поэтому и стоят дорого.
Создания источника нужно начинать с написания ТЗ. Мысль такая: каждый решивший изготовить такой источник ВН, для себя ТЗ будет задавать самостоятельно, сообразно своим требованиям и бюджету и сможет использовать идеи и готовые части схем публикующихся схем.

Итак, мои основные требования таковы(еще будут шлифоваться в процессе):
1. Источник ВВ должен быть напряжением (25-50)кВ;
2. Ток отдаваемый источником (10-50)мА;
3. Источник должен иметь регулировку напряжения и ограничение по току.
4. Измерительные приборы на борту (киловольтметр и миллиамперметр);

Статья которая подвигла меня на изготовление такого лабораторного источника находится здесь.

Куча ссылок, которые я накопал в интернете интересуясь темой, возможно кому-то они пригодятся и устройства подойдут без переделки:

Самый простой высоковольтный генератор на базе старого телевизора
Простое устройство получения высокого напряжения
Генератор высокого напряжения из строчника на транзисторе
Стабильный источник высокого напряжения для питания ФЭУ
Схема высоковольтного преобразователя (вход 12В, вых - 700В)
Высоковольтный блок питания
Блок питания для люстры "Чижевского"
Варианты блока питания “Люстры Чижевского”
Мощные высоковольтные ИП статья в 4-х частях; Ланцов_Владимиров
Высоковольтные генераторы напряжения с емкостными накопителями энергии
Высоковольтный ИП микрофокусной Рентгеновской установки

Было бы хорошо, "накрутить" Скиф так, чтобы первая тема оставалась модерируемой постоянно. Очень удобно добавлять полезные ссылки именно в первую тему.
МSN | Post: 678838 - Date: 16.06.20(15:01)
Неа.
Я скачал её, натянул линзу на глаз, и так и эдак....но там хер поймешь, далеко и разрешение не позволяет толком рассмотреть.
Ну ты хоть в личку кинь, посмотреть чего ты там за ноу-хау применил

_________________
Говорите говорите, я всегда зеваю когда мне интересно. 99,9% всех СЕ устройств, - от неправильных измерений
Forex | Post: 678840 - Date: 16.06.20(15:14)
НОу-хау... Гы-ы-ы-... Да там битком набито новыми решениями
Без них так бы не заработало. Там же именно полумост. Хотя все говорили что нужен только мост. ТОки очень большие пполучаются. Именно поэтому, что бы с последствиями разобраться я принципиально взял полумосст. Разобрался во вссём!
Зато теперь могу мост, на трёх фазке под 100 кВат сделать без проблемм.
И больше - структуры в параллель. НЕ люблю в корзину работать. Если уж делать, и тратить время, так что бы был задел на дальнейшее..

натянул линзу на глаз,

Ты что, увеличение в фоторедакторе так и научился ставить?

zimnyaya | Post: 678841 - Date: 16.06.20(15:17)
1.Если диоды в мосте на 30кВ, значит предельное напряжение моста будет 60кВ, не нужно там столько диодов
2.Лучше сделать удвоители во вторичной цепи вместо мостов
3.Из-за плохой связи между обмотками петля ОС будет работать с большими причудами

_________________
Желудь-теоретик знает, как вырасти в дуб (c) Кнышев
МSN | Post: 678842 - Date: 16.06.20(15:20)
" Ты что, увеличение в фоторедакторе так и научился ставить? "
Конечно научился. Это фигура речи, показывающая возмущение от плохого разрешения

_________________
Говорите говорите, я всегда зеваю когда мне интересно. 99,9% всех СЕ устройств, - от неправильных измерений
Forex | Post: 678843 - Date: 16.06.20(15:39)
показывающая возмущение от плохого разрешения

Так это же фотка для истории и для хайпа.. А не для показа деталировки..

Хотя там можно кой-чаго разглядеть. Я даже сначала сомневался. Выкладывать, не выкладывать. Потом подумал - а -всё равно ничего не поймут... Мутно слишком..

- Правка 16.06.20(15:42) - Forex
МSN | Post: 678844 - Date: 16.06.20(15:43)
zimnyaya Пост: 678841 От 16.Jun.2020 (15:17)
1.Если диоды в мосте на 30кВ, значит предельное напряжение моста будет 60кВ, не нужно там столько диодов
2.Лучше сделать удвоители во вторичной цепи вместо мостов
3.Из-за плохой связи между обмотками петля ОС будет работать с большими причудами


Осмелюсь поспорить:

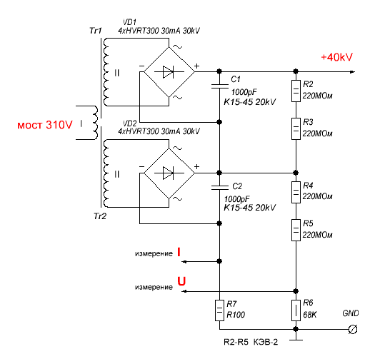
1. Диоды в мосте 30 кВ, потому что такие доступны по цене. "предельное напряжение моста будет 60кВ," не будет, а теоретически может быть, но мне столько не надо, достаточно и 40кВ. И там нужно именно 4 диода, (диодный мост) потому как на вторичных обмотках трансформаторов присутствует двуполярное относительно ноля напряжение, а мы же хотим и его использовать ? Мы же не хотим использовать только 50% габаритной мощности трансформаторов ?
Ну еще объясню по другому, на выходе трансов можно поставить по ОДНОМУ диоду, но тогда придется строить систему по типу Флайбэк. А я не хочу этого. Мощность которую я планирую снять с этого ИП 40000*0,03=1200Вт, а если до 50 мА размахнуться, то это 2000Вт.
Нет конечно можно набрать феррита на 2000Вт преобразователь питая его по схеме флайбэк, но это лишние деньги на феррит, лишний вес конструкции. Конечно можно, оа собственные деньги ... нет не буду.

2. "Лучше сделать удвоители во вторичной цепи" Не лучше. Больше конденсаторов в N -раз и меньше ток в N-раз после умножителя, это значит нужно:
-больше места для монтажа;
-больше тока подать на вход умножителя, а это более дорогие диоды, ценой примерно раза в 3-5, при больших К умножения.
Короче предлагаете городить огород, да еще и за собственные деньги. Не согласен.

3. не понял пассаж о плохой связи между обмотками...
Там между вторичками ВООБЩЕ НЕТ магнитной связи, поскольку каждая из них на своем замкнутом магнитопроводе, а между первичкой и каждой из вторичек связь примерно 99,9%. В пояснении к схеме не указано, как собраны сердечники трансов. Так вот они собраны БЕЗ ЗАЗОРОВ,

ОС должна управляться сигналами с токоизмерительного шунта и с делителя напряжения подключенных к выходу Трансформаторов.
Не вижу пока причин почему это она должна работать "с большими причудами" ?

_________________
Говорите говорите, я всегда зеваю когда мне интересно. 99,9% всех СЕ устройств, - от неправильных измерений
- Правка 16.06.20(15:50) - МSN
Forex | Post: 678845 - Date: 16.06.20(15:48)
Зачем тебе ОС? Лишний гемор. Закопаешся.

МSN | Post: 678846 - Date: 16.06.20(15:53)
ОС для управление U и I .
ПОнимаю, что это усложняет конструкцию. Но надеюсь что эта тема хорошо отработана у строителей ИБП. В частности на TL494.......
Если закопаюсь, всегда можно поставить IR2153, только мы не ищем легких путей

_________________
Говорите говорите, я всегда зеваю когда мне интересно. 99,9% всех СЕ устройств, - от неправильных измерений
Forex | Post: 678847 - Date: 16.06.20(15:59)
У тебя ВВ питалово цель или способ? Поставь тупой латр и не заморачивайся.
Время больше сьэкономишь.

олег-джан | Post: 678848 - Date: 16.06.20(16:03)
Да!
И две катушки зажигания!

_________________
Обьективная реальность-бред,вызванный недостатком алкоголя в крови...
МSN | Post: 678850 - Date: 16.06.20(16:08)
Forex Пост: 678847 От 16.Jun.2020 (15:59)
У тебя ВВ питалово цель или способ? Поставь тупой латр и не заморачивайся.
Время больше сьэкономишь.

Тема - лабораторный ВВ ИП.
НО с ЛАТРом оже вариант. Латр даст изменение U.
А регулировку тока он точно не даст. Кому не критично, - вполне жизнеспособный вариант.

_________________
Говорите говорите, я всегда зеваю когда мне интересно. 99,9% всех СЕ устройств, - от неправильных измерений
олег-джан | Post: 678851 - Date: 16.06.20(16:13)
Кстати, смех-смехом, но стОит конструктивно сразу сделать ограчение тока...
Рога ведь отлетят, только в путь...

_________________
Обьективная реальность-бред,вызванный недостатком алкоголя в крови...
zimnyaya | Post: 678852 - Date: 16.06.20(16:14)
МSN Пост: 678844 От 16.Jun.2020 (15:43)
zimnyaya Пост: 678841 От 16.Jun.2020 (15:17)
1.Если диоды в мосте на 30кВ, значит предельное напряжение моста будет 60кВ, не нужно там столько диодов
2.Лучше сделать удвоители во вторичной цепи вместо мостов
3.Из-за плохой связи между обмотками петля ОС будет работать с большими причудами


Осмелюсь поспорить:

1. Диоды в мосте 30 кВ, потому что такие доступны по цене. "предельное напряжение моста будет 60кВ," не будет, а теоретически может быть, но мне столько не надо, достаточно и 40кВ. И там нужно именно 4 диода, (диодный мост) потому как на вторичных обмотках трансформаторов присутствует двуполярное относительно ноля напряжение, а мы же хотим и его использовать ? Мы же не хотим использовать только 50% габаритной мощности трансформаторов ?

Не поняла причем тут 50% мощности.
Вы схему двухполупериодного удвоителя видели?

2. "Лучше сделать удвоители во вторичной цепи" Не лучше. Больше конденсаторов в N -раз и меньше ток в N-раз после умножителя, это значит нужно:
-больше места для монтажа;
-больше тока подать на вход умножителя, а это более дорогие диоды, ценой примерно раза в 3-5, при больших К умножения.
Короче предлагаете городить огород, да еще и за собственные деньги. Не согласен.

Вам нужны те же самые диоды, только их нужно будет 4штуки а не 8.
Каждый удвоитель будет на 60кВ и 60мА, а общий выпрямитель на 120кВ и 60мА.
Без обид, но я рекомендую что-то почитать про расчет выпрямителей, прежде чем проектировать такое.
3. не понял пассаж о плохой связи между обмотками...
Там между вторичками ВООБЩЕ НЕТ магнитной связи, поскольку каждая из них на своем замкнутом магнитопроводе, а между первичкой и каждой из вторичек связь примерно 99,9%. В пояснении к схеме не указано, как собраны сердечники трансов. Так вот они собраны БЕЗ ЗАЗОРОВ,

ОС должна управляться сигналами с токоизмерительного шунта и с делителя напряжения подключенных к выходу Трансформаторов.
Не вижу пока причин почему это она должна работать "с большими причудами" ?

Вторичка и первичка на разных кернах - это плохо.
Для неуправляемого ИП это не страшно, просто хуже нагрузочная способность, а для вашего варианта это не вариант..
"В пояснении к схеме не указано, как собраны сердечники трансов. Так вот они собраны БЕЗ ЗАЗОРОВ" -- похоже, вы решили все грабли разом собрать...тут уж ничего не поделаешь
Вероятно, эти причины вы увидите после первых взрывов.
Я вам уже говорила, что будут возникать колебания в цепи ОС из-за большой емкости вторички, плюс добавить к этому пониженный коэффициент связи...это вообще капец

_________________
Желудь-теоретик знает, как вырасти в дуб (c) Кнышев
Forex | Post: 678853 - Date: 16.06.20(16:28)
Есть очень простой метод регулировки тока. Вообще никакой электроники не надо.
Тупой как тапочек и довольно в большом диапазоне...
ПРоверял и даже хотел к себе прицепить. Но не стал. Пока за не надобностью.
Всё делаем модуляцией со скважностью. Примерно до 30 кГц. Дальше транс с выпрямителем не успевает. Но если выше 30 кГц как раз плавная регулировка и получается.
Да! Забабахай 80кГц модуляции и скважностью и будешь регулировать ток.

- Правка 16.06.20(16:29) - Forex
олег-джан | Post: 678854 - Date: 16.06.20(16:39)
Все делается еще проще, без модуляций и во вторичной цепи-магнитный усилитель...
Ставится насыщаемый дроссель до выпрямителя и на него подается постоянка с выхода....
Обратная связь без захода вцепь преобразования...
Короче, в компьютерных бп такое применялось...

_________________
Обьективная реальность-бред,вызванный недостатком алкоголя в крови...
<][1 | 2 | 3 | 4 | 5 | 6 | 7 | 8 | 9 | 10 | 11 | 12 | 13 | 14 | 15 | 16 | 17 | 18 | 19 | 20 | 21 | 22 | 23 | 24 | 25 | 26 | 27 | 28 | 29 | 30 | 31 | 32 | 33 | 34 | 35 | 36 | 37 | 38 | 39 | 40 | 41 | 42 | 43 | 44 | 45 | 46 | 47 | 48 | 49 | 50 | 51 | 52 | 53 | 54 | 55 | 56 | 57 | 58 | 59 | 60 | 61 | 62 | 63 | 64 | 65 | 66 | 67 | 68 | 69 | 70 | 71 | 72 | 73 | 74 | 75 | 76 | 77 ][>
У Вас нет прав отвечать в этой теме.
Форум - Прочие идеи (разные) - Схемотехника - Источник высокого напряжения - Стр 14

Главная | Содержание | Форум | Файлы | Контакт