[ВХОД]
27.05.26(06:40)

mob.skif.biz

Альтернативная энергия. Оставь надежду, всяк сюда входящий...

🏠 Главная | 📚 Содержание | 💬 Форум | 📁 Файлы | 📩 Контакт
 
Резонансные генераторы
Магнитные генераторы
Механические центробежные (вихревые) генераторы
Электростатические генераторы
Водородные генераторы
Ветро- и гидро- и солнечные генераторы
Прочие идеи (разные)
О форуме
Транспорт
Оружие
Научные идеи, теории, предположения...
Экономия топлива
Коммерческие вопросы
Струйные технологии
Торсионные генераторы
Новые технологии
Барахолка
Патентный отдел
Конструкторское бюро
Нейтронная физика
Торнадо и смерчи
Гравитация и антигравитация
Сделай сам. Советы.
Медицина и здравоохранение

🖥️ | 🖨️

Форум - Прочие идеи (разные) - Схемотехника - Источник высокого напряжения - Стр:7
<] [ 1 | 2 | 3 | 4 | 5 | 6 | 7 | 8 | 9 | 10 | 11 | 12 | 13 | 14 | 15 | 16 | 17 | ... | 47 ] [>
Модератор: MSN
Первый пост темы: MSN Post: #677942 От:09.06.2020 (10:25)
Накопилось немало идей в том числе по тесластроению и другим интересным искрениям и для воплощения их в жизнь, стало ясно, в хозяйстве просто необходим источник высокого напряжения. Универсального и готового, по вменяемым ценам я не нашел, поэтому решил создавать самому. Чтобы в процессе создания такого источника не пропадали ценные идеи, мысли и схемотехнические решения написанные во флудилке, решил завести такую, вне всякого сомнения полезную многим тему. Тем более поиск на просторах интернета, дал не очень-то большой выбор воплощенных конструкций, а готовые изделия стоили бессовестно дорого. Ну оно и понятно, такие источники - не ширпотреб и делаются как правило на заказ, штучно, поэтому и стоят дорого.
Создания источника нужно начинать с написания ТЗ. Мысль такая: каждый решивший изготовить такой источник ВН, для себя ТЗ будет задавать самостоятельно, сообразно своим требованиям и бюджету и сможет использовать идеи и готовые части схем публикующихся схем.

Итак, мои основные требования таковы(еще будут шлифоваться в процессе):
1. Источник ВВ должен быть напряжением (25-50)кВ;
2. Ток отдаваемый источником (10-50)мА;
3. Источник должен иметь регулировку напряжения и ограничение по току.
4. Измерительные приборы на борту (киловольтметр и миллиамперметр);

Статья которая подвигла меня на изготовление такого лабораторного источника находится здесь.

Куча ссылок, которые я накопал в интернете интересуясь темой, возможно кому-то они пригодятся и устройства подойдут без переделки:

Самый простой высоковольтный генератор на базе старого телевизора
Простое устройство получения высокого напряжения
Генератор высокого напряжения из строчника на транзисторе
Стабильный источник высокого напряжения для питания ФЭУ
Схема высоковольтного преобразователя (вход 12В, вых - 700В)
Высоковольтный блок питания
Блок питания для люстры "Чижевского"
Варианты блока питания “Люстры Чижевского”
Мощные высоковольтные ИП статья в 4-х частях; Ланцов_Владимиров
Высоковольтные генераторы напряжения с емкостными накопителями энергии
Высоковольтный ИП микрофокусной Рентгеновской установки

Было бы хорошо, "накрутить" Скиф так, чтобы первая тема оставалась модерируемой постоянно. Очень удобно добавлять полезные ссылки именно в первую тему.
МSN | Post:678440 - Date: 12.06.20(14:27)
to Издалека
Чем выпрямлялось все это ?

_________________
Говорите говорите, я всегда зеваю когда мне интересно. 99,9% всех СЕ устройств, - от неправильных измерений


Издалека | Post:678442 - Date: 12.06.20(14:47)
МSN Пост: 678440 От 12.Jun.2020 (14:27)
to Издалека
Чем выпрямлялось все это ?
Фото выкладывал
Умножитель. Залит в парафине.
При этом первый кондёр в самом блоке а на каждой стороне умножителя выведены концы первого диода из цепочки.
Если вставляешь в блок одной стороной - получаешь +, а если другой - -
Тр-р - 2 сердечника 90мм, 6 слоёв


Размер: 238.36 KB

МSN | Post:678444 - Date: 12.06.20(15:36)
оно понятно что умножитель, диоды в нем какие применялись , вот в чем интерес...

_________________
Говорите говорите, я всегда зеваю когда мне интересно. 99,9% всех СЕ устройств, - от неправильных измерений


Издалека | Post:678446 - Date: 12.06.20(15:55)
МSN Пост: 678444 От 12.Jun.2020 (15:36)
диоды в нем какие применялись , вот в чем интерес...
Что-то вроде этих
[ссылка]

Насколько помню спаивал по 3 последовательно и в трубке эпоксидкой заливал - давно было.
Два блока и умножителя лежат в гараже, но они залитые - не разобрать
Вообще выглядело как нарисованная схема умножителя - два столбика кондёров и диоды зигзагом

Forex | Post:678472 - Date: 13.06.20(02:39)
Всё! Ура!

street | Post:678497 - Date: 13.06.20(13:18)
В смысле даты шитой?
Ну, да...
Дельта между предельными и эксплуатационными настораживает.

_________________
Главное в мелочах


МSN | Post:678508 - Date: 13.06.20(15:31)
Forex Пост: 678472 От 13.Jun.2020 (02:39)
Всё! Ура!


Как ты выбираешь параметры дросселя для защиты от КЗ ?

Я бы делал его или без сердечника, или вообще с открытым сердечником так, чтобы низа что не вкатить в насыщение, а при КЗ, чтобы ток в цепи не вырастал выше 0,7 Imax для применяемых ключей. Что скажешь, такой подход будет правильным ?

И еще, что ты считаешь лучше использовать, для полумоста: схему с фиксированным потенциалом средней точки, - пару электролитов, или уменьшить емкости до резонансной и подобрать в плечи полумоста нужной емкости НЕЭЛЕКТРОЛИТЫ, таким образом придя к резонансной схеме ???
Я вижу плюс в резонансной схеме, если правильно ее организовать и заставить ключи включаться в ноль напряжения на контуре, то включение автоматом будет и в ноль тока, что явно более гут для режима ключей.
Но тогда мне видится защитный дроччель более резонно включать на выход, в высоковольтную часть. Тут я на распутье.. Что скажешь ?

_________________
Говорите говорите, я всегда зеваю когда мне интересно. 99,9% всех СЕ устройств, - от неправильных измерений


vodoprovodchik | Post:678510 - Date: 13.06.20(15:57)
Издалека Пост: 678446 От 12.Jun.2020 (15:55)

Два блока и умножителя лежат в гараже,

Посисневаюсъ спроситъ - а накой ?
Ну вот я запускал зажигание на 2-х тактник от одной магнеты . Распределитель был из диодов КД106Г (если помню).
Смысл - за один оборот магнита получить 2-е искры для 2-х цилиндров . В одном цилиндре шла положителъная искра , в другом - отрицательная.
Мотор работал без сбоев - стоял на леталке (мотодельтаплан).
А тут ...какой смысл делать большой ток в статике ? Нагрузка то по любому мелкая ?


Издалека | Post:678534 - Date: 13.06.20(19:50)
Да был проект с серьёзной короной - сделали, проработали, а потом блоки у меня как-то прижились - для самой промышленной установки этого было маловато.
Да, и диоды может были и не эти конкретные - это были такие же маленькие, расчитаные для работы только с заливкой.

МSN | Post:678540 - Date: 13.06.20(21:45)
Поскольку плясать нужно от печки (исходя из параметров применяемых ВВ_ВЧ диодов), сделал подборку.
А от их типов ну очень сильно может разниться вообще идеология построения сосно HV трансформатора и выпрямителя , каскадирование и тд...

Набросал примерный доступный список диодов, параметры Umax, Imax, t_rec (время восстановление). Цены очень приблизительные, из Чипа и Платана, с учетом того что эти занимаются доставкой и купить можно от 1шт
Наверняка все это можно купить и в других фирмах, или у китайцев раза в два дешевле.
Если кто-то имеет информацию о других доступных(доставаемых диодах), которые подходят для нас, накидывайте в тему, список подкорректирую.

P.S/ всякие там диоды от микроволновок, без нормирования t_rec (времени восстановления) нам с большой степенью вероятности не подойдут. 150 кГц нипатянут 😀
ebf0ff.docx
Размер: 13.60 KB

_________________
Говорите говорите, я всегда зеваю когда мне интересно. 99,9% всех СЕ устройств, - от неправильных измерений


Forex | Post:678549 - Date: 14.06.20(00:45)
МSN
Как ты выбираешь параметры дросселя для защиты от КЗ ?

А ни как. Ставишь дроссель и латором поднимаешь напряжение питания от нуля и добиваешмся что бы ток КЗ, при макс питании, был максимально приемлемым, для транзисторов полумоста (моста) Для моих, пила с амплитудой была 150 А амплитудного. Я подумал и убавил до 130 А и успокоился.

Я бы делал его ..... с открытым сердечником


Нельзя.
Остальное не ковырялся.

всякие там диоды от микроволновок,

Да они вообще 50-и герцовые.

МSN | Post:678550 - Date: 14.06.20(01:35)
Forex Пост: 678549 От 14.Jun.2020 (00:45)
МSN
Как ты выбираешь параметры дросселя для защиты от КЗ ?

А ни как. Ставишь дроссель и латором поднимаешь напряжение питания от нуля и добиваешмся что бы ток КЗ, при макс питании, был максимально приемлемым, для транзисторов полумоста (моста)

Я бы делал его ..... с открытым сердечником


Нельзя.


Ну то-есть как я и предполагал, ты просто описал действия по настройке системы до Imax, я написал 0,7 Imax. Но это дело вкуса и наличия стальных яиц у экспериментатора или колхозных денег на покупку транзюков по $50 за штуку 😀
Если КЗ планируются кратковременные, то броски транзюки выдержат и поболее Iмах, это часто задокументировано в даташитах, сколько и на какое время... а если чегото искранет и залипнет, тогда нужно рассчитывать на КЗ как на штатный режим..
Мне непонятен момент с открытым дросселем? Открытый я имел ввиду намотан на стержне, а не на магнитопроводе с зазором. Такой дроссель практически невозможно ввести в насыщение... единственное он будет более громоздким...


Второй вопрос по схемам, резонансная или полумост на электролитах ? Что думаешь ? НА электролитах классика ка мне думается но нужны более мощные транзюки и потери больше. Резонансная меньше потери, но сложнее в управлении.


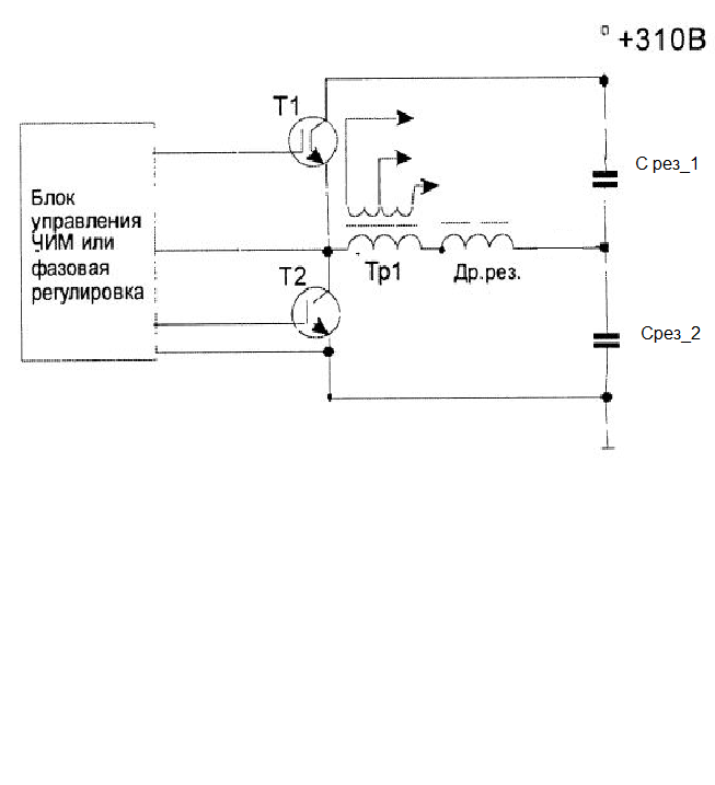
Что ты скажешь по поводу такой схемы:
image

резонансный кондер можно заменить двумя и тогда электролиты моста станут не нужны, вот так:

image



Размер: 57.85 KB

_________________
Говорите говорите, я всегда зеваю когда мне интересно. 99,9% всех СЕ устройств, - от неправильных измерений


Forex | Post:678552 - Date: 14.06.20(02:43)
Если КЗ планируются кратковременные, то броски транзюки выдержат и поболее Iмах

Это IGBT выдержат, а они тормоза. И вообще, у тебя что, много лишних транзисторов? С этой резонансной схемой Годин ковырялся. Кучу транзюков попалил. Там ещё расчёт через характеристическое сопротивление... Я попробовал - гово какое-то. Долго не юзал, взял полумост на IXFN132N50P3 и на том остановился.
Можно было десяток IRFP460 поставить, но уменя было финансирование и начхать на стоимость. Так проще.

но нужны более мощные транзюки и потери больше.

Да вот Хэ.. там. Сейчас есть ещё круче - STE139N65M5. Но денег стоят.
Зато просто. (хотя не для всех.. 😀 😀 )

Мне непонятен момент с открытым дросселем? Открытый я имел ввиду намотан на стержне, а не на магнитопроводе с зазором. Такой дроссель практически невозможно ввести в насыщение...

Нет. В первый момент времени, любые сердечники входят в насыщение даже при относительно небольших токах из- за возниковения постоянки в спектре при разложение в ряд Фурье. Я как то пытался короткие импульсы растягивать. Бесполезно. Что с сердечником, что без. ТОлько собственная индуктивность провода.

...Для IGBT это наверное наплевать. Они кратковременное КЗ держат.

Кстати я уже прикидывал. На трёх фазке, мост, на STE139N65M5 вполне реально получается около 90 кВат. Дальше модули в параллель. Хоть мегаВаты.

ТОкма надо помнить, что есть ещё нюансы, из-за которых просто так на тяп-ляп кому угодно такое не получится. Их знать надо... А они ни где не описаны 😀

[ссылка]

МSN | Post:678553 - Date: 14.06.20(03:03)
1. Помониторил литературу, решил отказаться от резонансной схемы, а остановиться на полумосте или полном H-мосте с ШИМ управлением в зависимости какая мощность понадобится.
Решение принимается не просто так... Резонансный он возможен, но при регулируемом источнике это тропа нехоженая, а цель - получить результат, а не потратить время и деньги.
2. Все больше и больше прихожу к мнению, что ВВ источник питания и пробойная установка для исследования диэлектриков это разные вещи и глупо(затратно) их совмещать в одном устройстве.
Во первых для пробойной установки нужна регулировка напряжения от ноля и режим стабилизации тока(чтобы шкурку не попортить) и мощности достаточны 100 Ватт максимум.
3. А вот мощный источник должен конечно регулировать напряжение, но в более узком диапазоне, совсем не обязательно от ноля, а при работе на заряд емкости дроссель даст ему падающую характеристику по типу сварочников, и электронное ограничение тока тут не понадобится, что должно еще более упрощать девайс.

4. Я так и не понял по поводу дросселя ? Чисто на воздухе, медная катушка и все ? Даже если как ты говоришь в первый момент он залетает в насыщение по любому, то существует ОС. Завести сигнал в контроллер, или вообще стопорить генерацию на этот момент....

5. "...мост, на STE139N65M5..."
Не... это для суровых челябинских парней 🤢🤢🤢
image
">болты крепления радиатора для STE139N65M5

_________________
Говорите говорите, я всегда зеваю когда мне интересно. 99,9% всех СЕ устройств, - от неправильных измерений


Forex | Post:678566 - Date: 14.06.20(12:25)
5. "...мост, на STE139N65M5..."
Ты чё? 😳 Шума шошёл? 🤢 Мост на таких монстрах на 220. Я имел ввиду полумост! Для простоты и компактности. Выше крыши!

Даже если как ты говоришь в первый момент он залетает в насыщение по любому, то существует ОС. Завести сигнал в контроллер, или вообще стопорить генерацию на этот момент....

Некоторые так и делают. И ещё при включении, начинается с предельно большой скважжности, и за несколько периодов достигает нужной.
Для наглядности - посмотри форму входного тока первички обычного транса на 220 в момент включения в розетку. 😀 Первые броски 40-50 А , потом спадают до тока хх. (транс 100 вт)

ВВ источник питания и пробойная установка для исследования диэлектриков это разные вещи и глупо(затратно) их совмещать в одном устройстве.

А я про что говорил? 😀 Да там и 100 вт много. При пробое образец начнёт гореть. А надо что бы был искорки показывающие наличие пробоя. Поэтому только строчник. ГОТОВЫЙ!

Чисто на воздухе, медная катушка и все ?

А ты думаешь там так много надо? Я меня дроссель после полумоста - 2,3 микроГенри.
Только шиной от выходной обмотки транса "камака"


А вот мощный источник должен конечно регулировать напряжение, но в более узком диапазоне,

А нах? Лишнее трахание.. 🤢 🤢 🤢

Forex | Post:678628 - Date: 14.06.20(20:51)
Ну чё? Фотку показать, не показать? 🤢
Мне вообщем пох. Могу и не показывать...

МSN | Post:678637 - Date: 14.06.20(22:59)
Фотки оно всегда полезно будет. Только снаружи мы уже видли, теперь давай внутри.
Я только за!

_________________
Говорите говорите, я всегда зеваю когда мне интересно. 99,9% всех СЕ устройств, - от неправильных измерений


Forex | Post:678642 - Date: 14.06.20(23:52)
внутри.

Это я и имел ввиду. Но... Только в начале сборки... Конечный резалт и с высоким разрешением ни дам! 🤢

Forex | Post:678665 - Date: 15.06.20(10:42)
Я так подумал... Один чОрт ни кто ни чего не поймёт. Хотя... Кое-что разглядеть и можно. 🤢
Это почти самое начало. Думал будет просто. Ан нет. Решишь одну проблемму, вырастает новых две. Их решишь - ещё три. Итд.. Ну вообщем постепенно все порешал. Даже те которые мне говорили невозможно. Ничё, сделал!
...Батут работает! 🤢

Высоковольтный транс хорошо вышел. Не видно как сделан... 😀


Размер: 124.20 KB

Издалека | Post:678669 - Date: 15.06.20(11:00)
Блин!
Ну точь, как у меня на столе - и паяльник, и щуп . . .
Кстати - залей его хорошим маслом!
Газ выходит и он начинает подыхать.

Forex | Post:678670 - Date: 15.06.20(11:01)
Кого,... паяльник? 🤢

Издалека | Post:678673 - Date: 15.06.20(11:10)
Forex Пост: 678670 От 15.Jun.2020 (11:01)
Кого,... паяльник? 🤢
Щуп!
Он с завода внутри надут газом.
Потом герметичность теряется и он напряжение не держит.

Forex | Post:678675 - Date: 15.06.20(11:17)
Какой газ? Это Тектроникс. P6015.
image
wing.com/pngs/977/664/png-transparent-test-probe-oscilloscope-tektronix-high-voltage-amplifiers.png
Он залит кремнеорганикой и вообще не убиваемый.
image
wing.com/pngs/977/664/png-transparent-test-probe-oscilloscope-tektronix-high-voltage-amplifiers.png

СНК | Post:678679 - Date: 15.06.20(11:40)
Издалека Пост: 678669 От 15.Jun.2020 (11:00)


А у вас физлицо может свободно приобрести какую нибудь САПР для себя?

_________________
Автор благодарит алфавит за любезно предоставленные буквы.(с)


Издалека | Post:678717 - Date: 15.06.20(14:04)
Forex Пост: 678675 От 15.Jun.2020 (11:17)
Какой газ? Это Тектроникс. P6015.
image
wing.com/pngs/977/664/png-transparent-test-probe-oscilloscope-tektronix-high-voltage-amplifiers.png
Он залит кремнеорганикой и вообще не убиваемый.

Это они сейчас их заливают.
У меня 2 шт из первых - там закачивали газ и давали балон в коробке со щупом для подзарядки. Когда газ потихоньку выходил - он начинал коронить внутри и не держал макс напряжение. Нужно было опять подкачать - точно, как газовую зажигалку. Потом зелёные газ запретили и нельзя было купить ещё для подзарядки.
Выглядит абсолютно одентично
Я уже сам, потом залил их.
ИМХО они и пластик прозрачный поставили, что бы разряд было видно.
Мож и ошибаюсь

<] [ 1 | 2 | 3 | 4 | 5 | 6 | 7 | 8 | 9 | 10 | 11 | 12 | 13 | 14 | 15 | 16 | 17 | ... | 47 ] [>
У Вас нет прав отвечать в этой теме.
Форум - Прочие идеи (разные) - Схемотехника - Источник высокого напряжения - Стр 7
🏠 Главная | 📚 Содержание | 💬 Форум | 📁 Файлы | 📩 Контакт