[ВХОД]
19.05.26(11:24)

mob.skif.biz

Альтернативная энергия. Оставь надежду, всяк сюда входящий...

🏠 Главная | 📚 Содержание | 💬 Форум | 📁 Файлы | 📩 Контакт
 
Резонансные генераторы
Магнитные генераторы
Механические центробежные (вихревые) генераторы
Электростатические генераторы
Водородные генераторы
Ветро- и гидро- и солнечные генераторы
Прочие идеи (разные)
О форуме
Транспорт
Оружие
Научные идеи, теории, предположения...
Экономия топлива
Коммерческие вопросы
Струйные технологии
Торсионные генераторы
Новые технологии
Барахолка
Патентный отдел
Конструкторское бюро
Нейтронная физика
Торнадо и смерчи
Гравитация и антигравитация
Сделай сам. Советы.
Медицина и здравоохранение

🖥️ | 🖨️

Форум - Резонансные генераторы - Резонанс Мельниченко - И снова мельниченко! - Стр:46
<] [ 1 | ... 36 | 37 | 38 | 39 | 40 | 41 | 42 | 43 | 44 | 45 | 46 | 47 | 48 | 49 | 50 | 51 | 52 | 53 | 54 | 55 | 56 | ... | 61 ] [>
Модератор: dencyaupin
Первый пост темы: dencyaupin Post: #280430 От:20.12.2010 (09:59)
Под шумок так сказать вылез Мельниченко! [ссылка]
Well | Post:675708 - Date: 19.05.20(18:21)
Greyver Пост: 675707 От 19.May.2020 (18:20)
Well Пост: 675693 От 19.May.2020 (17:29)
Greyver Пост: 675692 От 19.May.2020 (17:26)
sharp Пост: 675497 От 18.May.2020 (23:50)
Ускорение - это только для удобства расчета силы.
Вообще-то, это ОПРЕДЕЛЕНИЕ силы. 😊 Другого "расчёта" для силы нет.

Ничего подобного, вся сила в инертной массе, а ускорение это лишь её характеристика, в смысле характеристика инертной массы.
Почитай труды Ньютона, нашего, Исаака... или у вас уже самоизоляция закончилась? Ежель да, тады ой, упустил ты свой шанс... 😎

Ньютон был не прав, потому что он изучал гравитационные явления, а не инерционные.

Stels | Post:675709 - Date: 19.05.20(18:23)
Вся сила в правде! А правда скрывается! 😛

_________________
Из ничего ничто произойти не может; ничто существующее не может быть уничтожено, и всякое изменение состоит лишь в соединении и разделении. Демокрит 460-370 гг. до н....


Greyver | Post:675711 - Date: 19.05.20(18:27)
zimnyaya Пост: 675616 От 19.May.2020 (13:35)
Мне вот интересно, тут по схеме какие то вопросы принимаются, или так и будет сплошное дуркование?
Судя по тому, кого тут резко набежало, оне хочут затоптать тему в зародыше, дуркованием, ага.
Так что не обращай внимания на топотание ногами и прочий инфошум.

_________________
Человек отличается от обезьяны умением не замечать очевидных вещей.


Well | Post:675712 - Date: 19.05.20(18:28)
Stels Пост: 675709 От 19.May.2020 (18:23)
Вся сила в правде! А правда скрывается! 😛

В природе правда не скрывается, правда скрывается в социуме, потому что большинство людей эгоисты!

Well | Post:675713 - Date: 19.05.20(18:29)
Greyver Пост: 675711 От 19.May.2020 (18:27)
zimnyaya Пост: 675616 От 19.May.2020 (13:35)
Мне вот интересно, тут по схеме какие то вопросы принимаются, или так и будет сплошное дуркование?
Судя по тому, кого тут резко набежало, оне хочут затоптать тему в зародыше, дуркованием, ага.
Так что не обращай внимания на топотание ногами и прочий инфошум.

Я не набегал, я всё по делу излагаю.

sharp | Post:675715 - Date: 19.05.20(18:32)
Greyver Пост: 675692 От 19.May.2020 (17:26)
sharp Пост: 675497 От 18.May.2020 (23:50)
Ускорение - это только для удобства расчета силы.
Вообще-то, это ОПРЕДЕЛЕНИЕ силы. 😊 Другого "расчёта" для силы нет.

кладешь на рычажные весы груз и уравновешиваешь гирькой.
Где ускорение?
А сила известна.
Цепляешь груз на веревку и раскручиваешь.
Радиального ускорения нет, но сила рвет веревку.

Well | Post:675716 - Date: 19.05.20(18:38)
sharp Пост: 675715 От 19.May.2020 (18:32)
Greyver Пост: 675692 От 19.May.2020 (17:26)
sharp Пост: 675497 От 18.May.2020 (23:50)
Ускорение - это только для удобства расчета силы.
Вообще-то, это ОПРЕДЕЛЕНИЕ силы. 😊 Другого "расчёта" для силы нет.

кладешь на рычажные весы груз и уравновешиваешь гирькой.
Где ускорение?
А сила известна.

Слова не мальчика, но мужа!
В определении силы инерционная масса первостепенна, всё остальное следствие проявления инерционной массы.

Greyver | Post:675717 - Date: 19.05.20(18:42)
Well Пост: 675708 От 19.May.2020 (18:21)
Ньютон был не прав, потому что он изучал гравитационные явления, а не инерционные.
🤢 Тебя в педии забанили?
Класси́ческая тео́рия тяготе́ния Ньютона (Зако́н всемирного тяготе́ния Ньютона) — закон был открыт Ньютоном около 1666 года, опубликован в 1687 году в «Началах» Ньютона.

Гравитационная постоянная фигурирует в современной записи закона всемирного тяготения, однако отсутствовала в явном виде у Ньютона и в работах других ученых вплоть до начала XIX века

Впервые понятие гравитационного потенциала ввёл в науку Адриен Мари Лежандр в конце XVIII века.
Сопоставить даты могём? Или не?
И таки да
«Математические начала натуральной философии» (лат. Philosophiæ Naturalis Principia Mathematica) — фундаментальный труд Ньютона,

Первая книга
В первой главе (главы в труде называются отделами) Ньютон определяет базовые понятия — масса, сила, инерция («врождённая сила материи»), количество движения и др.

_________________
Человек отличается от обезьяны умением не замечать очевидных вещей.


zimnyaya | Post:675718 - Date: 19.05.20(18:45)
Well Пост: 675712 От 19.May.2020 (18:28)
Stels Пост: 675709 От 19.May.2020 (18:23)
Вся сила в правде! А правда скрывается! 😛

В природе правда не скрывается, правда скрывается в социуме, потому что большинство людей эгоисты!

Эгоизм это основа жизни вообще то.
Только благодаря эгоизму наше тело не распадается на атомы, так как постоянно содержать и собирать воедино тело - это эгоистичное намерение нашего духа 😬
Отсюда же растёт корень прочих видов стяжания, это чисто энергетические процессы, ими заведует мощный слой автоматики в организме.
Минутка оффтопика завершена! 😈

_________________
Желудь-теоретик знает, как вырасти в дуб (c) Кнышев


Greyver | Post:675719 - Date: 19.05.20(18:49)
sharp Пост: 675715 От 19.May.2020 (18:32)
Greyver Пост: 675692 От 19.May.2020 (17:26)
sharp Пост: 675497 От 18.May.2020 (23:50)
Ускорение - это только для удобства расчета силы.
Вообще-то, это ОПРЕДЕЛЕНИЕ силы. 😊 Другого "расчёта" для силы нет.

кладешь на рычажные весы груз и уравновешиваешь гирькой.
Где ускорение?
А сила известна.
В первоначальном варианте были пружинные весы - масса измерялась на основании закона Гука. Ну, с измерением ускорения, сам понимаешь, проблем не было. 😊

_________________
Человек отличается от обезьяны умением не замечать очевидных вещей.


Well | Post:675721 - Date: 19.05.20(18:51)
zimnyaya Пост: 675718 От 19.May.2020 (18:45)
Well Пост: 675712 От 19.May.2020 (18:28)
Stels Пост: 675709 От 19.May.2020 (18:23)
Вся сила в правде! А правда скрывается! 😛

В природе правда не скрывается, правда скрывается в социуме, потому что большинство людей эгоисты!

Эгоизм это основа жизни вообще то.
Только благодаря эгоизму наше тело не распадается на атомы, так как постоянно содержать и собирать воедино тело - это эгоистичное намерение нашего духа 😬
Отсюда же растёт корень прочих видов стяжания, это чисто энергетические процессы, ими заведует мощный слой автоматики в организме.
Минутка оффтопика завершена! 😈

Лично мне эгоизм моего костно-кожано-водного скафандра очень мешает, жду не дождусь момента, когда смогу его снять, а пока стараюсь содержать его в порядке.

sharp | Post:675722 - Date: 19.05.20(18:53)
какое ж ускорение у пружинных весах?
Пружина оттянулась и застыла в нужном положении. Это она показала силу, действующую на пружину.
Но ускорения нет - его ввели для унифицирования силы И гравитационный коэффициент ускорением назвали.

Greyver | Post:675723 - Date: 19.05.20(18:53)
Well Пост: 675713 От 19.May.2020 (18:29)
Я не набегал, я всё по делу излагаю.
Вообще-то я не тебя имел ввиду - с твоими ветряками всё прозрачно ясно, имеешь право на своё мнение. 😊

_________________
Человек отличается от обезьяны умением не замечать очевидных вещей.


Well | Post:675724 - Date: 19.05.20(18:54)
Greyver Пост: 675723 От 19.May.2020 (18:53)
Well Пост: 675713 От 19.May.2020 (18:29)
Я не набегал, я всё по делу излагаю.
Вообще-то я не тебя имел ввиду - с твоими ветряками всё прозрачно ясно, имеешь право на своё мнение. 😊

Ну вообще то я здесь флужу набегами.

texnik | Post:675726 - Date: 19.05.20(19:26)
zimnyaya Пост: 675671 От 19.May.2020 (16:12)
Well Пост: 675670 От 19.May.2020 (16:02)
street Пост: 675667 От 19.May.2020 (15:56)
А, по-человечески,... это , как?...

По человечески это априори поверить Valerlap-у, так как он совершенно искренен в том, что представляет вниманию уважаемых форумчан.

Человек так устроен, что ему легче поверить в то, что он понимает.
Или думает, что понимает.
Именно поэтому все будут до посинения искать СЕ в очень понятных для себя вещах.
Я вот совершенно не понимаю, зачем верить valerlap-у, когда можно проверить всё самостоятельно.
Заодно узнать для себя много нового в тех областях, где ты ни бум-бум вообще
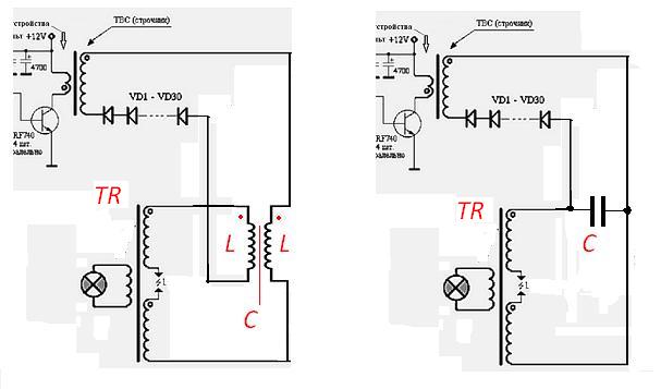
Тут важно понять, в каком звене происходит прирост энергии (если это действительно происходит😎 ) Так как, на выходном трансформаторе разряжается межобмоточная емкость бифилиара, то, надо убрать бифиляр и поставить конденсатор. Я думаю, у ВалераГена будут прежние показатели😊


Размер: 26.64 KB

Greyver | Post:675727 - Date: 19.05.20(19:33)
sharp Пост: 675722 От 19.May.2020 (18:53)
какое ж ускорение у пружинных весах?
Пружина оттянулась и застыла в нужном положении. Это она показала силу, действующую на пружину.
Лана, уговорил 😊 - до Нью-тона под "силой" каждый имел ввиду что-то своё, девичье. Потом сошлись на том, что любая сила порождает движение - какбэ по величине-характеристике этого движения можно судить о величине "силы", вызвавшей это движение.
Следующим шагом Ньютон разделяет движения на две группы - равномерное и прямолинейное, где нет сил (инерциальные системы отсчёта). Вторая группа движений - равноускоренные движения, которые Ньютон и сопоставил с величиной силы, которая вызывает это ускорение. Коэффициент пропорциональности между ускорением и вызвавшей его силой есть "масса" тела. Вот как раз этот коэффициент "масса" и определялся при помощи пружинных весов, в попугаях.

Пс. Почитай, если не лень
Пуанкаре "О науке". Наука и гипотеза. Часть III. Сила.
Итак, нам приходится вернуться к определению Кирхгофа: сила равна массе, умноженной на ускорение. Теперь этот «закон Ньютона» выступает уже не как экспериментальный закон, а только как определение.
[ссылка]

_________________
Человек отличается от обезьяны умением не замечать очевидных вещей.


sharp | Post:675730 - Date: 19.05.20(19:59)
Если вместо ускорения присутствует некий коэффициент не зависящий от времени, то мы понимаем, что энергия - это не функция времени, а функия силы.
Вроде ерунда, но любопытно.

dedivan | Post:675731 - Date: 19.05.20(20:05)
texnik Пост: 675726 От 19.May.2020 (19:26)
надо убрать бифиляр и поставить конденсатор. Я думаю, у ВалераГена будут прежние показатели😊

Убери и строчник- замени на источник напряжения.
Все упростится до искровика Теслы.
Но бифиляр это не просто конденсатор- это колебательный контур, и он может выступать гасителем дуги в разряде. С кондером гашения не будет.
СЕ тут все равно не будет, но дугу нужно гасить регулярно.

_________________
я плохого не посоветую


Stels | Post:675732 - Date: 19.05.20(20:18)
А что строчник с диодами 60 кв выдает?😳 Умножитель там не нужен случайно?

_________________
Из ничего ничто произойти не может; ничто существующее не может быть уничтожено, и всякое изменение состоит лишь в соединении и разделении. Демокрит 460-370 гг. до н....


texnik | Post:675733 - Date: 19.05.20(20:19)
dedivan Пост: 675731 От 19.May.2020 (20:05)
texnik Пост: 675726 От 19.May.2020 (19:26)
надо убрать бифиляр и поставить конденсатор. Я думаю, у ВалераГена будут прежние показатели😊

Убери и строчник- замени на источник напряжения.
Все упростится до искровика Теслы.
Но бифиляр это не просто конденсатор- это колебательный контур, и он может выступать гасителем дуги в разряде. С кондером гашения не будет.
СЕ тут все равно не будет, но дугу нужно гасить регулярно.
Дед, если погасить дугу, то заглохнит и колебательный процес выходном трансформаторе. Дуга поддерживает связь между L и С разве не так?

texnik | Post:675734 - Date: 19.05.20(20:24)
Stels Пост: 675732 От 19.May.2020 (20:18)
А что строчник с диодами 60 кв выдает?😳 Умножитель там не нужен случайно?
Валера что то перепутал. Зачем там такое напряжение, бифиляр пробется за просто...

dedivan | Post:675736 - Date: 19.05.20(20:28)
texnik Пост: 675733 От 19.May.2020 (20:19)

Дед, если погасить дугу, то заглохнит и колебательный процес выходном трансформаторе. Дуга поддерживает связь между L и С Разве не так?

Если ее не гасить- она замкнет источник накоротко.
Тесла над чем и работал постоянно- над способами гашения дуги.
У него сотня патентов по способам гашения.
А самое интересное в дуге- это момент ее зажигания- вот он то и сверхединичен.

_________________
я плохого не посоветую


dedivan | Post:675737 - Date: 19.05.20(20:30)
texnik Пост: 675734 От 19.May.2020 (20:24)
Валера что то перепутал. Зачем там такое напряжение, бифиляр пробется за просто...

Нет не перепутал. Со строчника идет 10-15 кв, а остальное вырастает за счет резонанса на контуре из бифиляра.

_________________
я плохого не посоветую


zimnyaya | Post:675738 - Date: 19.05.20(20:52)
Нет там никакого резонанса.
Чтобы воспользоваться резонансом, нужно время на на раскачку контура, а чем добротнее контур, тем больше полупериодов он будет раскачиваться.
Тут похоже вообще никто не понял, что там происходит

_________________
Желудь-теоретик знает, как вырасти в дуб (c) Кнышев


texnik | Post:675740 - Date: 19.05.20(20:58)
dedivan Пост: 675736 От 19.May.2020 (20:28)
texnik Пост: 675733 От 19.May.2020 (20:19)

Дед, если погасить дугу, то заглохнит и колебательный процес выходном трансформаторе. Дуга поддерживает связь между L и С Разве не так?

Если ее не гасить- она замкнет источник накоротко.
Тесла над чем и работал постоянно- над способами гашения дуги.
У него сотня патентов по способам гашения.
А самое интересное в дуге- это момент ее зажигания- вот он то и сверхединичен.
Нет не замкнёт. В трансформаторе ВЧ перемнка и бифиляр работает как дроссель - развязивает. Вспомни как работает выходной каскад лампових передатчиков. Между анодом и источником питания, дроссель ставят...

<] [ 1 | ... 36 | 37 | 38 | 39 | 40 | 41 | 42 | 43 | 44 | 45 | 46 | 47 | 48 | 49 | 50 | 51 | 52 | 53 | 54 | 55 | 56 | ... | 61 ] [>
У Вас нет прав отвечать в этой теме.
Форум - Резонансные генераторы - Резонанс Мельниченко - И снова мельниченко! - Стр 46
🏠 Главная | 📚 Содержание | 💬 Форум | 📁 Файлы | 📩 Контакт