[ВХОД]
13.05.26(07:26)

mob.skif.biz

Альтернативная энергия. Оставь надежду, всяк сюда входящий...

🏠 Главная | 📚 Содержание | 💬 Форум | 📁 Файлы | 📩 Контакт
 
Резонансные генераторы
Магнитные генераторы
Механические центробежные (вихревые) генераторы
Электростатические генераторы
Водородные генераторы
Ветро- и гидро- и солнечные генераторы
Прочие идеи (разные)
О форуме
Транспорт
Оружие
Научные идеи, теории, предположения...
Экономия топлива
Коммерческие вопросы
Струйные технологии
Торсионные генераторы
Новые технологии
Барахолка
Патентный отдел
Конструкторское бюро
Нейтронная физика
Торнадо и смерчи
Гравитация и антигравитация
Сделай сам. Советы.
Медицина и здравоохранение

🖥️ | 🖨️

Форум - Магнитные генераторы - Генератор Хаббарда - Испытания генератора Хаббарда - Стр:161
<] [ 1 | ... 151 | 152 | 153 | 154 | 155 | 156 | 157 | 158 | 159 | 160 | 161 | 162 | 163 | 164 | 165 | 166 | 167 | 168 | 169 | 170 | 171 | ... | 201 ] [>
Модератор: Gecko
Первый пост темы: Gecko Post: #108 От:08.04.2004 (17:49)
Насчет отрицательных результатов - могу вас порадовать, я лично пробовал собрать генератор Хаббарда( Если кому-то интересно могу рассказать, что я брал, сколько витков мотал, в общем все числовые данные на эту тему. Для неверующих могу прислать фотку, он у меня еще где-то лежит smile ), так вот, он успешно не работает. Второй конденсатор для резонанса я не ставил, мне и так стало ясно, что не выйдет. Может, конечно, я что-то не так собрал, или материалы у меня не те были (сердечники, к примеру, надо какие-то особые или еще чего), не работает он у меня, и все тут !
Вам бы на форуме надо добавить раздел теоретических рассуждений,
для обсуждения общих принципов работы всех этих сверьединичных устройств, а так же принципов, из-за которых они не работают
Vladimir | Post:532038 - Date: 15.03.17(23:37)
missioner Пост: 532007 От 15.Mar.2017 (15:56)
...Сейчас сходил проверить индуктивность советского автомобильного реле стартера.Прибор Измеритель LCR E7-8. Показания:
Разомкнутый 34,44 mHn
Замкнутый. 35,09mHn.

И чё?😨

detector | Post:532039 - Date: 15.03.17(23:46)
missioner
На твоем фото уже видны к.з. витки катушки реле.
,,Свежего,, не нашлось?

missioner | Post:532053 - Date: 16.03.17(06:18)
detector Пост: 532039 От 15.Mar.2017 (23:46)
missioner
На твоем фото уже видны к.з. витки катушки реле.
,,Свежего,, не нашлось?
Похоже ты прав,надо с луной проверить...При подаче тока оно работало...

_________________
Здесь хранится СЕ суперавтотрансгенератор https://www.skif.biz/index.php?name=Forums&file=viewtopic&p=875842#875842 https://disk.yandex.ru/d/T_H9tIHpXVb8dw Дополненная версия с видео: https://disk.yandex.ru/d/RUQMOtXIHzRo7Q


street | Post:532058 - Date: 16.03.17(07:32)
Barmalei Пост: 531993 От 15.Mar.2017 (14:35)
Че все апять здох и этот виличайший из гур. учитесь перезарижать кандер с повышением на нем напруги.

Стало быть теперь ты стал величайшим из гур.
Учи нас бестолочей. Не отлынивай.

_________________
Главное в мелочах


street | Post:532063 - Date: 16.03.17(08:49)
Vladimir Пост: 532038 От 15.Mar.2017 (23:37)
missioner Пост: 532007 От 15.Mar.2017 (15:56)
...Сейчас сходил проверить индуктивность советского автомобильного реле стартера.Прибор Измеритель LCR E7-8. Показания:
Разомкнутый 34,44 mHn
Замкнутый. 35,09mHn.

И чё?😨

Вероятно, смысл в том , чтоб снять энергию ОЭДС при замкнутом сердечнике , подавая импульс прямого хода в положении разомкнутого. Поскольку индуктивность возрастает, есть надежда на увеличение энергии обратного хода в сравнении с прямым.

missioner Пост: 532007 От 15.Mar.2017 (15:56)
...Сейчас сходил проверить индуктивность советского автомобильного реле стартера.

Это включатель втягивающего. Мобыть сразу втягивающее запользовать? У него индуктивность изменится процентов на сорок.

_________________
Главное в мелочах


missioner | Post:532073 - Date: 16.03.17(09:46)
Бармалей,может тебе тему свою открыть? С фотографиями и данными твоих релюшек... А то вроде здесь просто уходим в сторону. А то мой предложенный вариант с вращающейся над катушками болванкой по моему был бы намного лучше чем просто релюшки,ведь там не надо преодолевать её инерцию как в релюшке,просто лови момент и перезаряжай....

_________________
Здесь хранится СЕ суперавтотрансгенератор https://www.skif.biz/index.php?name=Forums&file=viewtopic&p=875842#875842 https://disk.yandex.ru/d/T_H9tIHpXVb8dw Дополненная версия с видео: https://disk.yandex.ru/d/RUQMOtXIHzRo7Q


street | Post:532078 - Date: 16.03.17(10:40)
missioner Пост: 532073 От 16.Mar.2017 (09:46)
мой предложенный вариант с вращающейся над катушками болванкой по моему был бы намного лучше чем просто релюшки,ведь там не надо преодолевать её инерцию как в релюшке,просто лови момент и перезаряжай....


YouTube: Смотреть видео

_________________
Главное в мелочах


SIM | Post:532113 - Date: 16.03.17(18:38)
street Пост: 531842 От 14.Mar.2017 (15:56)
Сердечник - не более, чем область значений магнитной проницаемости в площади контура, в зависимости от тока.
В воздушном трансформаторе - сердечник такой же точно. Проницаемость и кривулька гистерезиса отличается. Больше ничего.

Это что- в воздушном трансформаторе есть петля гистерезиса ?😳
Гистерезис- это свойство ферромагнитных материалов, к которым воздух не относится.
Или у вас есть ссылки на другие данные?

SIM | Post:532117 - Date: 16.03.17(19:33)
street Пост: 532063 От 16.Mar.2017 (08:49)
Вероятно, смысл в том , чтоб снять энергию ОЭДС при замкнутом сердечнике , подавая импульс прямого хода в положении разомкнутого. Поскольку индуктивность возрастает, есть надежда на увеличение энергии обратного хода в сравнении с прямым.

А вот это может быть очень здравая мысль! Я в свое время был весьма удивлен тому обстоятельству, что моя лабораторная модель катушки Румкорфа (точь-в точь как во времена Кука), потребляя от аккумулятора 12 вольт всего 1 ампер, выдавала на выходе очень частые разряды между электродами, разведенными на расстояние аж в 15 см! По любым справочникам выходило, что генерируемое напряжение было не меньше 200 кВ. При этом действительно, практически любой транзисторный преобразователь, дающий такое же напряжение на выходе с той же мощностью, потреблял никак не меньше 10 ампер от того же аккумулятора.
Но, глядя на схему этой автокатушки, видно, что мы, скорее всего, имеем дело с параметрическим резонансом, когда первичка катушки насыщается током при дальнем расположении магнита размыкателя (геркона), а вот разряжается она ВВ-обмоткой уже при приближении магнита к сердечнику катушки. Возможно, увеличение индуктивности и дает тот дополнительный импульс энергии, что можно наблюдать в виде мощной искры.
Катушка Румкорфа
Катушка Румкорфа
Размер: 33.46 KB

street | Post:532137 - Date: 16.03.17(22:20)
SIM Пост: 532113 От 16.Mar.2017 (18:38)
street Пост: 531842 От 14.Mar.2017 (15:56)
Сердечник - не более, чем область значений магнитной проницаемости в площади контура, в зависимости от тока.
В воздушном трансформаторе - сердечник такой же точно. Проницаемость и кривулька гистерезиса отличается. Больше ничего.

Это что- в воздушном трансформаторе есть петля гистерезиса ?😳

Все вещества проявляют те или иные магнитные свойства. Разница лишь в количественной оценке. Мы привыкли считать медь и алюминий немагнитными, но это не так. В прикладном аспекте их магнитные свойства незначительны и ими можно пренебречь.

Гистерезис- это свойство ферромагнитных материалов, к которым воздух не относится.
Или у вас есть ссылки на другие данные?


Гистере́зис (греч. ὑστέρησις — отстающий) — свойство систем (физических, биологических и т. д.), мгновенный отклик которых на приложенные к ним воздействия зависит в том числе и от их текущего состояния, а поведение системы на интервале времени во многом определяется её предысторией. Надеюсь кислород в жидком виде не перестаёт быть кислородом? Пару атомов железа в см площади контура - это сердечник?

SIM Пост: 532117 От 16.Mar.2017 (19:33)

Но, глядя на схему этой автокатушки, видно, что мы, скорее всего, имеем дело с параметрическим резонансом, когда первичка катушки насыщается током при дальнем расположении магнита размыкателя (геркона), а вот разряжается она ВВ-обмоткой уже при приближении магнита к сердечнику катушки. Возможно, увеличение индуктивности и дает тот дополнительный импульс энергии, что можно наблюдать в виде мощной искры.


Возможно. Если скорость размагничивания железки меньше, чем скорость изменения проницаемости в площади контура в результате движения этой железки, то будет рост ЭДС(генерация тока).

Однако, в обсуждаемом девайсе нет подвижных сердечников или их частей.

_________________
Главное в мелочах


Sergej_ | Post:532144 - Date: 16.03.17(23:36)
street Пост: 532137 От 16.Mar.2017 (22:20)
Пару атомов железа в см площади контура - это сердечник?

Попробуй вставить эти пару атомов в формулу расчёта трансформатора. Можешь посчитать насколько изменяется индуктивность катушки при внесении в неё твоей пары атомов?

missioner | Post:532305 - Date: 17.03.17(21:48)
Бармалей,ещё одно моё сомнение из которого следует что твоя релюшка перезаряжающая конденсатор фигня. Смотрим две обмотки,намотанные на один и тот же сердечник,то же самое что и катушка зажигания.
Первичка из нескольких витков. Еёмндуктивность-ясен пень-минимум. Вторичка из сотен витков,её индуктивность как я предолагаю,в разы больше. Итак подаём на первичку ток,он "зарядил" за короткое время сердечник определённо порцией магнитного (не буду здесь употреблять слово"энергией") поля. Вторичка при этом разомкнута.Далее резко прерываем ток первички и в этот же момент соединяем на нагрузку вторичку. А у вторички то индуктивность гораздо больше... И значит в соответствий с принципом параметрической генераций там энергия должна выскочить гораздо большая чем закачивается в первичку(!!!). Но вроде такого не наблюдается. Или просто внимания не обращает никто зашорив глаза официозом? Или я что то опять недопонимаю?

_________________
Здесь хранится СЕ суперавтотрансгенератор https://www.skif.biz/index.php?name=Forums&file=viewtopic&p=875842#875842 https://disk.yandex.ru/d/T_H9tIHpXVb8dw Дополненная версия с видео: https://disk.yandex.ru/d/RUQMOtXIHzRo7Q


missioner | Post:532353 - Date: 18.03.17(01:52)
NATAN Пост: 532317 От 17.Mar.2017 (22:55)
missioner, да не обращай ты внимание на детские игры бармалеевы, но в одном он похоже прав, kolovrat походу просто поприкалывался. А жаль, интересная у него конструкция.
Нет,я могу ошибаться конечно и индуктивность должна возрасти именно у той же,первичной обмотки.... без изменения количества витков....

_________________
Здесь хранится СЕ суперавтотрансгенератор https://www.skif.biz/index.php?name=Forums&file=viewtopic&p=875842#875842 https://disk.yandex.ru/d/T_H9tIHpXVb8dw Дополненная версия с видео: https://disk.yandex.ru/d/RUQMOtXIHzRo7Q


street | Post:532372 - Date: 18.03.17(08:18)
missioner Пост: 532305 От 17.Mar.2017 (21:48)
Смотрим две обмотки,намотанные на один и тот же сердечник,то же самое что и катушка зажигания.
Первичка из нескольких витков. Еёмндуктивность-ясен пень-минимум. Вторичка из сотен витков,её индуктивность как я предолагаю,в разы больше. Итак подаём на первичку ток,он "зарядил" за короткое время сердечник определённо порцией магнитного (не буду здесь употреблять слово"энергией") поля. Вторичка при этом разомкнута.Далее резко прерываем ток первички и в этот же момент соединяем на нагрузку вторичку. А у вторички то индуктивность гораздо больше... И значит в соответствий с принципом параметрической генераций там энергия должна выскочить гораздо большая чем закачивается в первичку(!!!). Но вроде такого не наблюдается. Или просто внимания не обращает никто зашорив глаза официозом? Или я что то опять недопонимаю?

Что-то да... Несмотря на то , что индуктивность вторички больше, энергия магнитного поля - та же. Поэтому генерации нет , только преобразование.

Тут нужен несколько иной вариант. Вторичка не нужна.

missioner Пост: 532353 От 18.Mar.2017 (01:52)
и индуктивность должна возрасти именно у той же,первичной обмотки.... без изменения количества витков....

Примерно так. Только возрасти должна не индуктивность обмотки(хотя и она изменится) , а энергия в магнитном поле , связанном с током этой обмотки.

Поэтому обмотка одна и намотана на магните ( нижняя часть петли гистерезиса, там где поле не торопиться спадать) На некотором расстоянии от этого магнита с обмоткой, находится кусок железа(сердечник реле разомкнут) так, что силы магнита не хватает, чтоб этот кусок начал движение( например мешает трение или пружина, как в реле). При подаче тока в обмотку, энергия поля от тока в обмотке суммируется с полем магнита, что приводит к нарушению покоя куска железки и он начинает движение к сердечнику-магниту. Т.е. по сути энергия тока нужна для совершения работы против силы трения и(или) упругости пружины. В результате этого движения кусок ускоряется, поскольку чем ближе к магниту, тем сильнее этот кусок притягивает. А вот этот процесс вызывает генерацию в обмотке энергии никак не связанной с первичной энергией тока накачки. Это легко проверить, намотав на магнит обмотку и обеспечив контроль тока при притягивании к такому магниту железки.
Описанный процесс именно так и происходит в реальном реле, поскольку сердечник и обмотка реле работают с током одного и того же направления, следовательно железо сердечника всегда имеет некоторую величину остаточной намагниченности, т.е. является магнитом. Поскольку величина остаточной намагниченности невелика , то после отключения тока возвратная пружина отводит железку в исходное.

Для "улавливания прибавки" понадобиться оперировать силой упругости пружины и её характеристикой, проницаемостью и массой подвижной части, величиной тока и временем его действия.

_________________
Главное в мелочах


street | Post:532384 - Date: 18.03.17(10:07)
YouTube: Смотреть видео


В сети много роликов по разоблачению скрытых под шляпками болтов батарейками. Но,... что-то нет роликов с контролем напряжения на этих батарейках в процессе работы девайса. Так же никто, почему-то не пробует вместо батарейки конденсаторы.

_________________
Главное в мелочах


street | Post:532392 - Date: 18.03.17(11:10)
Это ты о чём сейчас? Заскучал?
Конденсатор нужен для контроля напра на нём в процессе работы девайса. батарейка не подходит именно из-за огромной энергоёмкости её. Трудно оценить прибавку в уровне моря после вливания в него одного литра воды. Особенно на "глаз".

_________________
Главное в мелочах


zilk | Post:532514 - Date: 19.03.17(00:16)
NATAN Пост: 532507 От 18.Mar.2017 (22:19)
kolovrat, продвигаюсь по малому, приготовил крышки и собрал катушки в кучу, осталось соединить, но перед сборкой хотелось бы, чтобы ты подсказал с запуском и нагрузкой, не хочется после сборки узнать, что соединил неправильно.


без трамблера работать не будет... 😨

_________________
Возможно вы считаете что всё это полнейший бред, а чё бля если нет? что будет если нет?


missioner | Post:532710 - Date: 19.03.17(20:31)
Спасибо,Натан за труды. Надеюсь они не пройдут бесследно и будут основой какого то реального положительного результата.

_________________
Здесь хранится СЕ суперавтотрансгенератор https://www.skif.biz/index.php?name=Forums&file=viewtopic&p=875842#875842 https://disk.yandex.ru/d/T_H9tIHpXVb8dw Дополненная версия с видео: https://disk.yandex.ru/d/RUQMOtXIHzRo7Q


April14 | Post:539397 - Date: 29.04.17(21:49)
sharp Пост: 539105 От 27.Apr.2017 (20:29)
Нет, схема не такая.

sharp! Да ты казачёк-то засланный оказывается! Мало того что хрень какую-то проповедуешь и предлагаешь обсуждать потусторонние схемы, так ты ещё и трёшь мои посты хотя кроме реала по оценке Хаба в них ничего нет! 30 серебрянников получаешь поди каждый месяц?!
Это дубликат поста в ветке Sharpa по Хуббарду, эдакого Сусанина. Сотрёт, ведь сучёнок.

AlexKP | Post:539614 - Date: 01.05.17(18:50)
April14 Пост: 539397 От 29.Apr.2017 (21:49)
sharp Пост: 539105 От 27.Apr.2017 (20:29)
Нет, схема не такая.

sharp! Да ты казачёк-то засланный оказывается! Мало того что хрень какую-то проповедуешь и предлагаешь обсуждать потусторонние схемы, так ты ещё и трёшь мои посты хотя кроме реала по оценке Хаба в них ничего нет! 30 серебрянников получаешь поди каждый месяц?!
Это дубликат поста в ветке Sharpa по Хуббарду, эдакого Сусанина. Сотрёт, ведь сучёнок.


- так размести все свои посты здесь. Все и так увидят.

April14 | Post:539627 - Date: 01.05.17(20:33)
AlexKP Пост: 539614 От 01.May.2017 (18:50)
- так размести все свои посты здесь. Все и так увидят.

Мои посты были комментариями постов Владимира. Не хочу "подрезать перед светофором"(пользуясь терминологией автолюбителя) хотя ход мысли его понятен. Может Владимир здесь появится?! С него и спрос 😬

matros | Post:572856 - Date: 07.02.18(17:25)
Всем привет ,на счет контурной индуктивности со встречными маг. полями половин и съем с одной из половин , не вышло в общем.

сам принцип то работает индуктивность не зависит от нагрузки на съемной ,во снять больше не получилось на холостом ходу напруга на съемной как на половине индуктивности в резонансе но при закорачивании съемной резко проседает а на второй половине индуктивности растет ,думаю из-за сдвига тока и напруги в катушке.

но в народном хозяйсиве весч полезная🤢

_________________
Бессмыслица — искать решение, если оно и так есть. Речь идёт о том, как поступить с задачей, которая решения не имеет.(АиБ)


dokvictor | Post:583670 - Date: 26.03.18(19:22)
все 120 страниц супер ..
кроме одного ..
моторчик ......
нельзя смотреть в одну сторону надо видеть картину в целом 😀

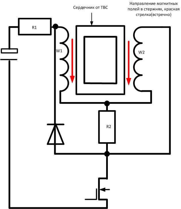
matros | Post:590912 - Date: 01.06.18(18:51)
По ходу дядька Хаббард был прав , заявив что у него в 3 раза выходная моща больше чем входная , надыбал я эту тему походу,но все по порядку.
Провел такой опыт взял сердечник от ТВС старого телика ,на каждый керн намотал свою обмотку по 40 витков меди 1мм диаметром ,поверх обоих стержней намотал съемную обмотку , на первичке полевик и на вторичке второй оба открываются и закрываются одновременно . Логика работы такая на прямом ходе открываются оба транзистора в первичке начинает теч ток и так как индуктивность катушки не ноль то в ней начинает запасаться энергия а вторая обмотка находится не поверх первичной а на своем стержне и связь только через сердечник т.е у неё точно такая же индуктивность как у первички ,что мы имеем ? а мы имеем накачку второй индуктивности на халяву ,затратившись толко на одну ,затем рвем цепь обоих катушек и у нас на съемную начинают работать 2 индуктивности вместо одной , на съемную обмотку прямой ход не влияет тк эдсы действуют при прямом ходе на неё встречно ,отсюда вывод можно мотать на своем керне съемную затем соединять их последовательно (думаю на большем девайсе Хаббарда было так и сделано).при таком всключении по сравнению с обычным флайбаком с одинаковыми параметрами выхлоп в 1.7 раз больше был.

На этом я не остановился и нашел способ увеличить амплитуду выходного тока по сравнению с входным в 3 раза (рисунок второй)
Сердечник тот же обмотки те-же схема подключения изменилась убрал третью обмотку и заставил работать на съем обе накачивающие . Всем успехов.


Размер: 50.51 KB


Размер: 39.06 KB

_________________
Бессмыслица — искать решение, если оно и так есть. Речь идёт о том, как поступить с задачей, которая решения не имеет.(АиБ)


Toros | Post:590944 - Date: 01.06.18(22:47)
matros Пост: 590912 От 01.Jun.2018 (18:51)
что мы имеем ? а мы имеем накачку второй индуктивности на халяву


Вот тут не понятно откуда на халяву???в этот момент вторая обмотка - КЗ
и будет нагрузкой для первой...

<] [ 1 | ... 151 | 152 | 153 | 154 | 155 | 156 | 157 | 158 | 159 | 160 | 161 | 162 | 163 | 164 | 165 | 166 | 167 | 168 | 169 | 170 | 171 | ... | 201 ] [>
У Вас нет прав отвечать в этой теме.
Форум - Магнитные генераторы - Генератор Хаббарда - Испытания генератора Хаббарда - Стр 161
🏠 Главная | 📚 Содержание | 💬 Форум | 📁 Файлы | 📩 Контакт