[ВХОД]
10.04.26(12:58)

mob.skif.biz

Альтернативная энергия. Оставь надежду, всяк сюда входящий...

🏠 Главная | 📚 Содержание | 💬 Форум | 📁 Файлы | 📩 Контакт
 
Резонансные генераторы
Магнитные генераторы
Механические центробежные (вихревые) генераторы
Электростатические генераторы
Водородные генераторы
Ветро- и гидро- и солнечные генераторы
Прочие идеи (разные)
О форуме
Транспорт
Оружие
Научные идеи, теории, предположения...
Экономия топлива
Коммерческие вопросы
Струйные технологии
Торсионные генераторы
Новые технологии
Барахолка
Патентный отдел
Конструкторское бюро
Нейтронная физика
Торнадо и смерчи
Гравитация и антигравитация
Сделай сам. Советы.
Медицина и здравоохранение

🖥️ | 🖨️

Форум - Резонансные генераторы - Резонанс Мельниченко - Автогенерация электродвигателя "Дяди Васи" - Стр:74
<] [ 1 | ... 64 | 65 | 66 | 67 | 68 | 69 | 70 | 71 | 72 | 73 | 74 | 75 | 76 | 77 | 78 | 79 | 80 | 81 | 82 | 83 | 84 | ... | 144 ] [>
Модератор: host
Первый пост темы: host Post: #10146 От:03.10.2005 (07:48)
Случайно попал на этот форум, потому прошу прощения, если прерву ваш диалог. Буквально сегодня я своими глазами видел нечто...,ищу ответы, потому и решил обратится к завсегдатаям этого уголка сети.

Мне сегодня продемонстрировали 20 кВ электромотор, который работал сам по себе. Было все так: мастерская на глухой окраине города, на столе размером где-то 1м на 1м стоят большие конденсаторы, от них идут провода к двигателю и небольшой коробочке (где-то 15х30х20 см). К двигателю, через шкив подключен насос. Как мне потом сказали, чтобы получить требуемый эффект, двигатель надо запускать нагруженным, иначе потом его нельзя будет нагрузить. Изобретатель вставляет вилку в 220, двигатель запускается, посмотрев на тестер, двигатель отключает от сети... но он работает. Работает 10, 15, 30 минут. Я был там порядка двух часов, двигатель не подключенный к сети все это время закачивал воду. На вопросы, как и что ответов не получил. Узнал лишь то, что емкости играют большую роль и часть из них разряжается, а частья заряжается (идея напоминает идею Грея по возварту энергии). Более того, не на всех электромоторах этот эффект можно повторить. Лично мерял напряжение на работающем двигателе при подключении от сети, на входе было 220, на указанных изобретателем проводах (идущих к связке кондеров) выходило 340 вольт. Двигатель трехфазный, но из него выходило 6 проводов к этим конденсаторам. У этого человека в частном доме аналогичная электростанция(на одном валу два трехфазных движка, один в режиме генератора, другой самоподдерживаемый).От нее работают электропечь, телевизор, холодильник и свет.

Помогите разобраться, может кто ссылочку какую-то даст.
Это мужик из тех, кого называют электриками дядями Васями. Об интернете он только слышал, физически же он опасается встречаться с кем либо, т.к. имеет опыт всякого рода давлений со стороны спецорганов, за то что пытался это дело продвигать. Познакомился я с ним при личной встрече на одном из форумов по свободной энергии, он был единственным, кто обладал, с его слов, реально работающим девайсом. Мне пришлось долго с ним притираться, чтобы он поверил,что я ему не враг. Спустя почти три месяца он мне показал это. О том, чтобы к нему гостей возить и речи быть не может, этот человек реально опасается за свою безопасность, т.к. уже были сожженная мастерская, угрозы со стороны энергетиков и т.п.
aushka | Post:46690 - Date: 21.11.06(21:47)
А возможно дядя Вася сотворил нечто подобное?
Достану конденсаторы 3 шт по 20 мкф 600в. попробую на 2 кв двигателе.
Поскольку в этой схеме не совсем двухполярный принцип.

aushka | Post:46745 - Date: 22.11.06(10:29)
Еще хочу попробовать вот эту схемку. Если у кого получиться быстрее сделать пишите.
Конденсаторы естественно не менее 400в. , диоды расчитанные на ток 10А.
выключатели можно из обычного пакетника которые сейчас ставят в счетчиках,
есть три вместе совмещенные, доделываем рейку еще на 3 пакетника, только их переворачиваем, получается при включении 3х -выключаются 3- сеть и кондер запуска, и смотрим на поведение двигателя. Тем более у пакетников есть защита по току и к.з.😎

GRN | Post:47137 - Date: 25.11.06(18:52)
Попробуйте такой вариант с.м. рисунок.Для каждого типа АД будут свои конденсаторы. Точность подбора резонансного конденсатора под нагрузкой - доли процента. Но никак не больше 0,5%. Для запуска в режиме "самовращения" необходима частотная развязка входного и выходного напряжений. Например, через преобразователь DC-AC.

_________________
Умер 22.09.2007 от остановки сердца.


jo | Post:47150 - Date: 25.11.06(20:31)
GRN Пост: 47137 От 25.Nov.2006 (18:52)
Попробуйте такой вариант с.м. рисунок.Для каждого типа АД будут свои конденсаторы. Точность подбора резонансного конденсатора под нагрузкой - доли процента. Но никак не больше 0,5%. Для запуска в режиме "самовращения" необходима частотная развязка входного и выходного напряжений. Например, через преобразователь DC-AC.



фаз АБ
напряжение холостое или после подключения паяльника?

потомучто 40 ватт движка- это .18 а от сети при 220 и полной нагрузке.
У вас от сети .15 а на холостом ходу( те. 33 вт)



если в вас на паядлнике напряжение 160, а сопротивлне у него 2200 Ом (пояльник ведь 20 вт) то ток бует 0.07 А=== 11 Вт

где превышение в 2 раза?

включите паяльни на 100 ватт, если при этом

1)двигатель не остановтся
2) ток потребленгия на питающей обмотке не возратет
3)напряжение у вас на паялинке останется на уровне 160 вольт, то тогда и будет превышение:)

но этот двигатель не отановится скорее всео- ибо у него херовая индуктивность обмоток, просто будет на паяльнике 10 вольт напруга




GRN | Post:47152 - Date: 25.11.06(20:51)
jo,

Мое дело предложить для Вашего рассмотрения конкретные результаты, Ваше отказаться от их рассмотрения и повторения. Зачем агрессия?
На все вопросы,которые Вы озвучили предлагаю Вам самому дать ответ.
Мотор "хреновый" подшипники проработали 10 000 часов (утиль вообще-то, но пока работает).

Все работает!!!

_________________
Умер 22.09.2007 от остановки сердца.


jo | Post:47171 - Date: 25.11.06(23:59)
GRN Пост: 47152 От 25.Nov.2006 (20:51)
jo,

Мое дело предложить для Вашего рассмотрения конкретные результаты, Ваше отказаться от их рассмотрения и повторения. Зачем агрессия?
На все вопросы,которые Вы озвучили предлагаю Вам самому дать ответ.
Мотор "хреновый" подшипники проработали 10 000 часов (утиль вообще-то, но пока работает).

Все работает!!!


вы чего? какая нафиг агрессия? что работает? я проводил опыт подобный зимой как раз на таком движке - кипятильник нагружал и удивлялся почему он крутиться, а большой движок глохнет. А потом померял сопротивления кипятильника и обмоток этого движка- их сопротивлдение на порядок болше- даже если их закоротить он будет продолжать крутиться- но работы там пшик выделяется( тоесть разность потенциалов на нагруке 50 ом (киловатный кипятильник) падает в 20 раз от холостого хода.) Кипятильник даже грелся:)- на нем было напряжение вольт 10 и ток тек пол-ампера- 5 ватт честно выделялось.

KomX | Post:47270 - Date: 26.11.06(13:01)
GRN
Вы же способны делать качественный анализ... А эта картинка с описанием... нет слов... Особенно мне "понравился" вывод, - "Экспериментальное превышение механической мощности над электрической, потребляемой от сети примерно в два раза"

Могу я поинтересоваться методикой измерений или расчетными данными, которые позволили сделать столь смелое в своей нелепости сопоставление.

_________________
KomX - это комикс (история в картинках) или ком(приходить) икс(к неизвестному)... (Well)


jo | Post:47294 - Date: 26.11.06(14:40)
GRN Пост: 47228 От 26.Nov.2006 (03:15)
jo,

Вы когда научитесь вычленять главное из сообщений?
Потребляемый ток снизился под нагрузкой в два раза!!! Это что? "Шарабан" Вам за знания и поведение!



А что тут "главного" вы изобразили? То что потребляемый ток можно снизить конденсатором уже давно обсосано в теме ротоверта и дяди васи. Подобный "вывод" выведен хектором, всеми кто крутил движки в группе ротоверта, а valeralap вообше ротоверт крутил по замкунутому циклу.

Я же обратил внимание на момент отбора электричекой энергии от обмоток-чему вы посвятили 50% текста об вашем эксперементе кстити- имхо это главное.



Asta | Post:47326 - Date: 26.11.06(17:35)
Абсолютно согласен с мыслью о частотной развязке... По моему мнению именно из-за несовпадения фаз вирабатываемого генераторными обмотками эл-ва и потреблением его и не получается самозакрутить движок 😀

_________________
Иду к альтернативе с другого бока...)


aushka | Post:47895 - Date: 01.12.06(00:00)
(Чукча) Думала я думала,однако неполучиться из двигателя, кирпич 😡
по крайней мере в наших земных условиях... в космосе возможно при сверхнизких температурах, там где сверхпроводимость возникает..
Надо с водой разбираться... Поскольку она родимая энергоемкая однако.
Кто из Вас фильм про воду смотрел, про ее качества.. вот и задумалась однако. Да и Тесла чето там про воду говорил😊

Torch | Post:47941 - Date: 01.12.06(08:51)
Asta!
"По моему мнению именно из-за несовпадения фаз вирабатываемого генераторными обмотками эл-ва и потреблением его и не получается самозакрутить движок "

Полностью тебя поддерживаю!😊

Для этой цели - можно и "не кондерами обойтись", например нихромовым сопротивлением.
И ещё!.. Тут кто то сказал о велечине "индуктивность" - крутящегося движка, мол она уменьшается! Может все же - наоборот?
Асинхронный двигатель- поле ротора и статора уже сдинуто, нагрузив движок - еще немного сдигается эта "асинхронность". Так и набежало 90 гр. Нет нет не 60 , а 90.
Мысли вслух!


jo | Post:48023 - Date: 01.12.06(23:27)
Torch Пост: 47941 От 01.Dec.2006 (08:51)
Asta!
"По моему мнению именно из-за несовпадения фаз вирабатываемого генераторными обмотками эл-ва и потреблением его и не получается самозакрутить движок "

Полностью тебя поддерживаю!😊

Для этой цели - можно и "не кондерами обойтись", например нихромовым сопротивлением.
И ещё!.. Тут кто то сказал о велечине "индуктивность" - крутящегося движка, мол она уменьшается! Может все же - наоборот?
Асинхронный двигатель- поле ротора и статора уже сдинуто, нагрузив движок - еще немного сдигается эта "асинхронность". Так и набежало 90 гр. Нет нет не 60 , а 90.
Мысли вслух!


фазы сдвигаются, тока непойми как. напрмер если недораскрутить движок, и снять питание, он плавно останавливается(напряга на кондесаторе плавно уменьшается), а если чуть побольше раскрутить, и отрубить, он резко стопится. А фазы отделной неподключеной висяшей обмотки и питания совпадают. Тоесть если напрмер нагнать в отдельной обмотке 220 и поключить к ней 220 от сети, то ток не идет- ибо фазы и потэнциалы равны.

jo | Post:48726 - Date: 10.12.06(03:47)
покрутил пару вечеров еше, пришел к мнению, что не резонанс в ротоверном включении работает. Поэтлому ксти и рассогласования расчетного занчения емкости для резонанса и экпериментального.

мезанизи уменьшения потребления мощности(тока по схеме ротоверта и вариации) в том, что обмотка, на котрую подается внешние питание является источником ЭДС и частитно питает сама себя за счет наведения в ней ЭДС вращающимся ротором. Значит что я делал для чистоты эксперимента.

Я включал одну обмотку в сеть через латр. Потомучто если я включаю ее не через латр- пробки вылетают:) И раскручивал ротор дрелью- смарю на амперметр- тока резко упал- отсоединяю дрель-дввижок бодро крутится. Даю полные 220, ток где-то 3 ампера.

1) паралельно питаемой обмотке подсоединяю конденсаторную батарею -подбираю емкостсть до минимального тока потребления. Имею потребление 0.6 ампера. Если увеличиваю емкость- тока растет- ниже скажу почему.

2)подрубаю аналогичный конденсатор на свободовисящую обмотку. Ток резко возрастает. Отключаю конденсатор от ПИТАЕМОЙ обмотки- ток опять упал.

вывод- монопинесуально где конденсатор- там где идет сетевое питание или там где неподключенноая обмотка. Вляние идет через РОТОР, тоесть через магниную, а не электрическую "резонансную" цепь.


Так какюже фукция выполняет конденсатор если это не элемнт резонасной цепи? Очень прото. Он всеголишь "подмагничивает" ротор. Тоесть та ЭДС что наводится ротором во всех обмотках накопляется в конденсаторе и возвражается обратно. А "подмагнитив" ротор, ротор сгенерирет еще большую ЭДС во всех обмотках, в т.ч куда включено 220- генерируемя ЭДС там еще болше приблизится к 220- - и там упадет ток.


Что происходит при увеличении емкости кондесатора? Почему опять начинает возратать ток? Я думаю дело в том, что конденсатор должен разаряжаться за тот период времени пока фаза генериремая обмоткой не переменилась, если мы делаем емкость болше, конденсатор еще не успел разрядиться, а уже его заряжают с другой полярностью -как-бы получается "+" на "-" получается- тоесть типа обмотка прото начинает "коротиться".

А почему ток возратает когда в каждую обмоку по аналогичному конденсатору? они же электричеки развязаны? опять я догадался:) дело в том, что наводимая в каждой обмотке ЭДС синфазны. А сами обмотки под 120 градусов., И одновременно разяржаемые как-бы "коротятся" в магнитном поле. А половинные емкости(примерно по половине началной емкости в питаемую и своюодную обмотки) дают эффект- очевидно не успевают разрядиться пока роторр в нужном месте)

Ну вот собственно говоря и все.Я напрмер не предсавляю как получит чистый поледоваетлный резонанс, потомучто, если получить его от сети 220- обмотка сгорит. Если через латтр--ток от конденсатора пойдет через латр и получиться опять тоже самое- но посколку для резонаса нужна болшая емкость, а для "подзарядки" ротора менше раз в 5, то вся выработанная ЭДС "коротнется" через конденсатор.

Через трансформатор- тоже самое. Очевидно можно только через полупроводниковые ключи, кторые не пропустят обратный ток. И опятьже ЭДС наводимая примо пропорционална частоте вращния ротора.










stslam | Post:49139 - Date: 13.12.06(18:48)
Асинхронник у ДВ - и двигатель и генератор.
Следовательно в каждый момент времени - какая-то часть обмоток работает как двигатель (Д), а какая-то как генератор(Г).

Цитирую:
"В асинхронных генераторах применяется стартовое усиление для поддержки больших пусковых токов. Если потребляемый от генератора ток превысит определённую величину, (устанавливаемую для каждой модели генератора), то специальное устройство подключает к конденсаторам основного возбуждения дополнительно ещё один или несколько конденсаторов. Тем самым мощность генератора существенно возрастёт и будет скомпенсировано падение напряжения, вызванное высокой нагрузкой. Для того, чтобы не повредить обмотки генератора из-за перегрева, дополнительное возбуждение отключается с помощью специальной электроники примерно через 8 секунд. Этого времени, с одной стороны, вполне достаточно для пуска электродвигателя, а с другой – генератор не успевает перегреться."

Что мешает на (Д) подавать напругу с (Г) перекоммутацией (обычные релюхи) дополнительной емкости?
Осталось определить пошагово - в какой момент времени какая обмотка за что отвечает.
Т.е. тут только вопрос в схеме коммутации, которой на всем форуме до сих пор нет.

vgm | Post:49170 - Date: 14.12.06(03:43)
А какую схему вы ждете? АД сам все уже коммутирует. Когда ротор убегает выше номинальных оборотов, АД работает как генератор подтормаживая ротор. А когда отстают,как мотор,разгоняя ротор! И не чего тут больше коммутировать! Единственное что до сих пор не попробовали,это поиграться с АД квт. на 30-50, и попробовать сэкономить на форме импульсов питающих обмотки АД. Все остальное я уже попробовал!!

jo | Post:49171 - Date: 14.12.06(04:07)
vgm Пост: 49170 От 14.Dec.2006 (03:43)
А какую схему вы ждете? АД сам все уже коммутирует. Когда ротор убегает выше номинальных оборотов, АД работает как генератор подтормаживая ротор. А когда отстают,как мотор,разгоняя ротор! И не чего тут больше коммутировать! Единственное что до сих пор не попробовали,это поиграться с АД квт. на 30-50, и попробовать сэкономить на форме импульсов питающих обмотки АД. Все остальное я уже попробовал!!


согласен. Маловата наводимая ЭДС(гдето 120 вольт на одной обмоке -у меня движок на 2.2 кВт). Остальные способы так или иначе связаны с генераторными свойствами синхронного генератора:
- повышать обороты(реальный)
- магниты прилепить на ротор или статор(хз куда).
- заряжать конденсатор от 2 обмоток поледователно соединенных- разряжать в одну (просто статичная схема не пулучается, а коммутацию делать- запарно)

queet | Post:49180 - Date: 14.12.06(08:19)
jo Пост: 49171 От 14.Dec.2006 (04:07)
- заряжать конденсатор от 2 обмоток поледователно соединенных- разряжать в одну (просто статичная схема не пулучается, а коммутацию делать- запарно)


Вот вот. iRiver об этом писал. Он обошёлся 12-ю диодами и 2-я кондёрами.

jo | Post:49225 - Date: 14.12.06(14:57)
queet Пост: 49180 От 14.Dec.2006 (08:19)
jo Пост: 49171 От 14.Dec.2006 (04:07)
- заряжать конденсатор от 2 обмоток поледователно соединенных- разряжать в одну (просто статичная схема не пулучается, а коммутацию делать- запарно)


Вот вот. iRiver об этом писал. Он обошёлся 12-ю диодами и 2-я кондёрами.


Прочитал посты.
Гений очевидно:) Хотя я рисовал схему разряда в одну из тех окудада заряжается, может если разражять в соседнюю- ченить и получится, надо подумать.

vgm | Post:49337 - Date: 15.12.06(03:42)
Повторяю нечего в АД коммутировать! Питаете вы АД от одной,двух,трех обмоток,если они зашунтированы емкостями,АД сам коммутирует как надо. За счет трансформации,емкостей,влияния ротора,наводя реактивную мощьность во всех трех обмотках,даже если вы питаете АД от одной! Емкости дают эффект питания почти как от трех фаз! Нет в АД лишней энергии,и нече ее пытаться скоммутировать! Я не к тому что надо завязать, истина где-то рядом! Гениальное всегда просто! Лично я всегда восхищался,восхищаюсь и буду восхищятся АСИНХРОННЫМ ДВИГАТЕЛЕМ!!!

jo | Post:49392 - Date: 15.12.06(14:52)
ну так у меня нету 20 киловатного движка. А коммутация тоже сработает- тут дело не в лишней энергии- а том чтобы увеличить подмагничивающий ток ротора- емкость повышать нелзя- остается повысить эдс на этой емкости, чтобы она разрядилась за тот же период времени, но дала ток в 2 раза больший. , это в свою очередь повысит наводимую ЭДС с каждым периодом- тоесть типа параметричекский резонанс может получится.

SergeV | Post:49589 - Date: 16.12.06(21:47)
Тоже почитал идею iRiver'а и задумался. По сути, он обобщил все, что было в описании автомобиля Теслы и двигателя дяди Васи. И предположил вариант содержимого "коробочки" - диоды (у Теслы ламповые, у ДВ видимо полупроводниковые).
В общем, думаю надо было внимательнее отнесьтись к идее, проверить ее.
Примем на веру, что в схеме действительно были диоды и что он действительно проработал 30 секунд..
Я нарисовал себе на бумаге несколько вариантов того, как должна осуществляться коммутация. В файле - показана условно первая фаза. L1 - в режиме двигателя, питается импульсом от C1. L2, L3 - в режиме генератора, соединены последовательно, заряжают C2.
Во второй фазе C2 разряжается на L2, L1 и L3 питают C1 и т.д. Фишка в том, что к первоначальному положению мы приходим лишь после шести шагов. Это видно во втором файле.
Пусковой конденсатор для упрощения не изображен.

До схемы коммутатора я пока не дошел. Только отдельные мысли.
Речь может идти о диодных ключах (сейчас можно и более современные элементы использовать) - открываются те диоды, потенциал на входе которых больше. Может быть кто-то и раньше меня нарисует...

Хотя, конечно хочется более простого и элегантного решения.
😊
Схема. Первая фаза.
Схема. Первая фаза.
Размер: 7.44 KB
0ebed7.xls
Размер: 16.00 KB

_________________
R55.RU Домены, сайты, хостинг.


jo | Post:49622 - Date: 17.12.06(03:14)
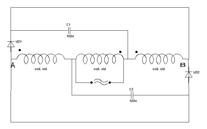
Типа такого:) Я не проверял пока. Предсупозируется что точки А и В относительно друг друга не имеют разности потэнциалов. Мне кажется что не имеют- тогда схема будет работать. Каждый кондесатор заряжается до положителього(отрицательного) потециала- одной обмокой- до противоположденого-2-мя другими. В сумме- как раз как две обмотки на одну. Запуск не нарисовал.


проверил- разнойть потенцилаов есть- даже аж 500 вольт,тк что диод моментально сгорел:) а в случае если перевернуть обмоки получается стандарстный треугольник- он и без диода работает:)


Размер: 5.20 KB

3d3512 | Post:49689 - Date: 17.12.06(19:11)
есть моторы асинхр двухскоростные, у них 6 проводов выходит
предлагаю подумать ..........

kompyg | Post:49705 - Date: 17.12.06(20:44)
Здравствуйте все!
Очень долго читаю зту ветку, правда меньше половины прочитал. Попал на форум случайно, и толчком был документальный фильм "кто убил электрокар". Реч в нем идет об автомобиле на аккумуляторах, разработанном GM. Я представил себя на месте владельца такого автомобиля. Не привязан к бензоколонке, и вообще к нефти. Поставил на ночь на зарядку, следующий день проездил, без шума без копоти. Двигатель там трёхфазный, работает через преобразователь. При торможении позволяет часть энергии возвращать в акб(до 20 проц.по заявлению производителей). Стал думать, подумал про резонанс (и через поисковик попал сюда). По фильму, машины не продавали, а только сдавали в аренду, около 800 штук. И через некоторое время, все автомобили насильно отобрали и УНИЧТОЖИЛИ. Обьяснили что не выгодно обслуживать, ну и там как всегда... Создатели фильма утверждают что EV1 (машинка так называется) задушили нефтяники и автопроизводители. Да, это удар по ним, бензин не нужен, электростанции на всяком горючем работают. Но зачем их(EV1)уничтожать? После чтения этого форума у меня появилось предположение, которое вполне может быть правдой. А что если на некоторых экземплярах, пользователи заметили на каких то режимах исчезновение потребления тока от батарей, или даже процесс их подзарядки. Естественно, они обращаются к дилеру, типа приборчик неисправный, я разгоняюсь, а стрелка(или что там у них) в другую сторону прыгает... По звуку в фильме двигатель работает как в некоторых стиралках: на медленных оборотах тихо, при разгоне звук всё выше и выше и переходит в свист.(как в кино про будущее, класс!). Наверняка какой-то резонанс и был. Представте, что автомобилям не нужно никакое топливо, дальше, никому не нужно никакое топливо, у каждого свой бестопливный генератор... Как страшно стало олигархам... По поводу асинхронника. Я думаю у дяди Васи просто счастливая случайность. Может и необязательно большие мощности, может важнее именно сам резонанс. Ведь все молекулы,атомы и вся эта мелочь как-то хаотически колеблется, и неизвестные нам поля(торсионные, эфирные..)заставляют их колебаться одновременно в одном направлении, вот вам и дополнительная энергия. Или как у А.Толстого в Аэлите частицы движутся в одном направлении, вот и антигравитация. Тесла мог коммутировать только механическим контактом, или разрядником. А у нас весь современный арсенал. Вот я и думаю, что нужно поэкспериментировать именно с различными резонансными системами, металлами, диэлектриками, ферромагнетиками, может и найдётся "философский камень" свободной энергии. А потом кустарно внедрять. А то ведь те же нефтянники захватят авторские права, и плати потом, пока вся нефть не закончится. Уж насколько я скептик ВД, но сейчас уверен что что-то подобное всё таки есть...
Всем удачи. О результатах сообщу...

volypok | Post:49834 - Date: 18.12.06(14:57)
не знаю, в масть ли, но если нет, да удалит админ вездесущий и всемогущий эту ересь:
Дроссельный регулируемый электропривод
в 1997 году ООО "Горнозаводское объединение" совместно с Кафедрой Электропривода Южно-Уральского Государственного Университета, г. Челябинск, разработало и внедрило в серийное производство Дроссельный регулируемый электропривод (ДРЭП), представляющий собой пусковой дроссель ДПД и тиристорный регулятор скорости РСТ05.
image

Данный тип привода, являясь совершенно новым направлением в области управления приводами на базе электродвигателей переменного тока с фазным ротором, исключает из работы системы управления с активными сопротивлениями в цепи ротора и обладает преимуществами:
1. Обеспечивает плавность пуска и торможения механизмов и машин, сохраняя примерное постоянство момента до скорости 0,5-0,6 от синхронной.
2. Исключает броски тока электродвигателей, характерные для схем с активными сопротивлениями при переходе с одной механической характеристики на другую.
3. Позволяет ограничивать величину пускового тока и момента без всякой системы управления. Величина пускового тока и пускового момента, интенсивность разгона и торможения определяется числом витков пускового дросселя, подбираемых при наладке, и остается неизменной на все время
эксплуатации пускового дросселя.
4. Обеспечивает плавное или ступенчатое регулирование скорости от 10% до 100% номинальной.
5. Решает проблему синхронизации скоростей многодвигательного электропривода без любых схемных решений
6. Повышает эксплуатационную надежность электродвигателя и механических узлов за счет исключения динамических ударов при разгоне и торможении привода, вследствие чего резко увеличивается срок службы электродвигателей и механических узлов.
7. Устойчив к запыленности, высоким и низким температурам, вибрации и влажности.
8. Компактен, прост в наладке и обслуживании.
9. Установка данного привода позволяет демонтировать до 50% электрооборудования и кабельной продукции, сокращает финансовые затраты в 1,5-2 раза на поддержание механизмов в работоспособном состоянии, значительно снижает стоимость электроприводов и значительно сокращает количество электромонтажных работ.
10. Позволяет получить экономию электроэнергии в размере 10-15%.
В отличие от частотного управления, дроссельный принцип регулирования при аналогичных возможностях, более надежен при работе в тяжелых условиях, прост в обслуживании и схематически, а по стоимости более доступен для использования в российских условиях.

оригинал тут
С уважением,

_________________
we the willing, led by the unknowing, are doing the impossible for the ungrateful. We accomplished so much with so little we are capable to do anything with nothing


<] [ 1 | ... 64 | 65 | 66 | 67 | 68 | 69 | 70 | 71 | 72 | 73 | 74 | 75 | 76 | 77 | 78 | 79 | 80 | 81 | 82 | 83 | 84 | ... | 144 ] [>
У Вас нет прав отвечать в этой теме.
Форум - Резонансные генераторы - Резонанс Мельниченко - Автогенерация электродвигателя "Дяди Васи" - Стр 74
🏠 Главная | 📚 Содержание | 💬 Форум | 📁 Файлы | 📩 Контакт