[ВХОД]
31.05.26(19:09)

mob.skif.biz

Альтернативная энергия. Оставь надежду, всяк сюда входящий...

🏠 Главная | 📚 Содержание | 💬 Форум | 📁 Файлы | 📩 Контакт
 
Резонансные генераторы
Магнитные генераторы
Механические центробежные (вихревые) генераторы
Электростатические генераторы
Водородные генераторы
Ветро- и гидро- и солнечные генераторы
Прочие идеи (разные)
О форуме
Транспорт
Оружие
Научные идеи, теории, предположения...
Экономия топлива
Коммерческие вопросы
Струйные технологии
Торсионные генераторы
Новые технологии
Барахолка
Патентный отдел
Конструкторское бюро
Нейтронная физика
Торнадо и смерчи
Гравитация и антигравитация
Сделай сам. Советы.
Медицина и здравоохранение

🖥️ | 🖨️

Форум - Прочие идеи (разные) - Схемотехника - Доверяй, но перепроверяй!!! - Стр:66
<] [ 1 | ... 56 | 57 | 58 | 59 | 60 | 61 | 62 | 63 | 64 | 65 | 66 | 67 | 68 | 69 | 70 | 71 | 72 | 73 | 74 | 75 | 76 | ... | 127 ] [>
Модератор: bazarov
Первый пост темы: bazarov Post: #249920 От:07.06.2010 (19:24)
Хочу завести себе свою ветку, чтобы не распыляться. Идей много, а на проверку времени мало. Вот захотелось проверять все вечняки в математике, а потом смотреть где ошибка закралась. Если есть интересующие - присоеденяйтесь.

Обсуждаться будет только один ЧЁРТЁЖ или ЭКСКИЗ единовременно. Пока один агрегат не будет расколупан до конца, дальше ни-ни. Если нет возможности рисовать - сам потом нарисую или картинку вставлю. Весь словесный понос подтверждать оффициальными ссылками. Ссылка на дурдомопедию (википедию) в крайнем случае давать. На сайтах производителей и институтов инфы хватает. Всяких дибилов самоназваных с Ахрененными межгалактическими дипломами не приводить в пример.

Надеюсь энергия потом с кондёра не порёт, и ахренесово колесо вечно не поедет - наука штука точная. КПД устройства для взлома искать больше 20% (КПД1,2).

Нельзя взламывать секреты приборов производимых на постсоветском пространстве. Ибо тут всё просто - турма (Поддержим отечественного производителя!). А заграничные стандарта ISO для нас практически недосягаемы, мы со своим ГОСТОМ на рынке условия не диктуем. Поэтому взлом иностранной технологии в нашей "Раше" приравнивается к шлепку буржую по заду - только щёчки порозовеют 😀 . Наши технологии "ломать" только с разрешения собственника либо если инфа открыта для пользования.

Ламачче невозможное проверить при помощи формул теоретически либо элементарно практически также не выкладывать.


Расшифровка предупреждений:
ПИП - первое израильское предупреждение;
ВИП - второе израильское предупреждение;
ТрИП - третье израильское предупреждение;
ЧИП - вставляем имплантант биоботу;
ППЦ - биоботу пипец.
bazarov | Post:437399 - Date: 10.01.14(21:37)
с бонусом в виде АМ передатчика

Интересно, а "голос Америки" он принимать будет? 😘

Значит так. Мысль моя, Гениальная, превзошла невзгоды бытия и родилась новая радиотехническая страшилка. Правда пока сыро но для начала сойдёт. Это новая эра в драйверах для полумостов. Смысл в том, что передача сигнала идёт не по трансформатору, а через конденсаторы. При 50 Гц ток сквозь них мизерный, а при частоте меандра 40 а то и более килогерц будет наблюдаться падение напряжения на резисторах верхнего плеча полумоста. К тому же так можно управлять любым колличеством независимых ключей. Даже полярность не важна. А самое интересное, что на резисторе затворном будет наблюдаться напряжение равное напряжению питания задающего генератора. Таким образам и стабилизатор по напряжению не нужен. Осталось только компоненты драйвера подобрать таким образом, чтобы была чёткая отсечка по пропаданию сигнала. Думаю с этим легко один транзистор справится.

Нафаня, Огромное спасбо что мысль с мёртвой точки столкнул. Аж извилины помялись 😀 . Подсоветуй теперь как отсечку транзистора грамотно сделать.

Хо-хо в пролёте. 😭

_________________
Не хватит никакого здоровья, чтобы приспособиться к этому глубоко больному обществу(Кришна Мурти)/Горшки не Боги обжигают (многовековая классика)


bazarov | Post:437400 - Date: 10.01.14(21:40)
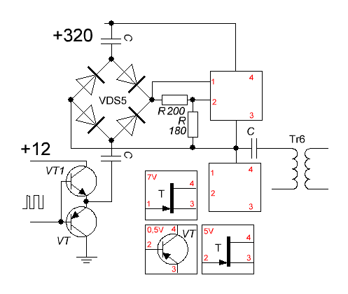
Ёпть. Схему забыл втыкнуть.
Шедефр мыслетворчества, рождённый в жутких мучениях....
Шедефр мыслетворчества, рождённый в жутких мучениях....
Размер: 7.98 KB

_________________
Не хватит никакого здоровья, чтобы приспособиться к этому глубоко больному обществу(Кришна Мурти)/Горшки не Боги обжигают (многовековая классика)


Kopoet | Post:437401 - Date: 10.01.14(22:05)
Да... ызобредатель ты наш... хоть в симуле штоле проверь, если сам лаж не видишь...

bazarov | Post:437402 - Date: 10.01.14(22:08)
"Лаж" много. Довести до ума надо, помогай. К примеру при закрытии верхнего ключа в затвор импульс высокого напряжения попадает. Как убрать?

Симулятор такую схему не возьмёт. Он даже генератор на транзисторах не берёт в критических режимах.

_________________
Не хватит никакого здоровья, чтобы приспособиться к этому глубоко больному обществу(Кришна Мурти)/Горшки не Боги обжигают (многовековая классика)


sbal | Post:437403 - Date: 10.01.14(22:17)
Если Прадед будет тебя, Базарыч, свежевать на колбасу - я возражать не буду.
И не удивлюсь, если он сей процесс не изобразит в симуле для начала.

_________________
в пути...


Kopoet | Post:437404 - Date: 10.01.14(22:23)
тут нечего помогать.
Как убрать? никак...
при первом же импульсе управления вылетят вт, вт1 и ключ.
и на этом все закончится.

bazarov | Post:437405 - Date: 10.01.14(22:24)
И не удивлюсь, если он сей процесс не изобразит в симуле для начала.
Не изобразит. Он три раза подряд выложеную схему в симулятор зарисовать не смог. Такую схему и подавно не сможет. К сожалению, а может и к счастью, мои три извилины работаю лучше чем дед с кулькулятором. Споттер же заработал вопреки всем прогнозам. У народа более 5-и штук аппараты в гаражных условиях и летом и зимой уже 5-й год работают. Ни одной жалобы. За выложеные схемы спотеров на контроллере и старой модели одни благодарности. Всё работает в любых условиях.

Хватит бубнёжи. Жду предложений по модернизации. Ещё три года ждать не собираюсь.

_________________
Не хватит никакого здоровья, чтобы приспособиться к этому глубоко больному обществу(Кришна Мурти)/Горшки не Боги обжигают (многовековая классика)


bazarov | Post:437406 - Date: 10.01.14(22:27)
Kopoet | Post: 437404 - Date: 10.01.14
при первом же импульсе управления вылетят вт, вт1 и ключ.

Разве два диода на управляющих ключах и стабилитрон на затворе не помогут отцу русской демократии? Говори куда что рисовать.

_________________
Не хватит никакого здоровья, чтобы приспособиться к этому глубоко больному обществу(Кришна Мурти)/Горшки не Боги обжигают (многовековая классика)


Kopoet | Post:437407 - Date: 10.01.14(22:41)
вот тебе немного теории: [ссылка]
еслибы нужно было просто сдвинуть уровень управляющего сигнала на 300 вольт, было бы проще. проблема в том, что это напряжение в такт с управляющими импульсами меняетсяот 0 до максимума. и все это прет на управляющие цепи.
на сегодняшний день есть только три решения.
1. каскады с предачей тока (каскод)
2. опторязвязка
3. трансформатор


хочешь изобрести чтото новое, освивай симуль, и потом вперед, жечь транцисторы сотнями


nafanya_embrulia | Post:437408 - Date: 10.01.14(22:59)
Мдя, схема как бы по мягче сказать, сыровата 😀
У тя при включении кондеи (кроме одного) начнут заряжаться и вт верхний силовой стрельнет , а за ним и нижний возможно тоже. фсё. А управляющие ключи и мост зачем там?
Я ltspice тирзать начал, мож чё и пойму про симуляторы.

bazarov | Post:437409 - Date: 10.01.14(23:02)
хочешь изобрести чтото новое, освивай симуль, и потом вперед, жечь транцисторы сотнями

..... Уже забыл как дым от жжёных деталей пахнет.... Правда коллеги по работе иногда дают вспомнить.... Эх, ностальгия...

Ну а теперь немного неписаной теории. Когда верхний ключ открывается то его уровни напряжений истока и стока сразу к плюсу переходят. При этом развязные конденсаторы имеют на себе некий заряд. При переходе верхнего ключа с закрытого состояния в открытое идёт резкий сдвиг потенциалов относительно ключа и напряжений на конденсаторах. Поэтому может появиться пик напряжения равный источнику питания. Из теории известно что милисекундные импульсы повышеного напряжения наоборот играют важную роль в открытии полевых транзисторов. Таким образом при открытии транзистора скорость его перехода в открытое состояние увеличивается за счёт прироста напряжения за затворе. А это значит, что мы можем смело ставить стабилитрон на 12 Вольт по входу затвора если уровень насыщения полевого транзистора всего 7 Вольт. Резистор поставленый по выходу выпрямительного моста на управление верхним ключём прекрасно справится с задачей шунтирования стабилитрона по кратковременному превышению тока. А ещё стабилитроны имеют внутреннюю ёмкость, что делает спад и заряд этой внутренней ёмкости более долгим. Но благодаря завышеному току и напряжению при переключении эта проблема легко решается. Таким образом имеем несколько резисторов и стабилитрон по управению верхним ключём. Претензии есть 😕 ?

Клопоет.... Видал я эту теорию.... Короче, я её в детстве ещё видел....

Говори куда какие детали рисовать.

_________________
Не хватит никакого здоровья, чтобы приспособиться к этому глубоко больному обществу(Кришна Мурти)/Горшки не Боги обжигают (многовековая классика)


bazarov | Post:437411 - Date: 10.01.14(23:10)
nafanya_embrulia | Post: 437408 - Date: 10.01.14
при включении кондеи (кроме одного) начнут заряжаться и вт верхний силовой стрельнет , а за ним и нижний возможно тоже. фсё.

Ну так при включении нижний силовой ключ будет заперт. Откроется немного верхний ну и фиг с ним. Всяко можно сделать секундную задержку по включению. Или рост частоты с нуля забомбить чтобы переходных процессов небыло. ЧИМ жеш.
Я ltspice тирзать начал, мож чё и пойму про симуляторы.

В своё время мучил мультисим и протеус. Интересно было. Как только переходим на аналогувую схемотехнику в нештатных режимах - глюк полный. А у меня вся схемотехника такая. Логичесике цепи моделировать идеально, но аналоговые лучше в голове проверять. Короче. Плюнул я на это всё и только бумажку с карандашом признаю. К примеру возьми на базу транзистора от ТТЛ микрухи конденсатор на 200 пикофарад через 200 Ом посади и промоделируй. В реали всё чётко работает, в симуляторе - йух.

_________________
Не хватит никакого здоровья, чтобы приспособиться к этому глубоко больному обществу(Кришна Мурти)/Горшки не Боги обжигают (многовековая классика)


nafanya_embrulia | Post:437413 - Date: 10.01.14(23:47)
Ну включай моск.
В первый момент времени ток от по цепи: +320в через верхний кондей хз какого номинала через резистор 200 ом далее переход верхнего силового зашунтированный 180 ом, далее снова кондей порядка несколько мкф, далее катушка и земля.
Сомневаюсь, что переход выдержит, но если да, то что дальше? Транзистор открылся и закрылся, кондеи заряжены, дальше что?

П.С.
Про нештатные ситуации в симулях, их тоже можно просчитать имхо, только эти ситуации в симуль нужно правильно забить для начала.😶
Идеальный мультивибратор например, в симуле не запустится )

bazarov | Post:437414 - Date: 10.01.14(23:54)
: +320в через верхний кондей хз какого номинала через резистор 200 ом далее переход верхнего силового зашунтированный 180 ом, далее

А далее стабилитрон на затвор ставим. Появляется кратковременно напряжение стабилитрона и всё. Ещё же выходной трансформатор придётся параллелить малой ёмкостью с резистором, чтобы повышеное напряжение не гуляло. Но это потом.
Транзистор открылся и закрылся, кондеи заряжены, дальше что?

И всё 😀. Заряжается конденсатор для питания ТЛ494 до 7 Вольт и начинается свистопляска 😘...

Идеальный мультивибратор например, в симуле не запустится )
Не идеальный тоже. Проврено. Даже шум в базе транзистора не помог. 😛

_________________
Не хватит никакого здоровья, чтобы приспособиться к этому глубоко больному обществу(Кришна Мурти)/Горшки не Боги обжигают (многовековая классика)


nafanya_embrulia | Post:437463 - Date: 11.01.14(17:48)
Стоп машина!
А откуда у тебя ТЛ494 взялась? Или ты её на кт315 собрался делать?
Если нашёл 494 значит найдёшь и 555 , темнишь ты чё то Базаров. У тя схема в каком режиме будет работать ключевом или линейном? Синус или меандр на выходе нада?
Думается у тя всё уже готовое есть, только ты этот козырь из рукава показывать не хочешь, а чешется 😕

sbal | Post:437464 - Date: 11.01.14(18:05)
nafanya_embrulia Пост: 437463 От 11.Jan.2014 (17:48) Думается у тя всё уже готовое есть, только ты этот козырь из рукава показывать не хочешь, а чешется 😕
угу, вертится ака уж на сковородке 😊

_________________
в пути...


Kopoet | Post:437465 - Date: 11.01.14(18:11)
{eq Dfc pyftn? ujcgjlf///
ой, перевожу: не знаю, не знаю, ребята... у меня все симулируется, окромя качера Бровина с разнесенно-перпендикулярными катушками. и то, просто поленился менять модель.
А Базарини не зря на кардинала похож, темнит не переставая.

nafanya_embrulia | Post:437468 - Date: 11.01.14(18:33)
Дык и у мну вроде получается в ltspice , у Базарини наверное и комп на кт315 спаян 😳

Greyver | Post:437469 - Date: 11.01.14(19:11)
Заряжается конденсатор для питания ТЛ494 до 7 Вольт

нагородить такое, чтобы зарядить один кондёр? Я в восхищении 😬... круче только яйца...


Размер: 256.10 KB

_________________
Человек отличается от обезьяны умением не замечать очевидных вещей.


sanvalerich | Post:437597 - Date: 13.01.14(00:30)
Пожалуйста, поделитесь модельками для симулей, с кратеньким описанием,а???

dedivan | Post:437608 - Date: 13.01.14(10:39)
Вот побалуйся простой схемкой. Проще некуда. Берем обычный мощный низкочастотный диод типа нашего КД201.
Поскольку буржуи не знают такой, то выбираем его аналог- GBU 806.
Пропускаем через него небольшой прямой ток и потом коротим диод.
Вроде бы ничего не должно быть. А оно есть. Возникает импульс- короткий пичек напряжения и тока , который очень резко обрывается
и на нагрузке получается больше полкиловатта импульс длительностью 5 нсек.
Этот импульс можно запустить в контур на 100 мгц- и вот готов импульсный передатчик на полкиловатта с питанием от
двух батареек для фонаря или от одной батарейки для сотика.

Это особенность тока через диод. Этот режим называют накопление заряда. А заряды в диоде хитрые-
не просто электроны как в обычном кондере- а электроны и дырки. И они рекомбинируют при выключении.
Это сходно с аннигиляцией, летят они навстречу друг другу через р-n переход- и хлоп- пропали, ток резко прекратился.
Вообще этот процесс даже сверхединичен. Дополнительная энергия получается за счет охлаждения кристалла-
то есть он может забирать энергию из окружающей среды.

f30dae.zip
Размер: 79.25 KB


Размер: 38.88 KB

_________________
я плохого не посоветую


dedivan | Post:437609 - Date: 13.01.14(10:45)
А если учесть что транзистор состоит из двух таких переходов-
то все не очень просто в импульсных схемах БП.
Там чудеса бывают на ровном месте.

_________________
я плохого не посоветую


dedivan | Post:437612 - Date: 13.01.14(12:37)
Так это мы с тобой не видим, а электроны и дырки видят оба перехода.
И хрен ты их запятишь не в свой переход.
Ну если только понасилуешь- то кончится это большим пыхом.

А вообще это говорит только о твоей молодости и неграмотности.
Не видел ты транзистора МП13.
И не наешь как он устроен. Все там видно.
image


image



_________________
я плохого не посоветую


СНК | Post:437630 - Date: 13.01.14(15:02)
Базаров, для управления верхним полевиком маленький трансик и маленький полевичок тебе в помощь. К-т заполнения 1-99. Правда, разряжает затвор не очень быстро, сотни наносекунд.

_________________
Автор благодарит алфавит за любезно предоставленные буквы.(с)


dedivan | Post:437631 - Date: 13.01.14(15:20)
Вот смотри как импульсик раскачивает контур. L3C1контур R4- это сопротивление излучения.
Кстати шкаф спорил что одним импульсом контур не раскачивается. Вот ему картинка наглядная.



Размер: 38.52 KB

_________________
я плохого не посоветую


<] [ 1 | ... 56 | 57 | 58 | 59 | 60 | 61 | 62 | 63 | 64 | 65 | 66 | 67 | 68 | 69 | 70 | 71 | 72 | 73 | 74 | 75 | 76 | ... | 127 ] [>
🔒 Тема закрыта. Добавление новых сообщений невозможно.
Форум - Прочие идеи (разные) - Схемотехника - Доверяй, но перепроверяй!!! - Стр 66
🏠 Главная | 📚 Содержание | 💬 Форум | 📁 Файлы | 📩 Контакт