[ВХОД]

26.03.26(14:48)

mob.skif.biz

Альтернативная энергия. Оставь надежду, всяк сюда входящий...

🏠 Главная | 📚 Содержание | 💬 Форум | 📁 Файлы | 📩 Контакт

🖥️ | 🖨️

Форум - Новые технологии - Технологии изготовления - Охранная сигнализация - Стр:32
<] [ 1 | ... 22 | 23 | 24 | 25 | 26 | 27 | 28 | 29 | 30 | 31 | 32 | 33 | 34 | 35 | 36 | 37 ] [>
Модератор: БЮВ
Первый пост темы: БЮВ Post: #158183 От:24.01.2009 (21:55)
Были проблеммы, обнищал. Решил создать безнес на охранной сигнализации. Собираюсь оснащать дачи, гаражи, авто и т.д. С датчиков поступает тревожная СМС-ка на мобилу хозяина, ну и прочие прибамбасы. Пусть сам решает включать сирену, позвонить соседке или в ментовку. Системы такие есть, но дорогие, нужно удешевить максимально, чтоб обывателю не накладно было.Если есть у кого идеи, разработки, схемы, прошу поделится. При внедрении в производство вознаграждение гарантирую. Если что-то авторское, пишите в личку, все права будут соблюдены.
Надеюсь на поддержку. 😊
dedivan | Post:410109 - Date: 12.02.13(20:12)
Ну так на пяти или на шести? Или шестая просто замкнута сваркой?

_________________
я плохого не посоветую



Idris | Post:410118 - Date: 12.02.13(21:14)
Не Дед Иван. В другой ветке им писано было, что ездил на пяти банках и стартер нормально крутил(одна закорочена была), а потом сваркой потыкал (наверно разрушились перемычки) и заработала шестая. И вроде до сих пор работает.
Но вот думаю:
- если перемычки в замкнутой банке позволяли пропускать через себя стартерный ток, а он у легковушки наверное ампер ...250 - 300(я так думаю), то почему они не разрушились от такого тока?
- Почему тогда они разрушились от меньшего тока сварочника?
(я думаю что у него сарочник бытовой, распространенный, наверно под тройку ампер на 150 - 180)

Непонятно. К человеку нет недоверия, просто возможно был какой-то нюанс на который не обратили внимания, а он оказался важен.

VVM, какие характеристики сварочника, которым проводилась манипуляция над АКБ с закороченной банкой?



Jeka343 | Post:410122 - Date: 12.02.13(21:47)
Idris Пост: 410118 От 12.Feb.2013 (21:14)
Но вот думаю:
- если перемычки в замкнутой банке позволяли пропускать через себя стартерный ток, а он у легковушки наверное ампер ...250 - 300(я так думаю), то почему они не разрушились от такого тока?
- Почему тогда они разрушились от меньшего тока сварочника?
(я думаю что у него сарочник бытовой, распространенный, наверно под тройку ампер на 150 - 180)

Непонятно. К человеку нет недоверия, просто возможно был какой-то нюанс на который не обратили внимания, а он оказался важен.

В двух случаях, ток течёт в разных направлениях. Может это и есть Ньюанс?


dedivan | Post:410123 - Date: 12.02.13(21:58)
Idris Пост: 410118 От 12.Feb.2013 (21:14)
Но вот думаю:


Да тут и думатоь нечего- если у него только вольтметр сгоревший,
чего он может утверждать? Все что угодно. Даже то что что у него СЕ батарея.
Про таких спецов вон у Алекса Сороки почитай- там его вообще достали
те кто только инструкцию для аккумулятора прочитал, а до этого еще виннипуха.
И учат его как жить надо, как зарядники правильно делать.


_________________
я плохого не посоветую



VVM | Post:410134 - Date: 12.02.13(23:59)
Idris Пост: 410118 От 12.Feb.2013 (21:14)
Не Дед Иван. В другой ветке им писано было, что ездил на пяти банках и стартер нормально крутил(одна закорочена была), а потом сваркой потыкал (наверно разрушились перемычки) и заработала шестая. И вроде до сих пор работает.
Но вот думаю:
- если перемычки в замкнутой банке позволяли пропускать через себя стартерный ток, а он у легковушки наверное ампер ...250 - 300(я так думаю), то почему они не разрушились от такого тока?
- Почему тогда они разрушились от меньшего тока сварочника?
(я думаю что у него сарочник бытовой, распространенный, наверно под тройку ампер на 150 - 180)

Непонятно. К человеку нет недоверия, просто возможно был какой-то нюанс на который не обратили внимания, а он оказался важен.

VVM, какие характеристики сварочника, которым проводилась манипуляция над АКБ с закороченной банкой?

Поясню как было.
Ездил на пяти (судя по напряжению, третьим электродом не измерял).
Подключал не к сварочнику и совсем случайно.
С месяц назад принесли отремонтировать "Устройство выпрямительные типа ВСА предназначено для зарядки аккумуляторных батарей емкостью до 120А.ч. (ВСА-5К)постоянным током от 0 до 12А или напряжением от 0 до 65В".
Там два режима, напряжения не подписаны, вольтметр не показывал.
схемы не было.
Включил - не дымило, не искрило и особо не гудело.
Решил подключить стоявшему рядом своему аккумулятору (55А\ч).
Ну и шарахнуло как будто напрямую к 220 подключил.
Когда разобрал ЗУ, там от
предыдущего владельца все провода низкому напряжению (в жгутах) были по-плавлены и по-закорочены.И пару диодов пробитых.
После этой взбучки, заметил , что мой акк стал показывать на 2 вольта больше.
Есть предположение, что я на него подал вольт под 60.
А вообще, припоминается, мне такой рецепт предлагали лет 20 назад.
Только , со слитым электролитом .
Если есть другие варианты - дерзайте.
Зы : Идея Jeka343

"В двух случаях, ток течёт в разных направлениях. Может это и есть Ньюанс?"
меня тоже посещала.


Размер: 75.07 KB

_________________
Владимир \"2 процента людей — думает, 3 процента — думает, что они думают, а 95 процентов людей лучше умрут, чем будут думать\"



Idris | Post:410141 - Date: 13.02.13(02:05)
Jeka343 Пост: 410122 От 12.Feb.2013 (21:47)

В двух случаях, ток течёт в разных направлениях.


Не додумал. Спасибо! Очень верно.
Мостик "пытается смахивать на полупроводник"? Шутка.😊

VVM Пост: 410134 От 12.Feb.2013 (23:59)

Только , со слитым электролитом.


Интересно.
Но! Как же будет ток доходить до замкнутой банки если во всем акб между пластинами нет электролита? По электролитическому пару? Или по редким капелькам электролита оставшимся между пластинами? Но тогда в местах капелек будет слишком высокая плотность тока которая порвет обмазку. Рисковано.
Но если все таки решаться на это, то наверное сливать надо только с "текущей" банки, а чтоб не убить обмазку:
- слил,
подключил например источник питания 2в и померял ток,
записал,
почиркал сварочником,
подключил снова источник питания 2в
померял ток,
сравнил,
если ток существенно ниже (в разы), то:
залил обратно электролит, и дальше акб снова на десульфататор, а потом на обычную зарядку и КНЦ.
Если уж это не помогло или окончательно убило банку то сдать на металл.
а то если все сразу слить (во-первых как в таком случае все таки обеспечить ток через акб), и если допустим эти мостики в двух разных банках, то в одной они перепалятся а во второй нет.
Скорее всего надо сливать только банки с утечкой, и если такая не одна, то сливать их по очереди и для каждой отдельно делать "чирк" сварочником.
Обязательно попробую если мой экземпляр АКБ не покориться десульфататору.
И еще. VVM как узнать какой ток может выдать транс из вашего прибора? Может что на трансе написано или сможете сказать:
- напряжение ХХ
- диаметр обмоточного провода вторички (медь или алюминий)
- марку диодов выпрямительного моста
- напряжение акб с пятью работающими банками (до того как заработала шестая банка)
хочу примерно прикинуть ток какой мог обеспечить этот транс через акб, чтоб не дать лишнего.



Jeka343 | Post:410147 - Date: 13.02.13(08:37)
Idris Пост: 410141 От 13.Feb.2013 (02:05)
Скорее всего надо сливать только банки с утечкой, и если такая не одна, то сливать их по очереди и для каждой отдельно делать "чирк" сварочником.
Обязательно попробую если мой экземпляр АКБ не покориться десульфататору.

Идрис в закороченных банках обычно не кислота, а вода. Имхо, можно не сливать. Но я лично кардиостимулятор не пробовал. И еще мне не понятно, почему б кардиостимулятор не сделать из 2-3-х здоровых акков последовательно, а если не получится пережечь перемычку, то с переплюсовкой. В принципе с переплюсовкой можно и одним попробовать. ВОЗМОЖНО с переплюсовкой даже правильнее. Пусть спецы выскажутся.

Банки, естественно, нужно по одной запускать. Т.е. сначала шандарахнуть по батарее, потом разрядить - зарядить. Если обнаруживается еще одна битая банка, то шандарахнуть еще раз.

п.с.: Больше 6-и раз шандарахать ИМХО безполезно. 🤢


dedivan | Post:410155 - Date: 13.02.13(13:41)
VVM Пост: 410134 От 12.Feb.2013 (23:59)
Включил - не дымило, не искрило и особо не гудело.
Решил подключить стоявшему рядом своему аккумулятору (55А\ч).


Таких случаев- сколько угодно.
У нас на ферме корова пернула а у быка рога отвалились.
Ну стоял акк- разряженный - ткнул большим током, не очень большим
там ампер 50 - больше не даст.
Ну подзарядился акк- что удивительного?
Напряжение на нем никто не мерял ни до ни после.
Он просто ДУМАЕТ что на пару вольт больше стало.
Я уж не говорю что плотность еще мерять надо.
Если уж вольтметра за две буханки хлеба нет.
Зато теорий уже нарожал...

_________________
я плохого не посоветую



VVM | Post:410188 - Date: 13.02.13(18:14)
Idris Пост: 410141 От 13.Feb.2013 (02:05)
Но! Как же будет ток доходить до замкнутой банки если во всем акб между пластинами нет электролита? По электролитическому пару? Или по редким капелькам электролита оставшимся между пластинами? Но тогда в местах капелек будет слишком высокая плотность тока которая порвет обмазку. Рисковано.
Но если все таки решаться на это, то наверное сливать надо только с "текущей" банки, а чтоб не убить обмазку:
- слил,
подключил например источник питания 2в и померял ток,
записал,
почиркал сварочником,
подключил снова источник питания 2в
померял ток,
сравнил,
если ток существенно ниже (в разы), то:
залил обратно электролит, и дальше акб снова на десульфататор, а потом на обычную зарядку и КНЦ.
Если уж это не помогло или окончательно убило банку то сдать на металл.
а то если все сразу слить (во-первых как в таком случае все таки обеспечить ток через акб), и если допустим эти мостики в двух разных банках, то в одной они перепалятся а во второй нет.
Скорее всего надо сливать только банки с утечкой, и если такая не одна, то сливать их по очереди и для каждой отдельно делать "чирк" сварочником.
Обязательно попробую если мой экземпляр АКБ не покориться десульфататору.
И еще. VVM как узнать какой ток может выдать транс из вашего прибора? Может что на трансе написано или сможете сказать:
- напряжение ХХ
- диаметр обмоточного провода вторички (медь или алюминий)
- марку диодов выпрямительного моста
- напряжение акб с пятью работающими банками (до того как заработала шестая банка)
хочу примерно прикинуть ток какой мог обеспечить этот транс через акб, чтоб не дать лишнего.

В те времена аккумуляторы были разборными и выводы каждой банки были на поверхности.
Так что, можно было заряжать,балансировать и лечить/разбирать каждый элемент по отдельности.
Со сливом электролита есть опасность сделать ещё хуже, осыпавшаяся активная масса (если она не в пакетиках) может ещё больше по-замыкать межэлектродное пространство.
Провод во вторичке Зу , был достаточно толстый - 2-2.5 мм.
Диоды совсем слабенькие , типа Д203 на 10А. Даже не понимаю, почему они написали ток до 12 А(правда стояли на больших радиаторах, около 10см2.
Ток мог идти и 50-100А, если диоды на ноль пробило.
Все эти дефибрилляции лучше делать, когда другое уже не помогает.
Как и у человека , при онкологии.
Никто не будет раньше времени делать химию или облучение.
Напряжение на моём акке , до удара током, (сразу после зарядки) выше 12.5 вольт не поднималось, а сейчас - такое же после месячного простоя.
Вольтметр есть и цифровой и аналоговый (Ц 20-05 ни как 9 элементов питания не куплю).
И ареометр , естественно есть.Все плотности в норме.
Акку , уже за 5 лет.Пару раз разряжался в ноль.
Но, после КТЦ - работал нормально.
Но, прошлым летом до пяти минут непрерывно крутил стартер (с планетарным редуктором на ПМ - после переборки двигателя маслонасос не мог закачать масло в систему).

_________________
Владимир \"2 процента людей — думает, 3 процента — думает, что они думают, а 95 процентов людей лучше умрут, чем будут думать\"



dedivan | Post:410200 - Date: 13.02.13(18:52)
VVM Пост: 410188 От 13.Feb.2013 (18:14)

Но, прошлым летом до пяти минут непрерывно крутил стартер (с планетарным редуктором на ПМ - после переборки двигателя маслонасос не мог закачать масло в систему).


Давай посчитаем- стартер с редуктором кушает 40 ампер. За 5 минут- 3 ампер*часа.
Ну и?
Даже обычный стартер кушает 80-90 ампер. за 5 минут 7 ампер*часов.
И только по этому это можно считать хорошим аккумулятором?

_________________
я плохого не посоветую



VVM | Post:410214 - Date: 13.02.13(19:34)
dedivan Пост: 410200 От 13.Feb.2013 (18:52)
Давай посчитаем- стартер с редуктором кушает 40 ампер. За 5 минут- 3 ампер*часа.
Ну и?
Даже обычный стартер кушает 80-90 ампер. за 5 минут 7 ампер*часов.
И только по этому это можно считать хорошим аккумулятором?

Для меня тот хороший, который способен уверенно завести мотор, пусть там хоть треть ёмкости осталось.
Зимой - давно уже не езжу.Для лета - хватает.
Про запас есть новый советский, разборный в эбонитовом корпусе.
Мощными автомобильными аудиоситемами не озабочен.
А , деполяризаторы и "томографы" интересны для опытов по быстрой десульфатации, при использовании б/у минусовых пластин с качестве плюсовых.
Способность деполяризатора электрополировать свинцовые пластины в электролите серной кислоты можно и не в аккумуляторе. а в прозрачной склянке "за стеклом".

_________________
Владимир \"2 процента людей — думает, 3 процента — думает, что они думают, а 95 процентов людей лучше умрут, чем будут думать\"



andy8mm | Post:410216 - Date: 13.02.13(19:40)
а если не получится пережечь перемычку, то с переплюсовкой
Задача убить АКБ или лечить?😬



dedivan | Post:410218 - Date: 13.02.13(20:05)
VVM Пост: 410214 От 13.Feb.2013 (19:34)
Для лета - хватает.

Так и надо было с самого начала писать.

А у меня восстановление- это другое- после него обязательно делаю
разрядный цикл и смотрю сколько он отдает.
Написано 55 а*час а отдает 60 - значит восстановил.
Можно ставить в бэкап и быть уверенным что после пропадания электричества- 10 часов отработает. А не гадать то ли на час хватит то ли на два.

_________________
я плохого не посоветую



Idris | Post:410233 - Date: 14.02.13(06:40)
На акб плотность по банкам в процессе десульфатации:
Uв -__13.2__13.2__13.2__13.2___12,98___12.65
1б -__1,17__1,13__1,11__1,10___ 1,10___(1,10)
2б -__1,07__1,07__1,065_1,06___ 1,06___(1,05)
3б -__1,18__1,16__1,13___ 1,12___(1,11)
4б -__1,26__1,25__1,23__1,20___ 1,19___(1,18)
5б -__1,08__1,08__1,08__1,08___ 1,07___(1,04)
6б -__1,27__1,26__1,26__1,25___ 1,23___(1,22)
Iа -__1,80__1,85__1,80__3,50___ 4,20____5,00 - Ток поддерживания напряжения 13,2в на акб (или ток утечки) постепенно падает.

Дед Иван,
вторая и пятая банки с утечкой(плотность за несколько дней практически не изменилась). Остальные раскачались.
Может действительно надо делать десульфататор мощнее?
Ты мне скидывал ссылку "Импульсная зарядка" Она, как я понял, тоже десульфататором работать может. Наверно её тоже изготовлю.
Или все таки попробовать этим десульфататором еще недельку погонять свой 190-й АКБ?
Как думаешь?


dedivan | Post:410244 - Date: 14.02.13(09:55)
Idris Пост: 410233
Как думаешь?


Так ты и сам думай.
Почему плотность низкая? Куда кислота делась? Ты выливал?- тогда долить надо...
Не выливал? - Тогда искать надо куда она спряталась.
В сульфтах. Вывести их на чистую воду можно аккуратно.
Но для этого строго соблюдать балансы токов. зарядных и разрядных.
Ток зарядки-утечки пока еще большой.
Для него и разрядный должен быть большим- порядка 50 ампер в импульсе.
Это ток накачки. А у тебя полевик на 8 ампер? вот то то и оно.



_________________
я плохого не посоветую



Jeka343 | Post:410280 - Date: 14.02.13(17:08)
image



dedivan | Post:410296 - Date: 14.02.13(20:39)
Если ты возьмешь проволочный резистор и померяяешь его стрелочным или электронным омметром- они покажут одинаково.
А если два конца в кислоту опустишь- то очено даже по разному покажут.
Всебудет зависит от того как и чем меряешь.
Плохо они Ома читали.
Кислота не проводит электричество- в ней нет свободных носителей.
А в растворе она диссоциирует на ионы и они начинают двигаться.
Причем два разных вида ионов с разной скоростью да еще в разные стороны.

А Ом их предупреждал, что его закон действителен только для проводников
которые не изменяют своего химического состава при пропускании тока.

_________________
я плохого не посоветую



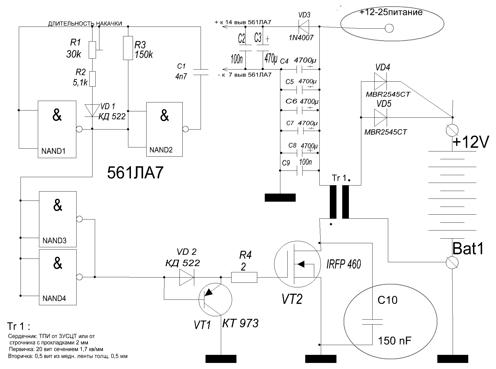
Idris | Post:410917 - Date: 21.02.13(02:56)
Дед Иван, перечитал тему импульсная зарядка и хочу
сделать более мощный десульфататор для своего 6СТ190.
(так с двумя банками значительных изменений и не произошло: наверно слабенький он для такого АКБ, действительно как ты и говорил об этом)
Итак для более мощного как я понял:
схема задающего та же:
image

только транс и ключ надо взять
из темы "импульсная зарядка":
image

И еще дроссель питания на 100мГн надо намотать на кольце
с пропилом миллиметровой проволокой чтоб по мощнее был.
(импульс накачки он же разрядный для АКБ до 50а).
Уже прикупил IRFP460 и два MBR2545CT (поставлю в параллель, надеюсь потянут)
Вопрос по схеме ключа:
- Этот ключ с трансом в "импульсная зарядка" питался от 25в,
а здесь мы вешаем его на АКБ у которого напряжение 12в
или и того меньше 11,5в и при работе десульфататора оно будет
просаживаться еще больше и быстрее чем от транса на пропиленном колечке.
Будет ли работать транс с ключём из "импульсная зарядка" при этих напряжениях?
- Нужны ли в моем варианте применения транса и ключа из темы "импульсная зарядка" эти детали - R1 (2 Ом), R3(0,2 Ом), R2 (0,01 Ом) и С1 (330nF)?
- Потянет ли 561ЛА7 раскачку IRFP460?
- Нужен ли в эту схему ключа КТ973?
- Поставлю в параллель два диода MBR2545CT (MBRB2545CT - такой не нашел) Потянут они токи для АКБ 6СТ190?

Как я вижу сей девайс: схему нарисовал в прикрепленном файле.
Подправь (подрисуй пожалуйста как ты это видишь) если че не так.
ddc659.rar
Размер: 6.55 KB


elektron_blin | Post:410996 - Date: 22.02.13(00:28)
Idris Пост: 410917 От

Подправь если че не так.

Диод VD3 перемести впрво к дроселю, иначе питание (пила) не попадёт на Тр1, на всяк слючай поставь защиту, последовательно резистор по питанию.


Idris | Post:410997 - Date: 22.02.13(01:06)
elektron_blin Пост: 410996 От 22.Feb.2013 (00:28)

Диод VD3 перемести вправо к дросселю, иначе питание (пила) не попадёт на Тр1, на всяк случай поставь защиту, последовательно резистор по питанию.


Не совсем понял про пилу.
По моей задумкке диод VD3 стоит там для того чтоб во время накачки транс не дергал питание задающего генератора.
на всяк случай поставь защиту, последовательно резистор по питанию

Это в какое место?
Подрисуй как ты это видишь, обсудим.



Idris | Post:411037 - Date: 22.02.13(18:23)
Дед Иван, повтор (Post: 410296):
[ссылка]


dedivan | Post:411082 - Date: 23.02.13(07:55)
Это смотря что ты с ним хочешь сделать.
Для начала надо определить что с ним.
Провести КТЦ - померять емкость и посмотреть насколько отстают какие банки.
Сходи на сайт к Сороке, там все тонкости расписаны как для пионеров.
То есть мало кричать- засульфатировался.
А если надумаешь заряжать то вот так надо.
cf94d0.zip
Размер: 6.96 KB

_________________
я плохого не посоветую



Idris | Post:411083 - Date: 23.02.13(08:12)

Дед Иван, перезалей пожалуйста архив или отправь в jpg, а то мой sPlan не открывает и пишет вот это:


Размер: 107.54 KB


Владимир_64 | Post:411085 - Date: 23.02.13(08:56)
sPlan 7.0.0.4 Открылось без проблем.


dedivan | Post:411088 - Date: 23.02.13(09:21)
У меня 6-ой в нем правил.
Возьми тогда картинку


Размер: 56.23 KB

_________________
я плохого не посоветую



<] [ 1 | ... 22 | 23 | 24 | 25 | 26 | 27 | 28 | 29 | 30 | 31 | 32 | 33 | 34 | 35 | 36 | 37 ] [>
У Вас нет прав отвечать в этой теме.
Форум - Новые технологии - Технологии изготовления - Охранная сигнализация - Стр 32
🏠 Главная | 📚 Содержание | 💬 Форум | 📁 Файлы | 📩 Контакт