[ВХОД]
15.04.26(12:19)

mob.skif.biz

Альтернативная энергия. Оставь надежду, всяк сюда входящий...

🏠 Главная | 📚 Содержание | 💬 Форум | 📁 Файлы | 📩 Контакт
 
Резонансные генераторы
Магнитные генераторы
Механические центробежные (вихревые) генераторы
Электростатические генераторы
Водородные генераторы
Ветро- и гидро- и солнечные генераторы
Прочие идеи (разные)
О форуме
Транспорт
Оружие
Научные идеи, теории, предположения...
Экономия топлива
Коммерческие вопросы
Струйные технологии
Торсионные генераторы
Новые технологии
Барахолка
Патентный отдел
Конструкторское бюро
Нейтронная физика
Торнадо и смерчи
Гравитация и антигравитация
Сделай сам. Советы.
Медицина и здравоохранение

🖥️ | 🖨️

Форум - Резонансные генераторы - Прочие резонансные генераторы - Тесла-качер. - Стр:26
<] [ 1 | ... 16 | 17 | 18 | 19 | 20 | 21 | 22 | 23 | 24 | 25 | 26 | 27 | 28 | 29 | 30 | 31 | 32 | 33 | 34 | 35 ] [>
Модератор: SEVER
Первый пост темы: SEVER Post: #146499 От:05.12.2008 (22:44)
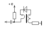
я вот решил поделиться результатами своих экспериментов с вв катушками.
конструкция похожа на предложенную в теме “Схема Тесла-Грея. Аномальный баланс мощности”, однако в отличие от автора Тесла-Грея я не считаю искру источником энергии.

собственно о девайсе:

экспериментируя с качером, на коленках собрал девайс с интетресным
эфектом (см. рисунок).
при подстройке конденсатора наступает момент когда ток от источника минимален и недостаточен для питания нагрузки (в моём случае лампочки) а ток на выходе максимален, превышает входной и обеспечевает работу нагрузки.

девайс представляет собой два трансформатора Тесла T1 и T2 у которых одноименные выводы соединены проводником , при этом второй вывод T2 не используется.

опыт проводил с конусовидными трансформаторами, намотанными на пластиковых стаканах ~0,5л (от чудо йогурта), провод 0,355 виток к витку до полного заполнения ~ 450витков. с обычными целиндрическими не заработало. причина пока не ясна, попробую изготовить еще несколько различных катушек.
в качестве первички Т1 лучше использовать литцендрат или несколько параллельных обмоток толстым проводом.
в качестве токосъёмной обмотки в T2, сплошной экран с разрезом из алюминиевой фольги высотой ~ 3/4 от высоты Т2.
для первички Т1 и экрана Т2 количество витков не столь принципиально, важна большая площадь поверхности проводников.
два трансформатора использовал чтобы исключить индуктивную связь первички Т1 и экрана Т2.
транзистор кт 3102, подстроечный конденсатор 7-30pF, резисторы смещения подстроечные 2,2к и 47к. питание 5V DC.
девайс очень капризный в настройке. для начала нужно получить стабильную работу качера и передачу мощности на Т2. затем, двигая экран по высоте Т2, получить максимальную мощность на нагрузке, а подстроечным конденсатором и резистором в цепи база-эмиттер свести потребляемый ток к минимуму.

shkaf | Post:390530 - Date: 08.09.12(17:30)
alexol Пост: 390320 От 07.Sep.2012 (17:45)
нарисуй, пжст.

так схема тут есть уже..
image

И Виталины последние посты.
А что ты хочешь сделать ?? Радиоприемник?? Если ты не связист-радиолюбитель то это будет не интересно тебе. Ты дочитал до конца посты темы про лампочку сюзаны ?? Лампочка светилась потому что там спрятана батарейка 😀

_________________
На Бога уповаем. http://www.skif.biz/files/e5a7f3.jpg


alexol | Post:390547 - Date: 08.09.12(18:00)
shkaf Пост: 390530 От 08.Sep.2012 (18:30)
так схема тут есть уже..
image

И Виталины последние посты.
А что ты хочешь сделать ?? Радиоприемник?? Если ты не связист-радиолюбитель то это будет не интересно тебе. Ты дочитал до конца посты темы про лампочку сюзаны ?? Лампочка светилась потому что там спрятана батарейка 😀

Дочитал. Еще когда тему не закрыли.
Перечитал, но того, о чем вспомнилось, не нашел. Ладно, это потом.
Ты когда за Полякова вспомнил, я его схемки приемников на "свободной энергии" опять поднял, ну и прикидывал, как туда лавинные транзисторы приспособить. Потому и спросил. Это вообще старый вопрос (с Поляковым). По-моему и о грузине еще никто не знал, когда пытались его приемники применить к СЕ...

shkaf | Post:390581 - Date: 08.09.12(19:19)
Не Аlexol, о СЕ мы пока не говорим, речь просто о радиоприеме, о усилительных свойствах лавиниика.

На свободной энергии у Полякова это детекторные приемники. сверхрегенераторы это тоже у полякова но это другое, оно нуждается в источнике питания. А в детекторный лавиник незачем приспосабливать, ДА И КАКИМ ОБРАЗОМ ПЕРЕМЫЧКА ПЕРЕХОДА ЛАВИНИИКА СДЕЛАЕТ СЕ?? лАВИННИК ЖЕ НЕ БАТАРЕЙКА, А реле!! Сам понимаешь, чтобы лавиниик включился ему надо много вольт, а их нет, антена не дает столько, микровольты в антене.. подключи ослик к антене и убедись.

ps.
с СЕ надо раcтоваться легко, без стонов (c) 😀

_________________
На Бога уповаем. http://www.skif.biz/files/e5a7f3.jpg


Буратино | Post:390688 - Date: 09.09.12(00:42)
shkaf Пост: 390522 От 08.Sep.2012 (18:13)

начинается с потенциала пробоя от 30-500в

То ли мы о разных вещах кумекаем...
Вот если бы транзюк начинал бы усиливать с 0.003 в. вот тогда былабы новизна. А так с 30 вольт...это не ново😀

shkaf | Post:390691 - Date: 09.09.12(04:07)
Ну можеть быть ты встречал уже сверхрегенератор-приемник с лавинной проводимостью транзистора в 30 вольт а не в 0.5, тогда тебе не ново. Наверняка кто то уже делал такую штуку.

Так это очень большая разница, начальный ток при 0.5в и начальный ток при 50 вольтах !!!!
При начальном токе в 0.5в усиление транзистора будет согласно его кофициенту усиления и если коофициент 20 то ток перехода будет увеличиваться пропорционально этому коофициенту. А если проводимость перехода начинается с 50 вольт то ток увеличивается ЛАВИННО+кофициент!! КАК БУДЬ ТО КОФИЦИЕНТ ИМЕЕТ ЗНАЧЕНИЕ 1000+++ и ПОС для "ускорения" тока уже лишняя. И вот тут уже падение напряжения на лавинно пробитом транзисторе составлят 0.0003 вольта против 0.5!!!

_________________
На Бога уповаем. http://www.skif.biz/files/e5a7f3.jpg


Буратино | Post:390739 - Date: 09.09.12(15:51)
shkaf Пост: 390691 От 09.Sep.2012 (05:07)
И вот тут уже падение напряжения на лавинно пробитом транзисторе составлят 0.0003 вольта против 0.5!!!

Вот теперь ты нормально, доходчиво объяснил. Не то что Дед "больше,больше...". Что "больше"😀

shkaf | Post:390977 - Date: 10.09.12(19:20)
Буратино Пост: 390739 От 09.Sep.2012 (16:51)

Вот теперь ты нормально, доходчиво объяснил. Не то что Дед "больше,больше...". Что "больше"😀

Так и Дедиван тебе правильно сказал, во входном колебательном контуре амплитуда колебаний будет больше чем о.5 вольт до момента пока колебания не погасит импульс гашения. Но это совсем не мешает принимать радиочастоту в микровольты. АМПЛИТУДА КОТОРОГО ЗАВИСИТ ОТ СЛЫ ПРИНИМАЕМОГО РАДИОСИГНАЛА. В всерхрегенараторе в отсутствии радиосигнала на выходе имеется шум. Этот шум старта начальной проводимости и от определяется тепловым шумом перехода. А как только появляется сигнал амплитуда которого выше теплового шума, то пробой начинается с тока радиосигнала принятого антеной и дальше уже совсем не важно какая там амплитуда колебаний во входном контуре. Каждый раз синхронизируется с фазой радиосигнала а не с тепловым шумом.

_________________
На Бога уповаем. http://www.skif.biz/files/e5a7f3.jpg


shkaf | Post:390985 - Date: 10.09.12(19:47)
Никто
Все знают, один ты не знаешь..запомни, 220 вольт !!! каждому.

_________________
На Бога уповаем. http://www.skif.biz/files/e5a7f3.jpg


shkaf | Post:391041 - Date: 11.09.12(05:27)
Не менее интерсно.
Для усиления и генерации в лавинном режиме вполне хватит обычного диодика с двумя выводами, тогда и сверхрег. можно на диоде делать.
Не сложно и ООС организовать по току, это расширит динамический диапазон. И глубиной ООС регулировать усиление.
оос
оос
Размер: 1.45 KB

_________________
На Бога уповаем. http://www.skif.biz/files/e5a7f3.jpg


shkaf | Post:391365 - Date: 12.09.12(21:28)
Пока только однотактники лавинные обсуждали, но можно и двухтактный симметричный лавинный генератр устроить, причем на диодах.

_________________
На Бога уповаем. http://www.skif.biz/files/e5a7f3.jpg


shkaf | Post:392320 - Date: 18.09.12(19:41)
http://www.kit-e.ru/articles/elcomp/2010_08_49.php

Генераторы с последовательным включением лавинных транзисторов

Лавинные транзисторы в релаксаторах можно включать последовательно или даже по комбинированным схемам. Это позволяет увеличить амплитуду импульсов.
Релаксатор на двух последовательно соединенных лавинных транзисторах с разрядной линией и сосредоточенными постоянными
Включение последовательно более двух транзисторов тоже не вызывает особых трудностей Импульс запуска подается на базу нижнего транзистора. Он включается, и понижение напряжения на нем вызывает включение других транзисторов. В схеме на рис. 17 включение облегчается применением конденсатора С1, обеспечивающего быстрое включение двух нижних транзисторов. Следом включаются верхние транзисторы, и обеспечивается быстрый разряд основного конденсатора C2.

Транзисторы в режиме лавинного пробоя работают лучше всего в схемах релаксационных генераторов. Однако при определенных условиях генератор на лавинном транзисторе может вырабатывать синусоидальные колебания. Генератор по схеме рис. 5 генерирует напряжение синусоидальной формы с частотой около 4 кГц и амплитудой более 110 В. При напряжении питания 600 В потребление тока составляет около 2 мА.


[ссылка]
хорошая библиотека радио
[ссылка]
[ссылка]
455
455
Размер: 13.89 KB
277
277
Размер: 12.50 KB
12
12
Размер: 24.46 KB
б1
б1
Размер: 13.76 KB
45а
45а
Размер: 1.87 KB

_________________
На Бога уповаем. http://www.skif.biz/files/e5a7f3.jpg


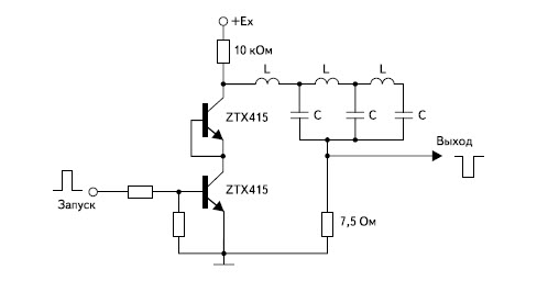
psih | Post:393596 - Date: 25.09.12(13:59)
К сожалению ZTX415 практически недоставаем в России. Хотелось бы определиться какой из распространенных вариантов будет работать надежно и стабильно в лавинном режиме. Пока-что из распространенных я выделил: 2N3904, КТ630, КТ645 правда непонятно, что у них со стабильностью... Может быть есть что-нибудь современное и надежное? Цель получение безискровых наносекундных импульсов

dedivan | Post:393609 - Date: 25.09.12(14:39)
psih Пост: 393596 От 25.Sep.2012 (14:59)
К сожалению ZTX415 практически недоставаем в России. Хотелось бы определиться какой из распространенных вариантов будет работать надежно и стабильно в лавинном режиме.


Нужно понимание одной тонкости- кристаллы у них примерно одинаковы.
А вот выводы с кристалла разные.
У обычных транзисторов идет тонкая проволочка до вывода а у ZTX плоская ленточка
вывода припаяна непосредственно к кристаллу.
Вот это позволяет пропускать большие импульсные токи.
А у обычных эта тонкая проволочка перегорает.

_________________
я плохого не посоветую


psih | Post:393622 - Date: 25.09.12(15:13)
dedivan Пост: 393609 От 25.Sep.2012 (15:39)
psih Пост: 393596 От 25.Sep.2012 (14:59)
К сожалению ZTX415 практически недоставаем в России. Хотелось бы определиться какой из распространенных вариантов будет работать надежно и стабильно в лавинном режиме.


Нужно понимание одной тонкости- кристаллы у них примерно одинаковы.
А вот выводы с кристалла разные.
У обычных транзисторов идет тонкая проволочка до вывода а у ZTX плоская ленточка
вывода припаяна непосредственно к кристаллу.
Вот это позволяет пропускать большие импульсные токи.
А у обычных эта тонкая проволочка перегорает.


Что-же это вполне понятно... Непонятно только, как из каталога выбрать транзистор с нужной шириной проводника, чтобы если сделать генератор, то он не сгорел бы через непродолжительное время. Судя по вашему сообщению, получается, что нужно использовать только лавинники - обычные биполярники туфта... Но, во всех .pdf'ах используются транзисторы, которых у нас нет, получается... Пробивал у поставщиков все, мне известные варианты... Просто искал народный способ для наносекундного генератора на распространенной элементной базе. Расматривал вариант на лавинном диоде, но смущает наличие насыщающегося трансформатора, работающего в экстримальных режимах...

dedivan | Post:393623 - Date: 25.09.12(15:17)
2SC945 самые распространенные- если достаточно 20 ампер в импульсе.
В любом БП от компа они стоят. Штук по 10 в каждом.

_________________
я плохого не посоветую


psih | Post:393633 - Date: 25.09.12(15:43)
dedivan Пост: 393623 От 25.Sep.2012 (16:17)
2SC945 самые распространенные- если достаточно 20 ампер в импульсе.
В любом БП от компа они стоят. Штук по 10 в каждом.


Да. При такой цене (2р за штуку) проще купить, чем ковырять эти блоки...
Получается, что в нем самые правильные проводники?
20а? Хорошо, что есть такая инфа... Можно расчитать последовательные и параллельные стеки из этих транзюков под допустимый ток и напряжение.

Спасибо!

street | Post:393640 - Date: 25.09.12(15:53)
psih Пост: 393622 От 25.Sep.2012 (16:13)
dedivan Пост: 393609 От 25.Sep.2012 (15:39)
psih Пост: 393596 От 25.Sep.2012 (14:59)
К сожалению ZTX415 практически недоставаем в России. Хотелось бы определиться какой из распространенных вариантов будет работать надежно и стабильно в лавинном режиме.


Нужно понимание одной тонкости- кристаллы у них примерно одинаковы.
А вот выводы с кристалла разные.
У обычных транзисторов идет тонкая проволочка до вывода а у ZTX плоская ленточка
вывода припаяна непосредственно к кристаллу.
Вот это позволяет пропускать большие импульсные токи.
А у обычных эта тонкая проволочка перегорает.


Что-же это вполне понятно... Непонятно только, как из каталога выбрать транзистор с нужной шириной проводника, чтобы если сделать генератор, то он не сгорел бы через непродолжительное время.

Косвенно об этой проволочке могут свидетельствовать параметры прибора в импульсе. В даташите нужно обращать внимание на величину тока в импульсе, время импульса и время между импульсами.
Но производители частенько поступают "дёшево и сердито". Вместо ленточки ставят два-три этих волоска параллельно.

_________________
Главное в мелочах


dedivan | Post:393647 - Date: 25.09.12(16:11)
psih Пост: 393633 От 25.Sep.2012 (16:43)
Да. При такой цене (2р за штуку) проще купить, чем ковырять эти блоки...

Не всегда. При нынешних комерсантах - они от дядюшки Ляо нарисуют
все что хочешь.
А горелый блок ничего не стоит- но там заводской входной контроль не пропустит. И в горелом- эти транзисторы всегда живые и настоящие.

_________________
я плохого не посоветую


psih | Post:393673 - Date: 25.09.12(17:52)
Однокашник приезжает в гости из Канады. Заказал ему:
[ссылка]

Никому не нужно? Может добавить в заказ желающим n-ое количество?

Буратино | Post:393696 - Date: 25.09.12(19:22)
13 зеленых за 100 вольтовый?😀

dedivan | Post:393704 - Date: 25.09.12(19:40)
Дык ведь к кремнию только золото паяется.
Одно дело тонкую проволочку- а другое толстую ленточку.
Золотовалютный резерв заодно сделаешь.

_________________
я плохого не посоветую


andy8mm | Post:393721 - Date: 25.09.12(20:33)
psih Пост: 393673 От 25.Sep.2012 (18:52)
Однокашник приезжает в гости из Канады. Заказал ему:
[ссылка]

Никому не нужно? Может добавить в заказ желающим n-ое количество?
Часом не Зевс едет?

Forex | Post:393724 - Date: 25.09.12(20:43)
Ага ! Схемы с ошибками ! 😭

psih | Post:393726 - Date: 25.09.12(20:47)
Буратино Пост: 393696 От 25.Sep.2012 (20:22)
13 зеленых за 100 вольтовый?😀


Вообще-то 250в в лавинном режиме. 100в это биполярные...

Признаться меня тоже жаба начала душить, но рассудил следующим образом.
Этот транзистор дает в пике 160А (10нс) при напряжении 250в...

Обычных транзисторов нужно поставить 2 последовательно в 8-мь || веток (по 20А). итого 2*8=16. Во 1-ых схема сложной получается, во 2-х нужно иметь ввиду, что выгорание в одной ветке, повлечет за собой повышение тока на остальных и скорее всего гибель всей системы. При этом еще БП ковырять. Скорее всего понадобится больше, чем 250в... (может быть 1кв), а это значит еще кратное увеличение числа биполярников...
Времени мало. Как-то бы поменьше расходовать на глупое паяние и согласование... Короче заказал 10 штук на всякий случай...

thorn13 | Post:393730 - Date: 25.09.12(20:55)
http://phazitron.narod.ru/geo/geo_tr.htm

<] [ 1 | ... 16 | 17 | 18 | 19 | 20 | 21 | 22 | 23 | 24 | 25 | 26 | 27 | 28 | 29 | 30 | 31 | 32 | 33 | 34 | 35 ] [>
У Вас нет прав отвечать в этой теме.
Форум - Резонансные генераторы - Прочие резонансные генераторы - Тесла-качер. - Стр 26
🏠 Главная | 📚 Содержание | 💬 Форум | 📁 Файлы | 📩 Контакт