[ВХОД]
29.05.26(00:25)

mob.skif.biz

Альтернативная энергия. Оставь надежду, всяк сюда входящий...

🏠 Главная | 📚 Содержание | 💬 Форум | 📁 Файлы | 📩 Контакт
 
Резонансные генераторы
Магнитные генераторы
Механические центробежные (вихревые) генераторы
Электростатические генераторы
Водородные генераторы
Ветро- и гидро- и солнечные генераторы
Прочие идеи (разные)
О форуме
Транспорт
Оружие
Научные идеи, теории, предположения...
Экономия топлива
Коммерческие вопросы
Струйные технологии
Торсионные генераторы
Новые технологии
Барахолка
Патентный отдел
Конструкторское бюро
Нейтронная физика
Торнадо и смерчи
Гравитация и антигравитация
Сделай сам. Советы.
Медицина и здравоохранение

🖥️ | 🖨️

Форум - Барахолка - Предложение - РЗУ. Особенности практического применения. - Стр:21
<] [ 1 | ... 11 | 12 | 13 | 14 | 15 | 16 | 17 | 18 | 19 | 20 | 21 | 22 | 23 | 24 | 25 | 26 | 27 | 28 | 29 | 30 | 31 | ... | 47 ] [>
Модератор: alexkor345
Первый пост темы: alexkor345 Post: #284260 От:13.01.2011 (09:24)
Данная ветка предназначена для публикации и обсуждения практических аспектов эксплуатации РЗУ-радиантного зарядного устройства различных модификаций.

Для чего нужно РЗУ-кратко на сайте "www.radiant4you.net".
alexkor | Post:358203 - Date: 19.03.12(20:35)
dedivan Пост: 358190 От 19.Mar.2012 (20:19)
Ой, вот с журналюг-путанников и сказочников как раз и не надо начинать.


На нет и суда нет...

_________________
Радиантное зарядное устройство- "www.radiant4you.net" Низкоэнергетические ядерные реакции- "www.lenr4you.net"


МSN | Post:358238 - Date: 19.03.12(21:52)
dedivan Пост: 358161 От 19.Mar.2012 (19:39)
МSN Пост: 358133 От 19.Mar.2012 (18:35)
Меня интересует пока только электрический баланс вход/выход.

Так и я тебе об этом же.
Как ты его собрался проверять? По ому, по джоулю-ленцу?
Это хорошо что ты уважаешь Ома, только невнимательно его слушал.
А он сказал- что его закон выполняется ЕСЛИ НЕ ПРОИСХОДИТ ИЗМЕНЕНИЕ МАТЕРИАЛА ПРОВОДНИКА.
В аккумуляторе известно порядка сотни химических превращений.
Ни в коем случае тут ом не подходит.
А джоуль -ленц основаны на законе ома, значит та же судьба.

Из сотни реакий в аккумуляторе какие то идут с выделением тепла,
другие с поглощением, все реакции обладают разной инерционностью.
На постоянном токе мы регистрируем их общий баланс по теплу.
А при импульсном - какие то реакции успевают произойти, а какие то вообще не успевают начаться.
И баланс совсем другой. Да еще тем более зависит от длительности импульса. Чуть длиннее импульс и уже начинаются медленные реакции,
чуть короче- нет их совсем.

А допустим в быстрой реакции тепло внешнее поглотилось....
ну и где эта энергия?
В химической связи, которая при обычной медленной разрядке выползет в виде электрической.
Нет тут никаких чудес- есть сложный процесс, которым можно как то управлять.




Дед, ну вот зачем все эти заумные теории ??
Все просто,
1. измеряется энергия потребленная РЗУ;
2. Измеряется энергия залетевшая в аккумулятор, причем для более честного теста, можно те-же 20 часов разряжать, при меньшем токе характеристики аккума более пологие, емкость не падает так быстро.
3.сравнить.
И не нужно мудрствовать лукаво.
Тут эти простейшие действия никто не в состоянии произвести, а ты о высоких материях...

_________________
Говорите говорите, я всегда зеваю когда мне интересно. 99,9% всех СЕ устройств, - от неправильных измерений


МSN | Post:358243 - Date: 19.03.12(22:02)
alexkor Пост: 358187 От 19.Mar.2012 (20:11)
МSN Пост: 358133 От 19.Mar.2012 (18:35)
Дед, я обязательно так и сделаю, но посмотрим сначала что ответит Aleks.
И на данном этапе я не ставлю задачу выяснить откуда лишнее.
На данном этапе я ставлю задачу выяснить: А есть ли вообще лишнее ?
Меня интересует пока только электрический баланс вход/выход.


Начинать нужно с самого явления.

[ссылка]

Очень рекомендую книгу москвичей.

[ссылка]


Слушай, ну вот опусы Валеры Лапутько, в качестве аргумента, ну совсем не следует приводить. Стребков еше ладно, но каким боком он сюда, я не понимаю.
Ты мне упорно предлагаешь изучать какие-то источники, в том числе и левые, а я тебе предлагаю провести правильные измерения на твоем стенде.
Ты утверждал что РЗУ потребляло 4мА, от ИП 12В и заряжаемый от него аккум в течение 20 часов, выдал затем емкость 3А/ч.
Я все правильно расслышал ?
Вопрос: Проводить измерения будем, или как ?

_________________
Говорите говорите, я всегда зеваю когда мне интересно. 99,9% всех СЕ устройств, - от неправильных измерений


alexkor | Post:358247 - Date: 19.03.12(22:12)
МSN Пост: 358243 От 19.Mar.2012 (22:02)
alexkor Пост: 358187 От 19.Mar.2012 (20:11)
МSN Пост: 358133 От 19.Mar.2012 (18:35)
Дед, я обязательно так и сделаю, но посмотрим сначала что ответит Aleks.
И на данном этапе я не ставлю задачу выяснить откуда лишнее.
На данном этапе я ставлю задачу выяснить: А есть ли вообще лишнее ?
Меня интересует пока только электрический баланс вход/выход.


Начинать нужно с самого явления.

[ссылка]

Очень рекомендую книгу москвичей.

[ссылка]


Слушай, ну вот опусы Валеры Лапутько, в качестве аргумента, ну совсем не следует приводить. Стребков еше ладно, но каким боком он сюда, я не понимаю.
Ты мне упорно предлагаешь изучать какие-то источники, в том числе и левые, а я тебе предлагаю провести правильные измерения на твоем стенде.
Ты утверждал что РЗУ потребляло 4мА, от ИП 12В и заряжаемый от него аккум в течение 20 часов, выдал затем емкость 3А/ч.
Я все правильно расслышал ?
Вопрос: Проводить измерения будем, или как ?


Куда выслать РЗУ+АКБ?

_________________
Радиантное зарядное устройство- "www.radiant4you.net" Низкоэнергетические ядерные реакции- "www.lenr4you.net"


dedivan | Post:358248 - Date: 19.03.12(22:13)
МSN Пост: 358238 От 19.Mar.2012 (21:52)

Дед, ну вот зачем все эти заумные теории ??
Все просто,

И я говорю что просто.
Даже еще проще- почти такая же схема, только без ляпов,
проработала на самозапитке год.
Вообще ничего мерять не надо.
На дохлом акке.
Но после года от акка осталась труха и раствор.

Если интересно- был акк который 20вт лампочку держал не более 5 минут.
Целый, но дохлый. Банки не коротнутые.
Схема потребляла в импульсе 4 ампера - средний ток 0,2 ампера.
За год через нее прокрутилось порядка тысячи ампер часов.
Но она же и заряжала этот акк, то есть при кпд 90 процентов 900 ампер часов вернулось в аккум. разница 100 ампр часов- то что пошло на потери в схеме, или то что выработалось из химии самого аккума.

_________________
я плохого не посоветую


МSN | Post:358252 - Date: 19.03.12(22:22)
alexkor Пост: 358247 От 19.Mar.2012 (22:12)

Ты утверждал что РЗУ потребляло 4мА, от ИП 12В и заряжаемый от него аккум в течение 20 часов, выдал затем емкость 3А/ч.
Я все правильно расслышал ?
Вопрос: Проводить измерения будем, или как ?
Куда выслать РЗУ+АКБ?

Договоримся, я маякну.

_________________
Говорите говорите, я всегда зеваю когда мне интересно. 99,9% всех СЕ устройств, - от неправильных измерений


Fil | Post:358293 - Date: 20.03.12(04:17)
dedivan Пост: 358248 От 19.Mar.2012 (22:13)


Если интересно- был акк который 20вт лампочку держал не более 5 минут.
Целый, но дохлый. Банки не коротнутые.

Очень интересно, но мне так и не удалось провести подобный опыт с дохлым акк-ом.

dedivan | Post:358305 - Date: 20.03.12(08:12)
А что конкретно не удалось?
Некоторые думвют что напряжение на аккуме должно расти.
Но в режиме самозапитки оно не растет - акк так же разряжается , как и обычно,
но не за 10 часов а например за тысячу.
Сколько он даст- это уже от конкретного акка зависит.
Осыпавшийся много не даст. А крепко звсульфатированный- то что нужно.

_________________
я плохого не посоветую


Fil | Post:358328 - Date: 20.03.12(10:48)
Да, так оно и было, напруга медленно падала примерно 0.7-0.8V за сутки, на дольше не оставлял, потом отключил и забросил, а через неделю проверил на нем напругу - было 10V. Похоже одна банка осыпалась и замкнула. Вот год прошел, замерил напругу около 10V.

street | Post:358372 - Date: 20.03.12(14:09)
Вот год прошел, замерил напругу около 10V.

Плохо это... или как?

_________________
Главное в мелочах


Fil | Post:358384 - Date: 20.03.12(15:18)
Плохо это... или как?

А хрен его знает, просто константировал факт наличия напряжения. Но то что банка одна померла это точно.

dedivan | Post:358389 - Date: 20.03.12(15:42)
То, что одна банка померла- это плохо ,
но то, что остальные пять в течении года не уронили напряжение меньше 9 вольт - это хорошо. Живые банки с малым саморазрядом..

_________________
я плохого не посоветую


street | Post:358390 - Date: 20.03.12(15:46)
Живые банки с малым саморазрядом..

Однозначно!

Fil Пост: 358384 От 20.Mar.2012 (15:18)
Плохо это... или как?

А хрен его знает,

А вот это плохо...

_________________
Главное в мелочах


Fil | Post:358398 - Date: 20.03.12(16:23)
Живые банки с малым саморазрядом

Вскрытие покажет

street | Post:358617 - Date: 21.03.12(12:22)
alexkor Пост: 358187 От 19.Mar.2012 (20:11)

Начинать нужно с самого явления.

[ссылка]




Размер: 36.20 KB


Размер: 5.70 KB

_________________
Главное в мелочах


vodoprovodchik | Post:358634 - Date: 21.03.12(13:30)
alexkor Пост: 358187 От 19.Mar.2012 (20:11)
Начинать нужно с самого явления.
[ссылка]


Да тут просто , - катушка накачивает кондей до величины пробоя разрядника , идёт разряд /широкий спектор радиочастот/ , часть петли-закоротки работает как фильтр- пробка поэтому часть энергии замыкается через лампочку.
А кол-во лампочек - это от "большого ума" 😏

моя фотка - /радиант 6х7/ - полный аналог Тесла...;-)


Размер: 23.74 KB

alexkor | Post:358779 - Date: 21.03.12(21:42)
Не всё так просто в тихом королевстве.

Настоятельно рекомендую ознакомиться с книгой Стребкова...

_________________
Радиантное зарядное устройство- "www.radiant4you.net" Низкоэнергетические ядерные реакции- "www.lenr4you.net"


street | Post:358854 - Date: 22.03.12(08:03)
Koly Пост: 358070 От 19.Mar.2012 (15:18)
MSN Пост: 357850 От 18.Mar.2012 (20:31)
господа врэдиант'щики, использовать в ваших РЗУ можно и транзисторы с Uкэ_мах=40В; только их готовить нужно уметь. Но поскольку вы до сих пор не поняли что аккумулятор заряжается током, а не напряжением,

Еслиб ты ещё и думал что пишеш 😝 то тебе цены небылоб. 😎
Транзистор на радиаторе расчитаный на 12А горячий потребляя 0,3А, а если дать 0,4А то надо ставить на радиатор вентилятор. От какого тока они греютса?

Они греются не от тока , а от его ограничения.

На входе питания стоит три диода в параллель это 9А/1000В и тёплые, а течёт через них 1,2А/24В 😨 и чё они греютса. 😨

Потому что ультрафасты. У них сапр в прямом направлении приличный. Поставь шоттки ампер на 40 , перестанут греться. Но из-за низкого напряжения для шоттки, аварийная ситуация недопустима.

В базе транзисторов керамические резисторы на 10Ват, горячие, от какого тока??? От радианта они горячие а не от тока.

Как и транзюк , резюк в базе греется от ограничения тока. Падает на ём мощь, а не то в базу придут амперы. Замени этот керамический ТЭН, индуктивностью , пусть "врэдиэнт" кипятит.
😊

_________________
Главное в мелочах


alexkor | Post:358871 - Date: 22.03.12(09:38)
Юра, смотри внимательно "
YouTube: Смотреть видео

_________________
Радиантное зарядное устройство- "www.radiant4you.net" Низкоэнергетические ядерные реакции- "www.lenr4you.net"


street | Post:358917 - Date: 22.03.12(11:51)
Я такого насмотрелся уж до тошноты...
Чего сказать-то хотел?

_________________
Главное в мелочах


Koly | Post:359120 - Date: 23.03.12(02:26)
street Пост: 358854 От 22.Mar.2012 (08:03)
Koly Пост: 358070 От 19.Mar.2012 (15:18)
MSN Пост: 357850 От 18.Mar.2012 (20:31)
господа врэдиант'щики, использовать в ваших РЗУ можно и транзисторы с Uкэ_мах=40В; только их готовить нужно уметь. Но поскольку вы до сих пор не поняли что аккумулятор заряжается током, а не напряжением,

Еслиб ты ещё и думал что пишеш 😝 то тебе цены небылоб. 😎
Транзистор на радиаторе расчитаный на 12А горячий потребляя 0,3А, а если дать 0,4А то надо ставить на радиатор вентилятор. От какого тока они греютса?

Они греются не от тока , а от его ограничения.

От какого ограничения? Транзистор выполняет роль ключа подающего напряжение в катушку, а не регулятора напряжения.

На входе питания стоит три диода в параллель это 9А/1000В и тёплые, а течёт через них 1,2А/24В 😨 и чё они греютса. 😨

Потому что ультрафасты. У них сапр в прямом направлении приличный. Поставь шоттки ампер на 40 , перестанут греться. Но из-за низкого напряжения для шоттки, аварийная ситуация недопустима.

Греютса любые диоды.

В базе транзисторов керамические резисторы на 10Ват, горячие, от какого тока??? От радианта они горячие а не от тока.

Как и транзюк , резюк в базе греется от ограничения тока.

Это 8 керамических резисторов по 10Ват висят на базовой жиле 0,7мм и провод холодный а резисторы горячие? Это при токе 0,18мА на ключ, а делаю 0,15 на ключ то всё холодное, это значит что сразу пропадает ток? Яж говорю, еслиб Вы ещё и думали что пишете 😝 то Вам цены небылоб. 😎

street | Post:359153 - Date: 23.03.12(09:35)
Koly Пост: 359120 От 23.Mar.2012 (02:26)
street Пост: 358854 От 22.Mar.2012 (08:03)

Они греются не от тока , а от его ограничения.

От какого ограничения? Транзистор выполняет роль ключа подающего напряжение в катушку, а не регулятора напряжения.

Поставь в эммитер шунт в 0.2-0.3Ом, посмотри...


Греютса любые диоды

Шоттки меньше ультрафастов. Много меньше.


Это 8 керамических резисторов по 10Ват висят на базовой жиле 0,7мм и провод холодный а резисторы горячие?

Если резюк греется - через него течёт ток. Возможно у тебя там имеет место взаимоиндукция , как это было на паралелльных жилах в коллекторе. Поставь один резюк, или так же, как в коллекторной, развяжи диодами.

Это при токе 0,18мА на ключ, а делаю 0,15 на ключ то всё холодное, это значит что сразу пропадает ток?

Это значит , что при 0.15 тепловых потерь меньше. Кроме того , не забывай , что ты смотришь в показания китайского мультиметра , а он показывает тебе то , что может , а не то , что там есть на самом деле. Ты пойми... импульсные устройства работают на переходных процессах, в этом их дурная сторона.

А мотать в базу столько же витков сколько и в коллектор....😕 Смотря для чего. Вот ты,... для чего туда столько мотаешь?

_________________
Главное в мелочах


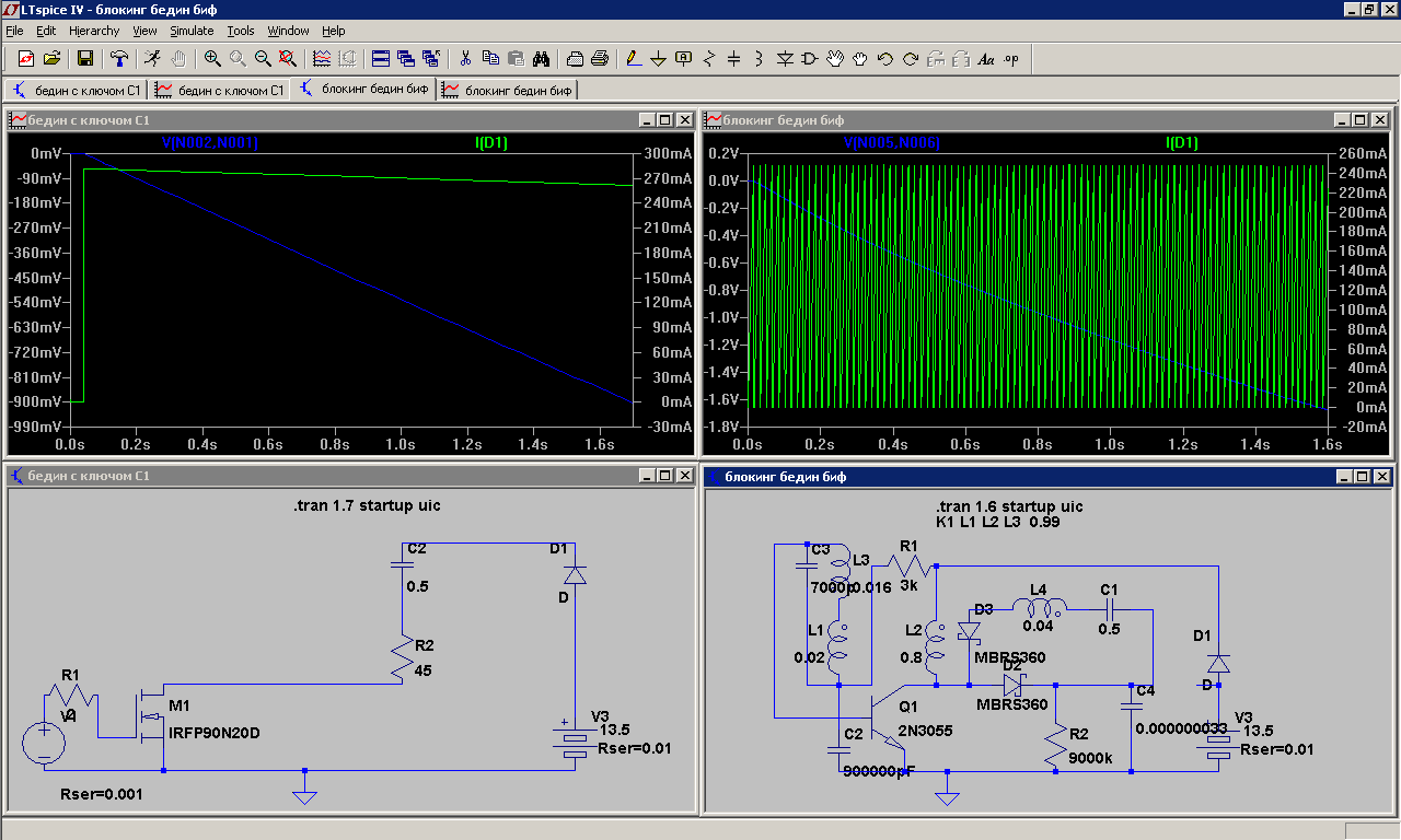
street | Post:360008 - Date: 26.03.12(14:11)
На рисунке слева , полфарады заряжается постоянным током. Справа от блокинга.
Потребление от источника справа , даже амплитудное, меньше , чем при зарядке постоянным током.
Справа , те же полфарады заряжаются почти в два раза большим значением.


Размер: 59.59 KB

_________________
Главное в мелочах


street | Post:360013 - Date: 26.03.12(14:21)
На этом рисунке хорошо видно , как импульсы блокинга "разгоняют" ток заряда конденсатора(аккумулятора) до значений много больших тока потребления самим блокингом. Таким образом , ток заряда аккумулятора вполне может быть больше тока потребления.


Размер: 48.09 KB

_________________
Главное в мелочах


alexkor | Post:360194 - Date: 26.03.12(21:15)
А симуль "явление импеданса" отрабатывает?

_________________
Радиантное зарядное устройство- "www.radiant4you.net" Низкоэнергетические ядерные реакции- "www.lenr4you.net"


<] [ 1 | ... 11 | 12 | 13 | 14 | 15 | 16 | 17 | 18 | 19 | 20 | 21 | 22 | 23 | 24 | 25 | 26 | 27 | 28 | 29 | 30 | 31 | ... | 47 ] [>
У Вас нет прав отвечать в этой теме.
Форум - Барахолка - Предложение - РЗУ. Особенности практического применения. - Стр 21
🏠 Главная | 📚 Содержание | 💬 Форум | 📁 Файлы | 📩 Контакт