[ВХОД]
16.04.26(10:40)

mob.skif.biz

Альтернативная энергия. Оставь надежду, всяк сюда входящий...

🏠 Главная | 📚 Содержание | 💬 Форум | 📁 Файлы | 📩 Контакт
 
Резонансные генераторы
Магнитные генераторы
Механические центробежные (вихревые) генераторы
Электростатические генераторы
Водородные генераторы
Ветро- и гидро- и солнечные генераторы
Прочие идеи (разные)
О форуме
Транспорт
Оружие
Научные идеи, теории, предположения...
Экономия топлива
Коммерческие вопросы
Струйные технологии
Торсионные генераторы
Новые технологии
Барахолка
Патентный отдел
Конструкторское бюро
Нейтронная физика
Торнадо и смерчи
Гравитация и антигравитация
Сделай сам. Советы.
Медицина и здравоохранение

🖥️ | 🖨️

Форум - Экономия топлива - Экономайзеры - Моновпрыск для нанозажигания - Стр:1
[ 1 | 2 | 3 | 4 | 5 | 6 ] [>
Модератор: Kasper
Kasper | Post:358409 - Date: 20.03.12(17:49)
Решил создать тему посвященную именно моновпрыску.
Предлагаю помочь мне советом в разработке мозгов.

Моновпрыск у меня от Opel Astra 1.4 датчик дроссельной заслонки поставил от ВАЗ 2112 потому как у родного была выработка около начала открытия заслонки. Сам контроллер впрыска создан на базе Atmega 128, вывод на графический дисплей 128 на 64 точки.
Планируется организовать возможность редактирования карты впрыска онлайн!
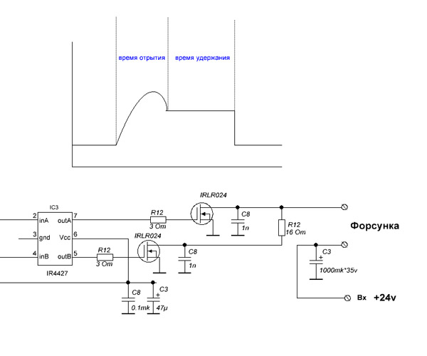
Управление форсункой осуществляется в два этапа, Первый я назвал Открытие форсунки, второй Удержание форсунки, открытие это коммутирование полевым транзистором 24 или 12 вольт от встроенного на плату DC/DC преобразователя напрямую в течении 450мкс, время будет еще уточняться опытным путем а вот время удержания это поддержание небольшого тока через второй транзистор которое позволяет просто удерживать сердечник форсунки открытым а при закрытии транзистора магнитное поле рассасывается быстрей что позволяет более точно дозировать топливо.
Надеюсь это поможет очень просто уменьшать топливо и проверить в точности работу Нано зажигалки!


Собственно мандула!
Размер: 87.84 KB

_________________
Думать, привилегия умных!


Kasper | Post:358411 - Date: 20.03.12(17:52)
Основные проблемы, которые необходимо решить:
- Дискретность шага удержания форсунки (0.01мс или 0.1мс хватит или 0.05мс достаточно)
- Алгоритм определения нагрузки на двигатель (как вычислить по положению заслонки или лучше цеплять ДАД)
- Зависимость времени впрыска на холостых от температуры двигателя (например -10гр – 3.5мс а 25гр – 1.8мс)
- скорость изменения положения шагового двигателя ХХ и алгоритм его работы в зависимости от нагрузки принудительного ХХ и торможения двигателем, а также при прогреве.
- количество точек на графике для корректировки впрыска, а также количество графиков зависимости нагрузки двигателя (например 5 точек на графике от 1200 оборотов и до 5500об.мин. и 4 основных графика например 1граф. нагрузка на двигатель 1-4% просто движок крутит генератор для зарядки акб и питания магнитолы😊 2граф. Нагрузка около 10-15% режим экономичной езды по трассе при попутном ветре😊 3граф. Нагрузка 35-50% Передвижение по городу незначительное ускорение на подъем, и ускорение после притормаживания для пропуска пешеходов😊 4граф. Нагрузка 90-100%. Газ в пол, движение на крутой подъем с крупногабаритной тещей на заднем сиденье😊)


Мандула с другого ракурса
Размер: 110.25 KB

_________________
Думать, привилегия умных!


Kasper | Post:358413 - Date: 20.03.12(18:00)

Необходимо рассмотреть реализацию возможных алгоритмов, написание программы я беру на себя, запустить в жизнь необходимо к маю. Так как отпуск и есть возможность поковыряться…



контроллер (состояние при пуске)
Размер: 135.98 KB

_________________
Думать, привилегия умных!


Kasper | Post:358414 - Date: 20.03.12(18:02)
Состояние на данный момент:
- изготовлена печатная плата, собрана, протестирована.
- проверен вывод на дисплей информации.
- настроено измерение дроссельной заслонки вход 12бит АЦП.
- настроено измерение температуры (стоит датчик DALAS 1Wire).
- настроено и проверенно передвижение шагового двигателя ХХ.
- настроено измерение оборотов двигателя.
- проверен алгоритм двухступенчатого управления форсункой (пока только осциллом)
- написана пробная прошивка с возможностью отображения графика впрыска и выделением определенного столбика в зависимости от нажатия на педаль газа.


Спец меню (график впрыска)
Размер: 174.42 KB

_________________
Думать, привилегия умных!


Kasper | Post:358417 - Date: 20.03.12(18:06)
.

Под юбкой контроллера!
Размер: 134.48 KB

_________________
Думать, привилегия умных!


СНК | Post:358419 - Date: 20.03.12(18:10)
Пожадничал.
Одну сторону под сплошной полигон земли.

Понятно, чего у тебя искрилка виснет.

_________________
Автор благодарит алфавит за любезно предоставленные буквы.(с)


dedivan | Post:358443 - Date: 20.03.12(19:40)
Хорошее начало.
Подможем чем сможем.
Во первых у нас есть отличие от стандарта- малый расход.
Это подразумевает малые времена открытия форсунки.
Это обычная индуктивность , и пока ток в ней не нарастет до определенной величины - она не откроется. То же и с закрытием - ток будет некоторое время спадать.
Вот чтобы сократить эти времена нужна дополнительная схема форсированного питания.
Тут вроде все без особых сложностей понятно.


Размер: 21.83 KB

_________________
я плохого не посоветую


Kasper | Post:358448 - Date: 20.03.12(19:50)
Деда вот где то так как ты и рисовал у меня организовано, вот выходная часть


Размер: 44.08 KB

_________________
Думать, привилегия умных!


Kasper | Post:358450 - Date: 20.03.12(19:56)
По поводу вычислений я думаю, кое что оставить вычисляться автоматом, например прогрев машины, регулятор холостых, а впрыск сделать по простому графику типа пяти точек на весь рабочий диапазон, но четыре графика для разной нагрузки


Размер: 65.64 KB

_________________
Думать, привилегия умных!


dedivan | Post:358451 - Date: 20.03.12(19:56)
Мой вариант
- один ключ
- выше кпд
- выше напряжение , больше пик тока, быстрее срабатывание и выключение

_________________
я плохого не посоветую


Kasper | Post:358452 - Date: 20.03.12(19:59)
Деда растолкуй тогда как работает твоя схема? а то я понял что как у меня в два этапа, сначала резко открываю, потом просто удерживаю

_________________
Думать, привилегия умных!


dedivan | Post:358456 - Date: 20.03.12(20:06)
L1 C1 D2 - это цепочка создает напряжение 45 вольт.
Это колебательный контур с выпрямителем.
Далее в первый момент высокое напряжение создает пик тока,
но кондер небольшой и быстро разряжается и тут через Д3 начинает поступать питание от 12 в- это удержание.
При выключении ЭДС через Д2 заряжает цепь вольтдобавки.

_________________
я плохого не посоветую


dedivan | Post:358480 - Date: 20.03.12(21:07)
Положение газульки - это датчик заслонки.
Сколько через нее пройдет воздуха зависит от оборотов, температуры, атмосферного
давления и от нагрузки.
И как это все вычислить по одному или по двум (+ДХ)?

_________________
я плохого не посоветую


avtoel | Post:358508 - Date: 20.03.12(22:11)
На опелевском моновпрыске (мультек - впрыск + зажигание), вместе с датчиком дроссельной заслонки используют датчик температуры воздуха и вакуумный датчик абсолютного давления. Обороты двигателя само собой, тоже. Опыт установки вместо карба, состав и "мелочи" [ссылка]
На VW моноджетроник (только впрыск, зажигание отдельно), другой набор. Датчик дроссельной заслонки, датчик температуры воздуха и обороты. Отсутствие вакуумметра компенсируется более точным датчиком дросельной заслонки, точнее двумя. Первый на холостом ходу и средней нагрузке, второй средняя и максимальная. Кстати я лет 10-15 дезасемблировал его прошивку, там стоит 51 процессор и ацп 8 разрядов. Работают с перекрытием, растянули точность измерения. По данным с дросселя и оборотам берётся из таблицы значение. То есть при заданном проходном сечении перемноженном на обороты значение вакуума получается автоматически и этим датчиком пожертвовали без значительного ухудшения характеристик. Он нужен для зажигания, там и стоит. для примера [ссылка]

Kasper | Post:358515 - Date: 20.03.12(22:41)
И так почему бы мне не построить систему впрыска, покамись на простом варианте,

(датчик оборотов)+(датчик др. заслонки)+(температура воздуха под капотом принимается за константу 40градусов)

Теперь нужно составить формулу.

значения что нужно просто перемножить?
может есть какой график наглядный, а то в голове еще картинка не сложилась

_________________
Думать, привилегия умных!


avtoel | Post:358517 - Date: 20.03.12(22:42)
Мне кажется для начала надо принять температуру воздуха как константу, (лето впереди да и под капотом всегда тепло, у буржуев для ускорения прогрева есть подмешивание горячего воздуха к холодному. Через минуту уже тёплый воздух в мотор попадает, датчик только корректирует, и не сильно, до 5% примерно, по температуре двигателя в разы и пока не будет 60град. В программе оставить заглушки, потом написать подпрограмму прогрева.

Kasper | Post:358526 - Date: 20.03.12(23:01)
а если не ставить датчик ДАД а высчитывать по углу открытия дросселя и оборотам, насколько пострадает точность? или простота подсчета?

или ничего не пострадает, просто нужно брать и делать на том что есть

_________________
Думать, привилегия умных!


avtoel | Post:358533 - Date: 20.03.12(23:20)
мозги с Датчиком абс. давления имеют особенность, когда двигатель изнашивается, и за картерных газов вакуум падает и расход топлива растёт. Или если подсос воздуха образовался, то же. Мы же собираемся выхлоп на вход мешать, значит нужно две заслонки на одной оси или независимо тогда датчик аналогичный дроссельному. По давлению делать не стоит. Массу воздуха тоже нет необходимости мерить, дорого и не надёжно. При отдельно выполненном зажигании надо брать за основу набор датчиков моно jetronik VW.

dedivan | Post:358584 - Date: 21.03.12(09:52)
Kasper Пост: 358526 От 20.Mar.2012 (23:01)
высчитывать по углу открытия дросселя и оборотам,

Принцип правильный, но он дает только направление.
Точность там никакая. Вот например как ты будешь устанавливать
время открытия форсунки при наладке? По газоанализатору?

_________________
я плохого не посоветую


Kasper | Post:358586 - Date: 21.03.12(10:02)
Ну например после установки и удачного пуска, прогрева движка, можно отрегулировать время открытия по газоанализатору на холостых, затем при 3000 оборотах без нагрузки на становившемся режиме, а вот разгон и под нагрузкой останется только довериться расчетам контроллера и внесенному графику для стандартной модели двигателя

_________________
Думать, привилегия умных!


dedivan | Post:358594 - Date: 21.03.12(10:52)
Ну вот сменилась погода и опять на стенд на газоанализатор новый график составлять?
А лямбда зонд не проще? Нам ведь только знать - сгорело все топливо или нет.

_________________
я плохого не посоветую


Kasper | Post:358595 - Date: 21.03.12(10:55)
Деда лямбда стоит дорого, ставить ее тоже гемор, и работать она будет не долго, у нас бензин с бешеным содержанием серы, если те кто ездят с лямбдой и думают что у них все в порядке то глубоко ошибаются....

_________________
Думать, привилегия умных!


dedivan | Post:358597 - Date: 21.03.12(11:14)
Ну тогда способ вычисления для тебя не лучший выбор.
Всегда будет бензин плюс минус поллаптя.

Ну или вернее при стандартном датчике лямбды.
Но никто не запрещает поставить другой датчик,
например как в газоанализаторе.
Причем не нужен калиброванный дорогой - тебе не абсолютное значение СО надо знать- а просто есть или нет- какой то сигнал для регулировки.

_________________
я плохого не посоветую


dedivan | Post:358600 - Date: 21.03.12(11:30)
Вот тут и точка выбора.
Либо ты используешь дорогие и ненадежные стандартные датчики,
которые к тому же имеют недостатки по скорости срабатывания,
либо как то уходишь от этого.
Дело в том что ДМРВ (MAF) имеет большой объем воздуха после себя,
и цилиндр может насосать достаточное количество воздуха, при этом
заслонка ДМРВ может и не показать ничего.

_________________
я плохого не посоветую


dedivan | Post:358602 - Date: 21.03.12(11:33)
А может проще поставить в выхлоп тоненькую платиновую проволочку
и мерять ее сопротивление? Как в газоанализаторе.

_________________
я плохого не посоветую


[ 1 | 2 | 3 | 4 | 5 | 6 ] [>
У Вас нет прав отвечать в этой теме.
Форум - Экономия топлива - Экономайзеры - Моновпрыск для нанозажигания - Стр 1
🏠 Главная | 📚 Содержание | 💬 Форум | 📁 Файлы | 📩 Контакт