[ВХОД]

25.03.26(00:34)

mob.skif.biz

Альтернативная энергия. Оставь надежду, всяк сюда входящий...

🏠 Главная | 📚 Содержание | 💬 Форум | 📁 Файлы | 📩 Контакт

🖥️ | 🖨️

Форум - Прочие идеи (разные) - новые идеи (прочие) - идея генератора СЕ - Стр:1
Модератор: wnur08
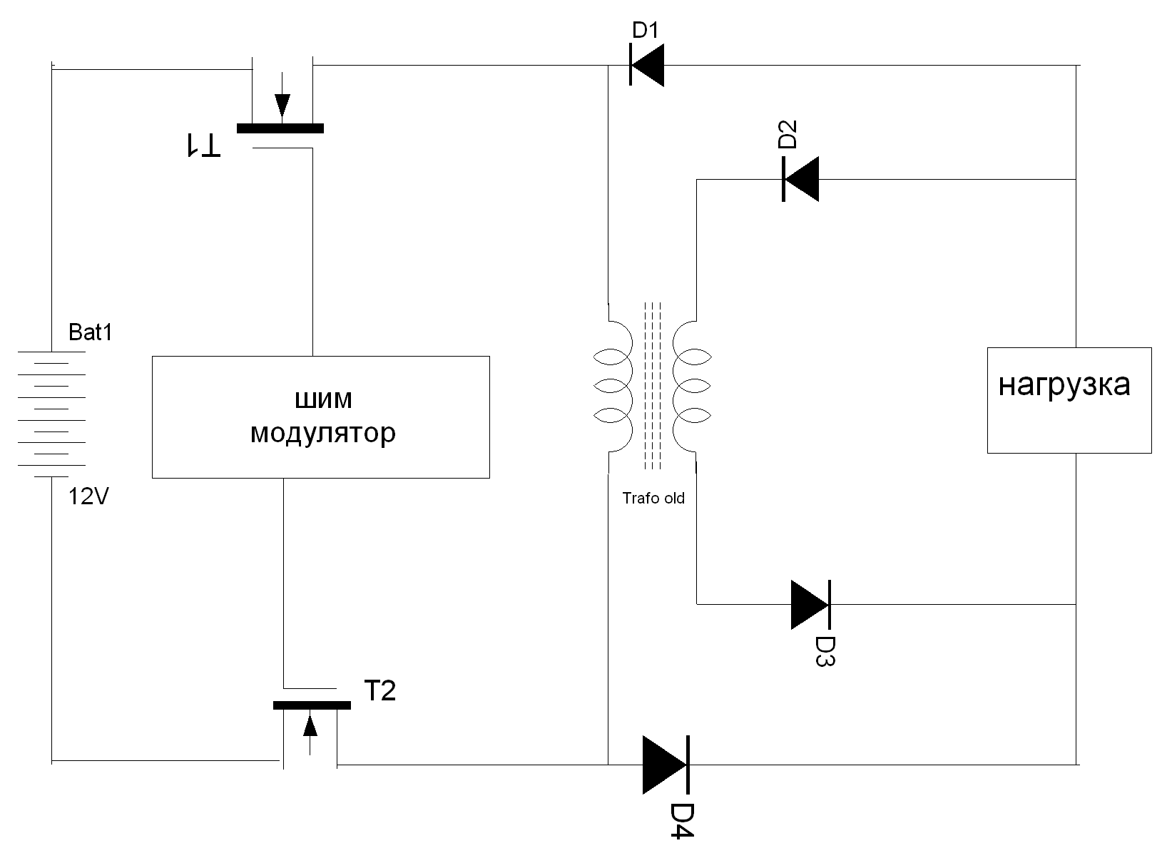
wnur08 | Post:349031 - Date: 03.02.12(12:40)
энергия из самоиндукции трансформатора

схема
Размер: 19.77 KB


queet | Post:349033 - Date: 03.02.12(12:54)
Блин. Даже слов нет. Одни выражения...😎 wnur08, если ток протекает мимо трансформатора откуда возьмется самоиндукция??? О полевике я уже молчу...


TIP | Post:349036 - Date: 03.02.12(13:32)
В этой схеме первичка транса вообще не нужна. можно было и не рисовать ее.😎


wnur08 | Post:349038 - Date: 03.02.12(13:49)
извиняюсь нарисовал схему нарисовал не правильно.диод надо перевернуть


wnur08 | Post:349039 - Date: 03.02.12(13:51)
пытаюсь собрать схему . пока мучаюсь с шим .


PSRS900 | Post:349045 - Date: 03.02.12(15:46)
wnur08 Пост: 349039 От 03.Feb.2012 (13:51)
пытаюсь собрать схему . пока мучаюсь с шим .


По моему Вы собираетесь собрать это.
be0761.pdf
Размер: 207.23 KB


vasik | Post:349099 - Date: 03.02.12(22:20)
wnur08, скажи а откуда ожидается CE ?
схема - обычный преобразователь



wnur08 | Post:350450 - Date: 10.02.12(19:30)
пробую другую схему


Размер: 18.08 KB


wnur08 | Post:350997 - Date: 13.02.12(10:54)
TAHK Пост: 350915 От 12.Feb.2012 (22:34)
wnur08, чтобы получить СЕ на обратноходе надо просто аннигилировать сердечник в этот момент и все. А все другие штучки не принесут успеха.
это тоже хорошая идея 😊


queet | Post:351002 - Date: 13.02.12(11:46)
И что тут хорошего? Допустим МЮ сердечника 1000. Катушка на этом сердечнике имеет индуктивность L. Подключаем источник. Ток нарастает. Нарастает и энергия. Дабы запасти побольше доводим до грани насыщения. Затратили от источника I2*L/2 дж. Не забываем, что с ростом напряженности поля падает проницаемость. В нашем случае МЮ сердечника упадет почти в 1000 раз! Стало быть и индуктивность во столько же раз упала. Теперь выдергиваем сердечник одновременно с отключением источника. Что осталось в катушке? I2*0.001L/2 дж. Так? И что мы тут выиграем?


gravio | Post:351012 - Date: 13.02.12(12:38)
Ток нарастает. Нарастает и энергия.

Второе(энергия) здесь = лишнее.
Существует в Природе лишь то что поддается измерениям.
Энергия сынок не измеряется,не измерялась и измерятся никогда не будет.
По причине отсутствия таковой в Природе.
Учебник и еще раз = учебник.

_________________
\"Настоящий изобретатель обязан принести идею, полномасштабный действующий опытно-промышленный образец, и деньги на внедрение (с откатом).\"



queet | Post:351026 - Date: 13.02.12(13:22)
Внучок, ты уже достал😈


shkaf | Post:351028 - Date: 13.02.12(13:34)
wnur08 Пост: 349031 От 03.Feb.2012 (12:40)
энергия из самоиндукции трансформатора

получить энергию из самоиндукции трансформатора, это тоже самое что сказать пусть трансформатор сам дает энергию а не трансформирует ее. Нормально так да ?

_________________
На Бога уповаем. http://www.skif.biz/files/e5a7f3.jpg



shkaf | Post:351031 - Date: 13.02.12(13:37)
тут вопрос надо ставить по другому, Как ПОТРАТИТЬ МЕНЬШЕ ВРЕМЕНИ на намагничивание магнитопровода. Меньше времени меньше потерь мощности. Время намагничивания зависит от индуктивности которая замедляет рост тока катушки намагничивания и значит удлиняет время намагничивания магнитопровода.

_________________
На Бога уповаем. http://www.skif.biz/files/e5a7f3.jpg



wnur08 | Post:353934 - Date: 28.02.12(22:18)
пробую другую схему , хочу по первой схеме , только ток вторички направить на зарядку батареи в схеме первички . полезную энергию снимают с самоиндукции первички . пока соберу и проэкспериментирую пообсуждайте , будут предложения пишите. бедете пробовать тоже пишите.😊


Ingener | Post:353954 - Date: 28.02.12(23:38)
получить прибавку из насыщенной катушки с током можно лишь совершив работу против сил, котрые создает МП этого тока (раздвигая витки или вынимая сердечник)
то же самое в конденсаторе - только совершив работу против сил притяжения обкладок, получается +
халявы нет...сэр 😊


МSN | Post:354004 - Date: 29.02.12(02:36)
TAHK Пост: 350915 От 12.Feb.2012 (22:34)
wnur08, чтобы получить СЕ на обратноходе надо просто аннигилировать сердечник в этот момент и все. А все другие штучки не принесут успеха.

ха-ха-ха
Аннигилировать вместе с намагниченностью наверное ???

_________________
Говорите говорите, я всегда зеваю когда мне интересно. 99,9% всех СЕ устройств, - от неправильных измерений



almaster | Post:354006 - Date: 29.02.12(04:02)
Ingener Пост: 353954 От 28.Feb.2012 (23:38)
получить прибавку из насыщенной катушки с током можно лишь совершив работу против сил, котрые создает МП этого тока (раздвигая витки или вынимая сердечник)
то же самое в конденсаторе - только совершив работу против сил притяжения обкладок, получается +
халявы нет...сэр 😊

Ты, наверное, не знаешь о том, что и катушки на замкнутом магнитопроводе, и конденсатор в штатном режиме работы совершают дополнительную значительную халявную работу (сори за тавту). Простая задача - утилизировать эту халяву. Но это - не для средних умов.

_________________
Не плывите по течению. Не плывите против течения. Плывите туда, куда вам нужно.



Ingener | Post:354022 - Date: 29.02.12(08:13)
Еще скажи, что постоянное движение электронов по орбитам или вообще броуновское движение молекул совершает постоянную халявную работу.
Что толку от пафосных заявлений "высших умов"? То, что не может быть утилизировано на пользу человеку - не имеет смысла обсуждать


almaster | Post:354023 - Date: 29.02.12(08:24)
😎 😎 Ой, обиделся! Про движение планет по орбитам забыл!
Конечно не имеет смысла обсуждать! С тобой - слабоват ты для ингенера! Ищу, с кем имеет! Кто знает, что можно утилизировать, а что нельзя!

_________________
Не плывите по течению. Не плывите против течения. Плывите туда, куда вам нужно.



almaster | Post:354029 - Date: 29.02.12(09:32)
😳😈Пьяный гравио. Гавкает, сидя на цепи у будки. На пролетающие в небе облака. И птиц.
(кто знает, как правильно танка сочинять😘? )

_________________
Не плывите по течению. Не плывите против течения. Плывите туда, куда вам нужно.



asni | Post:354278 - Date: 01.03.12(13:46)
Параллельный колебательный контур,как в установках ТВЧ,на десятки кГц.На индукторе,точнее на подводящей шине,ферромагнетик,с маленькой катушечкой,и берите сколько сможете взять,точнее как феррит позволит.Все придумано до нас и информации по этим вещам море.Ставьте в свое авто и эл. мотор повезет вас в будущее,да как .....

_________________
asni



jonifer | Post:354292 - Date: 01.03.12(16:07)
image

обычный танк
image
он же внутри
[ссылка]
[ссылка]


asni | Post:354814 - Date: 03.03.12(17:49)
Вот она,доступная каждому.....,то,что написано выше действительно так.Правда трансформатор съема с шины с изюминкой,в виде ферита,ВНИМАНИЕ первичка намотана фольгой с конденсатора,разумеется в изоляции.Реактивка в шине индуктора,преобразуется в активную эл.энергию.При этом снятие реактивки можно уменьшить в Q раз,где Q добротность колебательного контура.Это трансформатор Кулдошина.

_________________
asni



У Вас нет прав отвечать в этой теме.
Форум - Прочие идеи (разные) - новые идеи (прочие) - идея генератора СЕ - Стр 1
🏠 Главная | 📚 Содержание | 💬 Форум | 📁 Файлы | 📩 Контакт