[ВХОД]
08.04.26(20:27)

mob.skif.biz

Альтернативная энергия. Оставь надежду, всяк сюда входящий...

🏠 Главная | 📚 Содержание | 💬 Форум | 📁 Файлы | 📩 Контакт
 
Резонансные генераторы
Магнитные генераторы
Механические центробежные (вихревые) генераторы
Электростатические генераторы
Водородные генераторы
Ветро- и гидро- и солнечные генераторы
Прочие идеи (разные)
О форуме
Транспорт
Оружие
Научные идеи, теории, предположения...
Экономия топлива
Коммерческие вопросы
Струйные технологии
Торсионные генераторы
Новые технологии
Барахолка
Патентный отдел
Конструкторское бюро
Нейтронная физика
Торнадо и смерчи
Гравитация и антигравитация
Сделай сам. Советы.
Медицина и здравоохранение

🖥️ | 🖨️

Форум - Магнитные генераторы - Магнитные генераторы - Генератор на отрицательной индуктивности - Стр:24
<] [ 1 | ... 14 | 15 | 16 | 17 | 18 | 19 | 20 | 21 | 22 | 23 | 24 | 25 | 26 | 27 | 28 | 29 | 30 ] [>
Модератор: dedivan
Первый пост темы: dedivan Post: #329601 От:03.10.2011 (07:22)
Для начала договоримся что мы будем называть отрицательной индуктивностью.

Всем известно что при приложении постоянного напряжения к катушке индуктивности
через нее начинает НАРАСТАТЬ ток от нуля и со скоростью обратно пропорциональной
физической индуктивности этой катушки.
Это положительная индуктивность.
В отрицательной - наоборот- ток УБЫВАЕТ на протяжении какого то периода времени
при постоянном приложенном напряжении..
shkaf | Post:338665 - Date: 01.12.11(12:27)
Физики из США провели фазовое превращение материала, воздействуя на него лишь электрическим полем, – в ходе необычного процесса жидкий материал сформировал кристаллиты.
[ссылка]

_________________
На Бога уповаем. http://www.skif.biz/files/e5a7f3.jpg


bazarov | Post:338741 - Date: 01.12.11(23:36)
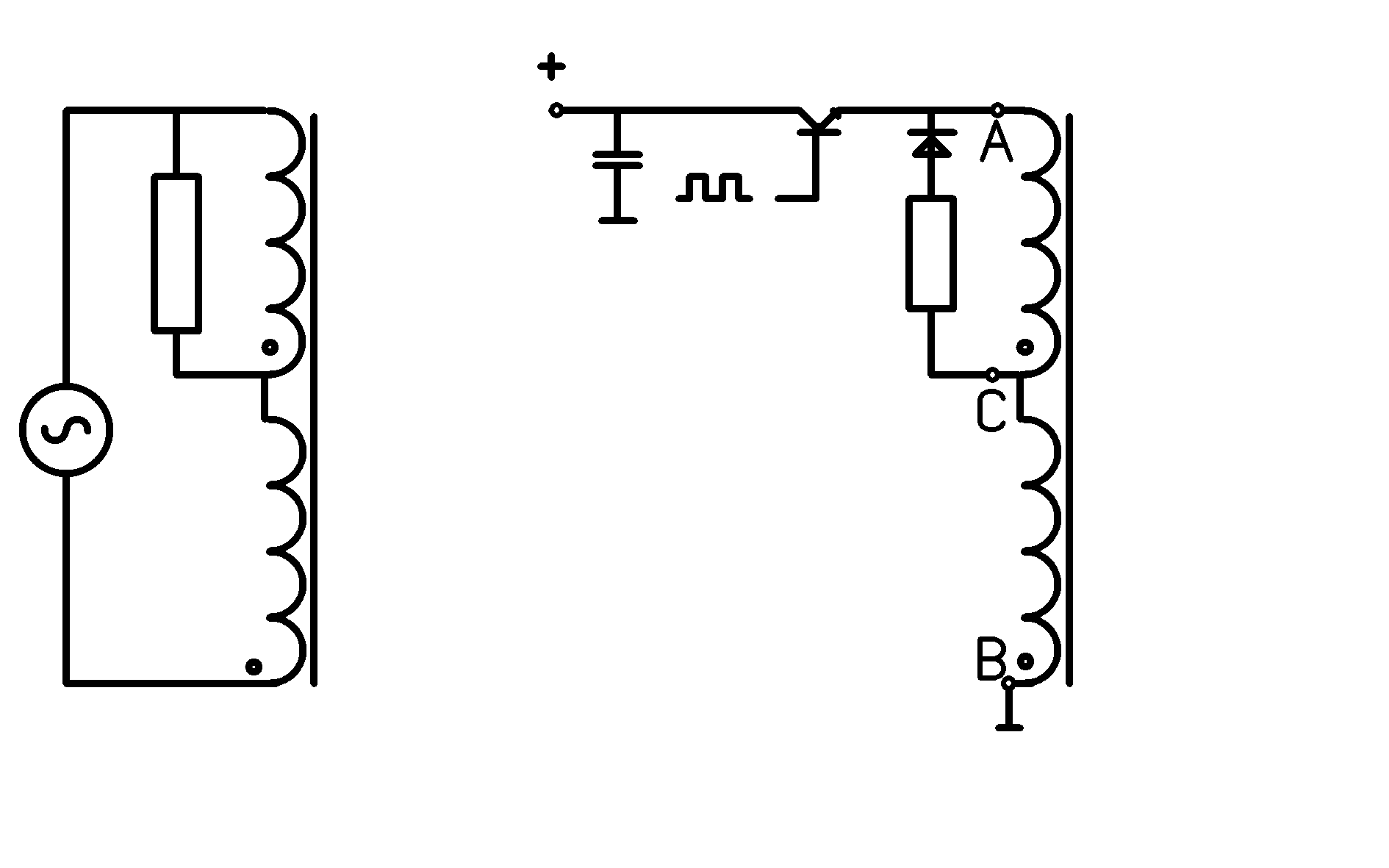
Скучно стало.... Решил засветить схему Богатура что он выкладывал около года тому. Вот теперь посмотрим кто здесь жид.

Националистам не смотреть.
Размер: 17.58 KB

_________________
Не хватит никакого здоровья, чтобы приспособиться к этому глубоко больному обществу(Кришна Мурти)/Горшки не Боги обжигают (многовековая классика)


queet | Post:338746 - Date: 02.12.11(00:07)
О ак! Мабуть решил Базаров на Базарович поменять?😎 Иль на Базарман? А тебе это надо?

bazarov | Post:338748 - Date: 02.12.11(00:17)
Мине это нафик не надо 😕. Не нравится картинка - не смотри.

_________________
Не хватит никакого здоровья, чтобы приспособиться к этому глубоко больному обществу(Кришна Мурти)/Горшки не Боги обжигают (многовековая классика)


6464 | Post:338882 - Date: 02.12.11(18:07)
Сильны пофлудить! По ферритам кто чего намерял?

_________________
Сложно сделать- задачка простая. Просто сделать- задачка сложная.


toptamburg | Post:338907 - Date: 02.12.11(20:14)
6464 Пост: 338882 От 02.Dec.2011 (18:07)
По ферритам кто чего намерял?

У меня пока пауза из-за ремонта в мастерской.Думы думаю...
Почитал Дьяконова - захотелось попробовать для формирования импульсов использовать лавинные транзисторы и ДНЗ.По-крайней мере для прерывания тока в контуре-накопителе ДНЗ так и просится.

_________________
"Монстры в технике - от скудности ума."


bazarov | Post:338932 - Date: 03.12.11(00:19)
Скучно 😭.. Дед, ну ты хоть скажи что Богатур автотрансформатор нарисовал, то засну от скуки 😭.

_________________
Не хватит никакого здоровья, чтобы приспособиться к этому глубоко больному обществу(Кришна Мурти)/Горшки не Боги обжигают (многовековая классика)


shkaf | Post:338967 - Date: 03.12.11(07:25)
bazarov Пост: 338741 От 01.Dec.2011 (23:36)
Решил засветить схему Богатура что он выкладывал около года тому.

шо цэ такэ на портрэте ? для чЕго это?
Ежли моск перевоспален у изобретателя, то если дать ему схему феррорезонансного бытового стабилизатора 70-80 годов то качественный альтернативщик непременно будет утверждать шо это 100 процентный СЕ приборчек 😀

_________________
На Бога уповаем. http://www.skif.biz/files/e5a7f3.jpg


shkaf | Post:339252 - Date: 05.12.11(12:26)
в магнитопроводе с зазором энергия магнитного поля копится в пространстве зазора до тех пор пока материал самого магнитопровода способен доставлять в этот зазор(до насыщения). передача энергии магнитопроводом сразу с большого тока катушки позволяет ускорить процес "транспортировки" энергии к зазору.
В конденсаторе энергия копится тоже в зазоре, в пространстве между двух пластин. и в конденсаторе единственное важно это разность потенциалов между пластин.. т е совсем не важно за какое время будет достигнут этот потенциал. можно за 1 час а можно и за 1 секунду. Имея проводники даже с минимальной индуктивностью не ускорить процес заряда пластин.
Значит, с внешней стороны пространства поля относительно пластин не имеет смысла ускорять заряжать, это всегда будет за счет повышения тока заряда. Но с внутренней сторны пластин там где копится сама энергия поля картина малость другая....
Поле само размазывает заряды по пластинам, значит заряды которые мы с таким трудом пропихиваем по провдникам к пластинам конденсатора можно подать изнутри пластин, т е там же приготавливать сами заряды а не волоком через нехочу тащить их туда.

_________________
На Бога уповаем. http://www.skif.biz/files/e5a7f3.jpg


dimdimius | Post:339266 - Date: 05.12.11(14:47)
dedivan Пост: 329601 От 03.Oct.2011 (08:22)
Для начала договоримся что мы будем называть отрицательной индуктивностью.

Всем известно что при приложении постоянного напряжения к катушке индуктивности
через нее начинает НАРАСТАТЬ ток от нуля и со скоростью обратно пропорциональной
физической индуктивности этой катушки.
Это положительная индуктивность.
В отрицательной - наоборот- ток УБЫВАЕТ на протяжении какого то периода времени
при постоянном приложенном напряжении..
Дедушка, отрицательная индуктивность в твоём изложении есть ни что иное, как ёмкость. Вот формулка. Обрати внимание на знак "минус".
Реактивное сопротивление ёмкости
Реактивное сопротивление ёмкости
Размер: 972 Bytes

_________________
Понимание ключевых принципов с лихвой окупает незнание великого множества теорий и фактов.


dedivan | Post:339285 - Date: 05.12.11(17:42)
Формула еще не все показывает.Кроме сопротивления еще много всяких параметров.
Например - а как с энергией?

_________________
я плохого не посоветую


dimdimius | Post:339292 - Date: 05.12.11(18:20)
dedivan Пост: 339285 От 05.Dec.2011 (17:42)
Формула еще не все показывает.
Само собой.
dedivan Пост: 339285 От 05.Dec.2011 (17:42)
Кроме сопротивления еще много всяких параметров.
Так речь-то идёт как раз об отрицательности одного из параметров - сопротивления, а не размеров катушки, температурного коэффициента и т.д. Более того, ты говоришь об отрицательности именно индуктивного сопротивления, т.е. реактивного, а не активного. А отрицательное реактивное сопротивление - у ёмкости. Поэтому уточни, что ты понимаешь под "отрицательной индуктивностью", ибо то, что ты написал про "уменьшение тока со временем", полностью соответствует ёмкости.
dedivan Пост: 339285 От 05.Dec.2011 (17:42)
Например - а как с энергией?
Да вроде всё так же:
image
image

_________________
Понимание ключевых принципов с лихвой окупает незнание великого множества теорий и фактов.


sbal | Post:339304 - Date: 05.12.11(19:23)
dimdimius математика используется для описания законов физики а не для вывода физических законов. Божья заповедь.
Где дедушка говорил о девайсе "емкость" в условиях задачки? 😊
Если в отдльный временной промежуток течения "процесса" L "-", то и энергия=-W.
Нет?

_________________
в пути...


dimdimius | Post:339312 - Date: 05.12.11(20:03)
Странные вещи творятся на форуме: стоит что-то спросить у Деда, как он куда-то девается, а вместо него отвечает кто-то другой 😘 Деда! Ау!

sbal

Дед создал тему про "отрицательную индуктивность", запамятовав сообщить, что он в енто понятие вкладывает (кроме факта уменьшения тока со временем в таком сопротивлении, что свойственно конденсатору). Вот я и пытаюсь у него выяснить техническое задание на енто устройство под названием "отрицательная индуктивность" и каких чудес Дед от него ожидает, ибо играться в слова как-то не в досуг.

_________________
Понимание ключевых принципов с лихвой окупает незнание великого множества теорий и фактов.


sbal | Post:339314 - Date: 05.12.11(20:12)
dimdimius дедушка - старый партизан-провокатор 😎 Это понимать надобно.
Тех.задание ставят профи.

_________________
в пути...


shkaf | Post:339317 - Date: 05.12.11(20:24)
так там же все расписано и рассказано про отрицательную инд...читай внимательней и можно понять что это токое отриц. инд. и чем ее отличия от емкости. с первой страници надо читать с первого поста..

_________________
На Бога уповаем. http://www.skif.biz/files/e5a7f3.jpg


dimdimius | Post:339334 - Date: 05.12.11(21:27)
sbal Пост: 339314 От 05.Dec.2011 (20:12)
dimdimius дедушка - старый партизан-провокатор 😎 Это понимать надобно.
Тех.задание ставят профи.
😊

shkaf Пост: 339317 От 05.Dec.2011 (20:24)
так там же все расписано и рассказано про отрицательную инд...читай внимательней и можно понять что это токое отриц. инд. и чем ее отличия от емкости. с первой страници надо читать с первого поста..
Почитал. Только вот не пойму, чего 7 страниц городить-то было? Бахнули импульсом - и снимаем СЕ!


Размер: 7.58 KB

_________________
Понимание ключевых принципов с лихвой окупает незнание великого множества теорий и фактов.


bazarov | Post:339335 - Date: 05.12.11(21:42)
Дмитрий, у тебя параллельно конденсатору резистор стоял?

_________________
Не хватит никакого здоровья, чтобы приспособиться к этому глубоко больному обществу(Кришна Мурти)/Горшки не Боги обжигают (многовековая классика)


shkaf | Post:339372 - Date: 06.12.11(06:36)
dimdimius
У тебя похоже сам ослик СЕ раздает 😀
Откуда взялась такая длинная полка на положительном импульсе на нижней картинке ?? ЕЕ длительность больше чем сам импульс "бахания".
Ну и сам прикинь.. откуда в колебаниях после "импульса бахания" энергии взяться больше чем было потрачено на импульс накачки ?????? Добрый дядя петя пришел и подкинул мощи ??
Ты нагрузи трошки колебания !! А то так можно бахнуть просто в один конденсатор и смотреть потом на ослик, а он покажет потенциал на этом кондере длительностью хоть в сутки хоть в месяц после микросекундного импульса "бахания".. 😀

_________________
На Бога уповаем. http://www.skif.biz/files/e5a7f3.jpg


dedivan | Post:339374 - Date: 06.12.11(07:09)
dimdimius Пост: 339292 От 05.Dec.2011 (18:20)
Да вроде всё так же:

а ПОДУМАТЬ?
При уменьшении тока до нуля энергия индуктивности равна нулю.
У отрицательной индуктивности наоборот.
Так что твои формулы для первоклашек.
Интегральную форму нужно выписывать.

_________________
я плохого не посоветую


dimdimius | Post:339496 - Date: 07.12.11(01:00)
dedivan Пост: 339374 От 06.Dec.2011 (07:09)
При уменьшении тока до нуля энергия индуктивности равна нулю.
Да ну? А ПОДУМАТЬ? Магнитное поле имеет такую особенность: при исчезновении своего источника (напр. витка с током), оно начинает стремительно схлопываться, но не мгновенно, т.к. у любого поля есть инерция (эфир как-никак). Таким образом, если мы мгновенно оборвём ток (крутой задний фронт), получим энергию магнитного поля при полном отсутствии тока. Вот и получилась у нас "отрицательная индуктивность", в которой всё, как ты пишешь, наоборот: при нулевом токе - максимальная энергия.

А далее, если снова ПОДУМАТЬ, можно придумать, как эту энергию приумножить и снять.

Вот тебе наводящий вопрос: есть один виток толстой медной шины и два токовых импульса с равной энергией. Один "импульс" - половинка синусоиды длительностью 1 сек и током 1 ампер. Второй импульс - строго прямоугольный с крутизной фронтов 1 наносекунда, длительностью 1 микросекунда и током 1000000 ампер. Скажи, эти два импульса равноценны или имеют отличия в плане пригодности для получения СЕ?
fd5eaa.djvu
Размер: 1.84 MB

_________________
Понимание ключевых принципов с лихвой окупает незнание великого множества теорий и фактов.


toptamburg | Post:339501 - Date: 07.12.11(03:11)
dimdimius Пост: 339334 От 05.Dec.2011 (21:27)
Только вот не пойму, чего 7 страниц городить-то было? Бахнули импульсом - и снимаем СЕ!

И я тоже не понимаю, чего тут люди годами воду в ступе толкут?
По башке-бы тебе бахнуть этим импульсом...

_________________
"Монстры в технике - от скудности ума."


dimdimius | Post:339502 - Date: 07.12.11(03:48)
toptamburg Пост: 339501 От 07.Dec.2011 (03:11)
dimdimius Пост: 339334 От 05.Dec.2011 (21:27)
Только вот не пойму, чего 7 страниц городить-то было? Бахнули импульсом - и снимаем СЕ!

И я тоже не понимаю, чего тут люди годами воду в ступе толкут?
По башке-бы тебе бахнуть этим импульсом...
Не, с башки СЕ не получится! 🤢 Тем более - из моей. У меня в башке индуктивность большая - много извилин, импульс в них заблудится и эффекту не будет 😬

А воду толкут потому, что это ФОРУМ, а не военная лаборатория! Надо же людям где-то общаться 😶

_________________
Понимание ключевых принципов с лихвой окупает незнание великого множества теорий и фактов.


dedivan | Post:339506 - Date: 07.12.11(05:24)
dimdimius Пост: 339496 От 07.Dec.2011 (01:00)
Таким образом, если мы мгновенно оборвём ток (крутой задний фронт), получим энергию магнитного поля при полном отсутствии тока.

Понятно, значит с дифференциальной формулой тока тоже не знаком.
Отсюда вывод- образование среднее и получено после 1960 года.
До этого года в школах были основы дифисчисления.
Это Никита допустил жидов в науку и образование, и они исключили
из программ все что "не нужно простому народу".
Так что рано тебе еще думать- сначала за учебники.

Как поймешь что ток все таки есть - приходи.
А пока все тобой сказанное - просто флуд.

_________________
я плохого не посоветую


doniga | Post:339521 - Date: 07.12.11(09:54)
Сигнал на катушке РЗУ мини на PNP транзисторе КТ851 без нагрузки. Развертка 5 и 10мксек на клетку, амплитуда 50V на клетку. Передний фронт первого импульса начинается примерно на средине высоты.



Размер: 23.54 KB

<] [ 1 | ... 14 | 15 | 16 | 17 | 18 | 19 | 20 | 21 | 22 | 23 | 24 | 25 | 26 | 27 | 28 | 29 | 30 ] [>
У Вас нет прав отвечать в этой теме.
Форум - Магнитные генераторы - Магнитные генераторы - Генератор на отрицательной индуктивности - Стр 24
🏠 Главная | 📚 Содержание | 💬 Форум | 📁 Файлы | 📩 Контакт