[ВХОД]
25.04.26(18:41)

mob.skif.biz

Альтернативная энергия. Оставь надежду, всяк сюда входящий...

🏠 Главная | 📚 Содержание | 💬 Форум | 📁 Файлы | 📩 Контакт
 
Резонансные генераторы
Магнитные генераторы
Механические центробежные (вихревые) генераторы
Электростатические генераторы
Водородные генераторы
Ветро- и гидро- и солнечные генераторы
Прочие идеи (разные)
О форуме
Транспорт
Оружие
Научные идеи, теории, предположения...
Экономия топлива
Коммерческие вопросы
Струйные технологии
Торсионные генераторы
Новые технологии
Барахолка
Патентный отдел
Конструкторское бюро
Нейтронная физика
Торнадо и смерчи
Гравитация и антигравитация
Сделай сам. Советы.
Медицина и здравоохранение

🖥️ | 🖨️

Форум - Магнитные генераторы - Генератор Адамса - Генератор Тарасенко - Стр:5
<] [ 1 | 2 | 3 | 4 | 5 | 6 | 7 | 8 | 9 | 10 | 11 | 12 | 13 | 14 | 15 | ... | 108 ] [>
Модератор: Тарасенко
Первый пост темы: Тарасенко Post: #335807 От:11.11.2011 (00:41)
Генератор Тарасенко-это модель планеты Земля, сделаю модель, получу управляемую модель планеты земля типа летающей тарелки....
image

image

image

image

ХЯС как термояд работать не будет, это попутное явление в земной коре... от электричества...
Малой моделью планеты Земля служат шаровые конкреции, наберите в поиске...
Вот мой генератор Тарасенко будет работать за счет вращения шаровой молнии в реакторе, который вставлен в статор, вот и весь генератор...
Виталя | Post:336218 - Date: 14.11.11(18:33)
Тарасенко Пост: 336199 От 14.Nov.2011 (13:12)
вот 380 подключить не могу, вырубается автомат на 50 А, делаю на 250 А


Не надо "так сразу" 😊, 380 В то😊. Во "внутренностях" Вашего статора отсутствует вращающийся "РОТОР". Индуктивное сопротивление обмотки - очень маленькое, а токи ТАМ протекают ОГРОМАДНЫЕ. Вот и "вышибает" "автоматы" на 50 А. Статор подключайте к однофазной сети, с фазосдвигающим конденсатором, через обычный ЛАТР, так ведь проще чем искать трёхфазный ЛАТР (а "фефект", такой же). Напряжение можно потихоньку повышать, пока обмотки статора не начнут перегреваться.

_________________
С ув. Виталий.


dedivan | Post:336220 - Date: 14.11.11(18:48)
А может с простого начать?
Вернуть назад ротор и попробовать хотя бы его закрутить от этой схемы?
&#128536;

_________________
я плохого не посоветую


Виталя | Post:336226 - Date: 14.11.11(19:54)
dedivan Пост: 336220 От 14.Nov.2011 (18:48)
А может с простого начать?
Вернуть назад ротор и попробовать, хотя бы ЕГО, "закрутить" от этой схемы?
&#128536;


Дед, ну тебе "видней", конечно же. Токо я не понЯл???, от КАКОЙ СХЕМЫ?, ты "хочешь" ротор асинхронника "раскрутить"???, от разряда конденсатора подключенного через искровой промежуток к валу ротора???&#128536;&#128536;&#128536; "чи-то-ли"???😊.

_________________
С ув. Виталий.


МSN | Post:336232 - Date: 14.11.11(20:19)
Тарасенко Пост: 336199 От 14.Nov.2011 (13:12)
Есть, при разряде, тестор сгорает, вот 380 подключить не могу, вырубается автомат на 50 А, делаю на 250 А, кто бы еще параллельно опыты делал, пока только один обещал....


Тарасенко, вы спалите свои обмотки. Не дурите. Найдите 3Ф понижающий трансформатор или три ЛАТРА и подавайте на обмотки через них пониженное напряжение.
Так как у вас удален ротор, и магнитный поток статора незамкнут, то у статорных обмоток очень мала индутивность, а следовательно индуктивное сопротивление, оттуда и большой ток. Поставите автомат на 250 А, просто пыхнет обмотка...
Что там у вас в Казахстане илехтриков нету совсем, чтобы подсказать вам эти очевидные вещи ???

_________________
Говорите говорите, я всегда зеваю когда мне интересно. 99,9% всех СЕ устройств, - от неправильных измерений


Виталя | Post:336233 - Date: 14.11.11(20:32)
Геннадий Владимирович, "прислушайтесь" к доводам МСНа😕, "рупь" за "сто" "даю"😕. ТОВАРИЩ, знает об чём говорит😕.

И вообще, "обратите внимание" на МСНа, ДедаИвана, ОлегаДжана, Алёну, Иеронима (если ОН конечно же здесь "появится"), а так же - на ГРАВИО и БОГАТЫРЬ-я. Хотя ЭТИХ двух "товарисчей"😊, Вы вряд ли "заинтересуете"😊.

PS. БЕС (погонялово такое), его высказывания - тоже не надо "мимо ушей" пропускать😕. Ну, это только моё, личное мнение😕. Вам, конечно же, с "погреба" виднее😊.

_________________
С ув. Виталий.


detector | Post:336247 - Date: 14.11.11(22:39)
Я-бы и Базарова включил в первые ряды.

Виталя | Post:336249 - Date: 14.11.11(22:44)
detector Пост: 336247 От 14.Nov.2011 (22:39)
Я-бы и Базарова включил в первые ряды.


Базарыч "хорош"😊, спору нет😊. Но - "мутный"😊.

_________________
С ув. Виталий.


bazarov | Post:336251 - Date: 14.11.11(22:53)
Опять приплыли 😕 .... Я этому ТОРу покажу где рачки зимуют 😕... Выдал мурзилка с потрохами 😕...

Генадий или Админ. Просьба удалить мой пост с несколькими предшествующими.

За ранее большое сенькью 😈.

Детехтор - маучи 😭!!

_________________
Не хватит никакого здоровья, чтобы приспособиться к этому глубоко больному обществу(Кришна Мурти)/Горшки не Боги обжигают (многовековая классика)


Тарасенко | Post:336252 - Date: 14.11.11(23:12)
Спасибо ребята за хороший прием в вашу компанию, я не электрик, я еще только учусь, я сюда и пришел за советом, да еще бы мои задумки геологические, превратить в механические-электрические. Сами посмотрите на эти конкреции, как они образовались в земной коре-я как геолог-геофизик подразумеваю электрические силы, а там молния. или гравитация, или электромагнитное поле-закручивала эти шарики из пластового флюида. происходила адсорбция хим. элементов в шарики и цилиндрики размерами до 10 м в диаметре и длиной десятки километров.... это происходит в недрах земли. а не на поверхности, на поверхность эти тела выходят через млн. лет...-это постфактум... Вот геология и поможет нам разобраться в устройстве планеты и шаровых конкреций, что даст нам новую энергию....

шаровые конкреции в пласту. вот так они выходят на поверхность, снизу, из земли.
Размер: 1.49 MB

andy8mm | Post:336256 - Date: 14.11.11(23:52)
Тарасенко, расскажи как вода образуется в Земле?

Тарасенко | Post:336271 - Date: 15.11.11(05:20)
andy8mm Пост: 336256 От 14.Nov.2011 (23:52)
Тарасенко, расскажи как вода образуется в Земле?

Как и нефть с помощью электричества, только из неорганики, вот почему воды больше, а нефти меньше в сотни раз.. Наберите в поиске тему-образование нефти-все будет понятно. Тарасенко Геннадий-это я.... не люблю ники....

Тарасенко Геннадий
Размер: 1.38 MB

Тарасенко | Post:336275 - Date: 15.11.11(07:27)
http://video.yandex.kz/users/tarasenko-genadi/view/31/# не могу вставить ютуб...
Здесь физики бьют геолога, и правильно бьют, нужны анализы. но где их взять... Остается сделать генератор и показать....

18 РК ХТЯ и ШМ, Криница. сентябрь 2011.
Размер: 1.61 MB

dedivan | Post:336302 - Date: 15.11.11(15:42)
И правильно бьют, учиться надо было в школе.
Знать надо , хотя то, что 300 лет известно.
Еще лучше конечно и что то поновее знать, но уж 200 лет -
обязательно.
[ссылка]

Кстати аккурат двести лет назад, еще до наполеоновского нашествия, люди опыты ставили.

_________________
я плохого не посоветую


Тарасенко | Post:336304 - Date: 15.11.11(15:58)
так бьют за геологию, а не основы физики... Я мыслю геологически. делаю модель планеты Земля и прошу этих физиков объяснить эти земные явления-как образовалась шаровая конкреция. Если знаешь как. скажи, нет то извини гуляй, изучай, если что пиши...
Конкреция
Конкреция
Размер: 66.77 KB

Виталя | Post:336323 - Date: 15.11.11(19:44)
ДедИван😊, ну😊..., на тебя "вся страна"😊 (в смысле: все СКИФЫ") - "смотрят"😊. Откудова "ети"... "конкрецзии"😊???

_________________
С ув. Виталий.


di_mon | Post:336334 - Date: 15.11.11(21:30)
тут упоминали уже про комочки в каше, я могу сказать про картошку в костре 😀 У меня другое мышление, как и у каждого из нас, но в этих шариках ничего общего с моделью земли нету. В этих "экспериментах" ничего общего с ШМ нету. Ах да, круглое вообще то все, и все.
Если это и образование после ШМ, то с такими же последствиями как после сварки(сварщик околачивает молоточком тюк-тюк-тюк). Единственная разница у сварщика почти "однородное" образование, а в земле куча всего - вот и слои. Т.е. хочу сказать это спекшееся порода. Если человек геолог, должен был проверить состав слоев на их основании делать выводы, а не бежать к физикам и показывать кусок породы и трести их "расскажите ка, как она образовалась?" , можно было и к биологам с таким вопросом подойти, они бы тоже задумались(послали).
По схеме: если уважаемый геолог в физике слабоват, то как пришла в голову такая схема? А статора жечь таким способом - кощунство, тем более приборы. Жалко токаря, да электрика - которые это собирали. Может конечно рано делаю выводы , но попахивает пиаром личности, основываясь на неподтвержденные теории, тем более непроверенные "опыты" и фотографии. Либо забить чужие головы пустыми мыслями.

Тарасенко | Post:336398 - Date: 16.11.11(05:03)
Сразу видно, человек не читал тему и слету показывает свою дурость... Вот твои товарищи еще думают и ты подумай , хорошо!😳
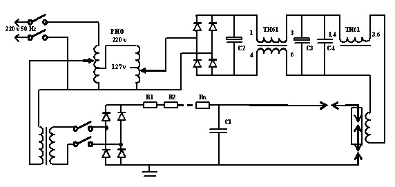
Схема Алкодимика, царство ему небесное, с уфолога.
 Схема Алкодимика, царство ему небесное, с уфолога.
Размер: 51.72 KB

Тарасенко | Post:336399 - Date: 16.11.11(05:34)
Виталя Пост: 336233 От 14.Nov.2011 (20:32)
Геннадий Владимирович, "прислушайтесь" к доводам МСНа😕, "рупь" за "сто" "даю"😕. ТОВАРИЩ, знает об чём говорит😕.

И вообще, "обратите внимание" на МСНа, ДедаИвана, ОлегаДжана, Алёну, Иеронима (если ОН конечно же здесь "появится"), а так же - на ГРАВИО и БОГАТЫРЬ-я. Хотя ЭТИХ двух "товарисчей"😊, Вы вряд ли "заинтересуете"😊.

PS. БЕС (погонялово такое), его высказывания - тоже не надо "мимо ушей" пропускать😕. Ну, это только моё, личное мнение😕. Вам, конечно же, с "погреба" виднее😊.
Ваша помощь мне нужна, надо повторить опыт в миниатюре, это любой может сделать и надо быстрей найти новую энергию....

Мои помощники, что то пропали совсем...
Размер: 1.68 MB

Izon | Post:336404 - Date: 16.11.11(07:19)
На схеме обмотки статора питаются постоянным током от выпрямителя. Как же магнитное поле будет вращающимся? При этом индуктивное сопротивление их будет стремиться к нулю, т.е. гореть обмотки будут, как сказал MSN.

Тарасенко | Post:336420 - Date: 16.11.11(10:19)
А переменное будет нормально или как....., вы правильно мыслите, на 3 фазы постоянку не сделаешь наверное... или как...., просто это старая схема, но в описании я говорю, что надо подавать 3 фазы переменное, это я даже уже знаю😎

Izon | Post:336441 - Date: 16.11.11(12:48)
Кормить только переменкой и только через ЛАТР, ибо статора нет - магнитное поле разорвано, ток будет большой, обмотки сгорят - об этом тут уже говорили. Чем больее высокооборотистый двигатель - тем меньше количество статорных полюсов, тем быстрее будет вращаться поле. Однако, если статор трехфазный, то и ЛАТР надобен трехфазный. Выше 2кВт почти все асинхронники трехфазные.

visa | Post:336445 - Date: 16.11.11(13:12)
Тарасенко Ваша помощь мне нужна, надо повторить опыт в миниатюре, это любой может сделать и надо быстрей найти новую энергию....


Дядя Гена, я бы вам помог, но я такой же балду – ин как и …

К Динатрону вам в гости съездить надо. Он враз вам подскажет, как с ваших катушек L1 и L1' всю кваррическую энергию утилизировать в реактор шарообразных конкреций.

И не слушайте и Вы этих умников, врут они, что ток в статоре большой из-за маленькой индуктивности. Двигатель то наверно на помойке нашли? Там-тама коротыш в изоляции. Вы новый купите за -надцать тысяч полубаксов. Разберите его и всё у вас получится.


Izon | Post:336447 - Date: 16.11.11(13:19)
Сорри, в предыдущем моем посте описка следует читать - "ротора нет"

dedivan | Post:336451 - Date: 16.11.11(13:46)
visa Пост: 336445 От 16.Nov.2011 (13:12)
И не слушайте и Вы этих умников,


Правильно, если сам не понимаешь, то нужно слушать только таких же
я такой же балду – ин как и …

и тогда найдете общий язык
и всё у вас получится.
😎

_________________
я плохого не посоветую


Тарасенко | Post:336457 - Date: 16.11.11(14:03)
Что-то главные силы не выходят, изучают....


Размер: 499.39 KB

<] [ 1 | 2 | 3 | 4 | 5 | 6 | 7 | 8 | 9 | 10 | 11 | 12 | 13 | 14 | 15 | ... | 108 ] [>
У Вас нет прав отвечать в этой теме.
Форум - Магнитные генераторы - Генератор Адамса - Генератор Тарасенко - Стр 5
🏠 Главная | 📚 Содержание | 💬 Форум | 📁 Файлы | 📩 Контакт