[ВХОД]
24.04.26(06:36)

mob.skif.biz

Альтернативная энергия. Оставь надежду, всяк сюда входящий...

🏠 Главная | 📚 Содержание | 💬 Форум | 📁 Файлы | 📩 Контакт
 
Резонансные генераторы
Магнитные генераторы
Механические центробежные (вихревые) генераторы
Электростатические генераторы
Водородные генераторы
Ветро- и гидро- и солнечные генераторы
Прочие идеи (разные)
О форуме
Транспорт
Оружие
Научные идеи, теории, предположения...
Экономия топлива
Коммерческие вопросы
Струйные технологии
Торсионные генераторы
Новые технологии
Барахолка
Патентный отдел
Конструкторское бюро
Нейтронная физика
Торнадо и смерчи
Гравитация и антигравитация
Сделай сам. Советы.
Медицина и здравоохранение

🖥️ | 🖨️

Форум - Барахолка - Предложение - Готова к продаже радиантная зарядка для аккумуляторов. - Стр:21
<] [ 1 | ... 11 | 12 | 13 | 14 | 15 | 16 | 17 | 18 | 19 | 20 | 21 | 22 | 23 | 24 | 25 | 26 | 27 | 28 | 29 | 30 | 31 | ... | 38 ] [>
Модератор: alexkor
Первый пост темы: alexkor Post: #267359 От:15.09.2010 (15:29)
Привет!

По мотивам твердотельных радиантных зарядок Джона Бедини собрана бюджетная версия радиантного зарядного устройства-РЗУ.

Вот оригинальное ЗУ Джона Бедини по цене 75 баксов.
"http://www.r-charge.com/RC_ALM-1.html"

Желающие получить РЗУ в пользование обращайтесь.

Технические аспекты - в личку "Alexkor".

Всего!
denall | Post:327061 - Date: 20.09.11(14:17)
--

va123 | Post:327103 - Date: 20.09.11(16:04)
denall Пост: 327060 От 20.Sep.2011 (15:17)
как он в эксплуатации?


Настройки помнит; аккумулятор пока не заказал - большинство продавцов продают без аккума, руки не дошли заказать; гореть так-же как 201 не должен - там аккум разъемом втыкается на плату; не тормозит.

Там кстати коммунна, которая его разработала оч. деятельная, пишут всякие прошивки для него, типа мотор-тестера для бмв, мультиметра и т.д.

PS: На забывайте сразу шнурок с делителем прикупать.

alexkor | Post:327584 - Date: 22.09.11(08:53)
Рассмотрим способы преобразования результатов работы РЗУ в практической плоскости.

Для разговора на одном языке обозначим выход(желтый провод) РЗУ как "радиант". Аналогичный "радиант" является результатом работы любого "Трансформатора Теслы".

Для интересующихся теорией-изучайте указанную книгу. Теория современным языком-доступно...


Размер: 25.73 KB

_________________
Радиантное зарядное устройство- "www.radiant4you.net" Низкоэнергетические ядерные реакции- "www.lenr4you.net"


alexkor | Post:328054 - Date: 24.09.11(08:50)
Простейший вариант получить от РЗУ крутящий момент-соединить желтый провод с заземлённой катушкой. У катушки необходимо обеспечить минимальную (достижимую) индуктивность.

При появлении выброса "радианта" катушка своим МП взаимодействует с ротором на постоянныз магнитах...


Размер: 9.14 KB

_________________
Радиантное зарядное устройство- "www.radiant4you.net" Низкоэнергетические ядерные реакции- "www.lenr4you.net"


abrec | Post:328943 - Date: 28.09.11(20:50)
Дорогой Алекскор! Не могли бы Вы повторить особенности зарядки литий-ионника от мобилы? Не могу отыскать, а вроде Вы выкладывали. Сейчас вожусь с акком на 750 мАч. На телефоне часа через 3 уже пишет давай заряжай. Изначально, когда принес домой, на нем было 3.53В. Разряжал 6 светодиодами, ток 60мА. минут 20 горели, потом отрубились. На аккуме после этого ни милливольта не обнаруживается. Поставил на свой "бедини" из велодинамо. За ночь нагреб опять 3.53В. На следующий вечер опять разрядил тем же макаром с тем же результатом. Сейчас опять на бедини ставить буду. Нагрева во время зарядки на аккуме нет.
Спасибо.

alexkor | Post:328950 - Date: 28.09.11(21:02)
abrec Пост: 328943 От 28.Sep.2011 (21:50)
Дорогой Алекскор! Не могли бы Вы повторить особенности зарядки литий-ионника от мобилы? Не могу отыскать, а вроде Вы выкладывали. Сейчас вожусь с акком на 750 мАч. На телефоне часа через 3 уже пишет давай заряжай. Изначально, когда принес домой, на нем было 3.53В. Разряжал 6 светодиодами, ток 60мА. минут 20 горели, потом отрубились. На аккуме после этого ни милливольта не обнаруживается. Поставил на свой "бедини" из велодинамо. За ночь нагреб опять 3.53В. На следующий вечер опять разрядил тем же макаром с тем же результатом. Сейчас опять на бедини ставить буду. Нагрева во время зарядки на аккуме нет.
Спасибо.


Для лития важно цеплять РЗУ непосредственно к контактам мимо контроллера. Если так не получается-лень разбирать-нужно просто предварительно зарядить батарею так, чтобы телефон на ней включался.

Дальше алгоритм простой.
1-зарядить РЗУ до нагрева корпуса батареи до 40 градсов.
2-батарею ставим в телефон и пользуемся...
3-при разряде повторить пункт первый...

На практике замечена для лития тонкая грань между жизнью/смертью. Если ёмкость упала на 20-30 процентов-батарейка скоро крякнет...

_________________
Радиантное зарядное устройство- "www.radiant4you.net" Низкоэнергетические ядерные реакции- "www.lenr4you.net"


alexkor | Post:328952 - Date: 28.09.11(21:05)
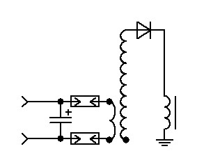
РЗУ может выдать потребителю свет или тепло с помощью полупроводников. Цепляемся к желтому проводу...


Размер: 14.09 KB

_________________
Радиантное зарядное устройство- "www.radiant4you.net" Низкоэнергетические ядерные реакции- "www.lenr4you.net"


denall | Post:328962 - Date: 28.09.11(21:31)
alexkor

у меня тут одна крякнула, прям в телефоне (в Нокии как раз). стол икеевский прожгло, вонища такая сладковатая.....чтобы я еще с литием связался.

alexkor | Post:329017 - Date: 29.09.11(08:26)
Обычная схема с РЗУ для передачи активной мощности по одному проводу на резонансной частоте. Диод-ультрафаст.

_________________
Радиантное зарядное устройство- "www.radiant4you.net" Низкоэнергетические ядерные реакции- "www.lenr4you.net"


abrec | Post:329020 - Date: 29.09.11(09:21)
alexkor Пост: 328950 От 28.Sep.2011 (22:02)
abrec Пост: 328943 От 28.Sep.2011 (21:50)
Дорогой Алекскор! Не могли бы Вы повторить особенности зарядки литий-ионника от мобилы? Не могу отыскать, а вроде Вы выкладывали. Сейчас вожусь с акком на 750 мАч. На телефоне часа через 3 уже пишет давай заряжай. Изначально, когда принес домой, на нем было 3.53В. Разряжал 6 светодиодами, ток 60мА. минут 20 горели, потом отрубились. На аккуме после этого ни милливольта не обнаруживается. Поставил на свой "бедини" из велодинамо. За ночь нагреб опять 3.53В. На следующий вечер опять разрядил тем же макаром с тем же результатом. Сейчас опять на бедини ставить буду. Нагрева во время зарядки на аккуме нет.
Спасибо.


Для лития важно цеплять РЗУ непосредственно к контактам мимо контроллера. Если так не получается-лень разбирать-нужно просто предварительно зарядить батарею так, чтобы телефон на ней включался.

Дальше алгоритм простой.
1-зарядить РЗУ до нагрева корпуса батареи до 40 градсов.
2-батарею ставим в телефон и пользуемся...
3-при разряде повторить пункт первый...

На практике замечена для лития тонкая грань между жизнью/смертью. Если ёмкость упала на 20-30 процентов-батарейка скоро крякнет...

Спасибо! оказывается, они еще и стареют, литий-ионы.. сегодня вроде бы показал увеличение времени работы ледов, минут 45 работал, пока не потухли. хорошо, что не греется на зарядке - надеюсь, не рванет. встроенная микросхема объясняет быстрое обнуление напруги после некого низкого порога.
спасибо еще раз

gorbounov | Post:329028 - Date: 29.09.11(11:04)
alexkor

Для интересующихся теорией-изучайте указанную книгу. Теория современным языком-доступно...

где такую скачать? Весь инет облазил. Есть другие книги этого автора. А именно эту негде взять. Хелп!!!

alexkor | Post:330020 - Date: 06.10.11(08:38)
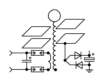
Очередной метод преобразования "радианта" в полезную мощность. Возле вторичного контура размещаются пластины из металла в дальней зоне. Из накопительной ёмкости отбор мощности импульсами.


Размер: 8.84 KB

_________________
Радиантное зарядное устройство- "www.radiant4you.net" Низкоэнергетические ядерные реакции- "www.lenr4you.net"


denall | Post:330023 - Date: 06.10.11(09:29)
вчера придумал такую штуку с металлическими опилками, работает она так: если где рядом бьет молния или какой всплеск электромагнитной активности, то опилки слипаются и проводят ток (можно подключить лампочку), а если их встряхнуть, то они снова ток не проводят. наверное я сделал открытие.

Ingener | Post:330024 - Date: 06.10.11(09:35)
alexkor Пост: 330020 От 06.Oct.2011 (09:38)
Очередной метод преобразования "радианта" в полезную мощность. Возле вторичного контура размещаются пластины из металла в дальней зоне. Из накопительной ёмкости отбор мощности импульсами.

Если потенциал на концах ВВ катушки в противофазе (а скорее всего так и будет), то такая схема нерациональна - пластины надо разомкнуть и каждую на свою емкость, получится двуполярный источник

vodoprovodchik | Post:330034 - Date: 06.10.11(10:23)
denall | Post: 330023 - Date: 06 Oct 2011 07:16
вчера придумал такую штуку с металлическими опилками, работает она так: если где рядом бьет молния или


м-дя...фигею от современникоффф...откровенно....
[ссылка]

быстренько патентуйте!!! пока ещё не набежало народу !! 😏

DED | Post:330035 - Date: 06.10.11(10:40)
gorbounov Пост: 329028 От 29.Sep.2011 (12:04)
alexkor

Для интересующихся теорией-изучайте указанную книгу. Теория современным языком-доступно...

где такую скачать? Весь инет облазил. Есть другие книги этого автора. А именно эту негде взять. Хелп!!!

Лови, вот в этом посте:
[ссылка]


Размер: 42.62 KB

МSN | Post:330058 - Date: 06.10.11(14:27)
denall Пост: 330023 От 06.Oct.2011 (10:29)
вчера придумал такую штуку с металлическими опилками, работает она так: если где рядом бьет молния или какой всплеск электромагнитной активности, то опилки слипаются и проводят ток (можно подключить лампочку), а если их встряхнуть, то они снова ток не проводят. наверное я сделал открытие.


Предлагаю назвать "коггерер".

_________________
Говорите говорите, я всегда зеваю когда мне интересно. 99,9% всех СЕ устройств, - от неправильных измерений


denall | Post:330060 - Date: 06.10.11(14:29)
согласен, греческий стиль....

alexkor | Post:330758 - Date: 10.10.11(19:49)
Абсолютно нелогичный путь преобразования "радианта".

Возле любой вторички ТТ разместить пластины конденсатора с плоскостью, перпендикулярной оси катушки и параллельной поверхности стола. Отбор мощности из кондёра в импульсном режиме.


Размер: 16.31 KB

_________________
Радиантное зарядное устройство- "www.radiant4you.net" Низкоэнергетические ядерные реакции- "www.lenr4you.net"


denall | Post:330760 - Date: 10.10.11(19:56)
какой процент потерь?

andy8mm | Post:330902 - Date: 11.10.11(18:17)
Аккумы кто и чем тестирует?
YouTube: Смотреть видео


shkaf | Post:330918 - Date: 11.10.11(20:18)
alexkor Пост: 330758 От 10.Oct.2011 (20:49)
Абсолютно нелогичный путь преобразования "радианта".

Возле любой вторички ТТ разместить пластины конденсатора с плоскостью, перпендикулярной оси катушки и параллельной поверхности стола. Отбор мощности из кондёра в импульсном режиме.

а почему нельзя сразу заряжать конденсатор электролитический который к диодам подключен.. сразу его к источнику питания разрядников и никаких потреь не будет а так я вижу только сплошные потери.. и те кто сделает такое устройство моментально в этом убедятся...

_________________
На Бога уповаем. http://www.skif.biz/files/e5a7f3.jpg


Буратино | Post:330943 - Date: 11.10.11(23:06)
andy8mm
Аккумы кто и чем тестирует?

Андрюша ты смотрел? У меня выскакивает надпись "...запрещенно смотреть"😕

avtoel | Post:331001 - Date: 12.10.11(09:28)
shkaf Пост: 330918 От 11.Oct.2011 (21:18)
alexkor Пост: 330758 От 10.Oct.2011 (20:49)
Абсолютно нелогичный путь преобразования "радианта".

Возле любой вторички ТТ разместить пластины конденсатора с плоскостью, перпендикулярной оси катушки и параллельной поверхности стола. Отбор мощности из кондёра в импульсном режиме.

а почему нельзя сразу заряжать конденсатор электролитический который к диодам подключен.. сразу его к источнику питания разрядников и никаких потреь не будет а так я вижу только сплошные потери.. и те кто сделает такое устройство моментально в этом убедятся...

Так загадочней. Раньше горе-телемастера начиная ремонт контура крутили или с умным видом говорили о конденсаторах. Лезут всегда туда, где меньше всего понимают. Но "опыт сын ошибок трудных", ставит всё на место. Ну а если ближе к теме, то есть мнение, что прямо слить энергию не удастся. Надо получить "разрыв функции". Преобразовывая энергию из одного вида в другую и отбирая "потери", которые в этом случае становятся полезной составляющей.
Разместить пластины конденсатора вокруг ТТ это и есть, наивное желание собрать потери. При этом не учитывается что предложенный способ влияет на всё устройство на сквозь, а не только на излучение.

alexkor | Post:331008 - Date: 12.10.11(10:48)
avtoel Пост: 331001 От 12.Oct.2011 (10:28)
shkaf Пост: 330918 От 11.Oct.2011 (21:18)
alexkor Пост: 330758 От 10.Oct.2011 (20:49)
Абсолютно нелогичный путь преобразования "радианта".

Возле любой вторички ТТ разместить пластины конденсатора с плоскостью, перпендикулярной оси катушки и параллельной поверхности стола. Отбор мощности из кондёра в импульсном режиме.

а почему нельзя сразу заряжать конденсатор электролитический который к диодам подключен.. сразу его к источнику питания разрядников и никаких потреь не будет а так я вижу только сплошные потери.. и те кто сделает такое устройство моментально в этом убедятся...

Так загадочней. Раньше горе-телемастера начиная ремонт контура крутили или с умным видом говорили о конденсаторах. Лезут всегда туда, где меньше всего понимают. Но "опыт сын ошибок трудных", ставит всё на место. Ну а если ближе к теме, то есть мнение, что прямо слить энергию не удастся. Надо получить "разрыв функции". Преобразовывая энергию из одного вида в другую и отбирая "потери", которые в этом случае становятся полезной составляющей.
Разместить пластины конденсатора вокруг ТТ это и есть, наивное желание собрать потери. При этом не учитывается что предложенный способ влияет на всё устройство на сквозь, а не только на излучение.


Картинки-результат практики.

Частоты до 100000 Гц. В такой конфигурации пластины не влияют на колебательный контур.

Тяжело взять качер, фольгу и проверить?

Практика-первична...

_________________
Радиантное зарядное устройство- "www.radiant4you.net" Низкоэнергетические ядерные реакции- "www.lenr4you.net"


<] [ 1 | ... 11 | 12 | 13 | 14 | 15 | 16 | 17 | 18 | 19 | 20 | 21 | 22 | 23 | 24 | 25 | 26 | 27 | 28 | 29 | 30 | 31 | ... | 38 ] [>
У Вас нет прав отвечать в этой теме.
Форум - Барахолка - Предложение - Готова к продаже радиантная зарядка для аккумуляторов. - Стр 21
🏠 Главная | 📚 Содержание | 💬 Форум | 📁 Файлы | 📩 Контакт