[ВХОД]
21.04.26(00:52)

mob.skif.biz

Альтернативная энергия. Оставь надежду, всяк сюда входящий...

🏠 Главная | 📚 Содержание | 💬 Форум | 📁 Файлы | 📩 Контакт
 
Резонансные генераторы
Магнитные генераторы
Механические центробежные (вихревые) генераторы
Электростатические генераторы
Водородные генераторы
Ветро- и гидро- и солнечные генераторы
Прочие идеи (разные)
О форуме
Транспорт
Оружие
Научные идеи, теории, предположения...
Экономия топлива
Коммерческие вопросы
Струйные технологии
Торсионные генераторы
Новые технологии
Барахолка
Патентный отдел
Конструкторское бюро
Нейтронная физика
Торнадо и смерчи
Гравитация и антигравитация
Сделай сам. Советы.
Медицина и здравоохранение

🖥️ | 🖨️

Форум - Экономия топлива - Вода как топливо для мотора - реактор Б. Болотова расцепление воды до горючего газа - Стр:1
Модератор: ВАСЯ
ВАСЯ | Post:315935 - Date: 12.07.11(16:54)
хочу изготовить похожую на эту установку :

image

принцип такой :
при воздействии сверхсильного эл м поля молекула воды разцепляется до горючих газов и дийтерия "Произошло сразу два чуда: вода превратилась в горючие газы и возник колоссальный прирост энергии. Аппарат, к которому подвёл меня Борис Васильевич, имеет мощность 2 киловатта. А получаемого "природного" газа хватает, чтобы питать машину мощностью 100 киловатт. Выигрыш энергии - в 50 раз!"


как выглядит реактор приблизительно принцип его всем известен
меня интересует какие элементы выдержат в пике такой ток ?
там чтото около 5000 ампер(минимум) ?
может транзисторов напаять целую кучу паралельно? или както так ?
ну бп сварка = диоды это понятно а дальше ?😀

vodoprovodchik | Post:315937 - Date: 12.07.11(17:12)
А,а,а,....ну тогда вам нужно к Наудину , потому, что от Болотова никто и никогда неполучал НИкакой инфы. Делаете дугу на графитовых стержнях - получаете ГОРЮЧИЙ газ /не гремучку!!/, а омывающую воду используете для отопления. ДЕло за малым - сделать автомат на подачу стержей(замыкание - пробой-разводка до оптимального минимума- поддержание оптимального минимума...), сделать саму установку по прессовке ентих самых стержней...ну а сварку можно и цап-царапнуть гденить...
;-)

николай133 | Post:315955 - Date: 12.07.11(19:43)
По последней книге-" Строение вещества 2010" это достигается деполяризацией при помощи неэлектромагнитного агента.
Если ВСЁ понятно - удачи. 😊

_________________
Истинная наука сравнима с магией. Сказал кто-то. Поправлю: "Многократно превосходит магию!"


Eduard | Post:315957 - Date: 12.07.11(20:23)
ВАСЯ Пост: 315935 От 12.Jul.2011 (17:54)
меня интересует какие элементы выдержат в пике такой ток ?
там чтото около 5000 ампер(минимум) ?
может транзисторов напаять целую кучу паралельно? или както так ?

Навскидку, некоторые полевые ключи выдерживают 280А в импульсе, цена 70 рублей, всего за 1000 руб. мечта достижима. Полевики параллелятся легко.

Тиристоры выдерживают гораздо больший ток, но параллелить их просто так не получится. Любой ширпотребовский тиристор типа BT137 выдержит до 1000А в течение 1 мкс. Можно нагрузить десяток тиристоров каждый на свою обмотку, так чтобы поля складывались, а открывающие импульсы синхронизировать, и скорее всего, понадобится подобрать для каждого индивидуальную задержку в пределах +- 100 нс.

Можно попробовать дифференциальное уравнивание потенциалов с помощью нехитрой схемы. Трансы должны быть соответствующими, например, ферритовые кольца 40 мм, обмотка шинкой 1х6 мм витков по 6 для каждого плеча. (правда, я такой схемы еще не пробовал, держу в голове).

А так - любой "тепловозный" тиристор выдержит в импульсе хоть 100 кА.
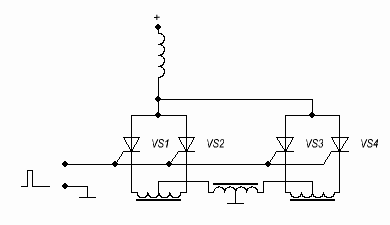
Дифференциальное включение тиристоров.
Дифференциальное включение тиристоров.
Размер: 2.77 KB

_________________
И мню аз яко то имать быть, что сам себе всяк может учить.


ВАСЯ | Post:316010 - Date: 13.07.11(09:46)
vodoprovodchik в случае с стержнями никакой трансмутации вещества не происходит и кпд там явно не 50 000 %
николай133 нет не понятно конечно , я ни схемы ни принципа такого разложения не понимаю к сожалению

Eduard я тут нашол 12 000 А тиристор думаю его хватит [ссылка]
как ты думаеш сколько он в пике держит ?

кстати моя переписка с Болотовым на счёт генератора:
Добрый день Борис Васильевич

на днях чисто случайно заметил статью о вашем реакторе
image

Буду очень рад , если письмо дойдёт именно Вам
Если можно ответьте на парочку вопросов по его созданию
очень хочу получить из воды любой горючий газ или бензин для
отопления дома
Прошу предупредить меня , в случае если я при попытке повторить
опыт сделаю что-то жизненно опасное

И так согласно конструкции планирую изготовить на бескаркасной
основе или каркасе из тонкого пластика в виде бублика 2
намотаные бифилярным способом катушки первая будет изготовлена из
медной трубки 6 мм вторая из проволки 1.3 мм (разница сечения
примерно в 10 раз)
внутри "бублика" планирую пропустить пару витков пластиковой
трубки и между витками вывести вход и выход для пропускания
жидкостей
в качестве трансформаторного железа возьму железо от дросселей
ламп дневного света производства СССР связаных в пучёк в виде
круглого стержня
Питать катушки планирую от сварочного апарата на 160 А 48
В(мощнее нету) ,возможно куплю радиолампы для ВЧ импульсов малой
длительности но это уже будет видно по обстановке

Теперь пару вопросов :
Что произойдёт с трубками , по которым будет ходить испытуемая
жидкость, они ведь тоже подвергнутся влиянию магнитного поля
высокой интенсивности ?
Смогу ли я изменить заметно структуру молекулы воды до горючего
состояния какого-нибудь горючего газа или бензина ? учитывая , что
диаметр бублика при такой мошности будет 10 -15 см ?
Я эксперементирую в домашних условиях не повредит ли эта самодельная
установка здоровью окружающих ? с увловием что вода или другая
жидкость далеко не очищена до идеальной и лабораторных условий у меня
нет?

Заранее благодарен за ответы, очень буду их ждать


ответ :

трубки должны быть керамическими . при работе установки летят тепловые нейтроны, от которых экранируються водой.


у нас на базаре такие есть :
image

причём дофига и никто не знает зачем они здались

или єтот [ссылка]

Vexx | Post:316022 - Date: 13.07.11(11:35)
Вася рано или поздно получется чтото вроде этого бублика


Размер: 611.29 KB

ВАСЯ | Post:316024 - Date: 13.07.11(11:38)
класс , можно по подробнее об эксперементе и его результатах ?

Sergh | Post:316040 - Date: 13.07.11(14:14)
катушки в противофазе каждая намотаны. Наверное "омагничивание" воды, да еще по кругу. В чередующихся магнитных полях с высоким градиентом. С определенной скоростью потока.

ВАСЯ | Post:316041 - Date: 13.07.11(14:23)
и какая цель такого апарата ?

vodoprovodchik | Post:316042 - Date: 13.07.11(14:39)
омагничивание воды предотвращает накипь в котлах ...разработки 60-х...гы 😏 ... в данном устройстве чтото мелкое, скорее всего просто экспериментальный образец.

Vexx | Post:316087 - Date: 13.07.11(20:06)
Это система добычи гремучки Стенли Меера.

ВАСЯ | Post:316193 - Date: 14.07.11(14:20)
но кпд там явно не в 500 раз?

Vexx | Post:316233 - Date: 14.07.11(18:59)
Блин всем сразу надо показать готовое.... это просто образец технологии не более

igor_iv | Post:316296 - Date: 15.07.11(11:05)
Обалдеть, народ до сих пор не допер что его просто развели😎

ВАСЯ | Post:316308 - Date: 15.07.11(13:37)
я написал письмо Болотову ещё одно
никак н могу понять как у него 9я степерь ампер на км милиметр на сипытуемом материале получалась от электросварки а он не отвечат

ВАСЯ | Post:318113 - Date: 29.07.11(12:50)
общался я с ним ещё раз и он меня снова навёл на путь истинный :
ТГИ1-5000/50А нужен или чтото похожее они такого єффекта добивались ними , говорит , что тиратроны используются в контактных сварках и именно они и импульс дают и такой крутой пиковый ток

У Вас нет прав отвечать в этой теме.
Форум - Экономия топлива - Вода как топливо для мотора - реактор Б. Болотова расцепление воды до горючего газа - Стр 1
🏠 Главная | 📚 Содержание | 💬 Форум | 📁 Файлы | 📩 Контакт