[ВХОД]

22.03.26(21:06)

mob.skif.biz

Альтернативная энергия. Оставь надежду, всяк сюда входящий...

🏠 Главная | 📚 Содержание | 💬 Форум | 📁 Файлы | 📩 Контакт

🖥️ | 🖨️

Форум - Барахолка - Предложение - Готова к продаже радиантная зарядка для аккумуляторов. - Стр:17
<] [ 1 | ... 7 | 8 | 9 | 10 | 11 | 12 | 13 | 14 | 15 | 16 | 17 | 18 | 19 | 20 | 21 | 22 | 23 | 24 | 25 | 26 | 27 | ... | 38 ] [>
Модератор: alexkor
Первый пост темы: alexkor Post: #267359 От:15.09.2010 (15:29)
Привет!

По мотивам твердотельных радиантных зарядок Джона Бедини собрана бюджетная версия радиантного зарядного устройства-РЗУ.

Вот оригинальное ЗУ Джона Бедини по цене 75 баксов.
"http://www.r-charge.com/RC_ALM-1.html"

Желающие получить РЗУ в пользование обращайтесь.

Технические аспекты - в личку "Alexkor".

Всего!
Goodvin | Post: #315318 - Date: 08.07.11(14:06)
Примного буду благодарен за совет с чего начать, али ссылочку...


dedivan | Post: #315319 - Date: 08.07.11(14:10)
Смотри у Атмела - в мануалах есть пример зарядника на тини15.
Со схемой, с программой.
Но там сама зарядка для маленьких никелей. Алгоритм другой.

_________________
я плохого не посоветую



Goodvin | Post: #315320 - Date: 08.07.11(14:14)
Я оттуда графики температурные брал...
Спасибо, поизучаю ещё...


dedivan | Post: #315323 - Date: 08.07.11(14:42)
Давай, я тоже давно хочу себе такой автоматик сделать- одному скучно.
А так глядишь, друг друга подпинывать будем.

_________________
я плохого не посоветую



Goodvin | Post: #315329 - Date: 08.07.11(16:09)
Пока тут масса ньюансов
1. аттини (у нас даже под заказ с предоплатой даже партию привезти отказываются)(бяки) но решаемо
2. Отсутствие программатора (решаемо)
3. Отсутствие компа с комом (попробую решить)
4. Чую, что есть более простое решение - может попробовать во время импульса на затворе (базе) ключа, заряжать от АКБ через другой ключик ёмкость и плясать от неё? А дальше стабилитрон и триггер сделают своё дело...
Только не допру никак как заряжать эту ёмкость (заплутался в плюсах питания и минусах АКБ, давление шалит и мозги туго ворочаются...)


Буратино | Post: #315330 - Date: 08.07.11(16:15)
dedivan Пост: 315323 От 08.Jul.2011 (15:42)
Давай, я тоже давно хочу себе такой автоматик сделать- одному скучно.
А так глядишь, друг друга подпинывать будем.

А может не надо?,,http://rf.atnn.ru/s1/zarjd.htm


Goodvin | Post: #315344 - Date: 08.07.11(19:54)
Буратино Пост: 315330 От 08.Jul.2011 (17:15)
dedivan Пост: 315323 От 08.Jul.2011 (15:42)
Давай, я тоже давно хочу себе такой автоматик сделать- одному скучно.
А так глядишь, друг друга подпинывать будем.

А может не надо?,,http://rf.atnn.ru/s1/zarjd.htm

Однажды было сказано... и повторено... и повторено - Надо, Федя, НАДО!
Кстати, схема почти готова, и кстати на оптопаре...


dedivan | Post: #315348 - Date: 08.07.11(20:18)
Это в принципе совсем другое- прошлый век.
Хоть даже и на оптопаре.

Нам нужен ток не 0.1 С , почему- уже разобрали.
Нам нужен 1- 1,5 С а это 60-100 ампер.
А значит короткие импульсы.
А как их делать- хоть на реле, хоть как Бедини на кондерах, у всех способов есть недостатки.
А вот на дросселе их практически нет.
От этой печки и пляшем.

_________________
я плохого не посоветую



Goodvin | Post: #315351 - Date: 08.07.11(20:38)
Так я и имел введу РЗУ
оптопара - просто развязка между выходом генератора и ключиком через который заряжается кондюк от АКБ, но только в момент управляющего импульса


Goodvin | Post: #315353 - Date: 08.07.11(20:43)
В конце концов он зарядится почти до напруги АКБ и вот тут просто отследить нужное значение
Вот только у меня постоянно разные акб попадаются - такое ощущение, что для каждого своё (все из старья)


abrec | Post: #315354 - Date: 08.07.11(20:44)
извините, что вмешиваюсь в ваш высокоинтеллектуальный разговор. заряжал шесть боченков, которые когда-то составляли аккум от чего-то. на рзу бедини-вентилятор 150в. зарядил нормально до 7 с лишним вольт. при попытке разряда лампой 6в получил мгновенное обнуление напруги. отцепил лампу - напруга мгновенно вернулась. замер тока с лампой - 0.001А. выбрасывать?
Дед Иван, разрешите выказать восхищение овладением эфирной природы. Скачал подборку ваших постов по эфиру на реалстраннике.
[ссылка]


street | Post: #315360 - Date: 08.07.11(21:40)
замер тока с лампой - 0.001А. выбрасывать?

Скорее всего - да. Если не лень можно плеснуть в него водички из шприца , Станет лучше , иногда - значительно лучше.

_________________
Главное в мелочах



abrec | Post: #315364 - Date: 08.07.11(22:19)
спасибо за совет, стрит!
но, куда ширять-то? прям в бок?


vodoprovodchik | Post: #315370 - Date: 08.07.11(23:39)
abrec ...
что за аккумы ? попробуйте поодиночке помордовать . Средний ток накачки ?-что показывает тестер??


rezoner | Post: #315371 - Date: 08.07.11(23:51)
уррррра! восстановил дохлый аккум 7а*ч от UPS.
ток накачки - 10А
период 30мкс
средний ток от источника 12V - 1A

сейчас стоит на "радиантной" зарядке 5-амперник


street | Post: #315385 - Date: 09.07.11(08:13)
abrec Пост: 315364 От 08.Jul.2011 (23:19)
спасибо за совет, стрит!
но, куда ширять-то? прям в бок?

Ну зачем же в бок-то? Ему же так больно будет.
Известно куда..., в заднюю часть . Аккурат по центру есть небольшая пустота там внутри. Электроды скручиваются рулончиком , в центре рулончика есть пустота. Вот туда...😊

Я пробивал небольшим гвоздем маленькую дырку , только под иглу, потом запаивал (залудить до того как пробить дырку).
Часто, сразу за дыркой будет находится контактный лепесток, обычно игла прокалывает его удачно, то есть не меняя направления своего движения. Но иногда скользит по этому лепестку и тогда велика вероятность повредить иглой электроды.

_________________
Главное в мелочах



dedivan | Post: #315432 - Date: 09.07.11(14:37)
abrec Пост: 315354 От 08.Jul.2011 (21:44)
Скачал подборку ваших постов по эфиру на реалстраннике.

Это Энди надо говорить спасибо.
Это не просто подборка- а именно то как он сам понял, и согласно
пониманию подобрал.
А я все никак свое в кучку не соберу.
Только начну- обязательно зацепит какая то интересная штука.

_________________
я плохого не посоветую



abrec | Post: #315443 - Date: 09.07.11(15:37)
спасибо всем.

стрит, такой способ для меня сложноват, так что пробовать вряд ли буду. и так забыл один аккум на зарядке (не рзу) - ночью рванула одна банка. никель-кадмий. а тут дети и все такое. в два ночи делал ген уборку). дыру в подоконнике разворотил. в общем, химии нам достаточно_).

водопроводчик, у меня рзу на комп. вентиляторе, ток всегда показывает одинаковый - около 50 ма. что за аккумы неизвестно.

Дед Иван, надеюсь, когда-нибудь соберетесь и сведете все по эфиру, все очень прочувствованно.

Еще раз всем спасибо


Goodvin | Post: #315811 - Date: 11.07.11(22:26)
abrec Пост: 315443 От 09.Jul.2011 (16:37)
спасибо всем.

стрит, такой способ для меня сложноват, так что пробовать вряд ли буду. и так забыл один аккум на зарядке (не рзу) - ночью рванула одна банка. никель-кадмий. а тут дети и все такое. в два ночи делал ген уборку). дыру в подоконнике разворотил. в общем, химии нам достаточно_).

водопроводчик, у меня рзу на комп. вентиляторе, ток всегда показывает одинаковый - около 50 ма. что за аккумы неизвестно.

Дед Иван, надеюсь, когда-нибудь соберетесь и сведете все по эфиру, все очень прочувствованно.

Еще раз всем спасибо


Вывод прост:
1. не РЗУ не правильно - кипятит (электролиз) сильнее, без автоматики НИЗЯ, ибо "человеческий фактор" никто никогда не отменит...
2. А с геном (регулируемым по частоте и длине импульса) и ключиком поинтереснее - 50ма это конечно не плохо, но только с малюсенькими "воевать", или жутко растянуто по времени...
А тут как вкачал импульсочек в катушечку (катушечки), да как отрубил порезче, и соответственно получил обраточку - весело и интересно...

Работаю над автоматикой для РЗУ, но пока не стабильно - разберусь, опубликую...
Да и лето - с домом и хозяйством дел "по горло"...

Кстати, попробовал "укол в попку" - не вышло - похоже трупик совсем (0,1 вольта) Надеюсь найдётся когда нибудь не труп. Спасибо...



alexkor | Post: #315850 - Date: 12.07.11(07:58)
Goodvin Пост: 315353 От 08.Jul.2011 (21:43)
В конце концов он зарядится почти до напруги АКБ и вот тут просто отследить нужное значение
Вот только у меня постоянно разные акб попадаются - такое ощущение, что для каждого своё (все из старья)


Из практики. Все аккумы имеют разное время зарядки от РЗУ. Здесь работает только одна автоматика-по времени...

_________________
Радиантное зарядное устройство- "www.radiant4you.net" Низкоэнергетические ядерные реакции- "www.lenr4you.net"



Goodvin | Post: #315886 - Date: 12.07.11(11:59)
alexkor Пост: 315850 От 12.Jul.2011 (08:58)
Goodvin Пост: 315353 От 08.Jul.2011 (21:43)
В конце концов он зарядится почти до напруги АКБ и вот тут просто отследить нужное значение
Вот только у меня постоянно разные акб попадаются - такое ощущение, что для каждого своё (все из старья)


Из практики. Все аккумы имеют разное время зарядки от РЗУ. Здесь работает только одна автоматика-по времени...


Я тоже убедился, что разное время время зарядки - поэтому и хочу по напряжению...😈
При этом иметь несколько значений - от 1,2В до 24В


Goodvin | Post: #315889 - Date: 12.07.11(12:19)
Вот так уже есть, а дальше пока времени нет - горячая пора...


Размер: 8.73 KB


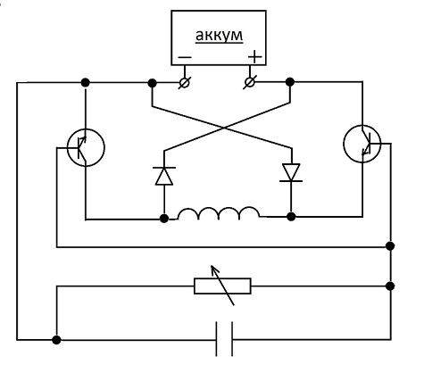
Goodvin | Post: #315927 - Date: 12.07.11(16:25)
Во даю - плюс питания (верх катушки) не нарисовал, кандюк оттуда на землю тоже, резистор параллельно кондею (в эмиторе) тоже... Жарко, и времмени мало, сорри...


abrec | Post: #315954 - Date: 12.07.11(19:42)
принципиальная схема автозарядного устройства. как по-вашему, будет работать? цель - выделить обратный импульс и загнать его обратно в аккум. такое соединение транзюков работоспособно?
спасибо


Размер: 26.55 KB


alexkor | Post: #315956 - Date: 12.07.11(20:11)
"Я тоже убедился, что разное время время зарядки - поэтому и хочу по напряжению...
При этом иметь несколько значений - от 1,2В до 24В"

А по напряжению тоже-баян.

Вот с авто кислотники на 12В прыгают при зарядке до 18В...

_________________
Радиантное зарядное устройство- "www.radiant4you.net" Низкоэнергетические ядерные реакции- "www.lenr4you.net"



<] [ 1 | ... 7 | 8 | 9 | 10 | 11 | 12 | 13 | 14 | 15 | 16 | 17 | 18 | 19 | 20 | 21 | 22 | 23 | 24 | 25 | 26 | 27 | ... | 38 ] [>
У Вас нет прав отвечать в этой теме.
Форум - Барахолка - Предложение - Готова к продаже радиантная зарядка для аккумуляторов. - Стр 17
🏠 Главная | 📚 Содержание | 💬 Форум | 📁 Файлы | 📩 Контакт