[ВХОД]

31.03.26(11:00)

mob.skif.biz

Альтернативная энергия. Оставь надежду, всяк сюда входящий...

🏠 Главная | 📚 Содержание | 💬 Форум | 📁 Файлы | 📩 Контакт

🖥️ | 🖨️

Форум - Прочие идеи (разные) - новые идеи (прочие) - Схема Качера Бровина на полевом транзисторе! - Стр:2
<] [ 1 | 2 | 3 | 4 | 5 | 6 ] [>
Модератор: Поле
Первый пост темы: Поле Post: #310427 От:02.06.2011 (23:42)
Люди, поделитесь схемой кому не жалко...😳
andy8mm | Post:311933 - Date: 13.06.11(13:40)
Yarston Пост: 311912 От 13.Jun.2011 (13:16)
... так что красивых искр тут не видать.
Дык так и есть, правильной искры действительно не видать, тут ты прав.
Почитай ветку о нанозажигании что ли ... подучи не пожалеешь.
Машина есть?

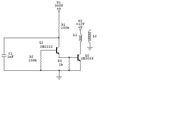
shkaf | Post:311938 - Date: 13.06.11(13:59)
вот и качер нарисовался.. 100 вольт на индуктор. но можно и увеличить хитро и несложно.
.
.
Размер: 4.20 KB
или так
или так
Размер: 4.38 KB

_________________
На Бога уповаем. http://www.skif.biz/files/e5a7f3.jpg


Поле-изобилия | Post:311950 - Date: 13.06.11(14:38)
Вообще, разговоры, споры и ругань не о том... Мне было б гораздо интереснее не обсуждать достоинства и недостатки различных схем одного и того, а поговорить на тему, как забрать с Качера энергию? Ясно что на вторичке "образуется" мощный " + ". Этот плюс способен разрвывать молекулы воздуха, "поглощать" статику из всего угодно: стен, отверток, экспериментатора... Но как заставить это "электричество" течь туда куда надо?😀

shkaf | Post:311952 - Date: 13.06.11(14:49)
с обычного качера ниче не заберешь !!!
А с правильного один из вариантов вот такой.
..
..
Размер: 7.48 KB

_________________
На Бога уповаем. http://www.skif.biz/files/e5a7f3.jpg


Поле-изобилия | Post:311955 - Date: 13.06.11(14:52)
Что относительно схем Качеров, то на мой взгляд наиболее перспективным направлением являются схемы с полевиком. Почему? Токи в задающих частях меньше... Висячий в воздухе затвор полевика - символ понимания процесса.

Поле-изобилия | Post:311956 - Date: 13.06.11(14:57)
Какой же Ваш "правильный"? Если не секрет... Я вот тут Качер из Москвы в Крым приволок, есть идеи с морем, попробывать забрать статику из моря... Что-то кумекаю, но великим пока похвастаться не могу, но в Вашей схеме много полезного...

shkaf | Post:311960 - Date: 13.06.11(15:01)
глубочайшее заблуждение это а не символ понимания процесса !!!
если проводок затвора висит в воздухе это совсем не значит что он никуда не подключен !!!! он подключен через:
1. емкость монтажа первички вторички. антенна радиоприемника тоде висит в воздухе, но у нее есть при этом сопротивление и при чем достаточно маленькое десятки ом всего !!! понимаешь масштаб своего непонимания ???

_________________
На Бога уповаем. http://www.skif.biz/files/e5a7f3.jpg


shkaf | Post:311964 - Date: 13.06.11(15:06)
упс.. у моря можно только бреднем что то забрать, как старик рыбку так поймал.
проводок хочешь бросить в море и подключить его к качеру и электричество у моря забирать ??? так чтоли... тогда лучше сразу пылесос в море брось..лучше будет тянуть.

_________________
На Бога уповаем. http://www.skif.biz/files/e5a7f3.jpg


Поле-изобилия | Post:311965 - Date: 13.06.11(15:08)
Я перепробывал схемы с различными трансами нашими и ихними. Например с этими:

2SA553
2SA530
BSW24
MMBT2907
MPS6562
2SA530H
2SA554A

Но! на КП 903 я подавал и по 70В постоянки, Качер пахал так что от стен оскакивало. Тоесть, мощность вполне достаточная, нагрева транса попусту нет вооще, но я не настаиваю, в Ваших схемах вероятно тоже нагрева быть недолжно...

Поле-изобилия | Post:311972 - Date: 13.06.11(15:25)
Действительно смысл тесластроительства заставить вторичку качать, а зачем нужен качер если с ним "красивых искр тут не видать"...

Yarston | Post:311974 - Date: 13.06.11(15:34)
А незачем. Форма сигнала на вторичке в любом случае синосоидальная, потому что резонанс. Что бы там не говорили насчёт правильных и неправильных схем.

Поле-изобилия | Post:311976 - Date: 13.06.11(15:37)
Yarston Пост: 311974 От 13.Jun.2011 (16:34)
А незачем. Форма сигнала на вторичке в любом случае синосоидальная, потому что резонанс. Что бы там не говорили насчёт правильных и неправильных схем.


Резонанс цепи конечно важен! Кто спорит? Вот только резонансы отличаются ДОБРОТНОСТЬЮ...

Поле-изобилия | Post:311978 - Date: 13.06.11(15:45)
В чем же задача? Я ее так себе представляю. 1) Необходимо добиться резонанса с наибольшей добротностью вторичного контура! При этом на задающем, возбуждающем контуре с первичкой необходимо обеспечить наименьшую амплитуду ибо этим повышается КПД Качера. Очевидно!?

vodoprovodchik | Post:311991 - Date: 13.06.11(16:08)
пост от дедивана не в ту ветку попал...
////
dedivan | Post: 311953 - Date: 13 Jun 2011 12:49
shkaf Пост: 311938 От 13.Jun.2011 (14:59)
вот и качер нарисовался.. 100 вольт на индуктор. но можно и увеличить хитро и несложно.


Не, ты схему взял от измерителя параметров лавинного пробоя,
Там не стоит вопрос кпд.
А для рабочей схемы это не пойдет - вся моща на сопротивлении 100к потеряется.

/////

shkaf | Post:311997 - Date: 13.06.11(16:20)
vodoprovodchik Пост: 311991 От 13.Jun.2011 (17:08)
пост от дедивана не в ту ветку попал...
////
dedivan | Post: 311953 - Date: 13 Jun 2011 12:49
shkaf Пост: 311938 От 13.Jun.2011 (14:59)
вот и качер нарисовался.. 100 вольт на индуктор. но можно и увеличить хитро и несложно.


Не, ты схему взял от измерителя параметров лавинного пробоя,
Там не стоит вопрос кпд.
А для рабочей схемы это не пойдет - вся моща на сопротивлении 100к потеряется.

/////

да пока на потери на этом сопротивлении можно не обр внимания.. пока важно коротыши получить от лавинного пробоя.. потом можно и индуктивность в место этого резистора воткнуть. так ведь ? так. или как вчера говорили с флейбека импусы давать на лавинник. там видно будет что лучше.

_________________
На Бога уповаем. http://www.skif.biz/files/e5a7f3.jpg


Поле-изобилия | Post:312094 - Date: 14.06.11(01:48)
shkaf Пост: 311960 От 13.Jun.2011 (16:01)
глубочайшее заблуждение это а не символ понимания процесса !!!
если проводок затвора висит в воздухе это совсем не значит что он никуда не подключен !!!! он подключен через:
1. емкость монтажа первички вторички. антенна радиоприемника тоде висит в воздухе, но у нее есть при этом сопротивление и при чем достаточно маленькое десятки ом всего !!! понимаешь масштаб своего непонимания ???
А, изолированный затвор, понимаешь?

shkaf | Post:312183 - Date: 14.06.11(16:58)

Поле-изобилия | Post: 312094 - Date: 14.06 (09:48)
А, изолированный затвор, понимаешь?
=======================================================================
А зачем тогда ножка затвора воткнута в корпус транзистор???? это тебя обманывают !!! как затвор может быть изолирован??? тогда бы он вообще не управлял транзистором, вот откуси ножку затвора кусачками это будет изолирован. если у него по даташиту есть емкость затвора!!! причем не маленькая от сотен пф до тысяч.
Если лично для тебя емкость это значит изолирован тогда проведи простой опыт, сунь лампочку в сеть 220 вольт через конденсатор 3-4мкф и посмотри как эта лампочка весело горит. вот тебе и изолирован....

_________________
На Бога уповаем. http://www.skif.biz/files/e5a7f3.jpg


shkaf | Post:312193 - Date: 14.06.11(18:09)
= вот в этой теме наверно в самый раз будет:=
=============================================


нашлась еще одна причинка по которой качер с лавинным пробоем транзистора может испортит все дело. ЛАВИННЫЙ ПРОБОЙ НАСТУПАЕТ в районе 100 вольт. Надо чтоб на горячем конце ВВ вторички было хотя бы 40 кв. не меньше. при 1000 витках вторички на 3 витках индуктора будет 120 вольт. ЭТО ЗНАЧИТ ЧТО КАК ТОЛЬКО ФИТОНКА НАЧНЕТ НАРАЩИВАТЬ ПОТЕНЦИАЛ ВТОРИЧКИ танзистор опять лавинно пробьет но уже от наведенного вторичкой ЭДС !! И транзистор лавинно закоротит все!!!!!!!!!!!!!!!!!!!!!!!!!!!!!!!!!!!!!!!!!!!
Либо мотать вторичку 2000 витков ограничиться 40 кв. тогда на 3 витках индуктора уже 60в. это норм. Но Не известно сколько вольт обратного хода даст индуктор, ясно что пробой ключа наступит при 100 вольт, НО ПОТЕНЦИАЛ МОЖЕТ БЫТЬ И 200 вольт, это только включится при 100 вольт но будет наростать и дальше пока есть энергия запасеная в индукторе. Тут надо строго плясать от уровня эдс обратного ходя первички. А кто так делал качер ?? 😀 никто.. наверно только то чувак у которого после отключения питания качер продолжал качегарить дальше 😀
угадал и с потенциалом ВВ и с макс потенциалом индуктора и с частотой.
А вторчка в 2000 витков ПРИ СЛАБЕЙШЕЙ СВЯЗИ очень инерционна на выходе будет ровно синусоида фитока в таких условиях будет бить в верхушки периодов т е быть нагрузкой. если расчитывать на то что прилетит в ноль то навряд ли это сработает, НОЛЬ это НОЛЬ ПОТЕНЦИАЛА- ЭЛЕКТРОНАМ НЕТ ПОЛЯ ДЛЯ УСКОРЕНИЯ И Т Д.. ЛЕТЕЛИ ДА НЕДОЛЕТЕЛИ.
Вывод сам за себя.. качер совсем неприспособен для СЕ опытов по нескольким важным условиям.
1. НИЗКОВОЛЬТНЫЙ КЛЮЧЬ.
2. ОКОЛО СИНУСОИДАЛЬНЫЙ ВВ импульс.
3. цилиндрическая ВВ катушка очень много излучает тратя на это большое
количество энергии.

_________________
На Бога уповаем. http://www.skif.biz/files/e5a7f3.jpg


XEL | Post:312219 - Date: 14.06.11(21:13)
Может так?


Размер: 12.43 KB

Yarston | Post:312229 - Date: 14.06.11(21:55)
Поле, выложи фото своего качера, если не сложно, в работающем состоянии с максимальным стриммером.

Поле-изобилия | Post:312259 - Date: 14.06.11(23:50)
Кстати, вот Поле пусть и выкладывает свои Качеры (я "поле-изобилия") и заодно пусть скажет что это их там заставило бросить свои ненаглядные НГК (все знают что Поле - это Лаборатория Каравайкина-Вега)и перейти на качеры? А, Поле?

Поле-изобилия | Post:312262 - Date: 15.06.11(00:06)
Видео есть, очень интересное:
YouTube: Смотреть видео


Поле-изобилия | Post:312270 - Date: 15.06.11(02:41)
Интересно Бровин докладывает, честно как есть... Прямой, честный парень!
[ссылка]

Поле-изобилия | Post:312339 - Date: 15.06.11(16:12)
Уважаемое собрание, как Вы считаете. Известно что Качер процесс можно получать как на фоне некоторых импульсов подаваемых на базу (получая качер процесс между импульсами) или при закрытом трансе в безимпульсном режиме от единственного первичного или касания, например. В каком случае Качер процесс при прочих равных условиях-прибомбасах будет активнее?

Поле | Post:314470 - Date: 02.07.11(03:52)
Поле-изобилия Пост: 312259 От 15.Jun.2011 (00:50)
Кстати, вот Поле пусть и выкладывает свои Качеры (я "поле-изобилия") и заодно пусть скажет что это их там заставило бросить свои ненаглядные НГК (все знают что Поле - это Лаборатория Каравайкина-Вега)и перейти на качеры? А, Поле?


"Качерная" инфекция проникла и в наши стройные ряды.
Посмотрите тут:
[ссылка]
Именно, Автоколебательный блокипг-генератор — это релаксационный генератор им­пульсов... Ничего Вам не напоминает?

<] [ 1 | 2 | 3 | 4 | 5 | 6 ] [>
У Вас нет прав отвечать в этой теме.
Форум - Прочие идеи (разные) - новые идеи (прочие) - Схема Качера Бровина на полевом транзисторе! - Стр 2
🏠 Главная | 📚 Содержание | 💬 Форум | 📁 Файлы | 📩 Контакт