[ВХОД]

03.04.26(07:52)

mob.skif.biz

Альтернативная энергия. Оставь надежду, всяк сюда входящий...

🏠 Главная | 📚 Содержание | 💬 Форум | 📁 Файлы | 📩 Контакт

🖥️ | 🖨️

Форум - Барахолка - Предложение - Готова к продаже радиантная зарядка для аккумуляторов. - Стр:13
<] [ 1 | ... 3 | 4 | 5 | 6 | 7 | 8 | 9 | 10 | 11 | 12 | 13 | 14 | 15 | 16 | 17 | 18 | 19 | 20 | 21 | 22 | 23 | ... | 38 ] [>
Модератор: alexkor
Первый пост темы: alexkor Post: #267359 От:15.09.2010 (15:29)
Привет!

По мотивам твердотельных радиантных зарядок Джона Бедини собрана бюджетная версия радиантного зарядного устройства-РЗУ.

Вот оригинальное ЗУ Джона Бедини по цене 75 баксов.
"http://www.r-charge.com/RC_ALM-1.html"

Желающие получить РЗУ в пользование обращайтесь.

Технические аспекты - в личку "Alexkor".

Всего!
street | Post:314080 - Date: 29.06.11(13:54)
Так что электрончики сверху не доходят до низу?

Доходят , но не так хорошо , как могли бы.

_________________
Главное в мелочах


AlexSoroka | Post:314093 - Date: 29.06.11(15:15)
street Пост: 314080 От 29.Jun.2011 (14:54)
Так что электрончики сверху не доходят до низу?

Доходят , но не так хорошо , как могли бы.


ТОКИ всегда замыкаются по принципу КРАТЧАЙШЕГО ПУТИ !

Вопрос: зачем току течь "в низу пластин" гидролизера если он может "замкнуться" через раствор ВВЕРХУ пластин ???

Ответ: вот ток и замыкается СВЕРХУ - тем самым в электролизере НЕ РАБОТАЕТ три четвертых поверхности пластин!
А наша "рабочая поверхность" - это то где выделяются пузырьки газов - вот и имеем пи...ц вместо "нормальной работы".

Буратино | Post:314096 - Date: 29.06.11(16:26)
AlexSoroka Пост:
А наша "рабочая поверхность" - это то где выделяются пузырьки газов - вот и имеем пи...ц вместо "нормальной работы".

Не знаю... У меня, и я только что внимательно просмотрел, пузырьки выходят по всей поверхности пластины. Но конечно, нижние всплывают на верх разгоняясь, т.е. вначале медленно потом быстрее. А те что ближе к поверхнасти быстрее сбиваются в кучу. Поэтому там "пена" и кажется, что от верхнего края больше идет пузырьков. Но ты прав в том, что электроды должны быть строго паралельны. Если где-то будет ближе, ток будет стекаться туда.

lazj | Post:314098 - Date: 29.06.11(17:07)
осциллограмма, на АКБ с зарядным устройством присланным самим Джоном Бедини.
В осциллограмме постоянный уровень, это ессно разность потенциалов самого АКБ. Смотрю уже неделю и не понимаю, где тут волшебный радиант...

Схемы нет, устройство наглухо залито эпоксидкой... но и радианта я тут тоже не наблюдаю...


Размер: 24.34 KB

_________________
"Наука - это то, чего быть не может. То что может быть - это уже технический прогресс" (П.Л. Капица) "Делай, что должно и будь, что будет.."


xx0 | Post:314099 - Date: 29.06.11(17:18)
Время учитывайте в формулах, это и есть самый главный радиант, тоже и с конденсаторами-)😶

_________________
http://xx0ru.livejournal.com/


lazj | Post:314104 - Date: 29.06.11(17:46)
насколько я понимаю, временных аномалий в данной осциллограмме тоже нет... исходя из формы можно сказать, что на нагрузку разряжается емкость... причем за время открытого состояния ключа составляющее около 10 миллисекунд емкость не успевает разрядиться даже до напряжения АКБ, следовательно емкость достаточно велика (учитывая сопротивление АКБ, как нагрузки).

_________________
"Наука - это то, чего быть не может. То что может быть - это уже технический прогресс" (П.Л. Капица) "Делай, что должно и будь, что будет.."


rezoner | Post:314105 - Date: 29.06.11(18:07)
lazj Пост: 314098 От 29.Jun.2011 (18:07)
осциллограмма, на АКБ с зарядным устройством присланным самим Джоном Бедини.
В осциллограмме постоянный уровень, это ессно разность потенциалов самого АКБ. Смотрю уже неделю и не понимаю, где тут волшебный радиант...

Схемы нет, устройство наглухо залито эпоксидкой... но и радианта я тут тоже не наблюдаю...

А какой ток потребления?

lazj | Post:314107 - Date: 29.06.11(18:08)
не успела замерить, устройство забрали, но в качестве источника для этого зарядного устройства применен импульсный источник 24В 2.5А

_________________
"Наука - это то, чего быть не может. То что может быть - это уже технический прогресс" (П.Л. Капица) "Делай, что должно и будь, что будет.."


rezoner | Post:314115 - Date: 29.06.11(19:29)
lazj Пост: 314107 От 29.Jun.2011 (19:08)
не успела замерить, устройство забрали, но в качестве источника для этого зарядного устройства применен импульсный источник 24В 2.5А

Ну, если предположить, что реальный ток потребления равен 1А, тогда W=24вт. Эта мощность вкидывается в АКБ. Скважность примерно 6. Напряжение на АКБ 13V. Средний ток импульса в АКБ I=24/13*6==11А.
Мощность в начале импульса (пик) 40V*2*11А=~800вт.
А радиант - это что-то сакральное 😬

dedivan | Post:314123 - Date: 29.06.11(20:32)
lazj Пост: 314104 От 29.Jun.2011 (18:46)
исходя из формы можно сказать, что на нагрузку разряжается емкость...

Могу спорить - что индуктивность.
причем относительно большая.

_________________
я плохого не посоветую


Виталя | Post:314127 - Date: 29.06.11(21:01)
lazj Пост: 314098 От 29.Jun.2011 (18:07)
осциллограмма, на АКБ с зарядным устройством присланным самим Джоном Бедини.
В осциллограмме постоянный уровень, это ессно разность потенциалов самого АКБ. Смотрю уже неделю и не понимаю, где тут волшебный радиант...

Схемы нет, устройство наглухо залито эпоксидкой... но и радианта я тут тоже не наблюдаю...

vodoprovodchik | Post: 311739 - Date: 12 Jun 2011 11:27
да нету тама никаких высоких вольт...аккум сглаживает до пилы(при снятой нагрузке - напруга до 200вольт - зависит от индуктивности). Тестер показывает среднее значение. Время ,один фиг, тратится перемножением среднего показания на необходимое кол-во часов для данного аккума....
Даёт эффект очевидно эта пила....
Буратина , - катушка подойдёт такая , которая В СХЕМЕ даст ТОК заряда аккума примерно такой же как сама схема потребляет (ТОК на ТОК ). Для этого лучше всего прогнать выходной ключ с данной катухой каким нить геном и получить результат по частоте накачки....потом сделать соответствующий формирователь (у меня простой мульт работает на 2Кгц)
Осцилограмма тока заряда на резисторе 0,2 ома





Размер: 21.12 KB

_________________
С ув. Виталий.


Виталя | Post:314129 - Date: 29.06.11(21:07)
"ЕТО", не моё. "ЕТО" - Водопроводчика. Мои "патарафии" с "Ослика" - похожие. Где "тама" РАДИАНТ😕😡😈??? Хер его знаить???

_________________
С ув. Виталий.


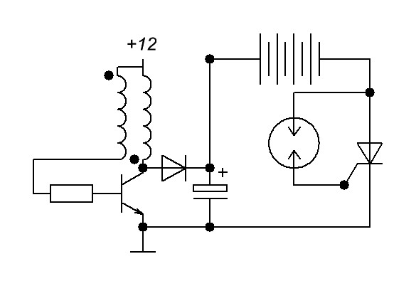
alexkor | Post:314130 - Date: 29.06.11(21:16)
lazj Пост: 314107 От 29.Jun.2011 (19:08)
не успела замерить, устройство забрали, но в качестве источника для этого зарядного устройства применен импульсный источник 24В 2.5А


А в коробочке такая схемка...


Размер: 22.45 KB

_________________
Радиантное зарядное устройство- "www.radiant4you.net" Низкоэнергетические ядерные реакции- "www.lenr4you.net"


alexkor | Post:314131 - Date: 29.06.11(21:19)
"А радиант - это что-то сакральное"

Согласен. Нет такого понятия. Есть наше неполное понимание привычного, несакрального...

_________________
Радиантное зарядное устройство- "www.radiant4you.net" Низкоэнергетические ядерные реакции- "www.lenr4you.net"


lazj | Post:314133 - Date: 29.06.11(21:28)
dedivan Пост: 314123 От 29.Jun.2011 (21:32)
lazj Пост: 314104 От 29.Jun.2011 (18:46)
исходя из формы можно сказать, что на нагрузку разряжается емкость...

Могу спорить - что индуктивность.
причем относительно большая.


Ну да... только относительно большая индуктивность была бы заметна, и тогда не понятно зачем из смолы торчит банка 27000 мкф

_________________
"Наука - это то, чего быть не может. То что может быть - это уже технический прогресс" (П.Л. Капица) "Делай, что должно и будь, что будет.."


dedivan | Post:314134 - Date: 29.06.11(21:43)
lazj Пост: 314133 От 29.Jun.2011 (22:28)
не понятно зачем из смолы торчит банка 27000 мкф

Надо...
Допустим индуктивность заряжается импульсои тока 5 ампер.
Средний ток 2,5 ампера - источник питания обеспечит.
А вот выше только за счет большой емкости.

Теперь вопрос - на каком аккуме снята картинка? Я тогда могу примерно сказать параметры катушечки.

_________________
я плохого не посоветую


lazj | Post:314136 - Date: 29.06.11(21:53)
60 а/ч стартерная...

_________________
"Наука - это то, чего быть не может. То что может быть - это уже технический прогресс" (П.Л. Капица) "Делай, что должно и будь, что будет.."


rezoner | Post:314137 - Date: 29.06.11(21:57)
190 мГн

dmit-riy-k | Post:314183 - Date: 30.06.11(08:26)
AlexSoroka Пост: 314093 От 29.Jun.2011 (16:15)
Вопрос: зачем току течь "в низу пластин" гидролизера если он может "замкнуться" через раствор ВВЕРХУ пластин ???
вот ток и замыкается СВЕРХУ - тем самым в электролизере НЕ РАБОТАЕТ три четвертых поверхности пластин!

А если там не электролит (а например просто вода)- то большое сопротивление имеем и тогда ток равномерно ищет пути между пластинами..
А вообще-то это ерунда... Если не давать излишний ток то он будет равномерно распределяться по пластинам ,так как раствор имеет сопротивление ( пластин должно быть с запасом)

_________________
Ютуб поиск - Аквадевайс


хум | Post:314193 - Date: 30.06.11(10:02)
Вот мне не понятно как от одного РЗУ можно заряжать 2 АКБ и дальше до бесконечности?
Я 3 – раза включал от АКБ РЗУ-2 на ячейку, и АКБ разрядился на 25%
Кто ни будь заряжал 2 АКБ от одного через РЗУ?

_________________
Если свинью кормить «бисером» она станет Буддой. А если Будду кормить свинячей пищей- полуправдой или ложью и не давать «бисер» - он превратиться в свинью. Эксперимент закончен!


alexkor | Post:314196 - Date: 30.06.11(10:22)
хум Пост: 314193 От 30.Jun.2011 (11:02)
Вот мне не понятно как от одного РЗУ можно заряжать 2 АКБ и дальше до бесконечности?
Я 3 – раза включал от АКБ РЗУ-2 на ячейку, и АКБ разрядился на 25%
Кто ни будь заряжал 2 АКБ от одного через РЗУ?


Методика проверки проста.
1 Тренируем аккум(12а.ч.) 5-10 раз "разряд/заряд РЗУ".
2 Разряжаем аккум до 10 вольт-пустой.
3 Подключаем к РЗУ и фиксируем потребление(12В, 0.2А для одного транзистора).
4 Через 10 часов снимаем аккум с зарядки и цепляем к нему нагрузку 1А, засекаем время горения до падения напряжения 10В.
5 Смотрим баланс. РЗУ скушало за 10 часов 2.4 а.ч., а лампочка светила "х" часов-ёмкость аккума "х" а.ч.

Ок?

_________________
Радиантное зарядное устройство- "www.radiant4you.net" Низкоэнергетические ядерные реакции- "www.lenr4you.net"


AlexSoroka | Post:314197 - Date: 30.06.11(10:36)
dmit-riy-k Пост: 314183 От 30.Jun.2011 (09:26)
AlexSoroka Пост: 314093 От 29.Jun.2011 (16:15)
Вопрос: зачем току течь "в низу пластин" гидролизера если он может "замкнуться" через раствор ВВЕРХУ пластин ???
вот ток и замыкается СВЕРХУ - тем самым в электролизере НЕ РАБОТАЕТ три четвертых поверхности пластин!

А если там не электролит (а например просто вода)- то большое сопротивление имеем и тогда ток равномерно ищет пути между пластинами..

Нихрена подобного!
точно так-же всё происходит - замыкание вверху пластин.
Учите матчасть ! ...мать вашу 😀

bes | Post:314206 - Date: 30.06.11(11:31)
AlexSoroka | Post: 314197
Нихрена подобного!
точно так-же всё происходит - замыкание вверху пластин.
Учите матчасть ! ...мать вашу

Может быть вам самому почитать матчасть. Заодно узнаете. что такое распределенное сопротивление.
А потом возьмите карандашик, нарисуйте плстину в виде последовательно соединенных сопротивлений, соедините цепочки между собой тоже через сопротивления и посчитайте.
Возьмите реальные значения сопротивления металла и электролита.
Хочу сказать, что сопротивление дистиллированной воды на расстоянии 30 мм при пластинах 30х30 мм составляет более 2000 ком.

PS/А для реального электролита, например 21% раствор КОН сможете получить угол наклона пластин, который, конечно должет быть. Но не настолько большой, чтобы об этом имело бы смысл говорить. Тем более ломать копья и зацикливаться на этом.
Иначе у вас получется, что у всех аккумуляторов работает только верхушка пластин, а остальные килограммы - просто балласт.


Буратино | Post:314213 - Date: 30.06.11(12:20)
dmit-riy-k
А вообще-то это ерунда...

С нетерпением ждем ваших иследований приобретенного вами РЗУ. Бум на вас надеяться как на независимого члена жюри😊. Меня лично интересует количественные показатели. Сколько лит. в минуту, ток потребления и т.д. Успехов

хум | Post:314219 - Date: 30.06.11(13:03)
У меня было очень мало на РЗУ-2, может что пластины не натринерованные, но интересно что высохнув они держали 05в почти сутки.
А в чём отличие схемы РЗУ от РЗУ –ННО если не секрет?

_________________
Если свинью кормить «бисером» она станет Буддой. А если Будду кормить свинячей пищей- полуправдой или ложью и не давать «бисер» - он превратиться в свинью. Эксперимент закончен!


<] [ 1 | ... 3 | 4 | 5 | 6 | 7 | 8 | 9 | 10 | 11 | 12 | 13 | 14 | 15 | 16 | 17 | 18 | 19 | 20 | 21 | 22 | 23 | ... | 38 ] [>
У Вас нет прав отвечать в этой теме.
Форум - Барахолка - Предложение - Готова к продаже радиантная зарядка для аккумуляторов. - Стр 13
🏠 Главная | 📚 Содержание | 💬 Форум | 📁 Файлы | 📩 Контакт