[ВХОД]
24.05.26(08:34)

mob.skif.biz

Альтернативная энергия. Оставь надежду, всяк сюда входящий...

🏠 Главная | 📚 Содержание | 💬 Форум | 📁 Файлы | 📩 Контакт
 
Резонансные генераторы
Магнитные генераторы
Механические центробежные (вихревые) генераторы
Электростатические генераторы
Водородные генераторы
Ветро- и гидро- и солнечные генераторы
Прочие идеи (разные)
О форуме
Транспорт
Оружие
Научные идеи, теории, предположения...
Экономия топлива
Коммерческие вопросы
Струйные технологии
Торсионные генераторы
Новые технологии
Барахолка
Патентный отдел
Конструкторское бюро
Нейтронная физика
Торнадо и смерчи
Гравитация и антигравитация
Сделай сам. Советы.
Медицина и здравоохранение

🖥️ | 🖨️

Форум - Экономия топлива - Экономайзеры - Литр на 100 км реально! - Стр:23
<] [ 1 | ... 13 | 14 | 15 | 16 | 17 | 18 | 19 | 20 | 21 | 22 | 23 | 24 | 25 | 26 | 27 | 28 | 29 | 30 | 31 | 32 | 33 | ... | 374 ] [>
Модератор: dedivan
Первый пост темы: dedivan Post: #279701 От:15.12.2010 (16:33)
Литр бензина на 100 км на обычной машине, с обычным движком....

всем вновь прибывшим на ветку "Литр на сотку реально?"
начинай логически разбираться в строении атома и затем с горения
[ссылка]
Потом выверни мозг наизнанку, так как реальный электрон
отличается от вымышленного дюже сильно.
Без прочтения нижеследующих ссылок сюда не возвращайся
(у меня очень много времени ушло на эти подборки, сэкономь своё время,
прочти по нескольку раз не спеша, будешь сильно удивлён "открыв" глаза).
1. Электрон-1 часть
[ссылка]
2. Электрон-2 часть
[ссылка]
3. Электрон-3 часть
[ссылка]
4. Кольцегранная модель строения атома.
[ссылка]
5. Горение-1 часть.
[ссылка]
6. Горение-2 часть.
[ссылка]
Вопросы просьба пронумеруй и по порядку в тех-же ветках задавай(те).

........................................ andy8mm
Svas | Post:285390 - Date: 20.01.11(12:34)
Буратино Пост: 285387 От 20.Jan.2011 (11:35)
Высокое? Я не знаю чем и как мерять.

лови картинку


Размер: 13.70 KB

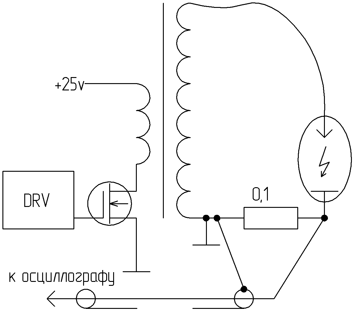
rezoner | Post:285396 - Date: 20.01.11(15:17)
Svas Пост: 285390
лови картинку

Если осцилл с высокоомным входом, нужно вход кабеля подключить к резистору 0,1ом через согласующий резистор R=50 Ом.

Maximusua | Post:285452 - Date: 20.01.11(22:33)
Народ повидимому мотает и паяет.....
Тоска......
Прицепленный агрегат в ближайшем будущем покушает настоящей искры!
Даже газоанализатор нашел.
Может пожелания, советы какие будут у зрителей ?


Размер: 380.03 KB

Serega01 | Post:285516 - Date: 21.01.11(09:28)
ДедаВаня подскажи подойдет ли транзистор STW 18NK80Z с параметрами
800 V 0.38 ом 19 A 350 W
EXTREMELY HIGH dv/dt CAPABILITY
100% AVALANCHE TESTED
GATE CHARGE MINIMIZED
VERY LOW INTRINSIC CAPACITANCES

IAR Avalanche Current, Repetitive or Not-Repetitive 19 A
EAS Single Pulse Avalanche Energy 700 mJ


GDN | Post:285522 - Date: 21.01.11(10:11)
У меня подобные вопросы:
1) Если инвертор - неизбежность, то на какое максимальное напряжение он должен быть (для увеличения скорости)? Возможно имеет место вопрос безопасности (50В максимум)
2) Какие еще транзисторы подойдут для этого напряжения, с учетом выброса? (накопал ниже)



Размер: 61.35 KB

Fil | Post:285525 - Date: 21.01.11(10:39)

dedivan | Post: 279855 - Date: Fri Dec 17, 2010 12:07 pm

val_128 Пост: 279849 От 17.Dec.2010 (05:43)
можно было бы повысить сразу вольт до 100 и сделать на другом менее дефицитном полевике.




Понимаешь, какая штука- прямой ход тоже трансформируется во вторичку, и со 100 вольт там будут киловольты.
И ионы вместо рекомбинации будут течь на электроды- сгорят они.
25 вольт уже многовато- на пределе.
А нужные полевички пока только на заказ. Не везут пока их спекулянты- спроса нет массового.
Тяжела и неказиста жисть расейскаго радиста.


Читаем ветку с самого начала внимательно

здесь некоторые компоненты есть даже в наличии [ссылка]

Буратино | Post:285528 - Date: 21.01.11(11:04)
Maximusua Пост: 285452 От 20.Jan.2011 (22:33)
Народ повидимому мотает и паяет.....
Тоска......
Прицепленный агрегат в ближайшем будущем покушает настоящей искры!
Даже газоанализатор нашел.
Может пожелания, советы какие будут у зрителей ?

вот в связи с "покушает настоящей искры!" Я так понял что вы добились того же эффекта, что и у Дедушки Ивана. Деревяшка зажигается? На каком растоянии от искры" Можете показать на видео?

Maximusua | Post:285550 - Date: 21.01.11(13:19)
Буратино Пост: 285528 От 21.Jan.2011 (11:04)
Maximusua Пост: 285452 От 20.Jan.2011 (22:33)
Можете показать на видео?


Могу, но попозже. Сейчас малехо недосуг. А ты че - сомневаешься ?
Есть такая пословица - ПТИЦУ ВИДНО ПО ПОЛЕТУ !!! Так что слушай Деда Ваню и очень внимательно, а с чем не согласен - меняй свою точку зрения. В данном случае это ОДНОЗНАЧНО !!!


Буратино | Post:285588 - Date: 21.01.11(17:20)
Maximusua
А ты че - сомневаешься ?

Просто интересно😎

dedivan | Post:285610 - Date: 21.01.11(19:34)
Serega01 Пост: 285516 От 21.Jan.2011 (09:28)
ДедаВаня подскажи подойдет ли транзистор STW 18NK80Z


Параметры хорошие, но всегда надо проверть в живую.
А в принципе даже пара ирф840А уже дает что нужно.
Надежность в реальности более важна чем допустим чуть меньший заряд затвора.
А надежность зависит и от того куда воткнуть блок около горячего мотора, как он будет охлаждаться, сколько на него будет грязи и воды лететь.
Там куча ньюансов для каждой конкретной машины.
Для примера - на ниве большие щели у капота, и он сосет воздух с грязью и водой, простой оконный уплотнитель по этой щели
полностью убирает эту проблемму- под капотом сразу чисто,
ну и соответственно "искра в балон не уходит"

_________________
я плохого не посоветую


dedivan | Post:285613 - Date: 21.01.11(19:41)
Maximusua Пост: 285452 От 20.Jan.2011 (22:33)
Прицепленный агрегат в ближайшем будущем покушает настоящей искры!

Это наверное самый сложный этап- создание хорошего удобного стенда.
Делай сразу капитально - с отводом выхлопных на улицу или в вентиляцию
с возможностью отбора через регулируемый краник.

_________________
я плохого не посоветую


Maximusua | Post:285616 - Date: 21.01.11(19:49)
dedivan Пост: 285613 От 21.Jan.2011 (19:41)
Maximusua Пост: 285452 От 20.Jan.2011 (22:33)

Это наверное самый сложный этап- создание хорошего удобного стенда.
Делай сразу капитально - с отводом выхлопных на улицу или в вентиляцию
с возможностью отбора через регулируемый краник.

Постараюсь ! Но боюсь как бы не выплыли другие камни, так что Деда Ваня буду тебя беспокоить наверняка.

Alloy | Post:285672 - Date: 22.01.11(00:22)
Где можно почитать про изготовление трансформатора для сего девайса ?


Fil | Post:285699 - Date: 22.01.11(06:31)
Alloy Пост: 285672 От 22.Jan.2011 (00:22)
Где можно почитать про изготовление трансформатора для сего девайса ?
Так делает ДедИван
dedivan | Post: 279779 - Date: Thu Dec 16, 2010 6:03 pm
Для сравнения посмотри как я трансики делаю, чтоб высокое непрошивало,
и то все равно приходится защитный разрядник на него вешать,
иначе без нагрузки все равно пробивает на первичку.


Читайте пож. хотя бы первые 2-3 стр. этой ветки, ДедИван там все разжевал


Размер: 30.34 KB

Artem | Post:285720 - Date: 22.01.11(11:21)
почитал тут статью по теме [ссылка] .
Интересно получается, цифры разнятся на порядок, то есть правильная одиночная искра должна быть не 2мкс, а 0,5мкс судя по рис.2

Буратино | Post:285722 - Date: 22.01.11(12:03)
Artem Пост: 285720 От 22.Jan.2011 (11:21)
почитал тут статью по теме [ссылка] .
Интересно получается, цифры разнятся на порядок, то есть правильная одиночная искра должна быть не 2мкс, а 0,5мкс судя по рис.2

И ни слова про ионизацию. А ведь это краеугольный камень. Без ионизации, непонятно каким образом энергия искры зажигает (дожигает?)смесь оставшуюся в цилиндре.

олег-джан | Post:285724 - Date: 22.01.11(12:26)
Интересно получается, цифры разнятся на порядок, то есть правильная одиночная искра должна быть не 2мкс, а 0,5мкс судя по рис.2


В идеале вообще рентгеновская микропушка с наносекундными(о!как модно)
фронтами импульсов...
Но...на имеющихся тарантасах и грубо-наколенном изготовлении
этого не воплотить...

_________________
Обьективная реальность-бред,вызванный недостатком алкоголя в крови...


Alloy | Post:285728 - Date: 22.01.11(12:53)
Fil Пост: 285699 От 22.Jan.2011 (06:31)
Читайте пож. хотя бы первые 2-3 стр. этой ветки, ДедИван там все разжевал

Читал.
Не всё.
- Трансик на феррите от большого строчника - чем больше- тем лучше.
витки там получатся - как выйдет. Чтобы индуктивность нужная была и в насыщение чтобы не уходил.
Разве этого достаточно? Вы наверное умудрённый немерянным практическим опытом человек, что бы взять и по этим трём строчкам сделать правильно трансформатор. А дальше как говориться дело техники т.е электронники.
Ну да мне много не надо, подскажите как выглядят(что представляют собой первичная и вторичная обмотки) применительно к магнитопроводу и каркасу с этой картинки.


олег-джан | Post:285729 - Date: 22.01.11(13:15)
Ну да мне много не надо, подскажите как выглядят(что представляют собой первичная и вторичная обмотки) применительно к магнитопроводу и каркасу с этой картинки.

Именно так и есть-"как получится"....
Смотри-первичка-несколько витков всего,5-7-10...
Намотать эти витки на имеющемся каркасе можно по разному..
Вплотную-один результат...
С шагом 1мм-другой...
Равномерно по всему каркасу-третий...
А еще виток-два туда-сюда мотать-смотреть,чтобы в насышение не улетал..
Следом длительность прибавил по нужде-опять виток добавлять...
Опять же,проводник может быть одножильный-круглый,может быть-
литцентрат,может быть полоска фольги,можно фольгу посеребрить...
И результаты все будут-разные...
Ну и как инструкцию писАть с такими раскладками?
п.с.Это-только про первичку разговор...
А какой тебе попадется сердечник?
Совок,китай,фирмовый китай?
Как и чем ты сделаешь зазор?-сплошной,или косой под центральным керном?

_________________
Обьективная реальность-бред,вызванный недостатком алкоголя в крови...


toptamburg | Post:285742 - Date: 22.01.11(16:04)
Не хотел писать, но всё-же не стерпел...
Эх-х-х-х, народ!
Вы чего, на самом деле думаете, что Дедовы девайсы это - "конструкция выходного дня"? "Как намотать трансик на феррите?...подскажите, мне большего и не надо." Ржу не могу, катаюсь под столом. Я ГОД угрохал, что-бы только подобраться к заявленным Дедом параметрам! С десяток вариантов конструктива транса плюс несколько вариантов топологий разводки.И это при том, что есть чем посмотреть фронты в 1нс!И руки, вроде из нужного места растут. В результате понял - у меня кишка тонка.Это - на грани искусства.
Дед - супермонстр в этом деле.Так что трезво оценивайте свои возможности и не визжите,что ничего не работает.То, что он заявляет - реально.Но не для всех.
Мону Лизу тоже не каждый изобразить сможет.Из меня вот ,например,Леонардо не вышел....

_________________
"Монстры в технике - от скудности ума."


Vivtor | Post:285743 - Date: 22.01.11(16:12)
Мужики а я бы лучше вот такую тачку бы купил:
[ссылка]
Я в день максимум наезжаю 10 км, обычно 3-4, на работу и обратно. Мне бы такую тачку всего два раза в месяц на зарядку пришлось бы ставить. И тачка с виду классная.













lazj | Post:285744 - Date: 22.01.11(16:29)
toptamburg Пост: 285742 От 22.Jan.2011 (16:04)

Мону Лизу тоже не каждый изобразить сможет.Из меня вот ,например,Леонардо не вышел....


"Что один человек сделал, другой завсегда разобрать сможет..." (кузнец)

_________________
"Наука - это то, чего быть не может. То что может быть - это уже технический прогресс" (П.Л. Капица) "Делай, что должно и будь, что будет.."


adykiy | Post:285745 - Date: 22.01.11(16:32)
toptamburg
Не хотел писать, но всё-же не стерпел...
Эх-х-х-х, народ!
Вы чего, на самом деле думаете, что Дедовы девайсы это - "конструкция выходного дня"? "Как намотать трансик на феррите?...подскажите, мне большего и не надо." Ржу не могу, катаюсь под столом. Я ГОД угрохал, что-бы только подобраться к заявленным Дедом параметрам! С десяток вариантов конструктива транса плюс несколько вариантов топологий разводки.И это при том, что есть чем посмотреть фронты в 1нс!И руки, вроде из нужного места растут. В результате понял - у меня кишка тонка.Это - на грани искусства.
Дед - супермонстр в этом деле.Так что трезво оценивайте свои возможности и не визжите,что ничего не работает.То, что он заявляет - реально.Но не для всех.
Мону Лизу тоже не каждый изобразить сможет.Из меня вот ,например,Леонардо не вышел....


Вот это все и печально. То что Дед супер-пупер это радует, что намечает пути и вехи проставляет тоже. Все остальное плохо.
Как раз главная задача ветки и формулируеться так:
Используя Дедов опыт и наработки , разработать такую систему зажигания, которую мог бы собрать ЛЮБОЙ (у кого руки растут из нужного места).
И все как в анекдоте- что перелюбить всех женщин невозможно, но стремится к этому надо...
Так что не стоит посыпать голову и прочие части пеплом.

Maximusua | Post:285746 - Date: 22.01.11(16:33)
Олег-джан ! На твой взгляд, с учетом всех ньюансов - до какой степени можно минимизировать размеры обсуждаемого трансформатора ?

СНК | Post:285757 - Date: 22.01.11(18:03)
олег-джан Пост: 285729 От 22.Jan.2011 (13:15)
Именно так и есть-"как получится"....
Смотри-первичка-несколько витков всего,5-7-10...
Намотать эти витки на имеющемся каркасе можно по разному..
Вплотную-один результат...
С шагом 1мм-другой...
Равномерно по всему каркасу-третий...
А еще виток-два туда-сюда мотать-смотреть,чтобы в насышение не улетал..
Следом длительность прибавил по нужде-опять виток добавлять...
Опять же,проводник может быть одножильный-круглый,может быть-
литцентрат,может быть полоска фольги,можно фольгу посеребрить...
И результаты все будут-разные...
Ну и как инструкцию писАть с такими раскладками?
п.с.Это-только про первичку разговор...
А какой тебе попадется сердечник?
Совок,китай,фирмовый китай?
Как и чем ты сделаешь зазор?-сплошной,или косой под центральным керном?


Ну вот.. 😕 Все плохо.

Кстати, ДедИван скромно умолчал об условиях эксплуатации.
Автомобильный диапазон температур - -40..+125. Ни один конденсатор приемлемой емкости и стоимости не имеет такого диапазона. Рабочая температура охлаждающей жидкости двигателя 80-90.
Вибрация, водичкой грязной плеснуть может. Влажность, конденсат может собраться на обмотках..

Так шта..

_________________
Автор благодарит алфавит за любезно предоставленные буквы.(с)


<] [ 1 | ... 13 | 14 | 15 | 16 | 17 | 18 | 19 | 20 | 21 | 22 | 23 | 24 | 25 | 26 | 27 | 28 | 29 | 30 | 31 | 32 | 33 | ... | 374 ] [>
У Вас нет прав отвечать в этой теме.
Форум - Экономия топлива - Экономайзеры - Литр на 100 км реально! - Стр 23
🏠 Главная | 📚 Содержание | 💬 Форум | 📁 Файлы | 📩 Контакт