[ВХОД]

26.03.26(04:29)

mob.skif.biz

Альтернативная энергия. Оставь надежду, всяк сюда входящий...

🏠 Главная | 📚 Содержание | 💬 Форум | 📁 Файлы | 📩 Контакт

🖥️ | 🖨️

Форум - Резонансные генераторы - Резонансный трансформатор Теслы - Меряем искорки - Стр:1
[ 1 | 2 | 3 | 4 | 5 | 6 | 7 | 8 | 9 | 10 | 11 | ... | 40 ] [>
Модератор: dedivan
dedivan | Post:247678 - Date: 28.05.10(19:48)
Здесь поговорим про измерения в искровой технике.
Это поможет и начинающим.
И споры насчет СЕ не СЕ сразу отпадут.
Это не теории разводить - это измерения.
Тут возражать можно только опытом.

_________________
я плохого не посоветую



dedivan | Post:247679 - Date: 28.05.10(19:54)
С чего начнем-
выбор напряжений.
Для опытов я пользую 10-15 кВ.
Чем это обусловлено.
При импульсных напряжениях более 20 кВ трудно что либо померять на столе.
Эти импульсы прошивают уже все- даже деревяшку стола,
детальку просто так уже не положишь.
А 5 кВ требуют для стабильной искры очень хороших фронтов.
Любой пробничек подключенный к высокому - затягивает фронт и искра
становится нестабильной.
Вот и остается 10-15 кВ.

_________________
я плохого не посоветую



dedivan | Post:247681 - Date: 28.05.10(19:58)
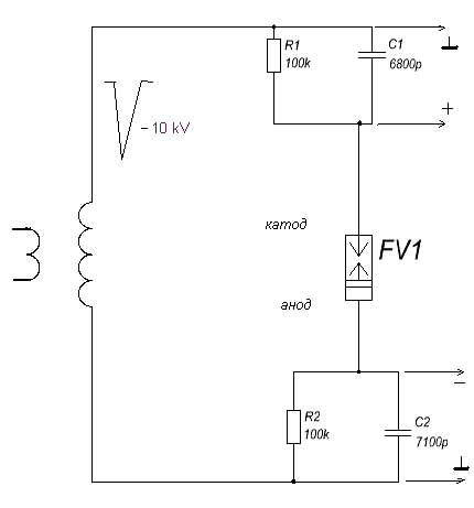
В прошлой теме мы заговорили про заряд переносимый искрой.
Схема измерения - просто конденсатор.
Напряжение на нем пропорционально полученному заряду.

А практическая схема такая-
я как раз для нее буду примеры приводить.


Размер: 4.74 KB

_________________
я плохого не посоветую



dedivan | Post:247682 - Date: 28.05.10(20:03)
Измеряя импульсы на верхнем кондере- видим заряд гуляющий в катоде.
Это и электронный ток и ток ионов.
В нижнем кондере мы видим заряд принесенный искрой.

Вообще по теории они должны быть равны, сколько электронов пролетело,
столько ионов дожно и образоваться, они свой ток в катоде организуют.

Но на практике не совсем все так.

Вот картинки. Курите пока.


Размер: 66.02 KB

_________________
я плохого не посоветую



Eduard | Post:247686 - Date: 28.05.10(20:21)
А вторичка симметричная? Или - ТВС? 😀 Даешь Румкорфа честного.

_________________
И мню аз яко то имать быть, что сам себе всяк может учить.



SEVNIK | Post:247687 - Date: 28.05.10(20:26)
А что в схеме заземлены 2 разных точки (С1 и С2) ?


Azazello | Post:247689 - Date: 28.05.10(20:29)
SEVNIK Пост: 247687 От 28.May.2010 (21:26)
А что в схеме заземлены 2 разных точки (С1 и С2) ?
Думаю, они не заземлены, это обозначение нуля измерительного прибора.


dedivan | Post:247691 - Date: 28.05.10(20:31)
Вторичка подвешенная.
Это транс с шайтан-драйвером.
На выходе импульсы 10-15кВ с фронтом 100 нс.
Земля - это от осцилографа.
Подключаем ее туда или сюда в зависимости от того где меряем.

_________________
я плохого не посоветую



Eduard | Post:247693 - Date: 28.05.10(20:40)
dedivan Пост: 247691 От 28.May.2010 (21:31)
Подключаем ее туда или сюда в зависимости от того где меряем.

Видимо, хреново она у тебя подвешена. Уединенная емкость внутренних витков меньше, чем внешних, поэтому при подключении земли к внутреннему концу энергии на излучении тратится больше, т.е. импульс реально меньше. Вторичка должна быть намотана от середины сердечника в разные стороны, для симметрии, только тогда опыт будет чистый.

_________________
И мню аз яко то имать быть, что сам себе всяк может учить.



Sergh | Post:247696 - Date: 28.05.10(20:45)
термопреобразователь вакуумный бесконтактный

image


При измерении среднеквадратического значения переменного напряжения чаще используются бесконтактные термопреобразователи (рис. 2.12,б). Эта конструкция герметизируется в стеклянном вакуумном баллоне, чтобы предотвратить потери тепла из-за конвекции, Поэтому температура нити накала может уменьшаться только из-за теплопроводности и излучения. Чтобы минимизировать влияние окружающей среды, температуру нити накала делают высокой, но такой термоспай имеет малый КПД (отношение выходной мощности к входной) – около 0,1%. Данные преобразователи имеют сопротивление нагревателей 20 – 100 Ом; ток нагревателя 10 – 50 мА; значение выходной термоЭДС 1 – 20 мВ; время установления выходного сигнала 2 – 10 с. Погрешность данных преобразователей составляет обычно 1 – 5 %.
Термопреобразователь можно применять до частот порядка 60 МГц. При более высоких частотах на работу будут влиять различные паразитные эффекты (индуктивность резистивной нити накала, емкость между нитью накала и термопарой и т. д.). Погрешность в пределах частотного диапазона от 10 Гц до 60 МГц составляет менее 1%, а в диапазоне от 30 Гц до 10 МГц она может быть меньше, чем 0,1%.

[ссылка]


dedivan | Post:247698 - Date: 28.05.10(20:47)
Eduard Пост: 247693 От 28.May.2010 (21:40)
Вторичка должна быть намотана от середины сердечника в разные стороны, для симметрии, только тогда опыт будет чистый.


Вопрос- как померяешь тогда 30 вольт, которые висят на импульсных 5 кв?

_________________
я плохого не посоветую



Eduard | Post:247699 - Date: 28.05.10(20:50)
dedivan Пост: 247698 От 28.May.2010 (21:47)
Вопрос- как померяешь тогда 30 вольт, которые висят на импульсных 5 кв?

Симметричным трансформатором на ферритовом колечке с толстой изоляцией и заземлением средней точки, а лучше с экраном. То же и для вторички 10 кв - среднюю точку на землю. Понимаю, геморойно, но иначе 10кв на пф уединенки даст такую погрешность.

_________________
И мню аз яко то имать быть, что сам себе всяк может учить.



dedivan | Post:247700 - Date: 28.05.10(20:58)
Eduard Пост: 247699 От 28.May.2010 (21:50)
То же и для вторички 10 кв - среднюю точку на землю.

Это понятно- я про другое- как и чем отличить импульс 5000в от 5030в?

_________________
я плохого не посоветую



dedivan | Post:247701 - Date: 28.05.10(21:01)
Eduard Пост: 247699 От 28.May.2010 (21:50)
геморойно, но иначе 10кв на пф уединенки даст такую погрешность.

И какую? Если нагрузочная емкость 7000 пф.
0,1%?

_________________
я плохого не посоветую



MSN | Post:247702 - Date: 28.05.10(21:03)
dedivan Пост: 247678 От 28.May.2010 (20:48)
Здесь поговорим про измерения в искровой технике.
Это поможет и начинающим.

А про информацию не будем ?🤢🤢🤢
к удалению.

_________________
Говорите говорите, я всегда зеваю когда мне интересно. 99,9% всех СЕ устройств, - от неправильных измерений



Eduard | Post:247703 - Date: 28.05.10(21:03)
У тебя импульс не 5 кв, а 30 В, и не слишком ВЧ, т.к. сконденсирован 😀
А 5 кв развязки на феррите. Или на оптроне! Поставь емкость 0.1 мкф, получится 3В, через резюк на ИК СД оптрона. Линейность у них достаточная. А емкость мизерная, и к тому же ее можно учесть при оценке.

PS. Да просто неонки повесь, а емкости по 4700 пф. Накачку регулируешь, видишь, какая раньше загорелась.

_________________
И мню аз яко то имать быть, что сам себе всяк может учить.



dedivan | Post:247704 - Date: 28.05.10(21:15)
Проще опыт провести.
Включаем, плавно увеличиваем зазор-искра прерывается,
остается только наводка.


Размер: 23.13 KB

_________________
я плохого не посоветую



dedivan | Post:247705 - Date: 28.05.10(21:20)
Понятно- через емкость прет переменка.
Не будет зарядки емкости.
А мы измеряем как раз заряд.
Это не ток- ток это другое. Токи тут никакие оптроны не ловят.
И трансформаторы только коаксиалы.
Так что это не так как тебе кажется.

_________________
я плохого не посоветую



MSN | Post:247706 - Date: 28.05.10(21:22)
dedivan Пост: 247698 От 28.May.2010 (21:47)
Eduard Пост: 247693 От 28.May.2010 (21:40)
Вторичка должна быть намотана от середины сердечника в разные стороны, для симметрии, только тогда опыт будет чистый.


Вопрос- как померяешь тогда 30 вольт, которые висят на импульсных 5 кв?

А ведь Эдуард прав.... А померять, так это... корпус твоего осцилла вносит доп нмкость в схему, особенноесли она не заземлена у тебя....как вариант, - диффиренциальный пробник рулит.

_________________
Говорите говорите, я всегда зеваю когда мне интересно. 99,9% всех СЕ устройств, - от неправильных измерений



Eduard | Post:247707 - Date: 28.05.10(21:25)
Смехотехник, блин 😬 Подобрать резюк, чтоб зажигал СД оптрона. Измерить постоянку на кондере после того, как всё произошло? Ничего не подключая к ВВ концам, проблема? Вначале ты говорил и рисовал напруги на кондерах, а теперь говоришь про токи. Не сомневайся, я и про измерение токов что-нибудь придумаю. Но пока речь идет об измерении напряжения на кондерах.

PS. Справедливости ради, вспоминаю, что люди, которые занимались сильными искрами, отмечали, что разряд отрицательного потенциала на землю и положительного отличаются по ощущениям. Один из них отдается в области солнечного сплетения (кажется, от отрицательного).

_________________
И мню аз яко то имать быть, что сам себе всяк может учить.



dedivan | Post:247708 - Date: 28.05.10(21:29)
Eduard Пост: 247707 От 28.May.2010 (22:25)
Смехотехник, блин 😬 Подобрать резюк, чтоб зажигал СД оптрона.

Поверь- картинка намного больше информации дает.
Есть там такие моменты- дальше увидишь сам.

_________________
я плохого не посоветую



MSN | Post:247709 - Date: 28.05.10(21:31)
еще раз повторю, чтобы осцилл не вносил погрешность в схему, нужно пользовать диффиренциальный пробник. cхэму кинуть, или сам найдешь ?

_________________
Говорите говорите, я всегда зеваю когда мне интересно. 99,9% всех СЕ устройств, - от неправильных измерений



dedivan | Post:247710 - Date: 28.05.10(21:33)
MSN Пост: 247706 От 28.May.2010 (22:22)
корпус твоего осцилла вносит доп нмкость в схему,

Осцил я подключаю как раз к земляному концу.
Просто концы меняются.

Да, есть от этого эффекты- но другие.
Это как раз несовпадение прошедших зарядов в катоде и аноде.
Когда минус на земле, вся схема получает положительный потенциал,
и поэтому не все положительные ионы оседают на нее.
Можно даже посчитать сколько их убегает.
Это тоже важный момент- он показывает сколько их можно собрать
на сетке около разрядника.

_________________
я плохого не посоветую



dedivan | Post:247711 - Date: 28.05.10(21:35)
MSN Пост: 247709 От 28.May.2010 (22:31)
нужно пользовать диффиренциальный пробник.

Кто бы спорил. У тебя есть такой на десятки киловольтов?

_________________
я плохого не посоветую



MSN | Post:247712 - Date: 28.05.10(21:38)
dedivan Пост: 247711 От 28.May.2010 (22:35)
MSN Пост: 247709 От 28.May.2010 (22:31)
нужно пользовать диффиренциальный пробник.

Кто бы спорил. У тебя есть такой на десятки киловольтов?

нет, у меня такого нет, надо делать. Хлопотно, очень хлопотно. Потом калибровать нужно... Или дать команду биороботам чтобы принесли 🤢
простой 395 USD кажется; а высоковольтный от тектроникс 2500 кажется....

_________________
Говорите говорите, я всегда зеваю когда мне интересно. 99,9% всех СЕ устройств, - от неправильных измерений



[ 1 | 2 | 3 | 4 | 5 | 6 | 7 | 8 | 9 | 10 | 11 | ... | 40 ] [>
У Вас нет прав отвечать в этой теме.
Форум - Резонансные генераторы - Резонансный трансформатор Теслы - Меряем искорки - Стр 1
🏠 Главная | 📚 Содержание | 💬 Форум | 📁 Файлы | 📩 Контакт