[ВХОД]
29.04.26(18:42)

mob.skif.biz

Альтернативная энергия. Оставь надежду, всяк сюда входящий...

🏠 Главная | 📚 Содержание | 💬 Форум | 📁 Файлы | 📩 Контакт
 
Резонансные генераторы
Магнитные генераторы
Механические центробежные (вихревые) генераторы
Электростатические генераторы
Водородные генераторы
Ветро- и гидро- и солнечные генераторы
Прочие идеи (разные)
О форуме
Транспорт
Оружие
Научные идеи, теории, предположения...
Экономия топлива
Коммерческие вопросы
Струйные технологии
Торсионные генераторы
Новые технологии
Барахолка
Патентный отдел
Конструкторское бюро
Нейтронная физика
Торнадо и смерчи
Гравитация и антигравитация
Сделай сам. Советы.
Медицина и здравоохранение

🖥️ | 🖨️

Форум - Резонансные генераторы - Резонансный трансформатор Теслы - Генератор Капанадзе - Стр:48
<] [ 1 | ... 38 | 39 | 40 | 41 | 42 | 43 | 44 | 45 | 46 | 47 | 48 | 49 | 50 | 51 | 52 | 53 | 54 | 55 | 56 | 57 | 58 | ... | 242 ] [>
Модератор: Gobsek
Первый пост темы: Gobsek Post: #205412 От:20.10.2009 (21:55)



Часовое видео выложил сюда:
[ссылка]

некто Тариель Капанадзе из Грузии, "архитектор" без диплома в прошлом, заявил свое очередное "открытие" - индуктор с преобразованием энергии близко к работам Теслы. По его утверждению, первый вариант его устройства вырабатывал ~5 кВт. Позже бегал из Грузии в Турцию, и там ставил опыты. Потом ездил а ОАЭ и там пытался шантажировать местных своей электромессией.

Утверждает что в одном из турецких экспериментов достиг выходной мощности в 100 кВт (а скорее, это не кВА, а кВАр ). В ролике демонстрируются 2 двигателя - по ~3 и ~5 кВт, но оба как мертвые .. так что не понятно откуда такие цифры, но выглядит масштабно. В общем, технологии Теслы 😬

Проверенные факты:
1) Принцип действия имеет прямое отношение к работам Теслы
2) Кипаридзе - вор и выдает это за свою идею.
3) в учебниках 101% правды.

PS: видео - реальное; все русунки, патенты и схема - фуфло

PPS: интересный факт: все кто собрал это устройство, люди вполне достойные и умные чтобы не натворить с эттой штукой большой беды.




закрытая военная технология, разглашению и продаже - не подлежит. клянчить не нужно - халява не обломиться.
олег-джан | Post:239377 - Date: 03.04.10(22:41)
Дык, не ошибаюсь...Увесьлизультат - дамать нуна... Усё...
А, про поля, мну не заливай..


А думать,пардонте,всегда надо...очень желательно....
Да что я твоему мну обьясняю-то....про поля заливные...😬

а ошибка твоя не заливных ли полях?😬

_________________
Обьективная реальность-бред,вызванный недостатком алкоголя в крови...


WAK | Post:239435 - Date: 04.04.10(09:07)
С ПРАЗДНИКОМ ВСЕХ!Хлопотный только,пропустил много.dedivan ,посмотри на стр 77 пост239041,замени бублики на ферромагнитный резонанс прощще искать нужный будет.

dedivan | Post:239475 - Date: 04.04.10(12:54)
С праздничком всех благоверных!
А чего не отдыхаем? Шашлык-машлык водку хулиганить на гармонь плясать.
В праздник грех работать.
Нехорошие мысли приходят только.
Вон как у Бомбы- протоны у него резонируют.
А ведь говорил дед- это электрики больничные наслушались про томограф,
так томограф действительно регистрирует протонный резонанс,
но эти протоны в молекулах ВОДЫ в теле человека.
Какие нахрен протоны в железе? Нет их там.

Срочно Бомбе стакан спирту- для поправки мозгов и здоровья тож!

_________________
я плохого не посоветую


bazarov | Post:239477 - Date: 04.04.10(12:58)
Дед, ты чё булочку пасхальную на электриков больничных крошишь 😕 ?

_________________
Не хватит никакого здоровья, чтобы приспособиться к этому глубоко больному обществу(Кришна Мурти)/Горшки не Боги обжигают (многовековая классика)


niklz | Post:239485 - Date: 04.04.10(13:24)
С праздником Великой Православной Пасхи всех!
Дедуля я чтот тебя не понял про протоны-они только в воде?
Интересно это как?Я то думал что они в любом веществе-или их нет совсем.
Может ты о протонном резонансе -так пожалуйста так и говори а то у меня крыша
на праздник сьедет!😎
Покольку протоны есть в любом веществе то и магнитно-ядерный резонанс
может быть вызван в любом.В металле тоже!

олег-джан | Post:239487 - Date: 04.04.10(13:35)
niklz | Post: 239485 - Date: Sun Apr 04, 2010 9:24
протоны-они только в воде?


Да позитроны....позитроны....только временные....
их эфир потом в электроны разворачивает сразу....
вот оттудова и берем халяву....😊
мы же летим....в пространстве....

_________________
Обьективная реальность-бред,вызванный недостатком алкоголя в крови...


niklz | Post:239488 - Date: 04.04.10(13:42)
И что в пространстве происходит постоянная трансформация всего в электроны?
Может и протоны постоянно превращаются в электроны?Если говоритен о частицах с большим временем существования то относитесь к ним с уважением.Они не во что
так легко не трансформируются-тут нужно приложить гигансткую энергию.
Или высвободить ее из вещества!Так что отнять заряд или магнитное поле у
частицы еще помечтать надо!Ядерный взрыв не рассматриваю-это катастрофа.



andy8mm | Post:239489 - Date: 04.04.10(13:44)
niklz Пост: 239485 От 04.Apr.2010 (14:24)
Дедуля я чтот тебя не понял про протоны-они только в воде?
Интересно это как?Я то думал что они в любом веществе-или их нет совсем.
...
Покольку протоны есть в любом веществе то и магнитно-ядерный резонанс
может быть вызван в любом.В металле тоже!
andy8mm Пост: 239020 От 02.Apr.2010 (16:26)
niklz, WAK, Henk, коян,
большая просьба глянуть подборку ссылок о электроне, о видах тока, о напряжении.
1. [ссылка] для затравки(синие буковки это ссылка, нежно нажать мышкой).
2. [ссылка] (секретное название подборки "букварик-2" или "скиф-букварик")


WAK | Post:239512 - Date: 04.04.10(14:56)
Извините, пожалуйста, не в ту секту попал, покидаю вас .На Lab- 001,люди работают ,есть результаты, там интереснее.

олег-джан | Post:239518 - Date: 04.04.10(15:01)
там интереснее.

камушек...для равновесия.....

_________________
Обьективная реальность-бред,вызванный недостатком алкоголя в крови...


shkaf | Post:239540 - Date: 04.04.10(16:59)
Магнитное сжатие импульса возможно может решить некоторые сложности. Заявленые параметры весьма впечатляют.http://www.robyshoes.com/manual_126_0_gen.html


Размер: 14.41 KB

_________________
На Бога уповаем. http://www.skif.biz/files/e5a7f3.jpg


shkaf | Post:239541 - Date: 04.04.10(17:05)
вот из этой же оперы.. наносекунды сотни ампер частота приличная. www.vimi.ru/applphys/2006/2006-2/06-2-25.pdf

_________________
На Бога уповаем. http://www.skif.biz/files/e5a7f3.jpg


shkaf | Post:239543 - Date: 04.04.10(17:08)
Изобретение относится к импульсной технике и может быть использовано для питания импульсных частотных нагрузок, например, мощных импульсных газовых лазеров и сильноточных наносекундных ускорителей с высокой частотой повторения

УСТРОЙСТВО МАГНИТНОГО СЖАТИЯ ИМПУЛЬСА


Номер публикации патента: 2089042

импульсов. Изобретение позволяет увеличивать выходное напряжение в процессе магнитного сжатия импульса и упрощает устройство. Устройство содержит первичный емкостной накопитель и тиристорный коммутатор, подключенные к первичной обмотке импульсного трансформатора, нагрузку, зашунтированную конденсатором и катушкой индуктивности, N последовательно соединенных звеньев магнитного сжатия, которые включены между вторичной обмоткой импульсного трансформатора и нагрузкой. В каждом звене магнитного сжатия дополнительно к первым накопительным конденсаторам последовательно подключены вторые накопительные конденсаторы. Каждое звено содержит выходные магнитные ключи. Вторичная обмотка импульсного трансформатора подключена параллельно первому накопительному конденсатору первого магнитного звена сжатия. Выводы выходных магнитных ключей, кроме последнего, соединены с точкой соединения первого и второго накопительных конденсаторов последующих звеньев. Вывод выходного магнитного ключа последнего звена подключен к нагрузке. Параллельно первому накопительному конденсатору каждого из магнитных звеньев, кроме первого, подключены дополнительные магнитные ключи. В устройстве проходит повышение напряжения в 2 раза при переходе энергии от звена к звену, а выходное напряжение в 2N раз превышает входное напряжение, где N - число звеньев сжатия. При этом ток заряда конденсаторов каждого звена автоматически перемагничивает сердечники магнитных ключей, что приводит к упрощению устройства. 1 ил.




_________________
На Бога уповаем. http://www.skif.biz/files/e5a7f3.jpg


shkaf | Post:239545 - Date: 04.04.10(17:19)
http://www.iep.uran.ru/russian/lit/tech.html

_________________
На Бога уповаем. http://www.skif.biz/files/e5a7f3.jpg


bazarov | Post:239548 - Date: 04.04.10(17:27)
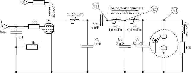
Шкаф, договаривай. А если подмагничивание на импульс не влияет?

_________________
Не хватит никакого здоровья, чтобы приспособиться к этому глубоко больному обществу(Кришна Мурти)/Горшки не Боги обжигают (многовековая классика)


shkaf | Post:239562 - Date: 04.04.10(17:50)
Дедивана надо... без него не разобраться. Готовых схем с параметрами нет. расчитывать надо. а наугад ничего не получится.

_________________
На Бога уповаем. http://www.skif.biz/files/e5a7f3.jpg


bazarov | Post:239565 - Date: 04.04.10(17:55)
Найди S-образную кривую магнетиков (гистерезис), и посмотри как происходит сжатие на крайних характеристиках. Там всё как на ладони. Гистерезиса в крайних точках почти нет, но и ЭДС сморщивается как "голова у черепашки".

_________________
Не хватит никакого здоровья, чтобы приспособиться к этому глубоко больному обществу(Кришна Мурти)/Горшки не Боги обжигают (многовековая классика)


shkaf | Post:239570 - Date: 04.04.10(18:07)
сжатие произходит благодаря тому что индуктивность резко снижается когда сердечник дросселя насыщается а значит и передает следуюшему звену и т д.. насыщающий дроссель как ключь когда не насыщен сопротивление его обльшое как насытился маленькое.

_________________
На Бога уповаем. http://www.skif.biz/files/e5a7f3.jpg


bazarov | Post:239572 - Date: 04.04.10(18:11)
😀...... Иногда в ВЧ цепи дроссели ставят, чтобы схему не выжечь..... Пойду в вареньи утоплюсь 😕 ....

_________________
Не хватит никакого здоровья, чтобы приспособиться к этому глубоко больному обществу(Кришна Мурти)/Горшки не Боги обжигают (многовековая классика)


dv | Post:239650 - Date: 04.04.10(22:20)
shkaf, задолбали вы этой матриксовской "холявой" и зачубайсовскими ложками (то ли лОжами). "Земля" снижает собственную резонансную частоту контура, или, волновое(характеристическое) сопротивление.

shkaf | Post:239679 - Date: 05.04.10(00:05)
dv. Ну и ?? снижает и как на этом снижении ты собираешься киловаты получить ??
снизил ты резонансную частоту и что дальше...а как ты этим снижение объяснишь ток в 20 ампер от нагрузки(лампы накаливания) в проводе от этих ламп и заземлением ?? Снизить резонансную частоту можно гораздо проще подключи паралельно если это паралельный контур конденсатор как угодно можешь снизить частоту.

_________________
На Бога уповаем. http://www.skif.biz/files/e5a7f3.jpg


dv | Post:239697 - Date: 05.04.10(08:30)
я может несколько резко выразился, но при словах "халява/качер" как то по другому не получается. А имел ввиду примерно это, что то наподобие согласования волновых сопротивлений.

dedivan | Post:239706 - Date: 05.04.10(09:44)
Ну как? Все похмелились? Мозги не работают?
Сча мы им пиннок дадим.

Рисуем картинку- Земля летит в пространстве и рядом с ней кучка электронов.
Мы смотрим на них- они для нас неподвижные- тока нет.

Теперь кто то , или мы, возьмем и отнимем у них энергию движения.
А это большая энергия кстати- сравним 1см/сек =10 ампер м 400 км/сек= сколько ампер?
Ну это очень круто.
Можно чуть попроще- 300м/сек - это скорость нашего вращения вокруг оси планеты.
Что хорошо- мы знаем это направление и оно всегда одинаково.

Уже хорошо, если что то отняли у электронов.
Так электроны остановилсь, а для нас они начали движение.
Елки-палки, так еще и ток нахаляву!

Но халявы в размерах вселенной нет, это энергия нашего движения,
и халява только для нас.
Когда мы остановили электроны- отобрали энергию которая была в их движении.
А когда станем пользоваться халявным током, то мы потащим их за собой.
Это использование энергии уже нашего движения.
Это для стороннего наблюдателя мы тащим электроны за собой, ускоряя их,
а нам видно что мы их замедляем, используя энергию тока.

Но самое главное- не надо вдувать энергию ни в какой импульс, наоборот
надо только отнимать у них энергию.
Если мы что то тратим- то и обратно получаем не больше затраченного.
Только честный отъем!
Никогда не получить СЕ из затраченной энергии, поэтому все трансформаторы,
сжиматели и прочее на свалку.

Поэтому сразу отбрасываем все мысли по трате энергии- ищем только варианты отъема.
Отымать отымать и еще раз отымать, как говорил наш учитель....
А я потом поделю на всех.


_________________
я плохого не посоветую


Kritikanъ | Post:239708 - Date: 05.04.10(10:08)
...Итакъ, судя по заветам наших Дед-ов, наш ВД - инерция есь! Тоисть компенсаторъ движенья..... &#128536;😶😳

queet | Post:239713 - Date: 05.04.10(10:47)
dedivan Пост: 239706 От 05.Apr.2010 (10:44)
Отымать отымать и еще раз отымать, как говорил наш учитель....
А я потом поделю на всех.
Отымать и делить менты хорошо умеют. Мож в ментовскую школу податься. Авось научат.😎 😎 😎

<] [ 1 | ... 38 | 39 | 40 | 41 | 42 | 43 | 44 | 45 | 46 | 47 | 48 | 49 | 50 | 51 | 52 | 53 | 54 | 55 | 56 | 57 | 58 | ... | 242 ] [>
У Вас нет прав отвечать в этой теме.
Форум - Резонансные генераторы - Резонансный трансформатор Теслы - Генератор Капанадзе - Стр 48
🏠 Главная | 📚 Содержание | 💬 Форум | 📁 Файлы | 📩 Контакт