[ВХОД]

02.04.26(22:36)

mob.skif.biz

Альтернативная энергия. Оставь надежду, всяк сюда входящий...

🏠 Главная | 📚 Содержание | 💬 Форум | 📁 Файлы | 📩 Контакт

🖥️ | 🖨️

Форум - Резонансные генераторы - Прочие резонансные генераторы - Как намотать ХТ и БХТ - Стр:159
<] [ 1 | ... 149 | 150 | 151 | 152 | 153 | 154 | 155 | 156 | 157 | 158 | 159 | 160 | 161 | 162 | 163 | 164 | 165 | 166 | 167 | 168 | 169 | ... | 193 ] [>
Модератор: dedivan
Первый пост темы: dedivan Post: #126798 От:11.08.2008 (17:59)

Давайте сначала начнем с того как не надо мотать.
Слово Валере Лапутько.
Он проверил- так не работает.
valeralap | Post:234721 - Date: 07.03.10(18:33)
dedivan | Post: 234708Ну в че, из простой схемы будете чудеса высасывать?
Возьмите учебник в конце концов.
Че за мода пошла - выказывать свою безграмотность?


Дед Ваня, покажи учебник и отметь в нем место, где есть индуктивная связи перпендикулярных обмоток. Если есть емкостная, к чему ты наверняка придешь, то заряды в длинной линии распределяются равномерно. Какой механизм заставляет двигаться электроны?

_________________
Чтобы слушать Иисуса Христа, нужно быть, хотя бы его апостолом!


MSN | Post:234726 - Date: 07.03.10(18:44)
Дак тут индуктивной и не пахнет. Емкостная однозначно. Внутренний тор можно заменить емкостью.

_________________
Говорите говорите, я всегда зеваю когда мне интересно. 99,9% всех СЕ устройств, - от неправильных измерений


dedivan | Post:234727 - Date: 07.03.10(18:46)
Конечно емкостная.
И индуктивность есть на каждый миллимеир емкости есть миллиметр индуктивности.
М все это в конце концов образует контур.
И поэтому только на резонансе этого контура вдруг лампочка горит.
И что такое выходной каскад с защитой от перегрузки ты знаешь.
А вот что такое электронный парамагнитный резонанс- не знаешь и в руках не держал.
Иди, бабе своей к восьмому марта розетку привинти наконец. 😳

_________________
я плохого не посоветую


SergeyA | Post:234728 - Date: 07.03.10(18:47)
IgorVas Пост: 234707 От 07.Mar.2010 (17:59)
to SergeyA
Если "первичку" намотать на 1/3 тора, то резонанс примерно 14-15 мГц.
А если на 3/4 то 8 мГц... А обмотка чуть не втрое больше.
Нихрена не понимаю.

Первичка не так важно, как и в трансе Теслы. Основной осцилятор - вторичка. Обметываением изменяются остальные параметры, может емкость меняется межвитковая, может еще что.... Но способ возбуждения предложен интересный.

valeralap | Post:234731 - Date: 07.03.10(19:09)
dedivan | Post: 234727 Иди, бабе своей к восьмому марта розетку привинти наконец. smile

Торопишься и проявляешь излишнюю агрессию в отношении меня, что тут не так!? Ты определенно выполняешь какой то заказ. Я тебе все меньше доверяю ты очень корыстный и хитрый. Я делал твой транс на кольцах и сравнил его с тесловским на феррите у тесловского параметры по добротности намного выше. И что бы как то твой применить он служит у меня вч дросселем. Так что ты сильно не раздувайся от важности своего опыта. Перестань меня задирать дешевыми приемами я и так понимаю, что ты плохо дышишь в мою сторону. Мне откровенно надоела твоя поносная фамильярщина! Ты по сути никто, а у меня выложена настоящая фамилия и имя. И попробуй хоть раз сказать в мою сторону, что нибудь непристойное. Тем более задевать мою семью.

_________________
Чтобы слушать Иисуса Христа, нужно быть, хотя бы его апостолом!


IgorVas | Post:234735 - Date: 07.03.10(19:17)
Люди.. опомнитесь!
Откуда в нас столько злобы?
Ведь мы вместе живем на одной планете...


Виталя | Post:234756 - Date: 07.03.10(22:16)
IgorVas Пост: 234735 От 07.Mar.2010 (19:17)
Люди.. опомнитесь!
Откуда в нас столько злобы?
Ведь мы вместе живем на одной планете...


Блин, действительно, впечатление такое, что "братва" скоро начнет друг другу "бить по лицу".

_________________
С ув. Виталий.


mikesh | Post:234815 - Date: 08.03.10(00:32)
с сожалением должен констатировать, что обычно, в таких местах, при появлении важной и достоверной информации, появляются люди на зарплате, которые добавляют флуда или иной активности (вплоть до организации народа вокруг себя, как вокруг лидера), с целью недопустить развитие событий по наиболее вероятному руслу. Я не параноик, не склонен поддерживать темы "нас всех тут пасут" и тд, но с данными служивыми мне сталкиваться пришлось не раз, очно, многие из них откровенничали в кулуарной обстановке, правда это касалось не альтернативной энергетики, но это мало что меняет. Я конечно могу поверить, что здесь просто столько неспокойного народа, но не могу поверить, что он весь активизируется в одно время как по команде.

Ну и естественно всегда хватает просто народа резкого на ответы. Это почти нормально. Такой подхватывает настроение и понеслось. В закваске все это образует нечто непотребное. Единственное разумное решение в таких ситуациях - игнорировать все то, что не интересно лично и те сообщения, которые не несут полезной информации. Или обсуждать все на тихих форумах, где за такое поведение идет немедленный отстрел. Что я и стараюсь делать.

А за эксперимент с катушкой из меди, IgorVas'у и Валере спасибо. Может там все и по классике, но лишний момент для размышлений (в том числе и о ней, о классике 😀 это дает. Покрутим, посмотрим.

frz | Post:234828 - Date: 08.03.10(01:51)
mikesh Пост: 234815 От 08.Mar.2010 (00:32)...Я конечно могу поверить, что здесь просто столько неспокойного народа, но не могу поверить, что он весь активизируется в одно время как по команде....

А что в этом удивительного? Просто весеннее обострение. Все мы здесь немножко не того.

[ссылка]
Личко А.Е. – Обозрение психиатрии и медицинской психологии имени В.М. Бехтерева Санкт-Петербург:
".........Э. Кречмер описал 3 вида паранойи: паранойю борьбы (например, сутяжный бред), паранойю желания (например, изобретательство вечного двигателя)........."

[ссылка]
Проблема паранойи
Глава IV. О нозологической квалификации диагностически неясных бредовых психозов эндогенной группы и проблема паранойи
".........Основная (но не единственная) отличительная особенность описанной психопатологической симптоматики.......... — это бред изобретательства........... Следует отметить, что в идеях изобретательства (создание вечного двигателя) преобладала мечтательность, альтруизм, а не элементы «напора», борьбы за признание своих открытий. Речь скорее может идти не о «паранойе борьбы», а о «паранойе желания». Теми же свойствами отличаются и наблюдавшиеся у больного сверхценные идеи ревности. Необходимо подчеркнуть и некоторые другие явления, тесно связанные с уже указанными выше особенностями статуса: во-первых, выраженный инфантилизм, сказывающийся не только в склонности к фантазированию, но и в детскости поведения, а во-вторых, частичная одаренность (техническая), проявившаяся в ряде практически ценных рационализаторских предложений........."




civil | Post:234832 - Date: 08.03.10(03:43)
frz Пост: 234828 От 08.Mar.2010 (01:51)
mikesh Пост: 234815 От 08.Mar.2010 (00:32)...Я конечно могу поверить, что здесь просто столько неспокойного народа, но не могу поверить, что он весь активизируется в одно время как по команде....

А что в этом удивительного? Просто весеннее обострение. Все мы здесь немножко не того.

[ссылка]
Личко А.Е. – Обозрение психиатрии и медицинской психологии имени В.М. Бехтерева Санкт-Петербург:
".........Э. Кречмер описал 3 вида паранойи: паранойю борьбы (например, сутяжный бред), паранойю желания (например, изобретательство вечного двигателя)........."

[ссылка]
Проблема паранойи
Глава IV. О нозологической квалификации диагностически неясных бредовых психозов эндогенной группы и проблема паранойи
".........Основная (но не единственная) отличительная особенность описанной психопатологической симптоматики.......... — это бред изобретательства........... Следует отметить, что в идеях изобретательства (создание вечного двигателя) преобладала мечтательность, альтруизм, а не элементы «напора», борьбы за признание своих открытий. Речь скорее может идти не о «паранойе борьбы», а о «паранойе желания». Теми же свойствами отличаются и наблюдавшиеся у больного сверхценные идеи ревности. Необходимо подчеркнуть и некоторые другие явления, тесно связанные с уже указанными выше особенностями статуса: во-первых, выраженный инфантилизм, сказывающийся не только в склонности к фантазированию, но и в детскости поведения, а во-вторых, частичная одаренность (техническая), проявившаяся в ряде практически ценных рационализаторских предложений........."



не секрет, что изобретают чудики да безумцы...

Ieronim | Post:234833 - Date: 08.03.10(04:09)
вашу мать

Ieronim | Post:234834 - Date: 08.03.10(04:09)
арестовали

valeralap | Post:234835 - Date: 08.03.10(04:54)
Алена, с праздником!... Прикрепляю музыкальный подарочек, очень редкая вещь начала 60 годов.
2d9e37.rar
Размер: 968.75 KB

_________________
Чтобы слушать Иисуса Христа, нужно быть, хотя бы его апостолом!


Ieronim | Post:234836 - Date: 08.03.10(05:18)
да, кстати, Besame Mucho, много всяких педро исполнили,
но в исполнении The Beatles!

YouTube: Смотреть видео


для Вас, с праздником Алена!

Eduard | Post:234837 - Date: 08.03.10(05:48)
Ieronim Пост: 234836 От 08.Mar.2010 (05:18)
да, кстати, Besame Mucho, много всяких педро исполнили,
но в исполнении The Beatles!

Очень жаль... но это фейк... Битлов я знаю вдоль и поперек.

PS. И помнится, они действительно исполняли Бесаме Мучьо, но вот где и когда - уже не вспомню.

_________________
И мню аз яко то имать быть, что сам себе всяк может учить.


Ivan | Post:234838 - Date: 08.03.10(05:52)
Алёне
YouTube: Смотреть видео

С праздником!😎
YouTube: Смотреть видео

🤢

_________________
Наука – это несомненное сумасшествие, занятое классификацией своих собственных галлюцинаций. Поэтому не удивительно, что люди науки отвергают исследования, которые считают чужими галлюцинациями. Амиель


valeralap | Post:234839 - Date: 08.03.10(07:18)
Eduard | Post: 234837 Очень жаль... но это фейк... Битлов я знаю вдоль и поперек.

Ieronim | Post: 234836 да, кстати, Besame Mucho, много всяких педро исполнили,
но в исполнении The Beatles!


Не ребята с вами точно не будет скуки. Не черта вы не знаете! это играет Flash - Autumn leaves Все диски Битлов с плакатами вкладками притом фирменные у меня есть. За все время, что они у меня хранятся, один раз делал запись с вертушки высочайшего класса. Есть также редчайшие исполнения Битлз которые официально не издавались. Эти концерты Битлз делали как благотворительные. Besame Mucho есть в вариантов сорок, не меньше. При всем уважении к Битлам но это не их исполнение.😏
😎 😎 😎 😎 😎 😎 😎 😎 😎 !....

_________________
Чтобы слушать Иисуса Христа, нужно быть, хотя бы его апостолом!


IgorVas | Post:234842 - Date: 08.03.10(09:05)
Вот нашел "первоиточник", так сказать..
[ссылка]
И далее еще 2-3 страницы.
Если кому интересно.
Все сказанное там Валерой подтверждаю - проверено мной на 100%.

vodoprovodchik | Post:234851 - Date: 08.03.10(12:07)
Народ - брек!!!
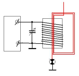
Тек..с... вот привёл в порядок рисунок. Это более близко к пониманию схемки радиоспецами.
Конечно тут есть "айн момент" - это "суммирование" ВЧ-МП с процессами в металле (индукционным током).
Когда,т ...уже умел держать паяло- (а это те кто уже паяли усилки на ГУ50), то ради интереса опускали в контур передатчика безопасную бритвочку - и она раскалялась. По ней судили о мощности выхода каскада.

Вод.



Размер: 13.00 KB

Виталя | Post:234855 - Date: 08.03.10(12:45)
vodoprovodchik Пост: 234851 От 08.Mar.2010 (12:07)
Народ - брек!!!
Тек..с... вот привёл в порядок рисунок. Это более близко к пониманию схемки радиоспецами.
Конечно тут есть "айн момент" - это "суммирование" ВЧ-МП с процессами в металле (индукционным током).
Когда,т ...уже умел держать паяло- (а это те кто уже паяли усилки на ГУ50), то ради интереса опускали в контур передатчика безопасную бритвочку - и она раскалялась. По ней судили о мощности выхода каскада.

Вод.


"Чудеса", помалу "находят своё место в жизни".
MSN, вот Вам ещё один кандидат в победители, vodoprovodchik. Открывайте тему: "ГРОХНУТЫЕ" установки (устройства...).

_________________
С ув. Виталий.


MSN | Post:234858 - Date: 08.03.10(13:06)
Виталя, а причем тут предположения Вода ? И что он нового сказал ? Я например ничё не понял из его поста. Ну нагревается металл в контуре за счет вихревых токов, и что ? Известный факт. Причем это к свечению лампочки по схеме Игоря ? Там просто хитрый резонансный контур-длинная линия получился... Кстати попробовал-бы Игорь вместо внутренней намотки вставить какой нить пруток меди или люминия вставить, было бы больше данных для анализа. Сам бы давно проверил, но мой Г4-116 имеет выход всего 0,5В на 50 Омах...

_________________
Говорите говорите, я всегда зеваю когда мне интересно. 99,9% всех СЕ устройств, - от неправильных измерений


IgorVas | Post:234860 - Date: 08.03.10(13:24)
Ну не вопрос.Завтра и проверю,а сегодня 8 Марта, плавно переходящее в знакомство
с родителями невесты сына...
Если жив буду после этого😬 .
Да и вся аппаратура на работе.

MSN | Post:234866 - Date: 08.03.10(13:55)
to IgorVas а намотать можно на люминивую или медную трубку подходящего диаметра, только для чистоты эксперимента в ней нужно будет сделать продольный пропил, чтобы не споймать вихревые токи по Воду 😀

_________________
Говорите говорите, я всегда зеваю когда мне интересно. 99,9% всех СЕ устройств, - от неправильных измерений


Виталя | Post:234867 - Date: 08.03.10(14:13)
MSN Пост: 234866 От 08.Mar.2010 (13:55)
del


Ну, если я правильно понял, Водопроводчик "показал", Валерию Иосифовичу и нам, что его (Валерия) ХТ, это - радиопередатчик (генератор+первичная катушка) и радиоприемник (лампочка+вторичная катушка), собранные в единое целое и настроенные на резонансную частоту. Со всеми вытекающими последствиями.
Но, я не имею морального и физического права (ввиду недостатка знаний), что либо утверждать.

_________________
С ув. Виталий.


vodoprovodchik | Post:234912 - Date: 08.03.10(17:37)
MSN ...
Не, нового нету...просто обобщение и предположения...
........................................

На рисунке контур . Народ рисует МП такого контура как тороид , но на самом деле это не совсем правильно . Наибольшая концентрация энергии наблюдается " по обрезу" конструктива (обозначено оранжевым кругом). В этом месте раскаляется бритва или тигель , или вообще любой кусок металла любой конфигурации. В целом этот участок можно представить как часть реактора...Оч. похоже на "внезапно" затёртую установку олега /джана 😏 ...но там был другой принцип.
Здесь же идёт раскачка кристаллической решотки вводимого материала температурой ВЧ + ВВ энергией.
Определить , что именно тут идёт максимум энергии можно простой петлёй/индуктором...Думается , что особо мощная установка тут не требуется,,,ну ватт 10 понадобится для уверенной проверки...

Теперь, если в качестве подобной катушки используется кольцо. МП такого транса идёт по сердечнику и тут действительно МП имеет вид "бублика" и в таком бублике максимум МП - это в середине(конкретно - В ДЫРКЕ !) , а на краю(внешнем) его практически нет. Ввод петли или стержня, или трубки в центр такого кольца/сердечника не приводит к КЗ МП -этого сердечника. Энергия, снимаемая в этом случае равна максимуму энергии закачки...т.е. ток - дикий а вот напруга мизерная, это оччень хорошая согласовка для установки прямого электрогидролиза воды , однако,ж нету пока таких ВЧ диодов (с диким током)...
Это к тому , что использовать подобный конструктив для поиска СЕ как то не катит - т.к. в нём нет ВВ напруги. А если просмотреть любые подобные устройства "СЕ" то наличие ВН обязательно везде...(вроде как бы 😏 ).
Вод.
Фсё...пойду - покручу катушки...



Размер: 21.79 KB

<] [ 1 | ... 149 | 150 | 151 | 152 | 153 | 154 | 155 | 156 | 157 | 158 | 159 | 160 | 161 | 162 | 163 | 164 | 165 | 166 | 167 | 168 | 169 | ... | 193 ] [>
У Вас нет прав отвечать в этой теме.
Форум - Резонансные генераторы - Прочие резонансные генераторы - Как намотать ХТ и БХТ - Стр 159
🏠 Главная | 📚 Содержание | 💬 Форум | 📁 Файлы | 📩 Контакт