[ВХОД]
15.04.26(11:08)

mob.skif.biz

Альтернативная энергия. Оставь надежду, всяк сюда входящий...

🏠 Главная | 📚 Содержание | 💬 Форум | 📁 Файлы | 📩 Контакт
 
Резонансные генераторы
Магнитные генераторы
Механические центробежные (вихревые) генераторы
Электростатические генераторы
Водородные генераторы
Ветро- и гидро- и солнечные генераторы
Прочие идеи (разные)
О форуме
Транспорт
Оружие
Научные идеи, теории, предположения...
Экономия топлива
Коммерческие вопросы
Струйные технологии
Торсионные генераторы
Новые технологии
Барахолка
Патентный отдел
Конструкторское бюро
Нейтронная физика
Торнадо и смерчи
Гравитация и антигравитация
Сделай сам. Советы.
Медицина и здравоохранение

🖥️ | 🖨️

Форум - Транспорт - Летательные аппараты (UFO) - Создаем АЛА - Стр:5
<] [ 1 | 2 | 3 | 4 | 5 | 6 | 7 | 8 | 9 ] [>
Модератор: Voron
Первый пост темы: Voron Post: #19118 От:03.02.2006 (08:04)
Приветствую друзья!!!
Так как на MATRIXe с великодушия DL была закрыта ветка АЛА и было предложено открыть её на Скифе...хочу последовать совету и открыть незамедлительно её именно здесь... 😁

Продолжим работу...?
laborant | Post:22063 - Date: 09.03.06(15:31)
...
Вот кстати ответ для laborant, утверждавший на www.testatika.com что от катушки зажигания и 10 киловольт проблематично. 8 см промежуток - однозначно на 100 кв (и больше) тянет.


В качестве примера:
1. Собрал простейший генератор на 1 транзисторе.
2. Подцепил к нему строчник со стандартной вторичкой.
3. После строчника поставил выпрямитель.
3. Взял стандартный измерительный прибор на 3кВ постоянки. Измерил. Показания дали цифру в размере 2,8 кВ.
4. После проведения измерений подцепил к строчнику умножитель 9/27, при растоянии между проводками (с острых концов) порядка 5-7 сантиметров по воздуху пробивает очень даже лихо.

Ну неужели у меня после 2,8 кВ на входе одного множика 9/27 (трехкратное умножение) на выходе будет 80-100 кВ? Скорее это будет 2,8*3=8,4 кВ.
А что касается расстояния пробоя, то да, есть такие справочные данные как:
[ссылка]
[ссылка]
[ссылка]

да, согласно этим таблицам 100кВ - это пробой с острия с расстояния до 200 мм. (c шаров 45 мм.а с плокостей 36,7 мм.) , а 80 мм (8 см.)это между 40 и 100 кВ (промежуточных данных в тех таблицах к сожалению нет), но на мой взгляд это слабый показатель. Все зависит от формы электродов, влажности, давления... может еще чего.

Все надо мерить.

2Sergh
Ведь делитель напряжения - это не сложно.
Сделай себе измерительный прибор да и меряй на здоровье.
Я вот тоже все хочу мерялку хотябы до 100кВ сделать, да то резисторов подходящих нет, то деньги кончились.

И еще на форуме [ссылка] есть пара тем по этим катушкам (да и по мерялкам). На старом форуме инфы больше было правда. Там есть с кем побеседовать и сейчас.
На "флибяке" тоже кажись про это обсуждалось.
С уважением. 😀

Sergh | Post:22064 - Date: 09.03.06(15:44)
У меня ПОМЕРЯННЫХ 4 кв постоянки пробивает 3 мм.
Соответственно, если предположить что зависимость линейная, то 80 мм = 106 кв.
С катушки зажигания частота импульсов очень низкая, почти постоянка.

Расстояние надо мерить линейкой от края до края, я вот тоже пока линейкой не померил думал что, как у того рыбака, искра от-такаая, сантиметра 3, померил - всего 1,5 см 😁

laborant | Post:22071 - Date: 09.03.06(16:28)
У меня ПОМЕРЯННЫХ 4 кв постоянки пробивает 3 мм.

Сегодня проверю свой агрегат на самодельном разряднике с регулируемым зазором.

Соответственно, если предположить что зависимость линейная, то 80 мм = 106 кв.

Ох-хо-хо.

Расстояние надо мерить линейкой от края до края, я вот тоже пока линейкой не померил думал что, как у того рыбака, искра от-такаая, сантиметра 3, померил - всего 1,5 см :D


Так вот я и про это тоже пытался сказать: те товарищи которые, пишут про искру как ее меряли? Я совершенно не уверен, что их измерения были не "на глазок".

Так все-таки 3 мм или 1,5 см? 😀

Sergh | Post:22074 - Date: 09.03.06(16:48)
1,5 см - это в итоге от моей непеределанной катушки зажигания при питании 12в генератора на ГТ701 почти по схеме valeralap (в этой теме страницей выше).
Тут один чел рядом рассказывал что они многоискровую систему зажигания делали, коммутировали переделанную катушку зажигания тиристором, питание на тиристор от вторичного преобразователя 300 вольт, там искры побольше получались.
3 мм - это от генератора на маленьком строчнике, с однополупериодным выпрямителе на КЦ106Г, и кондерами для сглаживания пульсаций.
Измерительный делитель на высоковольтном резисторе 330 МОм + 1 МОм.

FindZimorodok | Post:22084 - Date: 09.03.06(18:14)
//

_________________
"Тысячами незримых нитей обвивает тебя Закон. Разрубишь одну-преступник. Десять-смертник. Все-Бог!".


FindZimorodok | Post:22086 - Date: 09.03.06(18:33)
laborant,
Соедините (V и землю),после строчника добавьте кап, еще одну ступень умножения поимеете.

_________________
"Тысячами незримых нитей обвивает тебя Закон. Разрубишь одну-преступник. Десять-смертник. Все-Бог!".


ARG | Post:22104 - Date: 09.03.06(22:05)
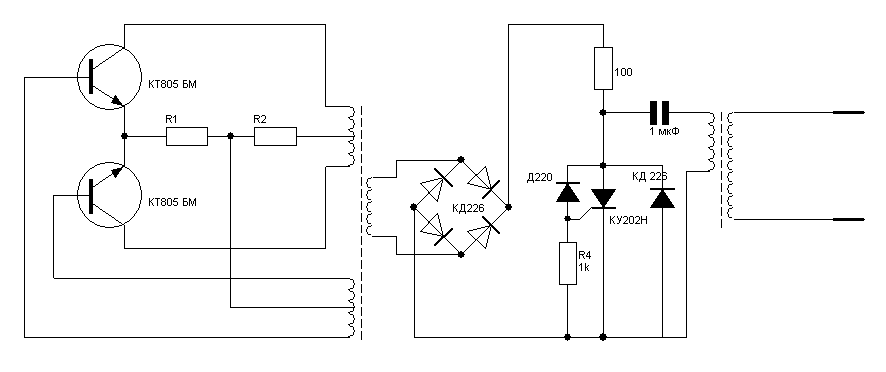
Схема преобразователя очень проста, первая ступень двухтактный автогенератор с индуктивной связью, вторая тиристорный релаксатор. Были опробованы разные схемы генераторов первой ступени, остановился именно на этой, по соотношению скорость зарядки-потребляемый ток. Транзисторы из тех что у меня тогда были, оказались наилучшими именно КТ805, они имеют достаточно малое напряжение насыщения и высокую, для этой схемы, граничную частоту. Диоды в выпрямителе работают до частоты 50 кГц, я рассчитывал генератор на 30 кГц. Тиристор запускается от аналога высоковольтного стабилитрона, выполненого на диоде Д220 в обратном включении. Производил подбор по максимуму напряжения, можно и 2 последовательно включить.
Ну что еще? Высоковольтная катушка - катушка зажигания от какого то автомобиля, скорее всего ГАЗ-53, но точно не знаю. Карболитовая крышка была сломана, поэтому я вытащил катушку, положил в бензин, чтобы вымыть остатки масла, затем несколько дней сушил на ярком летнем солнце. Далее удалил низковольтную обмотку, намотал новую, проводом ориентировочно 0,63, на половину длины катушки. Концы закрепил, затем в большой консервной банке расплавил чистый пищевой парафин, опустил туда катушку, выставил температуру легкого, без потемнения парафина, кипения. Подержал минут 20, чтобы пропиталась. Остывала прямо в парафине, вытаскивал из почти застывшего. Это связано с одной очень неприятной особенностью парафина, он дает очень большую усадку при остывании. Вообще это была головная боль, эта усадка. Может и стоило залить ее трансформаторным маслом, но дело в том что парафин - один из самых лучших пропиточных материалов по напряжению пробоя. Вобщем маслом не пробовал.
Трансформатор первого генератора был намотан на броневом ферритовом сердечнике марки М2000НМ, диаметром примерно 30мм.
Промежуток пробоя был 80мм, зафиксированно точно, так как электроды были жестко закреплены.
Нужно иметь ввиду одну собенность. Нельзя слишком далеко разводить электроды! Будут происходить пробои внутри катушки, несколько таких пробоев - и вы будете заново пропитывать катушку, а то и менять ее...
Пробивало и до 120мм, при емкости накопительного конденсатора 4 мкФ, но потом менял катушку. 😁
Первый преобразователь рассчитывается по стандартной методике, если лень вручную, используйте мою программу, она за вас рассчитает.
Вроде все.

Преобразователь
Размер: 6.40 KB

_________________
_____________________________________ Чудеса не противоречат природе. Они противоречат нашим знаниям о природе. Ф. Бэкон


laborant | Post:22113 - Date: 09.03.06(22:42)
Блин, что такое не везет и как с этим бороться.
Была у меня рабочая схема настроенная на работу в 2 кВ после двухполупериодного выпрямителя на КЦ106Г. Сегодня тыркнулся: не работает, еле искорки махонькие на выходе. В чем думаю дело? Отсоединил выпрямитель: появилась корона вокруг кончиков проводков от вторички. Наверно выпрямитель сдох. Так вот без выпрямителя и без кондера стабильная дуга при поднесении проводков возникает на расстоянии 1 см (ну а дальше конечно и растянуть можно). Искровик подсоединил. Дуга стабильно возникает на 9-10 мм. Но это не постоянка же там килогерц 25-30 должно быть точно.
Блин а как фотку прицепить?
Ну так вот если без выпрямителя то на корень из 2-ух напряжение меньше? А сантиметр в дуге есть без растягивания. А корона появляется до возникновения дуги миллиметров за 12-15.
Извиняюсь, что так скомканно все получается. Диодов прикуплю продолжу сфоткаю покажу. Да генератор щас другой делаю на 555 микросхеме с регулировкой частоты/напряжения переменным резиком.

FindZimorodok | Post:22119 - Date: 10.03.06(00:20)
//

_________________
"Тысячами незримых нитей обвивает тебя Закон. Разрубишь одну-преступник. Десять-смертник. Все-Бог!".


Eduard | Post:22131 - Date: 10.03.06(05:21)
Как не вставить свои две копейки. Я собирал на строчнике + кт808а, на выходе импульсы до 10 кв, померить точнее конечно проблема. Регулируется частота от 2 до 20 кгц, длительность импульса (не помню сколько) и напряжение оконечника до +25в. Дуга зажигается где-то 15 мм на переменке. Далее идет умножитель 12 шт. кц106г и самодельные кондеры по 450 пф, все в парафине (или стеарине, хз), сверху пластиковая коробка, сверху коробка из оргстекла, со стороны концов залито прозрачным силиконовым герметиком. У умножителя выводы скругленные диаметром 6 или 7 мм, чтобы надевать ВВ провода от зажигания. Расстояние между выводами 80 мм, на полной раскачке стреляет как пулемет. Расчетное напряжение 60 кв, реально неизвестно. Но кц106г рассчитаны на 10 кв, так что на 6 ступенях должно быть 60, ну максимум 70. В первый раз сдох 808 при невыясненных обстоятельствах, второй раз он же при долгом (20 минут) питании 11-ваттной УФ лампочки для купюр.

Из старого строчника от ЧБ ТВ выжимал длину искры до 30 мм, когда занимался Кирлианом. Кондер 0.47 мкф 400 в через тиристор ку202н на первичку 8 витков 0.8. Поджиг транзистором п416 в лавинном режиме, работала и тиристороподобная сборка на транзисторах разной структуры. Пока к фотопластинке подходил один провод, никаких ощущений от разрядов. Потом для увеличения силы разряда к другому проводу подсоединил паяльник, висящий на стене. Долбануло, мать перемать 😀 опыты прекратил. (на снимках ничего интересного не получилось, хотя и красиво).

Про резистор - да, проблема. Варианты - подстроечник от фокусировки от старых 3усцт или УПИМ - 68М, рассчитан на 10 кв. Еще я обнаружил, когда пытался пробивать ферритовые магниты, что искры добиться не удается, а только слабенькие голубые разрядики, и никак не выжать никакого эффекта, даже на 60 кв. У меня есть длинные ферритовые магниты длиной около 4 см на 4х5 мм от головных телефонов, если не ошибаюсь, ТДС7 изодинамических, так вот, если понадобится ВВ резистор, пожалуй, изготовлю из нескольких магнитов. У одинаковых на вид магнитов разное сопротивление. Тестер показал у одного около 20 мег, а у некоторых вообще не обнаружил, т.е. больше 200 мег. Угольные резисторы длиной 30 мм на 4.7М пробивались прямо по краске 😀 А ото ж - высоковольтные...

Суньте постоянку в растительное масло - оно приходит во вращение! Если острие торчит из масла, с него хреначит тонкая струйка прямо на парадный пинжак! 😀 Расплавленная канифоль у одной пластины понижается, у другой повышается! Вот сколько пищи для размышлений.

С уважением.

_________________
И мню аз яко то имать быть, что сам себе всяк может учить.


Ivan | Post:22443 - Date: 14.03.06(00:18)
:)

_________________
Наука – это несомненное сумасшествие, занятое классификацией своих собственных галлюцинаций. Поэтому не удивительно, что люди науки отвергают исследования, которые считают чужими галлюцинациями. Амиель


ResuscitatoR | Post:22495 - Date: 14.03.06(16:13)
Летающую тарелку уже запатентовали
[ссылка]

FindZimorodok | Post:22497 - Date: 14.03.06(16:18)
//

_________________
"Тысячами незримых нитей обвивает тебя Закон. Разрубишь одну-преступник. Десять-смертник. Все-Бог!".


ResuscitatoR | Post:22499 - Date: 14.03.06(16:35)
FindZimorodok, Нет, я не рекламщик, но думаю, что эта информация будет полезна тем, кто готовит 30 тыс Уэро на патентование. Думал помогу людям не тратить деньги. Вам, впрочем это не грозит, я полагаю.

FindZimorodok | Post:22504 - Date: 14.03.06(17:53)
ResuscitatoR,
Вы сами ее открывали из своего поста? Когда вываливает на главную страницу вместо нужной ссылки, и так во всех темах, где этот адрес вы оставили. Это просто раздражает, вот и все, не хотел обижать вас :oops: .

_________________
"Тысячами незримых нитей обвивает тебя Закон. Разрубишь одну-преступник. Десять-смертник. Все-Бог!".


relikt | Post:22553 - Date: 15.03.06(12:18)
во как!
[ссылка]

_________________
...без шума и пыли...


igorb4 | Post:22554 - Date: 15.03.06(12:28)
Нет, я не рекламщик, но думаю, что эта информация будет полезна тем, кто готовит 30 тыс Уэро на патентование. Думал помогу людям не тратить деньги. Вам, впрочем это не грозит, я полагаю.
Дак что там было-то? Хоть название статьи какое было?
во как!
Вертолёт новой конструкции. :P

ResuscitatoR | Post:22778 - Date: 17.03.06(19:24)
Летающую тарелку уже запатентовали

Корреспондент.net
13 Марта 2006, 13:39

Британский студент обнаружил патент на "летающую тарелку", выданный Европейским патентным бюро (EPO).



Документ 1973 года признает идею дискообразного космического корабля, который потребляет энергию термоядерного синтеза, интеллектуальной собственностью лондонской компании Jensen and Son, а непосредственным изобретателем назван инженер Чарльз Осмонд Фредерик.

Как следует из текста патента, корабль разрабатывался по поручению British Railway, государственной транспортной компании, и предназначалось для транспортировки пассажиров. В заявке детально описываются термоядерный двигатель, использующий лазеры для разогрева плазмы, схема по поддержанию искусственной гравитации и внутреннее устройство пассажирского салона.

Найденный документ прокомментировали в Европейском космическом агентстве (ESA). По словам инженеров, летательный аппарат, устроенный таким образом, не может быть построен - по крайней мере потому, что методы проведения управляемой термоядерной реакции пока недоступны, а аэродинамические свойства корабля вызывают возражения у специалистов. В свою очередь, в Министерстве транспорта заявили, что в настоящее время не планируют использовать атомные "летающие тарелки" в качестве транспортного средства.

По материалам Lenta.ru


Простите, у меня с поста открывается.

Ivan | Post:22813 - Date: 18.03.06(22:20)
Привет!
Проверил схему Негоро ещё раз, но максимально уменьшил размеры.
Взял фольгу, наклеил на полукруглый кусочек пенопласта. Толстой проволокой продавил углубления в фольге, а потом воткнул тонкую проволочку в углубления вертикально и обрезал ножницами.Получилось кривовато, конечно. Сделал 3 ряда углублений фрактально, со сдвигом углублений в каждом ряду на полшага. Сверху пенопласт покрыл клеем, чтобы проволочка не выпадала. Получилась пластинка: 6-7 мм на 30 мм. Под фольгу засунул длинный проводок горизонтально, чтобы подавать на него статику.
Подвесил горизонтально на весы и подносил натёртую плёнку ( статика)сбоку.
Пластинка при поднесении к проволочке заряженной плёнки ( не хотел подносить прямо к пластинке- так неясен эффект) поднималась и держала высоту до тех пор, пока касалась плёнки. Если плёнки не касалась, то начинала лихо крутиться и при прохождении рядом с плёнкой поднималась вверх. Причём пластинка крутилась по оси и поднималась, но не опрокидывалась :P .
Попробую сделать 2-3 пластинки и связать их вместе.

_________________
Наука – это несомненное сумасшествие, занятое классификацией своих собственных галлюцинаций. Поэтому не удивительно, что люди науки отвергают исследования, которые считают чужими галлюцинациями. Амиель


Ivan | Post:22825 - Date: 19.03.06(02:06)
Сделал ещё 2 таких же Н. и приклеил на дно пенопластовой тарелки в виде 3 лучевой звезды. Тарелка поднимается очень мало, зато очень резво вращается.
Закрепил тарелку проволокой жёстко на весах, чтобы не вращалась. Начали вертеться весы. Подьём- мин.
Отодрал 1 Н., оставил только 2. Тарелка проворачивается и устанавливается так, чтобы плёнка со статикой находилась в углу между Н. и позади, т.к. тарелка отталкивается. При поднесении раструба плёнки тарелка залетает в него.
Интересен такой эффект: при поднесении полёнки очень близко к тарелке раздаётся сухой щелчок стат. разряда и тарелка отлетает вбок.
Вывод: ячейки действительно играют роль формирователей микровихрей, закручивающих воздух под Н. в вихрь.
Стр-ра Негоро не даёт прямую АГ, но создаёт стр-ру, поддерживающую образование и стабильное развитие вихря в воздухе, причём, по-моему, процесс под Н. вместе с развитием вихря должен нейтрализовать общий заряд за счёт подачи новых порций воздуха, в то время как над Н. поддерживается поляризация и за счёт этого- притягивание Н. к поляризованным молекулам воздуха вверху.

_________________
Наука – это несомненное сумасшествие, занятое классификацией своих собственных галлюцинаций. Поэтому не удивительно, что люди науки отвергают исследования, которые считают чужими галлюцинациями. Амиель


SAT | Post:22836 - Date: 19.03.06(10:00)
Ivan, неплохо было бы подать на иголки высокое импульсное напряжение, т.е повторить гениальный опыт валералапа с подсолнухом, но на более прогрессивном материале. Заодно можно будет и Резонанс использовать :wink:. Обрати внимание, наибольший эффект у него достигался, когда иголки смотрели вверх. И вихрь, вероятнее всего, не в воздухе, а в эфире.

SAT | Post:22838 - Date: 19.03.06(10:16)

Суньте постоянку в растительное масло - оно приходит во вращение! Если острие торчит из масла, с него хреначит тонкая струйка прямо на парадный пинжак!

Eduard, интересный опыт ! Но не совсем понятно, как нужно совать, откуда и куда струйка. Если не лень, дайте рисуночек. Мне кажется, из этого можно что-то путное сделать.(Путное к Путину не имеет отношения).(Шутка).

Ivan | Post:22856 - Date: 19.03.06(16:00)
SAT
Дык ксли бы был у меня этот импульсный генератор- мучил бы я свою лысину. Я бы уже, может, на работу летал.
Заказал я это дело, вот и жду...

_________________
Наука – это несомненное сумасшествие, занятое классификацией своих собственных галлюцинаций. Поэтому не удивительно, что люди науки отвергают исследования, которые считают чужими галлюцинациями. Амиель


relikt | Post:23113 - Date: 22.03.06(10:45)
Типа летает?
[ссылка]

_________________
...без шума и пыли...


n57 | Post:23173 - Date: 22.03.06(22:17)
Сегодня реально есть МТМ "НАДЕЖДА", которая для своего движения использует природный магнетизм. Она способна делать любые, управляемые человеком движения, опережать время в магнитном пространстве вселенной. На Земле эта машина может полностью заменить все транспортные средства широкого назначения. Следовательно, отпадет потребность в эксплуатации и дальнейшем строительстве железнодорожных и автомобильных дорог.
В технологическом процессе массового выпуска МТМ находится на уровне изготовления малолитражного автомобиля, с добавлением компьютерного процессора. А себестоимость МТМ диаметром 3-4метра, (с заложенной в нее энергией на 5-6 лет, для без прерывной работы) будет в 10-15 раз ниже, чем стоимость новой малолитражки.
??????????

<] [ 1 | 2 | 3 | 4 | 5 | 6 | 7 | 8 | 9 ] [>
У Вас нет прав отвечать в этой теме.
Форум - Транспорт - Летательные аппараты (UFO) - Создаем АЛА - Стр 5
🏠 Главная | 📚 Содержание | 💬 Форум | 📁 Файлы | 📩 Контакт