[ВХОД]
22.04.26(06:47)

mob.skif.biz

Альтернативная энергия. Оставь надежду, всяк сюда входящий...

🏠 Главная | 📚 Содержание | 💬 Форум | 📁 Файлы | 📩 Контакт
 
Резонансные генераторы
Магнитные генераторы
Механические центробежные (вихревые) генераторы
Электростатические генераторы
Водородные генераторы
Ветро- и гидро- и солнечные генераторы
Прочие идеи (разные)
О форуме
Транспорт
Оружие
Научные идеи, теории, предположения...
Экономия топлива
Коммерческие вопросы
Струйные технологии
Торсионные генераторы
Новые технологии
Барахолка
Патентный отдел
Конструкторское бюро
Нейтронная физика
Торнадо и смерчи
Гравитация и антигравитация
Сделай сам. Советы.
Медицина и здравоохранение

🖥️ | 🖨️

Форум - Магнитные генераторы - Магнитные генераторы - Генератор на бифилярных катушках без прямой индукции - Стр:11
<] [ 1 | 2 | 3 | 4 | 5 | 6 | 7 | 8 | 9 | 10 | 11 | 12 | 13 | 14 | 15 ] [>
Модератор: Vladislavbaginsky
Первый пост темы: Vladislavbaginsky Post: #172781 От:06.04.2009 (01:34)
Предлагаю изучить практически провереный, доступный и легко осуществимый принцип генерации энергии, опубликованный в статье изобретателя Зацаринина Сергея Борисовича, статья открыто публикуется с разрешения автора. Все опубликованное проверено и "работает". Нужно отметить для начинающих несколько важных моментов. Так как генерация осуществляется от "вторичной индукции середечника, то нет необходимости подводить магниты близко к магнитопроводу, как это стараются сделать обычно. Результат эффективности зависит от свойств магнитопровода, его петли гистерезиса и от тщательности уравновешивания левой и правой половины намотки, сбалансированности по массе левой и правой частей магнитопровода. Просьба всем, кто получит значимые варианты, с увеличенной эффективностью - писать сугубо по теме и выкладывать результаты в таком виде, чтобы их могли все легко воспроизвести. Т.е. указывать параметры магнитопроводов, и катушек, скорость вращения возбудителя, количество и размеры магнитов, их наименование(n42, n52 и т.п.). Просьба не засорять тему, чтобы она не раздулась в сотню страниц, где трудно потом найти важное. Конечно, возможны разные варианты исполнения магнитопроводов, катушек и т.д. и стоящие, проверенные идеи имеет смысл публиковать. Исходная статья автора прикрепляется в виде оригинального файла, доступного для копирования.
хотя данный файл уже опубликован в теме ХТ, считаю данную тему новой и важной для отдельного обсуждения. С уважением к всем участникам форума,
Владислав. 6 марта 2009г.
---------------------------------------------
То, что ожидается от участников форума сформулированнов в одном из следующих постов: Перед проведением эксперимента полезно составить таблицу, с необходимыми сведениями, как: размер, количество, градуировка магнитов, диаметр диска, где они закреплены. Желетельно знать мощность потребляемую устройством (ХХ) на преодоление потерь на трение при ожидаемых в эксперименте частотах вращения ротора. Необходимо конечно указать количество, размеры магнитопроводов, их марку, диаметре провода намотки, материал - алюминий/медь, количество слоев в каждой половинке обмотки.
Далее, в другую таблицу лучше всего собрать сведения при эксперименте- это могут быть - средний ток и напряжение от одного магнитопровода (количестов их желательно сделать равным количеству магнитов)под нагрузкой, которой может быть второй тестер. Отдельно можно указать напряжение холостого хода каждой бифилярной обмотки (полуобмоток от средней точки) для данных оборотов двигателя (вернее -вала вращателя) и дифилярной обмотки в целом. Представленные в таокм виде данные будут иметь действительно практическую значимость для анализа и возможного сравнения с данными других экспериментов, представленных в аналогичной таблице. Получаемые данные по подуобмоткам на холостом ходу, и особенно под нагрузкой - покажут тщательность сбалансирования обмоток по навивке и их симметричность относительно магнитопроводов.
Особое внимание при эксперименте надо уделить безопасности, поскольку при большой массе магнитов, радиусе их вращение и больщих оборотах вращателя -возникают очень большие ускорения порядка десятков и даже сотен G (можно посчитать). Надежное крепление магнитов для таких условий особо важно, можно использовать бандаж из многих витков крепкой капроновой нити. Есть основания написать, что указаная реализация принципа изготовления позволит экспериментаторам получить эффективность 10 : 1, а далее еще на порядок выше.
malval55 | Post:203640 - Date: 09.10.09(21:34)
mike Пост: 203533 От 09.Oct.2009 (10:50)
Да, пока с одной. Я думал насчёт 11 катушек, как у Мюллера, это проверю, но сначала с 1 катушкой надо получить максимальный результат. Во первых поменять материал сердечника-я напихивал 1 мм отрезки сварочной проволоки, даже отжигал их. Это несерьёзно, нужно нормальное железо. Пробовал пластины трансформаторные ножницами нарезать, но края получаются неровные и с круглым сечением катушку не сделаешь. Есть мысли ферритовую крошку с эпоксидкой смешать, но проницаемость?, потери ?((. Так что этот вопрос решается


у меня сейчас, к сожалению, нет возможности провести испытание с несколькими одинаковыми сердечниками, вот и пытался подвигнуть вас к этому.. очень интересно опытным путем проверить насколько увеличивает потребляемую мощность движителя один сердечник по сравнению с несколькими, при условии выбора кол-ва сердечников по указанным мной критериям.. не важно сейчас из какого материала сердечники, не нужны и катушки, важно, чтоб они были одинаковыми.. я получал небольшое превышение снимаемой мощности относительно увелечению потребляемой, но перекрыть увелечинение мощности от наличия сердечника не хватает.. вот и важно подтвердить или опровергнуть мысль о том, что при правильном выборе кол-ва сердечников прибавление мощности потребления движетелем в пересчете на один сердечник значительно уменьшится по сравнению с одиночным сердечником..

mike | Post:203689 - Date: 10.10.09(01:13)
Я ставил 11 сердечников, но были точки фиксации- из-за неровности приклеивания магнитов и расположения сердечников, хотя я очень старался точно сделать. Жаль, что не измерил потребление с сердечниками, но крутилось легче, чем с одинаковым количеством катушек и магнитов. Я использовал диск от харда, его размечал и клеем магниты приделывал, а сверлильный станок, которым я делал отверстия для катушек, немного гулял.Отсюда и все беды.
Поэтому нужно сделать ротор и статор как можно точнее на нормальных станках, чем и займусь в скором времени.Я не сомневаюсь, что в этом случае, при достаточной аккуратности изготовления от торможения за счёт сердечников можно будет избавиться, чисто геометрия работает.Даже на моём кривоватом диске было заметно улучшение по сравнению с симметричным вариантом. Незнаю что будет, если по мюллеру на сердечники намотать катушки и подключить нагрузку, скорее всего, также согласно ленцу произойдёт соответствующее торможение(во всяком случае с 11 воздушными катушками так и происходило). А вот с кз катушками должно быть интереснее)


volypok | Post:203692 - Date: 10.10.09(01:29)
trigan Пост: 196370 От 19.Aug.2009 (12:43)
Спасибо за патент. обратил внимание на сходство рис. 3 из патента и схемы высокочастотного трансформатора Теслы из его лекции о переменных токах высокой частоты и потенциала:
Koenig
Koenig
Размер: 8.35 KB
Tesla
Tesla
Размер: 13.05 KB

_________________
we the willing, led by the unknowing, are doing the impossible for the ungrateful. We accomplished so much with so little we are capable to do anything with nothing


malval55 | Post:204115 - Date: 13.10.09(16:47)
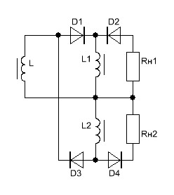
Многие, проделавшие опыты с генератором на бифилярных катушках (в том числе и я), отмечали "разгрузку" вращающего ротор двигателя при КЗ катушек.. Думаю, что это объясняется сдвигом фаз тока и напряжения ЭДС из-за индуктивного характера нагрузки при КЗ (нагрузкой при КЗ является собственная индуктивность катушек).. Обдумывая как использовать этт эффект, пришел к показанной на рисунке схеме.. на схеме L - соединенные последовательно катушки генератора, L1 и L2 - доссели способные без насыщения принять сгенерированную за полупериод энергию, Rн1 и Rн2 - разнесенная нагрузка (как ее объеденить пока не важно)..
при положительном полупериоде (+ на верхнем конце катушек генератора L) открывается диод D1 и L1 является нагрузкой генератора, накапливая энергию, а при отрицательном полупериоде эта энергия сливается в Rн1 через диод D2.. аналогичные процессы происходят и в цепи D3, L2, D4, Rн2 в противофазе.. (принцип обратноходового преобразователя, только не на импульсном напряжении, а на полупериодах синусоиды)
для катушек генератора нагрузка всегда индуктивная..
Хотел бы услышать мнение об этом форумчан..
----------------------------------------
это повтор поста 203457 от 8.10.2009
вопрос (особенно к электронщикам) остается - каким будет сдвиг фаз тока и напряжения в обмотке генератора L при таком включении нагрузки?
----------------------------------------------------------
Я не электронщик, но решил написать пару фраз, поскольу вижу, что поставлена задача не четко. 1. Нужно хотя бы указать что в катушках возникают синфазные колебания от "вторичной" индукции. вы рассуждаете о возможном сдвиге фаз при кз . , где индуктивностью служат сами катушки, но если рассуждать что катушки симметричны и одинаковы, при синфазных токах, то и сдвиг фаз и токов одинанов С ув Влад.


Размер: 10.23 KB

Vladislavbaginsky | Post:206221 - Date: 25.10.09(13:01)
В дополнение к mike | Post: 203689 - Date: Sat Oct 10, 2009 9:13 am
Нет торможения от установки магнитопровода, это установлено экспериментально , (см
Фото)- магнитопровод склепный их двух п –половинок феррита, используемого для старых ч-б телевизоров. Увеличения тока нагрузки при вращающемся диске с нагрузкой при стабильном напряжении питания от Б5- 47 не обнаружено, как при одностороннем, так и при двухстороннем варианте с двумя дисками, при расстоянии магнитвоот магнитопровода 10,5- 11мм . Этот пример уничтожает критику, домыслы и утверждения про необходимость затрат энергии на перемагничивание магнитопроводов в данной конструкции. В настоящее время я получил убедительные данные, подтверждающие утверждения автора статьи (см. файл в начале темы), при одностороннем подводе магнитов к диску количество вырабатываемой энергии с одного магитопровода в 2 – 3 раза и более - больше, чем дополнительная энергия, возникающая в цепи нагрузки вращающего двигателя, это получено даже без тщательности уравновешивания обмоток. К примеру, на 11 ватт снимаемой с магнитопровода мощности, при одностороннем подводе магнитов, увеличение потребляемой мощности было 4 ватта. это при не очень высоких оборотах, примерно 2500. Если же учесть, что при этом несколько падали обороты и уменьшалось аэродинамическое сопротивление, то реальное соотношение 11/4 можно еще несколько увеличить. Вполне понятно, необходима тщательная балансировка катушек без магнитопровода, с последующей установкой - переносом каркаса на магнитопровод, что, надо отметить никто из участников форума не делал.
Параметры нового двигателя HSM 150 великолепны, потребление на хх от 8 до 10 ватт в зависимости от направления вращения. Примерно при 3000 оборотов суммарные потери на вращение одного диска составляют около 20 -25ватт. Таким образом, даже при средних скоростях вращения при использовании 12 магнитопроводов можно получить примерно: 11x12 – 30 -48 (48 =увеличение нагрузки)=54 ватта избыточной, (свободной энергии, для данных оборовов, диаметре диска... Особо отмечу, есть возможность увеличения этого показателя при условиях тщательности балансировок отдельных катушек магнитопровода, добиваясь в идеальном случае- полного отсутствия торможения. Для увеличения этого показателя необходимо поместить вращающиеся элементы конструкции поместить в вакуумную камеру, поскольку диск вызывает на больших оборотах значительное аэродинамическое сопротивление.
При увеличении оборотов мощность вырастет, в квадратичной зависимости от оборотов и количества перемагничиваний. Конечно, можно увеличивать мощность путем увеличения количества вращающихся дисков, количестовм оборотов, магитопроводов и т.д.
Для варианта с двухсторонним подводом магнитов на дисках, в настоящее время еще не получено положительных вариантов, причины выясняются. К сожалению, не смотря на большой интерес к данной теме, и немалое количество посещений за прошедший период, только несколько энтузиастов потратили время и финансы на получение хоть каких то результатов. В справедливости данных, изложенных в начале темы, я не сомневался, и теперь, как считаю, экспериментально подтвердил их, не смотря на скромные материальные возможности. На этом тему можно было бы и закрыть, поскольку желающих проверять что либо экспериментально весьма мало,и вероятно, как показал уже прошедший период - не появится, однако, постепенно появятся новые идеи, конструкции, варианты решений, имеющие близкое отношение к данной теме. Желаю всем успехов на пути свержения господства и диктата продавцов энергоресурсов, сырья, на пути к использованию чистой, экологически безопасной энергии эфира. Влад Багинский. 25 окт. 2009




Размер: 109.10 KB

malval55 | Post:206238 - Date: 25.10.09(14:11)
я ценю ваши усилия, но думаю вы идете не верным путем.. судя по фото у вас сейчас зазор между сердечником и ротором порядка 40мм.. уменьшать мощность, затрачиваемую движителем ротора на перемагничивание сердечников, путем увеличения расстояния неразумно.. это как уменьшать усталость на работе за счет уменьшения выполняемой работы, к сожалению и оплата вам будет уменьшена.. вот и вы, увеличивая расстояние для уменьшения намагниченности сердечника магнитами ротора, уменьшаете наведенное МП на сердечник, которое и должно в катушках наводить ЭДС, тем самым уменьшая и снимаюмую мощность.. так просто уменьшите магниты, снизится масса ротора, меньше потратите на вращение..
-------------------------------------------------------------
Ув Виктор, Вы же не видите нижнего диска, вы видите верхний ,и то что я утверждаю замерено с точность 0,2мм Магнитопровод не закреплен , и чтобы его не притянуло выдвинут почти полностью за пределы диска, На фото кажется одно, на деле так как я утверждаю. Ваши сравнения оставляю без комментариев, уже подчеркивалось, что надо такое расстояние, когда не наступает насыщение сердечника, тут практика, эксперимент свое утверждает, это зависит от магнитов их свойств, размеров и т.д. Магниты, теперь намного меньше чем в первых опытах. Подробности имеющие коммерческий характер я не сообщаю по понятной причине, те кто имеют несравненно большие финансовые возможности не дожны пользоваться на шару, не вложив ни копейки. Речь не про вас. Специально для вас сделал доп. фото , надеюсь, вам видны миллиметры на линейке. с ув Влад


Размер: 112.06 KB

SEVER | Post:206843 - Date: 27.10.09(22:27)

...Параметры нового двигателя HSM 150 великолепны, потребление на хх от 8 до 10 ватт в зависимости от направления вращения. Примерно при 3000 оборотов суммарные потери на вращение одного диска составляют около 20 -25ватт. Таким образом, даже при средних скоростях вращения при использовании 12 магнитопроводов можно получить примерно: 11x12 – 30 -48 (48 =увеличение нагрузки)=54 ватта избыточной, (свободной энергии, для данных оборовов, диаметре диска...


Уважаемый Владислав!
А Вы получили самовращение используя часть избыточной энергии?
-----------------------------------------------------------------
Подсоединяем все магитопроводы последлвательно или как угодно посл - паралельно так чтобы на рабочем режиме напряжение было такое , чтобы отдавать в о внешнюю цепь и подзаряжать аккумулятор, Раскручиваем все от аккумулятора. и потом после вызода на рабочие обороты папарелим выход генератора с аккумулятором Туда же цепляем полезную нагрузку, все просто. Дело в реализации больших мощностей и более лучших технических решений. Дело не в том, что я видел, не спорю про этот факт, или что сделал или сделаю. Впереди идет эксперимент с подтверждением, сначала на одном потом на многих магнитопроводах и т.д. Работа по запмкнутому пути , сумма работ по замкнутому пути.... Одни делают , другие все ищут, коллекционируют, не хотят экспериментировать и вообще что - либо делать, чуть ли не технологию сборки подавай или дай готовый генартор мощи так киловатт на 50 и по цене дешевле ветряка без преоьразователей 12 -24 -220 батарей и т.д. С самого начала в исходной статье предлагалось проверить. Я проверил и это подтверждаю, кто захлчет = сделает то же. Цель поставлена и для меня лично выполнена. Все же другие поверят тогда, когда сами сделают, поскольку экрану =монитору верить не могут.

_________________
Намного проще о том пи...ть, чего ни кто не понимает.


SEVER | Post:206854 - Date: 27.10.09(23:46)
2 Vladislavbaginsky
-----
Подсоединяем все магитопроводы последлвательно или как угодно посл - паралельно так чтобы на рабочем режиме напряжение было такое , чтобы отдавать в о внешнюю цепь и подзаряжать аккумулятор, Раскручиваем все от аккумулятора. и потом после вызода на рабочие обороты папарелим выход генератора с аккумулятором Туда же цепляем полезную нагрузку, все просто...
-----

да не так-то это всё просто.
Боюсь, что Вы получили иллюзию доп. мощьности.
то, что АКБ прекращает разряжаться или даже начинает подзаряжаться, может свидетельствовать не только о притоке энергии на батарею, а ещё и о химических реакциях внутри АКБ.
подобную иллюзию СЕ я получал на схемах Бедини. в качестве АКБ была необслуживаемая батарея 12В 7Ач (из бесперебойника). так вот, у меня от неё мотор крутился неделю, а напряжение, через два часа после включения, выросло с 11В до 13,5 и так и держалось пока не отключил. ещё через неделю простого стояния на полке у АКБ закоротило две банки и распёрло её так, что корпус трещинами пошёл.
недавно выкинул.
используйте вместо АКБ конденсатор или ионистор и всё станет на свои места.
ни одна схема Бедини не заработала у меня на конденсаторе (ещё бы! ведь у кондёра обкладки переварить неполучается 😶).
-----------------------------------------------------------
Я вам привел одно из простых решений, вы же сами хотели один из вариантов самовращения. а для него надо сначала закрутить, а для этого нужен любой источник пост тока, тк. движок колекторный отн него пистается. Основной судья тут баланс мощностей на входе и выходе. Вращаете в вакууме - увеличиваете общий выход, если добиваетесь в идеале отсутствия торможения - также,, В самом простом случае, при намотке одинковой длины провода на два плеча магнитопровода получилось соотношение 4 к 11, т.е на увеличение потребляемой мощности 4 ватта прибавка 11ватт. Это приличный показатель. для вариатна , когда нет даже особых требований по уравниваю взаимной индукцуии в плечах магнитопровода. Для услввий вращения в вакумме 2 -3 магнитопровода уже даже при средних оборотах превысят потери хх. дял случая же повышенных скоростей вращения цже один магнитопровод способен выдать более 10 15 ватт!!! т.е превысить потери. В условиях ваккума потери хх двишателя еще меньше, поскольку в нем предусмотрена проачка воздуха для охлаждения. в этом случае нужно осуществить незначительный теплоотвод путем теплопередачи.
Имея источник пост. стабилизированного, тока достаточно мерять амперметром возрастающий ток при пост. напряжениие на движке. На этом пожалуй и все. Ошибки существуюшие при интепретации работ Других устройств , вырабатывающих импульсное или питающихся от импульсного напряжения - большая , отдельная тема, где критерием может служить новый закон формирования мошности открытый Канаревым Ф.М, но без глубокого понимани и изучения его сути, тем более в этой теме обсуждать его в данной теме не уместно. Есть другие форумы.

Далее, опять в теме наметилась тенденция очернить белое....Нет слов , дакие п- цы ка жониферы , сосиска 29 или еще там... типа козел 27 , имеющие подобные ники, и пишущие гадости в тему, будут по прежнему с легкостью удаляьться. В прошлом им была показана красная карточка и сделаны соответствуюшие предупреждения. Опять подобные типки пытаются подпортить тему, но это им не удасться. Не думаю , что есть надобность лично далее что либо утверждать и доказывать, пусть кто захочет повторяет, доказыввае, устраняет ошибки на пути неудач, а такие ошибки очень даже вероятны, как показывает практика и мои личные первоначальные, многочисленные опыты. Лично у меня указанная эффективность получена и я думаю будет еще выше без особых проблем. с ув
Влад

_________________
Намного проще о том пи...ть, чего ни кто не понимает.


SEVER | Post:206905 - Date: 28.10.09(12:30)
Уважаемый Vladislavbaginsky

я всё же надеюсь, что Вы не оставите мои слова незамеченными и осуществите питание мотора ионистором или конденсатором с подключенной обратной, положительной связью. ведь это не потребует почти ни каких дополнительных финансовых и трудовых затрат и при этом всё станет ясно.
--------------------------------------------------------------
Я вам кратко так сообщу. потом к удалению .это все.
В первый раз слышу про ионистор, честно даже не знаю для чего т т.д.. Я не электронщик, но вполне понимаю как мерять входную и выходную мощность на пост и перем. токе, поскольку проходил курс техники т- ф. эксперимента и да и лаборатории проработал не мало, просто специфика замера т.ф. свойств веществ не предполагает использование ионистора -) Поэтому для проверки основ , изложенных в первоначальной статье. изложенной на форуме, - не виду необходимости принимать доп финансовыеи другие затраты на проверку не своих идей, покупать ионистор, тратить время на то что считаю не существенным Вплне досточтно тех данных , что можно получить испольхуя измерение напряжение ,ток и в цепи питания двигателя и ток и напряжение в цепи перем тока магнитопроводе, продублировано осциллографом, напяржение синусоидальное , насыщения при указанных параметрах не наступало еще, т.е можно и мошнсть повышать путем приближения магнитопровода. Ограничения чисто технического характера. в связи с использованием конкретного двигателя, имеющихся материалов и т.д. Если желаете , пишите в личку, конечно , если есть полезные идеи или предложения , а так тут развиваит тему использовани ионистора и то как верно мерять мощность в цепи - не считаю уместным, это и школьнику известитно.

_________________
Намного проще о том пи...ть, чего ни кто не понимает.


malval55 | Post:206943 - Date: 28.10.09(14:50)
из исходной статье Зацаринина:
Для дальнейшего изложения практической реализации генератора без противодействия вращению возбудителя необходимо перечислить некоторые из них:
1. Никогда, ни при каких условиях МП не взаимодействуют между собой, не складываются и не вычитаются. Они попросту «не видят» друг друга. В одной и той же точке пространства находиться бесконечное множество не связанных между собой и не взаимодействующих другом МП.
2. Невозможно изменить пространственную конфигурацию МП без воздействия на источник этого поля. Невозможно искривить, сконцентрировать, сжать или растянуть МП, а тем более, править по какому либо магнитопроводу,
3. МП принципиально не экранируется и не взаимодействует ни с какими веществами.


Владислав здесь, в комментарии к посту SEVER 206843 от 27.Oct.2009 вы говорите:
С самого начала в исходной статье предлагалось проверить. Я проверил и это подтверждаю, кто захочет = сделает то же.


так же в ветке о ХТ и БХТ вы повторяете:
Vladislavbaginsky Пост: 206613 От 27.Oct.2009
... Примерно пол года ранее я предложил проверить метод получения св энергии открыв тему [ссылка]
Теперь я подтвердил правдивость своими экспериментами, дело за вредрением и увеличением мощностей...


в той же ветке:
Vladislavbaginsky Пост: 206814 От 27.Oct.2009
Разве при сталкивани полей огибающая не повторяет первоначальный сигнал? Повторяет, модулирование.


так как вас понимать? вы считаете, что Зацаринин ошибался в своем 1 постулате о том, что МП "не видят" друг друга? а это основа работы предложенного генератора.. вы же сами неоднократно утверждали, что подтвердили его правоту эксперементами..
----------------------------------------------------------------
Отвечаю. Я не конкретизировал, и всю тему этой ветки форума пытался проверить возможность получения св энергии данным методом. Прошло немало времени и было опробовано 4 типа магнитов....Вероятно это следовало сделать ранее, но делаю это сейчас. В статье утверждалось, что можно получить, около 1 -2 квт св. энергии используя данный принцип генерации энергии, это я и подтверждил своими экспериментами, найдя более не менее оптимальные варианты по магнитам и т.д, найдя ошибки. В отношении же всего остальнгоо, что утверждал автор в статье, - тут у каждого свое мнение, я только писал про то, что вижу осциллогрфом при встречном включении двух бифилярок, а вижу я только последующий результат воздействия на железо сердечника, с преобразованием -выводом сигнала на экран, т. е огибьающей и качер процессов и т.д , но никак не вижу - что с полями там произошло. А вы что видите? Результат воздействия на железный стержень , создающий свои поля... это же не рузультат взамодействия первичных полей. Поэтому говорить тут что -либо сложно. Конкретно по упомянутым ваи пунктам 1-3 и другим я не высказывался. с ув В

Виталя | Post:207432 - Date: 30.10.09(22:59)
gluk | Post: 207142 Брал я в руки два магнита и контур. Для того, чтобы в проводе возникла ЭДС-нужно: либо провести двумя магнитами (в положении когда они притягиваются) перпендикулярно проводу-вместе, либо (в положении когда они отталкиваются)-встречно. И в том и вдругом случае ЭДС (на глаз)-равны. А вот будет ли рости сопротивление движению магнитов в таком генераторе при увеличении нагрузки? Об этом к сожалению пока что ничего сказать не могу. В книгах я встречал только первый способ генерации. Сделать же самому подобный генератор-руки не доходили. Да и просто большие сомнения что это никто не делал. С ув. Виталий.
---------------------------------------------------------
Виталий посмотрите видео интервью Пола Ньюмена из фильма о св энергии , он именно прелагает не перпендикулрно а параллельно проводу.. но это не в данной теме форума надо развивать, если вы или кто другой серьезно жтим заниматься хотите- открывайте другую тему.

_________________
С ув. Виталий.


kvr09 | Post:207456 - Date: 31.10.09(08:52)
Виталя Пост: 207432 От 30.Oct.2009 (22:59)
gluk | Post: 207142 Брал я в руки два магнита и контур. Для того, чтобы в проводе возникла ЭДС-нужно: либо провести двумя магнитами (в положении когда они притягиваются) перпендикулярно проводу-вместе, либо (в положении когда они отталкиваются)-встречно. И в том и вдругом случае ЭДС (на глаз)-равны. А вот будет ли рости сопротивление движению магнитов в таком генераторе при увеличении нагрузки? Об этом к сожалению пока что ничего сказать не могу. В книгах я встречал только первый способ генерации. Сделать же самому подобный генератор-руки не доходили. Да и просто большие сомнения что это никто не делал. С ув. Виталий.
---------------------------------------------------------
Виталий посмотрите видео интервью Пола Ньюмена из фильма о св энергии , он именно прелагает не перпендикулрно а параллельно проводу.. но это не в данной теме форума надо развивать, если вы или кто другой серьезно жтим заниматься хотите- открывайте другую тему.


Владислав, любые идеи относительно генератора я приветствовал бы, дайте ссылку на видео с интервью Пола Ньюмена.
Виталий, хочу проверить эффект не на коленке, но как реализовать на вращателе - нужно подумать. Фото моего генератора есть в предыдущих постах.

----------------------------------------------------
Race to zero poinr energy вилео фильм Ввл
С ув.

Виталя | Post:207612 - Date: 01.11.09(02:30)
kvr09 | Post: 207456 На мой взгляд, конструкция должна выглядеть приблезительно так: два диска (копия диска из генератора Сергея Борисовича-со встроенными магнитами) расположены друг от друга на некотором расстоянии, соосно и вращаемые одним приводом, но в разные стороны. Между ними находится катушка с сердечником (или катушки). Устанавливаются они в точке где магниты встречаются (находятся друг над другом). Единстенная разница у Сергея Борисовича полярность магнитов установленных на диск чередовалась (N S N S...)-здесь их нужно все поставить одной полярностью например: верхняя часть нижнего диска-полярность N N N N... ; нижняя часть верхнего диска-полярность N N N N... Расстояние между магнитами, я бы выбрал таким, чтобы они слабо взаимодействовали друг с другом (имется в виду установка магнитов на одном диске). Расстояние между дисками подбирать видимо придётся опытным путём (наверное это будет зависить от размеров сердечника. Взаимодействие магнитов и сердечника, в тот момент когда они совмещаются в одной плоскости-также по всей видимости должно быть минимальным. Хотя, думаю,чем ближе будут находиться диски друг к другу-тем лучьше. Тоесть-устанавливаем два магнита в положение когда они довольно прилично отталкиваются друг от друга, теперь вводим между ними сердечник-они практически перестают отталкиваться и в тоже время каждый из них ещё не липнет к сердечнику. Повторюсь, я ничего подобного не сооружал, но вдуг это Вам как то поможет. С ув. Виталий.

_________________
С ув. Виталий.


Vladislavbaginsky | Post:208567 - Date: 05.11.09(12:56)
На ваш последний пост, ув. Виталий:
Как и другие, вы должны понять следующее: Наши мозги запудрили знаниями о невозможности СЕ, а она вокруг ( эфирная среда – источник) и брать ее очень просто, нужно сперва поверить. После рождения веры , появится тяга сделать и суть тут очень простая, к примеру- не создавать сопротивление общему вращению. Если левая намотка создает одно поле , то правая намотка поле противоположной направленности , как и если две катушки , но с одной намоткой использовать, то мимо них, мимо каждой можно одновременно и поочередно проводить северный и у другой - южные полюса магнита. Если равнодействующая равна нулю, то берем энергию, но без сопротивления. Есть много вариантов..


malval55 | Post:208591 - Date: 05.11.09(14:56)
Vladislavbaginsky Пост: 208567 От 05.Nov.2009 (12:56)
Если левая намотка создает одно поле , то правая намотка поле противоположной направленности , как и если две катушки , но с одной намоткой использовать, то мимо них, мимо каждой можно одновременно и поочередно проводить северный и у другой - южные полюса магнита. Если равнодействующая равна нулю, то берем энергию, но без сопротивления. Есть много вариантов..

как я понял вас, вы признали наконец, что направление намотки не так уж важно, можно мотать обе катушки в одном направлении, но включить соответствующе.. то, что правая и левая намотка катушек создаст поля в противоположных направлениях верно, но только пока ток в них течет одинакого (от начала к концу например).. но если на одном керне сердечника намотать две катушки разного направления намотки и возбудить их общим МП, то и ЭДС на них будет разного знака, а следовательно и направление тока разное.. два минуса уничтожаются и МП тока нагрузки однонаправленное, стремится уничтожить причину возникновения ЭДС..
возвращаясь к теме ветки, хочу подчеркнуть, что ЭДС в катушках вызвано изменением наведенного в сердечнике МП и ток нагрузки обоих катушек, как бы их не мотали, стремится уничтожить это наведенное поле, что и приводит к увелечению нагрузки вращателю ротора.. только отводя МП тока нагрузки в сторону или сдвигая по фазе МП можно уменьшить это влияние, а заклинания "симметрировать" не помогут..
------------------------------------------------------------------
пару реплик вы ждете... Чему только не учили в школе институте,и вот те на , многое ошибочно , лженаучно... Так и тут обнаруженые эфекты, можно по разному обьяснять и все это может быть далеко от истины, МНЕ абсоютно не нравится концепция Лапутько. подход - попытки на пальцах обьяснить или путем образных сревнений как и Деда Ивана.. Вот вы пишете "но если на одном керне сердечника намотать две катушки разного направления намотки и возбудить их общим МП, то и ЭДС на них будет разного знака, а следовательно и направление тока разное.. два минуса уничтожаются и МП тока нагрузки однонаправленное, стремится уничтожить причину возникновения ЭДС.. " их , их их же общим. Да нет ... Так ведь в "нашей конструкции" от магнитов вращающихся все возбуждается, с катушками без магниопроводов вроде бы все ясно, , но как только магнитпроводы добавили, от их перемагничивания все происходит, + вероятно , что и поля образуемые катушками имеют обратную связь с магнитопроводами, т.е взаимоиндукция , как и писал автор. опять вы пишете странно, про два минуса уничтожающихся , это если нет манитопроводов, согласен, но не с ними. Ево величество эксперимент прямо подтверждает , что автор прав. прошло некоторе время и воn сегодня на другом магнитопроводах получил 16 ватт при увеличении нагрузки двигнателя на 8 ватт. Причем особо не утруждаясь, держа даже в "руках", учитывая кпд жвижка как 40 50 , выход можно считать как 300 -400 % Вам диплом токаря нужен или токарь? ( одно направленное , не однонаправленнкое, , но ведь синфазное по эдс складывется .) чего еще надо? Есть эффективность нужно работать как ее увеличить , сначала 1 к 10 потом к 100, вероятно можно параметрический резонанс использовать при множестве магнитопроводах. Все нужно на практике проверять. успехов. Вл

Azazello | Post:208751 - Date: 06.11.09(14:01)
andav777, Влад не тот человек. чтобы трещать зря. Просто хотелось бы одно как минимум уточнить - на каких других магнитопроводах.
-----------------------------------------------------------------
Спасибо за комплимент. Уже сообщалось, чо на поведенные эксперименты потрачены средства и не малые, как время , так и финансы. Поэтому я не счтаю , что должен давать кому либо , что либо, вроде бы как работая на того парня, делая вместо него графики, фото, покупая магниты, делая эксп. стенд. Вот тот парень только и разговорами и писаниной апока и занимается, пусть делает. Свое видение и частичный поэтапный ход проведения экспериментов, с фотками лично я - давал ранее на этом форуме. Существует масса разновидностей магнитопроводов, от разного рода стержней, до п - образных магитопроводов, соединенных половинкам ли нет, все они кроме сплошного железа дадут результат.

kvr09 | Post:208851 - Date: 07.11.09(01:17)
Azazello Пост: 208751 От 06.Nov.2009 (14:01)
andav777, Влад не тот человек. чтобы трещать зря. Просто хотелось бы одно как минимум уточнить - на каких других магнитопроводах.
-----------------------------------------------------------------
Спасибо за комплимент. Уже сообщалось, чо на поведенные эксперименты потрачены средства и не малые, как время , так и финансы. Поэтому я не счтаю , что должен давать кому либо , что либо, вроде бы как работая на того парня, делая вместо него графики, фото, покупая магниты, делая эксп. стенд. Вот тот парень только и разговорами и писаниной апока и занимается, пусть делает. Свое видение и частичный поэтапный ход проведения экспериментов, с фотками лично я - давал ранее на этом форуме. Существует масса разновидностей магнитопроводов, от разного рода стержней, до п - образных магитопроводов, соединенных половинкам ли нет, все они кроме сплошного железа дадут результат.


Поздравляю с успехом, на своем стенде я его не заметил, у меня нет нарушения классики. Смотрите мои предыдущие посты😊
--------------------------------------------------------
трудно судить не видя, что же касается едких высказываний Иеронима, то надо внимательней читать, от участников ождидается, а не от одного из них. Раз дугие "сами на знают чего хочут". это их... и Иеронимов проблема.

--------------------------------------------
Участники форума, в полном смысле – это те, кто что -либо сделал для получения результата изложенного в начале каждой страницы. В последнее время появилась тенденция ставить под сомнения правильность полученных результатов, измерений и т.п., чуть ли не требуя гос. актов поверки приборов. Видимо эти писатели - “участники” также считают свой вклад в форум весомым. Остановимся на последок на основных, по моему мнению причинах возможных неудач, причин, влияющих на конечный результиат, буду перечислять. Первое – крепление магнитопроводов, должно исключать эффектов Араго. 2. возможное возникновение вибраций от перемагничиваний, дисков, текстолитовых плит фиксации магнииопроводов и др.- на это может расходоваться энергия, если такие вредные вибрации возникнут..3 Влияние близко расположенного коллекторного двигателя, его металлический частей и импульсов выделяемых искрением коллектора. 4. Исходное магнитное поле катушек, без магнитопроводов должно быть скомпенсировано. .т.е изначально нужно все сделать без магнитопроводов. 5. Равенство массы плечей магнитопроводов и их намагничиваний в процессе вращения магнитов. 6. Возможные противофазы напряжений, от прямой и вторичной индукции (от перемагничивания магнитопроводода)..7. Расстояние магнитопроводов с катушками от магнитов – разумный компромисс для данного вида магнитов, не вызывающее насыщения сердечника, желательно максимально возможное, компромисс между вырабатываемой мощностью и ее снижением при увеличении расстояния от сопротивления вращению ( в иделальном случае равно нулю, также, как и от нулевого сопротивления от установленного рядом с вращателем замкнутого магнитопровода без катушек). 8. Вырабатываемая мощность пропроциональна количеству перемагничиваний, в квадрате. 9. Геометрические и физические свойства магнитов. 10. Правильность измерений приборов. Ннеобходимо пользоваться как стрелочными, так и цифровыми тестерами, осциллографом и дублировать показания разными приборами.
Вероятно можно найти и другие причины, имеющие связь с конечным результатом. Участие любого, кто делал какие –то эксперименты на форуме не должно превращаться в его оправдятельную речь или монолог доказательств верности измерений и т.д.. Участие же ф данном форуме и что ожидается от “участников” изложено в начале каждой странице., поэтому хочет написать еще, пусть себя причислит к таковым прямым участием в экспериментах. В общем то тему можно считать закрытой, в том смысле, что могут появиться новые и новые подтверждения верности изложенного в самом начале. При этом надо помнить, что если вы получаете даже одинаковое количество ватт на входе и выходе, - ваша система имеет эффективность . около 200 %, (правда мало от нее пользы в этом случае) поскольку примерно 50 процентов -обычно составляет кпд движка, т.е 50 процентов вы теряете. А ваша крутилка их восполняет и на выходе вы имеете для данного случая отношение 1 к 1.
Всем удачи . Влад
------------------------------------------------------------------
добавление от 22 ноября 2009
Виктор, пишу для вас, как ответ на ваш запрос, и для других, чтобы не поторяться много раз. Я уже знаю почему у вас и других, кто делал эксперименты почти ничего не выходит, но пока "жаба давит" передать Вам или другим задаром, тем более, что вы "не верите". Я имел затраты по времени и материально на порядок выше чем вы и другие. АЛЬТРУИЗМ тут не годится, вы бизнесмен, и потратитли копейку, я - нет, потратил образно говоря - 10 рублей. Если бы мои затраты были компенсированы, я бы рассказал "где собака порылась" 😀 Однако не бывает, чтобы сообщество скинулось на "счет", а индиидуалы как правило сильно расчетливы и жадны, у них нет веры, что это возможно, поэтому их усилия и были на порядок меньше, и, как следствие - и их результат. Осуществить заявленные в начальной статье параметры по мощности, и более того - можно. Извините, немного не по теме.
С уважением, Влад.



Vladislavbaginsky | Post:214462 - Date: 04.12.09(14:45)
bes Пост: 214318 От 03.Dec.2009 (22:25)
Vladislavbaginsky
Раз Вы говорите, что у Вас все получилось, может быть покажете видео закольцованного девайса?
Ведь на видео не будет видно ваших секретов.

Надр подумать, какой в этом смысл и как это делать, ведь тут же некоторые обвинят в очередной попытке мошейничества и фальсификации. Возникает целый рад других сложных проблемм. Разницы нет н том - на какую мощность сделать и показать, это вопрос материальных затрат и времени на изготовление. Тут главное получить эффект , пусть даже на небольшой модельке, где явно эффект выражен и желательно намного более чем 200%. поскольку ведь кпд движка пиближается в 50% и он сьедает почти всю вырабатывемую СЕ. Вот как только вы поймете и подтвердите, получите, к примеру для начала выход 300, затем 1000 и не на единицах ватт. а на десятках и сотнях и т.д. то потом и остается проблема - рассказать как и почему у других не выходит, а все просто и потратили они все вместе, в сумме вероятно, десятки тысяч гривен и более, или попытаться получить коменсацию хотя бы за своии затраты и время, заявлять паент или нет, а дело это очень дорогостящее, требует времени, если для многих стран патентовать, и надо ли.... опыть показавает , что почти никто тут альтруизмом не славится. К примеру Роман F, дед Иван, Валера Лапутько, Канарев. получили частные варианты решения Хт., но никто не опубликовал, почему - то. Так что смсла показаывать очередное видео , будь то Хт или крутилки особого смысла нет, все равно окажутся скптики ишущие батарейки внутри, подпитку от магни поля Земли от радиоволн и т.д и т.п. предложат разобрать все чтобы убедиться , что в этом аккумуляторов нет или сделать испытания где -то под Землей в шахте, где ненароком есть опасность захоронения и девайся и изобретателя. Ну это так к слову, были и такие истории. Так что думать надо над готовностью общества, его духовным развитием, готовность принять дар.

valeralap | Post:214474 - Date: 04.12.09(16:24)
AlexZander | Post: 214467 - Date: 04 Dec 2009 12:36 Дед Ваня, хороший инженер в классическом понимании. Он представил одно единственное решение коаксиальный трансформатор! Вы думаете, что это СЕ? Не, какого СЕ, у него нет! Дед Ваня для сопливых классиков совершил подвиг, разжевав с точки зрения своей инженерной логики вопросы! Это его точка зрения просто весьма удобна для зашоренного восприятия “так как она опирается на тысячелетний опыт!” Съехав на поляризацию в дипольных структурах, перейдя на децибелы и неперы, он забыл кто такой Тесла! По сути, он Герцовед классического толка. Планку, которую он перед собой поставил ему не взять буквари классического толка им созданные нужны не альтернативщикам а людям занимающимся радиотехникой!😎
------------------------------------------------------------------
Ув Валерий я немного добавлю, Думаю все согласны, что понятно только тогда, когда воспроизведение изложено четко для всех, в тех же диапазонах частот ( автор проверял до 200 Кгц, это из статьи) и схема, эскиз точго дает представленеи как мотать. А то получается на пальцах как Роман написал, про сжимание шланга с водой, а у вас про приближение и стталкивание двойников - изображений. Вполне всем понятно что две располженные рядом бифилярки дают встречные поля и это по сути неполный качер режим, но на стержне расположенном внутри или на трубке, если на ней мотать - обычно нет таких условияй , чтобы при присоединении с торцов - лампа горела, неважно есть там ток или нет, тестером конечно не видим, там миллионы герци по сути электроны наверно на месте разворачиваются. Все такие намеки не эффективны, так практика показала, по ним что -либо воспроизвести невозможно. В трансе Тесла -Бровина нечто пободное, неполный виток внутрь вв катушки и лампа горит, и если даже не виток а кусок- поастину меди с наружной стооны поднести, то лампа, меньшей мощи тожере от торцов горит, не только светодиод от нескольких витков. мне не вполне понятно отчего там все , кроме бомбардировки фотонами, еще нужно понимать, что они, фотоны свои магнитные поля создают. С ув, В

_________________
Чтобы слушать Иисуса Христа, нужно быть, хотя бы его апостолом!


malval55 | Post:214831 - Date: 06.12.09(13:52)
Vladislavbaginsky, я не понял - вам удалось закольцевать генератор или нет? Я не спрашиваю о ваших нау-хау, уважая ваши затраты на опыты, и не прошу видио - просто прямо скажите ДА или НЕТ..

malval55 | Post:214851 - Date: 06.12.09(16:40)
matros Пост: 214847 От 06.Dec.2009 (15:55)
Всем привет Тема называется ген на бифлярной индуктивности без прямой индукции
индукция есть наведение не понятно конечно что значит не прямая индукция ?

если прочтешь статью Зацаринина, которой тема посвещена, то поймешь, что магниты ротора не напрямую воздействуют на катушки генератора для создания ЭДС, а намагничивают сердечник катушек и уже поле этого наведенного магнита воздействует на катушки..

almaster | Post:214852 - Date: 06.12.09(16:42)
В двух словах как я понял: думают, что если два магнита на отталкивание сложить и к проводу поднести, то в проводе ток пойдет, а магниты отталкиваться не будут.
Но это просто очень, тут народ простых решений не приемлет, все очень грамотные, поэтому сразу же на сложных девайсах проверяют.😎
-------------------------------------------------------------------
Вы к подковобразному магниту поднесите, к разным полюсам а не между отдельных магнитов, хотя может и не существенно это, и, если очень чувствительный микроамперметр - шальванометр, то малый ток обнаружить вроде можно, встречались такие сообщения....Кто предложил, тот и проверяет...

_________________
Не плывите по течению. Не плывите против течения. Плывите туда, куда вам нужно.


Vladislavbaginsky | Post:214908 - Date: 06.12.09(21:23)
Какой особый смысл вы видете в закольцовывании?
Если выходная мощность значительно превышает потребляемую, то пустить часть выработанной энерги на компенсацию потребляемой мощности - это чисто техническая задача, которую и не обязательно решать, разве что, если вы хотите полной автономности устройства.
Вполне удовлетвор. ситуация , если устройство выдает к примеру киловыты, а потебляет десятки ватт или даже пару сотен ватт.
Все равно необхолдимо решить вопрос первоначального запуска и запитки устройства от автономного питания. Выходная частота преобразуется, выпрямляется диодами, сглаживается если надо для питания двигателя пост. тока, остаток - в полезную нагрузку, подпитку автономного питания если там батареи или аккумуляторы, для их подзарядке после запуска и т.д,(в том числе с возможностью режима работы при повышенной нагрузки в пиковых режимах, одновременно от устройства и от батарей), если же движок на перем. токе, то надо преобразовать частоту генератора в частоту питания двигателя, если он трехфазный, то в три фазы. так что меня эта задача просто не очень интересует. доьше интересует задача наращивания мощности и эффективности, при отсутствии какого либо финансирования извне, дело движется медленноЮ, посколку закупать что либо или изготавливать нужное выхывет порой затруднения чисто финансовые.
------------------------------------------------------
kvr 09 sever и др. не могут , а может не хватает кому чего , чтобы понять - ваши неудачи совсем не означают, что у других не выходит, лично мне советы не требуются, на нужную тему если и задать то не ответят, а все же советуют про то, о чем не понимают и результата не получили. Закольцовку все мы видели в авто , где мощность основного источника дв. внутр. сгорания выше подкл. к нему генератора, в устройстве же С.Б. роль двигателя выполняет враш-ся диск с магнитопроводами и магнитами, ... забирающий энергию эфира на уровне электронов атомов, решили что обязательно нужно так всем поступать, аи в этом что нового? как в авто? Лично мое присутствие на форуме в данной теме теперь обьясняется тем, что в дальнейшем появятся другие , подтвердишие правоту в изначальной статье, и чтобы всякие личности не пачкали тему. Удалять ехидные заметки не по теме- несложно, но без удовольствия.
-------------------------
Могу добавить, что разгадка того, как сделать , чтбы заработало - дает на мой взгляд понимание и многого где обычно все получают минус в рез- те, машины Йозефа Ньюмана, Адамса, Бедини, Серла, и др. и то что я как и все смотрел и не видел почти год, а все остальные продолжают тупо делать одну и ту же ошибку, это действительно феномен, и не смотря на простоту решения, оно понимается только на основании многочисленных опытов, а пока Kvr и другим остается образно говоря сосать лапу во время спячки, и когда она закончится непонятно, надолго затянуться может. Копите копите мани на кв- ру в Крыму а лругие будут понемногу вои дома и теплицы снабжать тем чем надо, а если Чубайсы узнают, ифаркт могут получить, им и другим рассказывать нельзя.

Vladislavbaginsky | Post:216395 - Date: 14.12.09(22:48)
AlexZander Пост: 214467 От 04.Dec.2009 (15:36)
А вот на Деду Ваню наезжать не нужно. Он свой вариант не то что выложил, а еще и разжевал. Ктож те виноват что ты выплюнул...

Хотя и не совсем по теме, С ОПОЗДАНИЕМ, НО рядом.... Cынок, ответь на вопрос о посте от ded, где же он, кто скушал?, 2008 года на скифе нет. Вот извлечение из оригинальной статьи : "Отдельное спасибо и выражение искреннего восхищения ходом мыслей: DED Пост: 126370 От
09.Aug.2008 (08:40) Вы абсолютно точно воспроизвели третью конструкцию, т.е. вырожденный ХТ. Но от оригинального ХТ это далековато." Если изучать по 230 страниц - все что угодно можно пропустить. каюсь ,все их не изучал.
---------------------------------------------------------------
Добавляю найденный недавно в инете оригинальный файл, поскольку просматриваются некоторые важные отличия между оригиналом и опубликованным ранее. Вообще то этот файл из пяти заархивирован, есть на depozite.com ссылка на другом форуме Кто желает, можете скинуть его в тему по ХТ. Будет полезно многим, если кто имеет в архивар пост от DED за упомянутую дату, просьба сообщить или поместить на форум, если ded и дед иван разные персонажи, в чем сомнения, то кто же DED?
2c1bb6.pdf
Размер: 365.50 KB
a7615a.pdf
Размер: 55.64 KB

Виталя | Post:217860 - Date: 20.12.09(02:26)
Vladislavbaginsky | Post: 216395 - Date: 15.12 (05:48)

Владислав, если Вам не сложно, скиньте пожалуйста эти файлы в тему про ХТ. Я бы с удовольствием сделал это сам, но к сожалению не умею. С ув. Виталий.
-----------------------------------------------------------------
Виталий. Больще пользы будет для вас лично, если вы научитесь и будете сами это делать в дальнейшем, сделайте сами. Скачивайте и сохраняйте в нужной вам паке на своем компе эти файлы. Затем пишите в теме Хт сообщение, можете и фрагмент моего сообщения выбираете и прикрепляете нужный файл кнопкой что в нижней части сообщения там надо указать путь к данному файлу на вашем компе. У меня два сразу прикрепит не удается, но по одному поочереди можно. к сожелению многих, как мне думается увело в сторону на целый год неполная публиуация и не внимательное прочтение, а также попытки учесть мнение и выводы авторитетов. В отношении моих выводов и результатов в данной теме, мое подтверждение выводлв и утверждений автора касается и получаемых данным способом мощностей. Похоже многие это так и не поняли.
К стати по адресу [ссылка]
есть ссылка не 60 Мб видео, про якобы "разоблачение" конструкци ХТ, где хорошо видно лицо этого разоблачателя, и все У НЕГО сводится к варианту трубки с ферритовыми сердечниками, Надо бы ему второй файл просмотреть в предыдушем посте, да извиниться перед всеми В ЗАБЛУЖДЕНИЕ ВСЕХ ВВОДИТ.

_________________
С ув. Виталий.


<] [ 1 | 2 | 3 | 4 | 5 | 6 | 7 | 8 | 9 | 10 | 11 | 12 | 13 | 14 | 15 ] [>
У Вас нет прав отвечать в этой теме.
Форум - Магнитные генераторы - Магнитные генераторы - Генератор на бифилярных катушках без прямой индукции - Стр 11
🏠 Главная | 📚 Содержание | 💬 Форум | 📁 Файлы | 📩 Контакт